вконтакте

Контактный телефон: +7 (981) 121-46-93, +7 (800) 200-90-76 , Email: parts-katalog@yandex.ru, где купить

 
 

  Логин:

Пароль:

Регистрация

www.partskatalog.ru Все каталоги Запчасти Mercury Запчасти Suzuki Запчасти Tohatsu Запчасти Honda Контакты



УВАЖАЕМЫЕ КЛИЕНТЫ!
C 19 ДЕКАБРЯ 2025 ПО 02 МАРТА 2026 ГОДА ОТДЕЛ ЗАПЧАСТЕЙ И СЕРВИС РАБОТАТЬ НЕ БУДУТ
ПРОДАЖА ЛОДОЧНЫХ МОТОРОВ В ШТАТНОМ РЕЖИМЕ
ОБ ИЗМЕНЕНИЯХ В ГРАФИКЕ РАБОТЫ ЧИТАЙТЕ НА САЙТА




Вернуться к началу выбора


Год выпуска: 2005 год

Семейство или модельный ряд: Traxter

Модификация квадроцикла: Traxter CVT (500, 650, 650 XT), 2005

   Выберите раздел

найти расходники на квадроциклы BRP


Выберите раздел

01- Belt и Двигатель Шкив System (01- Belt And Engine Pulley System)

01- Belt и Двигатель Шкив System (01- Belt And Engine Pulley System)

01- Охлаждение System (01- Cooling System)

01- Охлаждение System (01- Cooling System)

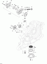
01- Картер двигателя (01- Crankcase)

01- Картер двигателя (01- Crankcase)

01- Коленвал, Поршень и Цилиндр (01- Crankshaft, Piston And Cylinder)

01- Коленвал, Поршень и Цилиндр (01- Crankshaft, Piston And Cylinder)

01- Головка блока цилиндра (01- Cylinder Head)

01- Головка блока цилиндра (01- Cylinder Head)

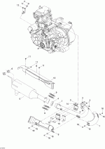
01- Двигатель и Двигатель Sвышеport (01- Engine And Engine Support)

01- Двигатель и Двигатель Sвышеport (01- Engine And Engine Support)

01- Охлаждение двигателя (01- Engine Cooling)

01- Охлаждение двигателя (01- Engine Cooling)

01- Смазка двигателя (01- Engine Lubrication)

01- Смазка двигателя (01- Engine Lubrication)

01- Выхлопная система (01- Exhaust System)

01- Выхлопная система (01- Exhaust System)

02- Air Система впуска (02- Air Intake)

02- Air Система впуска (02- Air Intake)

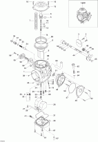
02- Карбюратор (02- Carburetor)

02- Карбюратор (02- Carburetor)

02- Топливная система (02- Fuel System)

02- Топливная система (02- Fuel System)

03- Магнето (03- Magneto)

03- Магнето (03- Magneto)

04- Электростартер (04- Electric Starter)

04- Электростартер (04- Electric Starter)

05- Шестерня Переключатель (05- Gear Shift)

05- Шестерня Переключатель (05- Gear Shift)

06- Hydraulic тормоз (06- Hydraulic Brake)

06- Hydraulic тормоз (06- Hydraulic Brake)

07- Drive System, Front (07- Drive System, Front)

07- Drive System, Front (07- Drive System, Front)

07- Рулевая система System (07- Steering System)

07- Рулевая система System (07- Steering System)

07- Передняя подвеска (07- Front Suspension)

07- Передняя подвеска (07- Front Suspension)

08- Drive System, Rear (08- Drive System, Rear)

08- Drive System, Rear (08- Drive System, Rear)

08- Задняя подвеска (08- Rear Suspension)

08- Задняя подвеска (08- Rear Suspension)

09- Корпус и Аксессуары 1 (09- Body And Accessories 1)

09- Корпус и Аксессуары 1 (09- Body And Accessories 1)

09- Корпус и Аксессуары 2 (09- Body And Accessories 2)

09- Корпус и Аксессуары 2 (09- Body And Accessories 2)

09- Наклейки (09- Decals)

09- Наклейки (09- Decals)

09- Рама (09- Frame)

09- Рама (09- Frame)

09- Luggage Racks (09- Luggage Racks)

09- Luggage Racks (09- Luggage Racks)

09- Седло (09- Seat)

09- Седло (09- Seat)

09- Front Storage Compartment (09- Front Storage Compartment)

09- Front Storage Compartment (09- Front Storage Compartment)

10- Электрика Аксессуары (10- Electrical Accessories)

10- Электрика Аксессуары (10- Electrical Accessories)

10- Электрика - жгут проводов, Рама (10- Electrical Harness, Frame)

10- Электрика - жгут проводов, Рама (10- Electrical Harness, Frame)

10- Электрика - жгут проводов, Front Section (10- Electrical Harness, Front Section)

10- Электрика - жгут проводов, Front Section (10- Electrical Harness, Front Section)

10- Электрика System (10- Electrical System)

10- Электрика System (10- Electrical System)

brp atv

Время выполнения запроса 0.27182817459106 сек.


 
 

данный сайт носит информационный характер и не является публичной офертой

склад запчастей для водомоторной техники