вконтакте

Контактный телефон: +7 (981) 121-46-93, +7 (800) 200-90-76 , Email: parts-katalog@yandex.ru, где купить

 
 

  Логин:

Пароль:

Регистрация

www.partskatalog.ru Все каталоги Запчасти Mercury Запчасти Suzuki Запчасти Tohatsu Запчасти Honda Контакты


Выбрать другую модель

назад Раздел:   вперёд

вернуться к списку узлов и деталей

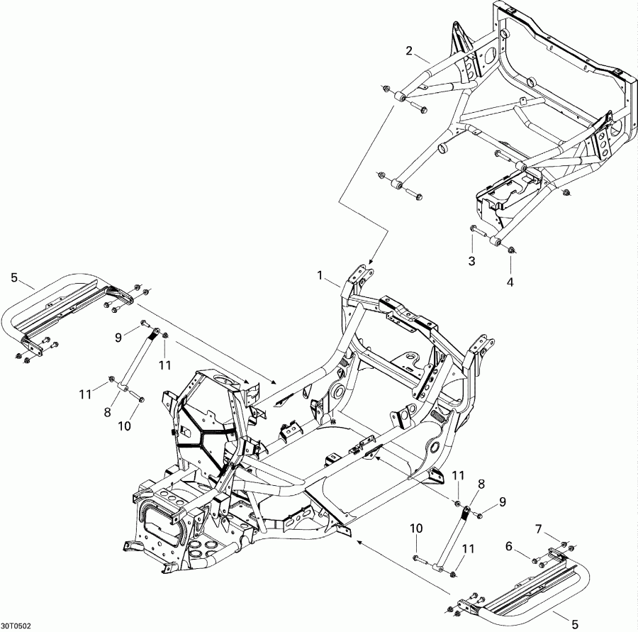
ДЕТАЛИРОВКА ДЛЯ МОДЕЛИ: BRP ATV Traxter 5 Speed, 2005

Раздел: Рама System | Frame System


Квадроцикл Bombardier модель Traxter 5 Speed, 2005 - Рама System

Номер на
рисунке
АртикулНаименованиеКол-во
на складе
Цена
1 705201037

Рама (чёрный) (Frame (Black))

под заказ128200 руб.
1 705200919

(последний код) Рама (чёрный) (Frame (Black))

под заказ134600 руб.
2 705201039

Рама Удлинитель (чёрный) (Frame Extension (Black))

под заказ66100 руб.
2 705200864

(последний код) Рама Удлинитель (чёрный) (Frame Extension (Black))

под заказ51700 руб.
3 207605544

Hex Фланецd Винт M10 X 55 (Hex Flanged Screw M10 X 55)

под заказ290 руб.
3 V9600010055

(последний код)

под заказпо запросу
4 233201414

Hex Фланецd Elastic Гайка M10 (Hex Flanged Elastic Nut M10)

под заказ280 руб.
4 228701045

(последний код) Hex Фланецd Elastic Гайка M10 (Hex Flanged Elastic Nut M10)

под заказ220 руб.
5 705000610

Footrest (чёрный) (Footrest (Black))

под заказ6020 руб.
6 207682044

Hex Фланецd Винт M8 X 20 (Hex Flanged Screw M8 X 20)

под заказ290 руб.
6 732601285

(последний код) Hex Фланецd Винт M8 X 20 (Hex Flanged Screw M8 X 20)

под заказ230 руб.
7 233281414

Hex Фланецd Elastic Гайка M8 (Hex Flanged Elastic Nut M8)

под заказ290 руб.
7 M33201

(последний код)

под заказпо запросу
8 705200143

Removable Brace (чёрный) (Removable Brace (Black))

под заказ4100 руб.
9 207682544

Hex Фланецd Винт M8 X 25 (Hex Flanged Screw M8 X 25)

под заказ230 руб.
9 732601284

(последний код) Hex Фланецd Винт M8 X 25 (Hex Flanged Screw M8 X 25)

под заказпо запросу
10 207685044

Hex Фланецd Винт M8 X 50 (Hex Flanged Screw M8 X 50)

под заказ290 руб.
11 233281414

Hex Фланецd Elastic Гайка M8 (Hex Flanged Elastic Nut M8)

под заказ290 руб.
11 M33201

(последний код)

под заказпо запросу
brp atv

Время выполнения запроса 1.0496640205383 сек.


 
 

данный сайт носит информационный характер и не является публичной офертой

склад запчастей для водомоторной техники