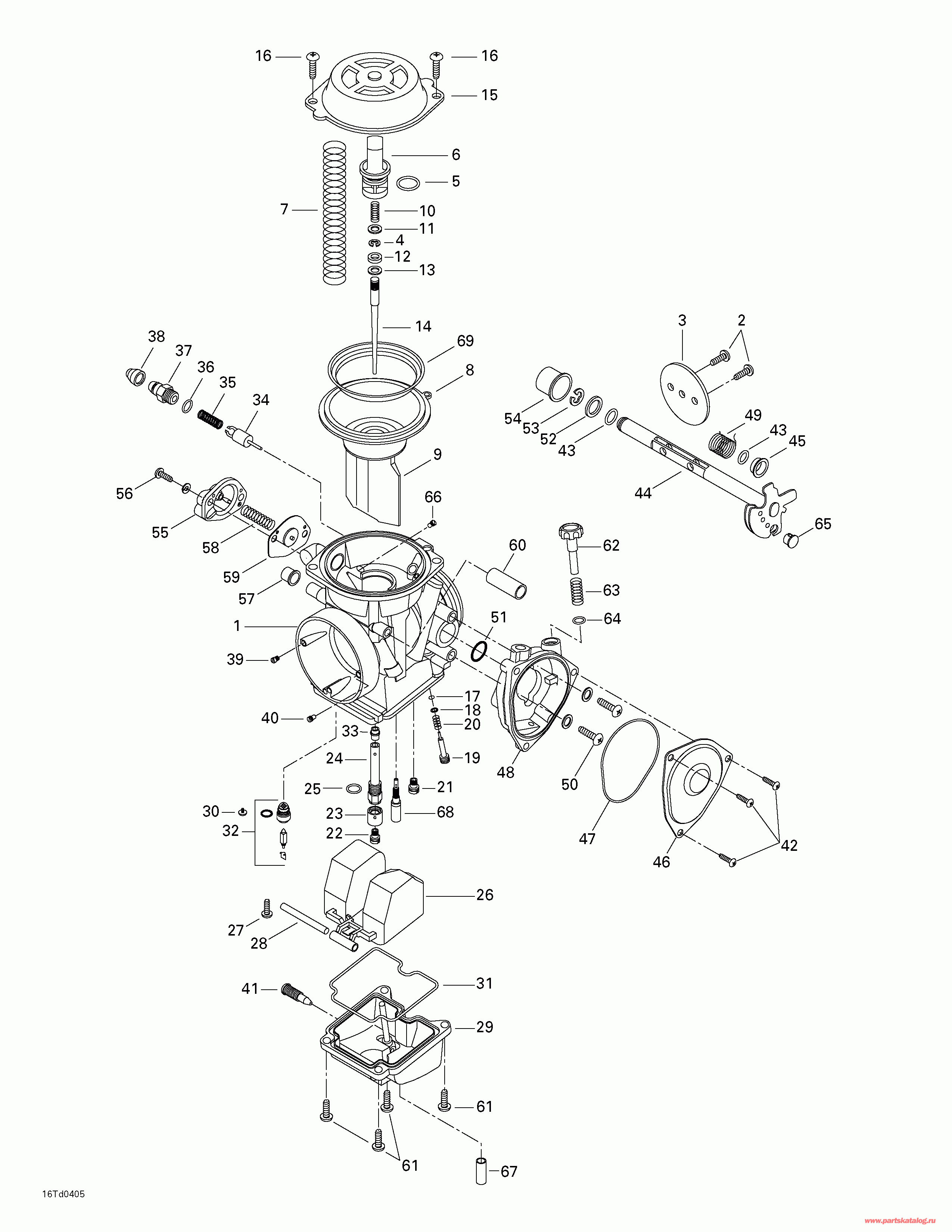
Номер на рисунке | Артикул | Наименование | Кол-во на складе | Цена |
| 1 | 707200181 | Карбюратор (Mikuni BSR42-7) Includes 1 - 68. (Carburetor (Mikuni BSR42-7). Includes 1 - 68.) | под заказ | 60100 руб. | |
| | 707200186 | Карбюратор (Mikuni BSR42-8) (Carburetor (Mikuni BSR42-8)) | под заказ | 66700 руб. | |
| 1 | XXX | Mixing Корпус (Mixing Body) | | | |
| 2 | XXX | Винт (Screw) | | | |
| 3 | XXX | Клапан дросселя (Throttle Valve) | | | |
| 4 | 404152200 | Уплотнительное кольцо (E-Ring) | под заказ | 430 руб. | |
| 5 | 270500144 | Уплотнительное кольцо (O-Ring) | под заказ | 1210 руб. | |
| 6 | 707200067 | Держатель (Holder) | под заказ | 1070 руб. | |
| 7 | 707200066 | Пружина (Spring) | под заказ | 1150 руб. | |
| 8 | 707200113 | Диафрагма (Diaphragm) | под заказ | 4300 руб. | |
| 9 | 707200114 | Поршень Клапан (Piston Valve) | под заказ | 7760 руб. | |
| 10 | 707200071 | Пружина (Spring) | под заказ | 720 руб. | |
| 11 | 707200072 | Шайба (Washer) | под заказ | 720 руб. | |
| 12 | 707200065 | Кольцо (Ring) | под заказ | 720 руб. | |
| 13 | 707200064 | Шайба (Washer) | под заказ | 720 руб. | |
| 14 | 707200292 | иголка J8-6DGY16-53 (Needle J8-6DGY16-53) | под заказ | 2150 руб. | |
| | 707200191 | иголка J8-6DGY17-53 (Needle J8-6DGY17-53) | под заказ | 2440 руб. | |
| | 707200293 | (последний код) иголка J8-6DGY17-53 (Needle J8-6DGY17-53) | под заказ | 1910 руб. | |
| 15 | 707200116 | Крышка диафрагмы (Diaphragm Cover) | под заказ | 4740 руб. | |
| 16 | 404161903 | Винт (Screw) | под заказ | 290 руб. | |
| 17 | 404139900 | Уплотнительное кольцо (O-Ring) | под заказ | 720 руб. | |
| 18 | 707200018 | Шайба (Washer) | под заказ | 430 руб. | |
| 19 | 707200117 | Регулятор (Adjuster) | под заказ | 1290 руб. | |
| 20 | 707200078 | Пружина (Spring) | под заказ | 720 руб. | |
| 21 | 404145800 | Главный жиклёр 80 (Main Jet 80) | под заказ | 860 руб. | |
| | 707200189 | Главный жиклёр 75 (Main Jet 75) | под заказ | 800 руб. | |
| 22 | 270500437 | Главный жиклёр 152.5 (Main Jet 152.5) | под заказ | 430 руб. | |
| 23 | 707200148 | Кольцо (Ring) | под заказ | 2300 руб. | |
| 24 | 707200185 | Jet Держатель (Jet Holder) | под заказ | 2870 руб. | |
| 25 | 270500119 | Уплотнительное кольцо (O-Ring) | под заказ | 760 руб. | |
| 26 | 707200103 | Поплавок в сборе (Float Assy) | под заказ | 3690 руб. | |
| 27 | 404138600 | Винт (Screw) | под заказ | 290 руб. | |
| 28 | 404123400 | Штифт (Pin) | под заказ | 430 руб. | |
| 29 | 707200119 | Поплавок Корпус в сборе (Float Body Assy) | под заказ | 8370 руб. | |
| 30 | 404161861 | Винт (Screw) | под заказ | 430 руб. | |
| 31 | 707200083 | Уплотнительное кольцо (O-Ring) | под заказ | 890 руб. | |
| 32 | 707200192 | Игольчатый клапан 1.2 (Needle Valve 1.2) | под заказ | 6360 руб. | |
| 33 | 707200166 | Игла распылителя (Needle Jet) | под заказ | 3000 руб. | |
| 34 | 707200176 | Плунжер в сборе (Plunger Assy) | под заказ | 2300 руб. | |
| 35 | 707200144 | Пружина (Spring) | под заказ | 210 руб. | |
| 36 | 404140200 | Уплотнительное кольцо (O-Ring) | под заказ | 610 руб. | |
| 37 | 707200009 | Держатель Направляющая (Holder Guide) | под заказ | 1150 руб. | |
| 38 | 707200010 | Колпачок (Cap) | под заказ | 770 руб. | |
| 39 | 707200188 | Pilot Jet 50 (Pilot Jet 50) | под заказ | 1440 руб. | |
| 40 | 707200187 | Jet 40 (Jet 40) | под заказ | 910 руб. | |
| 41 | 707200024 | Винт (Screw) | под заказ | 1000 руб. | |
| 42 | 707200091 | Винт (Screw) | под заказ | 430 руб. | |
| 43 | XXX | Сальникing Кольцо (Sealing Ring) | | | |
| 44 | XXX | Вал дросселя (Throttle Shaft) | | | |
| 45 | XXX | Кольцо (Ring) | | | |
| 46 | 707200093 | Крышка (Cover) | под заказ | 2300 руб. | |
| 46 | 719000033 | (последний код) Крышка (Cover) | под заказ | 1800 руб. | |
| 47 | 707200092 | Уплотнительное кольцо (O-Ring) | под заказ | 2420 руб. | |
| 48 | XXX | Case (Case) | | | |
| 49 | XXX | Пружина (Spring) | | | |
| 50 | XXX | Винт (Screw) | | | |
| 51 | XXX | Уплотнительное кольцо (O-Ring) | | | |
| 52 | XXX | Прокладка (Packing) | | | |
| 53 | XXX | Уплотнительное кольцо (E-Ring) | | | |
| 54 | XXX | Колпачок (Cap) | | | |
| 55 | 707200105 | Крышка в сборе (Cover Assy) | под заказ | 3570 руб. | |
| 56 | 404901400 | Винт (Screw) | под заказ | 430 руб. | |
| 57 | 270500260 | Карбюратор Колпачок (Carburetor Cap) | под заказ | 830 руб. | |
| 58 | 707200294 | Пружина (Spring) | под заказ | 1020 руб. | |
| | 707200160 | Пружина (Spring) | под заказ | 720 руб. | |
| 59 | 707200106 | Диафрагма в сборе (Diaphragm Assy) | под заказ | 2810 руб. | |
| 60 | 707200179 | Шланг (Hose) | под заказ | 2150 руб. | |
| 61 | 404159300 | Винт (Screw) | под заказ | 430 руб. | |
| 62 | 707200180 | Регулятор Винт (Adjuster Screw) | под заказ | 2150 руб. | |
| 63 | 404101700 | Пружина (Spring) | под заказ | 300 руб. | |
| 63 | 420938940 | (последний код) Пружина (Spring) | под заказ | 240 руб. | |
| 64 | 707200020 | Уплотнительное кольцо (O-Ring) | под заказ | 210 руб. | |
| 65 | 707200058 | Кабели Направляющая (Cable Guide) | под заказ | 1060 руб. | |
| 66 | 707200134 | Air Jet 1.3 (Air Jet 1.3) | под заказ | 860 руб. | |
| 67 | 707200041 | Шланг (Hose) | под заказ | 1590 руб. | |
| 68 | 707200168 | Pilot Jet 35 (Pilot Jet 35) | под заказ | 1050 руб. | |
| | 707200136 | Pilot Jet 40 (Pilot Jet 40) | под заказ | 1100 руб. | |
| 69 | 404162023 | Кольцо (Ring) | под заказ | 1070 руб. | |