вконтакте

Контактный телефон: +7 (981) 121-46-93, +7 (800) 200-90-76 , Email: parts-katalog@yandex.ru, где купить

 
 

  Логин:

Пароль:

Регистрация

www.partskatalog.ru Все каталоги Запчасти Mercury Запчасти Suzuki Запчасти Tohatsu Запчасти Honda Контакты



УВАЖАЕМЫЕ КЛИЕНТЫ!
C 19 ДЕКАБРЯ 2025 ПО 02 МАРТА 2026 ГОДА ОТДЕЛ ЗАПЧАСТЕЙ И СЕРВИС РАБОТАТЬ НЕ БУДУТ
ПРОДАЖА ЛОДОЧНЫХ МОТОРОВ В ШТАТНОМ РЕЖИМЕ
ОБ ИЗМЕНЕНИЯХ В ГРАФИКЕ РАБОТЫ ЧИТАЙТЕ НА САЙТА




Вернуться к началу выбора


Мощность Вашего двигателя: 135 л.с.

Год выпуска: 2005 год

Тип двигателя: 1215

Модификация двигателя: Evinrude E135FSLSOB

   Выберите раздел

найти расходники на лодочные моторы Evinrude


Выберите раздел

Aluminum Гребной винтs & Hardware V6 & V8 Редуктор (2 Stroke) (Aluminum Propellers & Hardware V6 & V8 Gearcase (2 Stroke))

Aluminum Гребной винтs & Hardware V6 & V8 Редуктор (2 Stroke) (Aluminum Propellers & Hardware V6 & V8 Gearcase (2 Stroke))

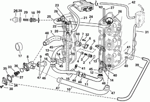
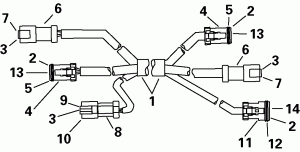
Трубка охлаждения Routing (Cooling Hose Routing)

Трубка охлаждения Routing (Cooling Hose Routing)

Коленвал & Поршни (Crankshaft & Pistons)

Коленвал & Поршни (Crankshaft & Pistons)

Цилиндр & Картер двигателя (Cylinder & Crankcase)

Цилиндр & Картер двигателя (Cylinder & Crankcase)

Наклейки голубой Models (Decals Blue Models)

Наклейки голубой Models (Decals Blue Models)

Наклейки белый Models (Decals White Models)

Наклейки белый Models (Decals White Models)

Dual Рулевая система Коннектор Kit (Dual Steering Connector Kit)

Dual Рулевая система Коннектор Kit (Dual Steering Connector Kit)

Электростартер (Electric Starter)

Электростартер (Electric Starter)

Электрика System (Electrical System)

Электрика System (Electrical System)

Крышка двигателя (капот) (Engine Cover)

Крышка двигателя (капот) (Engine Cover)

Двигатель Электрика - жгут проводов Assembly (Engine Electrical Harness Assembly)

Двигатель Электрика - жгут проводов Assembly (Engine Electrical Harness Assembly)

Удлинитель корпуса (Exhaust Housing)

Удлинитель корпуса (Exhaust Housing)

Удлинитель Кабели (Extension Cable)

Удлинитель Кабели (Extension Cable)

Fuel Components (Fuel Components)

Fuel Components (Fuel Components)

Редуктор - Pl - Sl Models (Gearcase - Pl - Sl Models)

Редуктор - Pl - Sl Models (Gearcase - Pl - Sl Models)

Впускной коллектор (Intake Manifold)

Впускной коллектор (Intake Manifold)

Литература (Literature)

Литература (Literature)

Нижняя крышка двигателя (Lower Engine Cover)

Нижняя крышка двигателя (Lower Engine Cover)

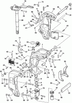
Midsection (Midsection)

Midsection (Midsection)

Oil Components (Oil Components)

Oil Components (Oil Components)

Краска (Paint)

Краска (Paint)

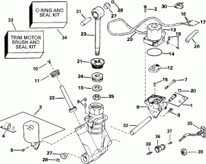
Механизированный дифферент наклона Hydraulic Assembly (Power Trim/tilt Hydraulic Assembly)

Механизированный дифферент наклона Hydraulic Assembly (Power Trim/tilt Hydraulic Assembly)

Stainless Steel 3 Blade Гребной винтs & Hardware V6 & V8 Редуктор (2 Stroke) (Stainless Steel 3 Blade Propellers & Hardware V6 & V8 Gearcase (2 Stroke))

Stainless Steel 3 Blade Гребной винтs & Hardware V6 & V8 Редуктор (2 Stroke) (Stainless Steel 3 Blade Propellers & Hardware V6 & V8 Gearcase (2 Stroke))

Stainless Steel 4 Blade Гребной винтs & Hardware V6 & V8 Редуктор (2 Stroke) (Stainless Steel 4 Blade Propellers & Hardware V6 & V8 Gearcase (2 Stroke))

Stainless Steel 4 Blade Гребной винтs & Hardware V6 & V8 Редуктор (2 Stroke) (Stainless Steel 4 Blade Propellers & Hardware V6 & V8 Gearcase (2 Stroke))

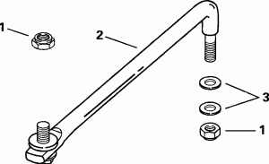
Рулевая система Соединитель Kit (Steering Link Kit)

Рулевая система Соединитель Kit (Steering Link Kit)

Соединитель дросселяage (Throttle Linkage)

Соединитель дросселяage (Throttle Linkage)

evinrude

Время выполнения запроса 0.24983310699463 сек.


 
 

данный сайт носит информационный характер и не является публичной офертой

склад запчастей для водомоторной техники