вконтакте

Контактный телефон: +7 (981) 121-46-93, +7 (800) 200-90-76 , Email: parts-katalog@yandex.ru, где купить

 
 

  Логин:

Пароль:

Регистрация

www.partskatalog.ru Все каталоги Запчасти Mercury Запчасти Suzuki Запчасти Tohatsu Запчасти Honda Контакты



УВАЖАЕМЫЕ КЛИЕНТЫ!
C 19 ДЕКАБРЯ 2025 ПО 02 МАРТА 2026 ГОДА ОТДЕЛ ЗАПЧАСТЕЙ И СЕРВИС РАБОТАТЬ НЕ БУДУТ
ПРОДАЖА ЛОДОЧНЫХ МОТОРОВ В ШТАТНОМ РЕЖИМЕ
ОБ ИЗМЕНЕНИЯХ В ГРАФИКЕ РАБОТЫ ЧИТАЙТЕ НА САЙТА




Вернуться к началу выбора


Мощность Вашего двигателя: 15 л.с.

Год выпуска: 2001 год

Тип двигателя: 1272

Модификация двигателя: Evinrude E15EL4SID 4-stroke, elec start, 20 in sh

   Выберите раздел

найти расходники на лодочные моторы Evinrude


Выберите раздел

Карбюратор - 9.9 Hp (Carburetor - 9.9 Hp)

Карбюратор - 9.9 Hp (Carburetor - 9.9 Hp)

Карбюратор - 15 Hp (Carburetor - 15 Hp)

Карбюратор - 15 Hp (Carburetor - 15 Hp)

Головка блока цилиндра & Коленвал (Cylinder Head & Crankshaft)

Головка блока цилиндра & Коленвал (Cylinder Head & Crankshaft)

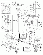
Цилиндр & Картер двигателя (Cylinder & Crankcase)

Цилиндр & Картер двигателя (Cylinder & Crankcase)

Electric Primer System (Electric Primer System)

Electric Primer System (Electric Primer System)

Крышка двигателя (капот) (Engine Cover)

Крышка двигателя (капот) (Engine Cover)

Удлинитель корпуса (Exhaust Housing)

Удлинитель корпуса (Exhaust Housing)

Топливный бак - 3 галлон (Fuel Tank - 3 Gallon)

Топливный бак - 3 галлон (Fuel Tank - 3 Gallon)

Топливный бак (Fuel Tank)

Топливный бак (Fuel Tank)

Топливный насос (Fuel Pump)

Топливный насос (Fuel Pump)

Редуктор (Gearcase)

Редуктор (Gearcase)

Ignition - Шнур (Ignition - Rope)

Ignition - Шнур (Ignition - Rope)

Ignition - Electric (Ignition - Electric)

Ignition - Electric (Ignition - Electric)

Ignition Переключатель & Кабели - 9.9 (Ignition Switch & Cable - 9.9)

Ignition Переключатель & Кабели - 9.9 (Ignition Switch & Cable - 9.9)

Литература (Literature)

Литература (Literature)

Нижняя крышка двигателя (Lower Engine Cover)

Нижняя крышка двигателя (Lower Engine Cover)

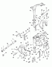
Midsection (Midsection)

Midsection (Midsection)

Motor Кабели - Te Models (Motor Cable - Te Models)

Motor Кабели - Te Models (Motor Cable - Te Models)

Motor Кабели - Remote Electric (Motor Cable - Remote Electric)

Motor Кабели - Remote Electric (Motor Cable - Remote Electric)

Краска (Paint)

Краска (Paint)

Rewind Стартер (Rewind Starter)

Rewind Стартер (Rewind Starter)

Двигатель стартера & Solenoid (Starter Motor & Solenoid)

Двигатель стартера & Solenoid (Starter Motor & Solenoid)

Рулевая система & Переключатель Handle (Steering & Shift Handle)

Рулевая система & Переключатель Handle (Steering & Shift Handle)

Рулевая система Соединитель Kit - El, Evl Models Only (Steering Link Kit - El, Evl Models Only)

Рулевая система Соединитель Kit - El, Evl Models Only (Steering Link Kit - El, Evl Models Only)

evinrude

Время выполнения запроса 0.33616304397583 сек.


 
 

данный сайт носит информационный характер и не является публичной офертой

склад запчастей для водомоторной техники