вконтакте

Контактный телефон: +7 (981) 121-46-93, +7 (800) 200-90-76 , Email: parts-katalog@yandex.ru, где купить

 
 

  Логин:

Пароль:

Регистрация

www.partskatalog.ru Все каталоги Запчасти Mercury Запчасти Suzuki Запчасти Tohatsu Запчасти Honda Контакты



УВАЖАЕМЫЕ КЛИЕНТЫ!
C 31 ОКТЯБРЯ 2025 ПО 10 НОЯБРЯ 2025 ГОДА РАБОТАТЬ НЕ БУДЕМ




Вернуться к началу выбора


Мощность Вашего двигателя: 70 л.с.

Год выпуска: 1998 год

Тип двигателя: 1342

Модификация двигателя: Evinrude BE70TLECB 1998

   Выберите раздел

найти расходники на лодочные моторы Evinrude


Выберите раздел

Кабель аккумулятора (Battery Cable)

Кабель аккумулятора (Battery Cable)

Карбюратор -- 50, 60, 70 (Carburetor -- 50, 60, 70)

Карбюратор -- 50, 60, 70 (Carburetor -- 50, 60, 70)

Коленвал & Поршень (Crankshaft & Piston)

Коленвал & Поршень (Crankshaft & Piston)

Цилиндр & Картер двигателя (Cylinder & Crankcase)

Цилиндр & Картер двигателя (Cylinder & Crankcase)

Electric Primer System (Electric Primer System)

Electric Primer System (Electric Primer System)

Электростартер (Electric Starter)

Электростартер (Electric Starter)

Крышка двигателя (капот) -- Evinrude (Engine Cover -- Evinrude)

Крышка двигателя (капот) -- Evinrude (Engine Cover -- Evinrude)

Крышка двигателя (капот) -- Johnson (Engine Cover -- Johnson)

Крышка двигателя (капот) -- Johnson (Engine Cover -- Johnson)

Удлинитель корпуса (Exhaust Housing)

Удлинитель корпуса (Exhaust Housing)

Топливный шланг & Топливная груша -- 5 / 16 дюйм I.d. (Fuel Hose & Primer Bulb -- 5/16 In. I.d.)

Топливный шланг & Топливная груша -- 5 / 16 дюйм I.d. (Fuel Hose & Primer Bulb -- 5/16 In. I.d.)

Топливный насос (Fuel Pump)

Топливный насос (Fuel Pump)

Топливный бак -- 6 галлон (Fuel Tank -- 6 Gallon)

Топливный бак -- 6 галлон (Fuel Tank -- 6 Gallon)

Редуктор (Gearcase)

Редуктор (Gearcase)

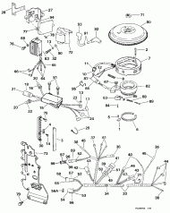
Ignition System (Ignition System)

Ignition System (Ignition System)

Впускной коллектор (Intake Manifold)

Впускной коллектор (Intake Manifold)

Jet Drive Unit (Jet Drive Unit)

Jet Drive Unit (Jet Drive Unit)

Литература (Literature)

Литература (Literature)

Нижняя крышка двигателя (Lower Engine Cover)

Нижняя крышка двигателя (Lower Engine Cover)

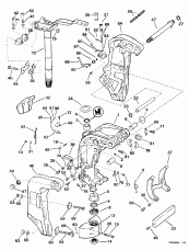
Midsection -- ручной Tilt (Midsection -- Manual Tilt)

Midsection -- ручной Tilt (Midsection -- Manual Tilt)

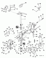
Midsection -- Механизированный дифферент наклона (Midsection -- Power Trim & Tilt)

Midsection -- Механизированный дифферент наклона (Midsection -- Power Trim & Tilt)

Краска (Paint)

Краска (Paint)

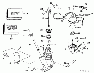
Механизированный дифферент наклона Электрика (Power Trim/tilt Electrical)

Механизированный дифферент наклона Электрика (Power Trim/tilt Electrical)

Механизированный дифферент наклона Hydraulic Assembly (Power Trim/tilt Hydraulic Assembly)

Механизированный дифферент наклона Hydraulic Assembly (Power Trim/tilt Hydraulic Assembly)

Рулевая система Соединитель Kit (1) (Steering Link Kit (1))

Рулевая система Соединитель Kit (1) (Steering Link Kit (1))

Рулевая система Соединитель Kit (2) (Steering Link Kit (2))

Рулевая система Соединитель Kit (2) (Steering Link Kit (2))

evinrude

Время выполнения запроса 0.30433106422424 сек.


 
 

данный сайт носит информационный характер и не является публичной офертой

склад запчастей для водомоторной техники