вконтакте

Контактный телефон: +7 (981) 121-46-93, +7 (800) 200-90-76 , Email: parts-katalog@yandex.ru, где купить

 
 

  Логин:

Пароль:

Регистрация

www.partskatalog.ru Все каталоги Запчасти Mercury Запчасти Suzuki Запчасти Tohatsu Запчасти Honda Контакты



УВАЖАЕМЫЕ КЛИЕНТЫ!
C 19 ДЕКАБРЯ 2025 ПО 02 МАРТА 2026 ГОДА ОТДЕЛ ЗАПЧАСТЕЙ И СЕРВИС РАБОТАТЬ НЕ БУДУТ
ПРОДАЖА ЛОДОЧНЫХ МОТОРОВ В ШТАТНОМ РЕЖИМЕ
ОБ ИЗМЕНЕНИЯХ В ГРАФИКЕ РАБОТЫ ЧИТАЙТЕ НА САЙТА




Вернуться к началу выбора


Мощность Вашего двигателя: 20 л.с.

Год выпуска: 1997 год

Тип двигателя: 1387

Модификация двигателя: Evinrude E20CRLEUM 1997

   Выберите раздел

найти расходники на лодочные моторы Evinrude


Выберите раздел

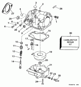
Карбюратор - 20cr (Carburetor - 20cr)

Карбюратор - 20cr (Carburetor - 20cr)

Карбюратор - 20sr, 25r (Carburetor - 20sr, 25r)

Карбюратор - 20sr, 25r (Carburetor - 20sr, 25r)

Карбюратор 25ba, 25ra, 25rd, 30ba, 30r, 25jr (Carburetor 25ba, 25ra, 25rd, 30ba, 30r, 25jr)

Карбюратор 25ba, 25ra, 25rd, 30ba, 30r, 25jr (Carburetor 25ba, 25ra, 25rd, 30ba, 30r, 25jr)

Коленвал & Поршень (Crankshaft & Piston)

Коленвал & Поршень (Crankshaft & Piston)

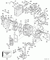
Цилиндр & Картер двигателя (Cylinder & Crankcase)

Цилиндр & Картер двигателя (Cylinder & Crankcase)

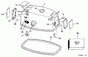
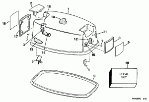
Крышка двигателя (капот) - Evinrude (Engine Cover - Evinrude)

Крышка двигателя (капот) - Evinrude (Engine Cover - Evinrude)

Крышка двигателя (капот) - Johnson (Engine Cover - Johnson)

Крышка двигателя (капот) - Johnson (Engine Cover - Johnson)

Топливный шланг & Топливная груша 5 / 16 дюйм I.d. (Fuel Hose & Primer Bulb 5/16 In. I.d.)

Топливный шланг & Топливная груша 5 / 16 дюйм I.d. (Fuel Hose & Primer Bulb 5/16 In. I.d.)

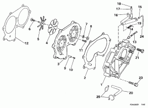
Топливный насос (Fuel Pump)

Топливный насос (Fuel Pump)

Топливный бак - 6 галлон (Fuel Tank - 6 Gallon)

Топливный бак - 6 галлон (Fuel Tank - 6 Gallon)

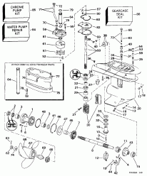
Редуктор (Gearcase)

Редуктор (Gearcase)

Ignition (Ignition)

Ignition (Ignition)

Впускной коллектор (Intake Manifold)

Впускной коллектор (Intake Manifold)

Jet Drive Unit (Jet Drive Unit)

Jet Drive Unit (Jet Drive Unit)

Нижняя крышка двигателя (Lower Engine Cover)

Нижняя крышка двигателя (Lower Engine Cover)

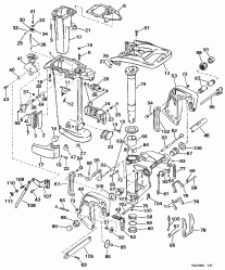
Midsection (Midsection)

Midsection (Midsection)

Краска (Paint)

Краска (Paint)

Primer System (Primer System)

Primer System (Primer System)

Дистанционное управление Adapter Kit (Remote Control Adapter Kit)

Дистанционное управление Adapter Kit (Remote Control Adapter Kit)

Rewind Стартер (Rewind Starter)

Rewind Стартер (Rewind Starter)

Рулевая система & Переключатель Handle (Steering & Shift Handle)

Рулевая система & Переключатель Handle (Steering & Shift Handle)

evinrude

Время выполнения запроса 0.24591112136841 сек.


 
 

данный сайт носит информационный характер и не является публичной офертой

склад запчастей для водомоторной техники