Номер на   рисунке | Артикул | Наименование | Кол-во   на складе | Цена | 
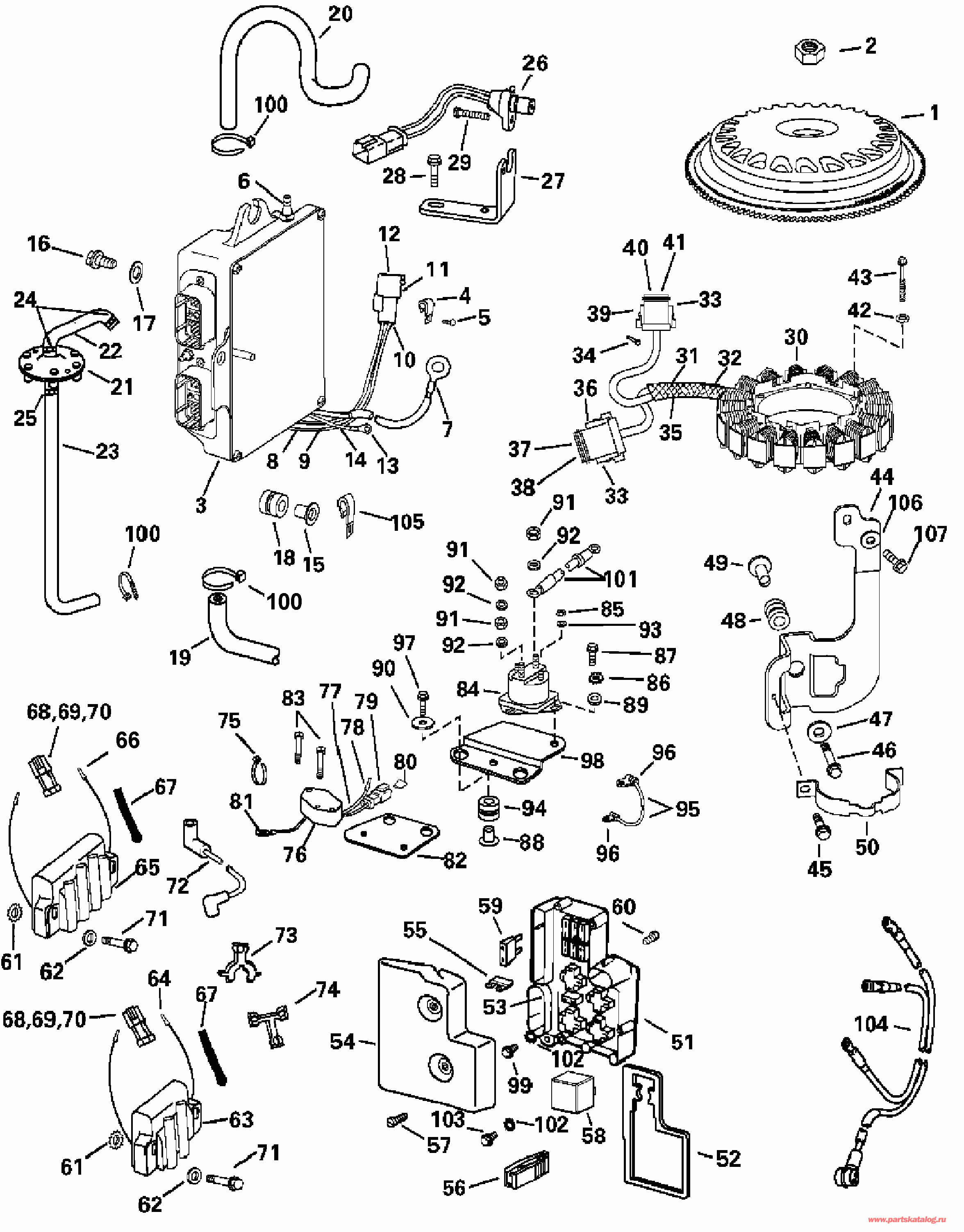
|  1  | 0586653 | Маховик в сборе (FLYWHEEL Assy)  | нет в наличии, поставок нет | 
|  2  | 0326042 | Гайка, Маховик (NUT, Flywheel)  | нет в наличии, поставок нет | 
|  3  | 0586724 | EMM, 200HP. Refer to the current Parts и Аксессуары Bulletin with Subject "EMM Replacement" Or, refer to "EMM & ECU Order Info" in current P&A Catalog (EMM, 200HP. Refer to the current Parts and Accessories Bulletin with Subject "EMM Replacement" Or, refer to "EMM & ECU Order Info" in current P&A Catalog)  | нет в наличии, поставок нет | 
|  3  | 0586518 |    (последний код) EMM AY   (QIPL)                                                                   | нет в наличии, поставок нет | 
|  3  | 0586724 | EMM, 225HP. Refer to the current Parts и Аксессуары Bulletin with Subject "EMM Replacement" Or, refer to "EMM & ECU Order Info" in current P&A Catalog (EMM, 225HP. Refer to the current Parts and Accessories Bulletin with Subject "EMM Replacement" Or, refer to "EMM & ECU Order Info" in current P&A Catalog)  | нет в наличии, поставок нет | 
|  3  | 0586518 |    (последний код) EMM AY   (QIPL)                                                                   | нет в наличии, поставок нет | 
|  3  | 0586724 | EMM, 250HP. Refer to the current Parts и Аксессуары Bulletin with Subject "EMM Replacement" Or, refer to "EMM & ECU Order Info" in current P&A Catalog (EMM, 250HP. Refer to the current Parts and Accessories Bulletin with Subject "EMM Replacement" Or, refer to "EMM & ECU Order Info" in current P&A Catalog)  | нет в наличии, поставок нет | 
|  3  | 0586518 |    (последний код) EMM AY   (QIPL)                                                                   | нет в наличии, поставок нет | 
|  4  | 0316245 | *Струбцина, leads to case (CLAMP, leads to case)  | нет в наличии, поставок нет | 
|  4  | 0330257 |    (последний код) CLAMP                                                                             | нет в наличии, поставок нет | 
|  5  | 0328714 | *Винт зажима to EMM (SCREW, Clamp to EMM)  | нет в наличии, поставок нет | 
|  5  | 0204027 |    (последний код) SCREW                                                                             | нет в наличии, поставок нет | 
|  6  | 0330272 | *FITTING, EMM water. (Models using a steel fitting, use kit P / N 5005269.) (FITTING, EMM water. (Models using a steel fitting, use kit P/N 5005269.))  | нет в наличии, поставок нет | 
|  7  | 0204363 | *Клемма, Кольцо - Заземление (TERMINAL, Ring - ground)  | нет в наличии, поставок нет | 
|  7  | 3852038 |    (последний код) TERMINAL,RIN                                                                      | нет в наличии, поставок нет | 
|  8  | 0317893 | *Крепёжный хомут (TIE STRAP)  | нет в наличии, поставок нет | 
|  8  | 3852149 |    (последний код) TIE-STRAP                                                                         | нет в наличии, поставок нет | 
|  9  | 0320107 | *Крепёжный хомут (TIE STRAP)  | нет в наличии, поставок нет | 
|  9  | 5035626 |    (последний код) BAND,REM CON                                                                      | нет в наличии, поставок нет | 
|  10  | 0513663 | *Коннектор, 2 Socket (CONNECTOR, 2 Socket)  | нет в наличии, поставок нет | 
|  10  | 3852249 |    (последний код) CONN,2-CONT                                                                       | нет в наличии, поставок нет | 
|  11  | 0513665 | *Заглушка, Сальник (PLUG, Seal)  | нет в наличии, поставок нет | 
|  11  | 3852251 |    (последний код) PLUG,CONN SEAL                                                                    | нет в наличии, поставок нет | 
|  12  | 0513666 | *Клемма, Blade (TERMINAL, Blade)  | нет в наличии, поставок нет | 
|  12  | 3852252 |    (последний код) TERMINAL,BLA                                                                      | нет в наличии, поставок нет | 
|  13  | 0514158 | *Клемма, Кольцо (TERMINAL, Ring)  | нет в наличии, поставок нет | 
|  13  | 0511519 |    (последний код) TERMINAL                                                                          | нет в наличии, поставок нет | 
|  14  | 5004456 | *FUSIBLE Соединитель KIT, AUX BATTERY (FUSIBLE LINK KIT, AUX BATTERY)  | нет в наличии, поставок нет | 
|  15  | 0338558 | Проставка, Фланецd, EMM Крепление (SPACER, Flanged, EMM mount)  | нет в наличии, поставок нет | 
|  16  | 0333710 | Винт, EMM (SCREW, EMM)  | нет в наличии, поставок нет | 
|  16  | 0332012 |    (последний код) SCREW                                                                             | нет в наличии, поставок нет | 
|  17  | 0328703 | Шайба, EMM (WASHER, EMM)  | нет в наличии, поставок нет | 
|  17  | 3852184 |    (последний код) WASHER                                                                            | нет в наличии, поставок нет | 
|  18  | 0333040 | ISOLATOR, EMM (ISOLATOR, EMM)  | нет в наличии, поставок нет | 
|  19  | 0347034 | Шланг, Пароотделитель to EMM (HOSE, Vapor separator to EMM)  | нет в наличии, поставок нет | 
|  19  | 0345236 |    (последний код) HOSE                                                                              | нет в наличии, поставок нет | 
|  20  | 0350136 | Шланг, EMM to Крышка Пластина (HOSE, EMM to cover plate)  | нет в наличии, поставок нет | 
|  21  | 5001347 | Диафрагма & Шланг в сборе, Выхлоп (DIAPHRAGM & HOSE Assy, Exhaust)  | нет в наличии, поставок нет | 
|  22  | 0339746 | *Шланг, Диафрагма to EMM (HOSE, Diaphragm to EMM)  | нет в наличии, поставок нет | 
|  23  | 0350338 | *Шланг, Exh pressure to Диафрагма (HOSE, Exh pressure to diaphragm)  | нет в наличии, поставок нет | 
|  24  | 0346930 | *Струбцина, 9.5 мм (CLAMP, 9.5mm)  | нет в наличии, поставок нет | 
|  25  | 0346931 | *Струбцина, 14 мм (CLAMP, 14mm)  | нет в наличии, поставок нет | 
|  26  | 0586452 | Датчик в сборе, Кривошип position (SENSOR Assy, Crank position)  | нет в наличии, поставок нет | 
|  27  | 0346466 | Кронштейн, CPS (BRACKET, CPS)  | нет в наличии, поставок нет | 
|  28  | 0328725 | Винт, CPS Крепление (SCREW, CPS mount)  | нет в наличии, поставок нет | 
|  28  | 3852187 |    (последний код) SCREW                                                                             | нет в наличии, поставок нет | 
|  29  | 0335200 | Винт, CPS to Кронштейн (SCREW, CPS to bracket)  | нет в наличии, поставок нет | 
|  29  | 3852212 |    (последний код) SCREW                                                                             | нет в наличии, поставок нет | 
|  30  | 0586571 | Статор в сборе (STATOR Assy)  | нет в наличии, поставок нет | 
|  30  | 0586950 |    (последний код) STATOR AY,SWITCHER                                                                | нет в наличии, поставок нет | 
|  31  | 0317893 | *Крепёжный хомут (TIE STRAP)  | нет в наличии, поставок нет | 
|  31  | 3852149 |    (последний код) TIE-STRAP                                                                         | нет в наличии, поставок нет | 
|  32  | 0320107 | Крепёжный хомут (TIE STRAP)  | нет в наличии, поставок нет | 
|  32  | 5035626 |    (последний код) BAND,REM CON                                                                      | нет в наличии, поставок нет | 
|  33  | 0514680 | *Клемма, Socket (TERMINAL, Socket)  | нет в наличии, поставок нет | 
|  34  | 0514690 | *Заглушка, Сальник (PLUG, Seal)  | нет в наличии, поставок нет | 
|  35  | 3010861 | *Гильза (SLEEVE)  | нет в наличии, поставок нет | 
|  36  | 3010885 | *Коннектор, 12 Штифт (CONNECTOR, 12 Pin)  | нет в наличии, поставок нет | 
|  37  | 3011034 | **Сальник (SEAL)  | нет в наличии, поставок нет | 
|  38  | 3010959 | *LOCKWEDGE, 12 Штифт (LOCKWEDGE, 12 Pin)  | нет в наличии, поставок нет | 
|  39  | 3011030 | *Коннектор, 8 Штифт (CONNECTOR, 8 Pin)  | нет в наличии, поставок нет | 
|  40  | 3011033 | **Сальник (SEAL)  | нет в наличии, поставок нет | 
|  41  | 3011031 | *LOCKWEDGE, 8 Штифт (LOCKWEDGE, 8 Pin)  | нет в наличии, поставок нет | 
|  42  | 0306311 | Шайба с блокировкой, Статор Винт (LOCK WASHER, Stator screw)  | нет в наличии, поставок нет | 
|  43  | 0343525 | Винт, Статор Креплениеing (SCREW, Stator mounting)  | нет в наличии, поставок нет | 
|  44  | 0347236 | Кронштейн, Колпачокacitor (BRACKET, Capacitor)  | нет в наличии, поставок нет | 
|  45  | 0332226 | Винт зажима to Кронштейн (SCREW, Clamp to bracket)  | нет в наличии, поставок нет | 
|  45  | 3852207 |    (последний код) SCREW                                                                             | нет в наличии, поставок нет | 
|  46  | 0333710 | Винт, Колпачокacitor Монтажный кронштейн (SCREW, Capacitor mount bracket)  | нет в наличии, поставок нет | 
|  46  | 0332012 |    (последний код) SCREW                                                                             | нет в наличии, поставок нет | 
|  47  | 0328703 | Шайба (WASHER)  | нет в наличии, поставок нет | 
|  47  | 3852184 |    (последний код) WASHER                                                                            | нет в наличии, поставок нет | 
|  48  | 0333040 | ISOLATOR (ISOLATOR)  | нет в наличии, поставок нет | 
|  49  | 0338558 | Проставка, Фланецd (SPACER, Flanged)  | нет в наличии, поставок нет | 
|  50  | 0514891 | Струбцина, Колпачокacitor (CLAMP, Capacitor)  | нет в наличии, поставок нет | 
|  51  | 0586754 | POWER DISTRIBUTION PANEL (POWER DISTRIBUTION PANEL)  | нет в наличии, поставок нет | 
|  51  | 0586379 |    (последний код) HSG&CVR AY,FU&RLY                                                                 | нет в наличии, поставок нет | 
|  52  | 0345004 | *Сальник, Крышка (SEAL, Cover)  | нет в наличии, поставок нет | 
|  53  | 3853299 | *Прокладка, Коннектор (GASKET, Connector)  | нет в наличии, поставок нет | 
|  53  | 0914634 |    (последний код) GASKET,CONNECTOR                                                                  | нет в наличии, поставок нет | 
|  54  | 0586300 | *Крышка в сборе (COVER Assy)  | нет в наличии, поставок нет | 
|  55  | 0514766 | **Предохранитель, 10 AMP, spare (FUSE, 10 AMP, spare)  | нет в наличии, поставок нет | 
|  56  | 0345005 | **Предохранитель, Съёмник (FUSE, Puller)  | нет в наличии, поставок нет | 
|  57  | 0344233 | **Винт (SCREW)  | нет в наличии, поставок нет | 
|  58  | 0586224 | *Реле в сборе (RELAY Assy)  | 1 шт | 2730 руб. | 
|  58  | 3857533 |    (последний код) RELAY AY                                                                          | нет в наличии, поставок нет | 
|  59  | 0514766 | *Предохранитель, 10 AMP (FUSE, 10 AMP)  | нет в наличии, поставок нет | 
|  60  | 0328649 | Винт, Предохранитель & Реле to Кронштейн (SCREW, Fuse & relay to bracket)  | нет в наличии, поставок нет | 
|  60  | 0337541 |    (последний код) SCREW                                                                             | нет в наличии, поставок нет | 
|  61  | 0328701 | Шайба с блокировкой, Coil (LOCK WASHER, Coil)  | нет в наличии, поставок нет | 
|  61  | 3852182 |    (последний код) WASHER,LOCK                                                                       | нет в наличии, поставок нет | 
|  62  | 0328703 | плоский Шайба, Coil Креплениеing (FLAT WASHER, Coil mounting)  | нет в наличии, поставок нет | 
|  62  | 3852184 |    (последний код) WASHER                                                                            | нет в наличии, поставок нет | 
|  63  | 0586749 | Катушка в сборе, Single (COIL Assy, Single)  | нет в наличии, поставок нет | 
|  64  | 0514679 | *Клемма, Штифт (TERMINAL, Pin)  | нет в наличии, поставок нет | 
|  65  | 0586745 | Катушка в сборе, Dual (COIL Assy, Dual)  | нет в наличии, поставок нет | 
|  66  | 0514679 | *Клемма, Штифт (TERMINAL, Pin)  | нет в наличии, поставок нет | 
|  67  | 0 | **Трубопровод, Гильза - Primary leads. (сокращёная длина from P / N 3011044.) (TUBING, Sleeve - Primary leads. (Cut to length from P/N 3011044.))  | нет в наличии, поставок нет | 
|  68  | 0514682 | LOCKWEDGE (LOCKWEDGE)  | нет в наличии, поставок нет | 
|  69  | 0514686 | Коннектор, 3 Штифт (CONNECTOR, 3 Pin)  | нет в наличии, поставок нет | 
|  70  | 0514789 | *Сальник (SEAL)  | нет в наличии, поставок нет | 
|  71  | 0331025 | Винт, Coil Креплениеing (SCREW, Coil mounting)  | нет в наличии, поставок нет | 
|  71  | 0308751 |    (последний код) SCREW                                                                             | нет в наличии, поставок нет | 
|  72  | 5004960 | LEAD в сборе, Свеча зажигания (LEAD Assy, Spark plug)  | нет в наличии, поставок нет | 
|  72  | 5005810 |    (последний код) LEAD AY,H/T-SUPP                                                                  | нет в наличии, поставок нет | 
|  73  | 0350056 | Фиксатор, High tension leads / инжектор (RETAINER, High tension leads / injector)  | нет в наличии, поставок нет | 
|  74  | 0350055 | Фиксатор, High tension leads (RETAINER, High tension leads)  | нет в наличии, поставок нет | 
|  75  | 0318322 | Крепёжный хомут (TIE STRAP)  | нет в наличии, поставок нет | 
|  76  | 0586546 | MODULE, Фильтр (MODULE, Filter)  | нет в наличии, поставок нет | 
|  76  | 0586550 |    (последний код) PC BOARD & COMP AY                                                                | нет в наличии, поставок нет | 
|  77  | 0317893 | *Крепёжный хомут (TIE STRAP)  | нет в наличии, поставок нет | 
|  77  | 3852149 |    (последний код) TIE-STRAP                                                                         | нет в наличии, поставок нет | 
|  78  | 0514679 | *Клемма, Штифт (TERMINAL, Pin)  | нет в наличии, поставок нет | 
|  79  | 0514696 | *Коннектор, 2 Штифт (CONNECTOR, 2 Pin)  | нет в наличии, поставок нет | 
|  80  | 0514697 | *LOCKWEDGE, 2 Штифт (LOCKWEDGE, 2 Pin)  | нет в наличии, поставок нет | 
|  81  | 0510818 | *Клемма, Кольцо (TERMINAL, Ring)  | нет в наличии, поставок нет | 
|  81  | 3854243 |    (последний код) TERMINAL,RIN                                                                      | нет в наличии, поставок нет | 
|  82  | 0349993 | Кронштейн фильтра в сборе to c / c (BRACKET, Filter assy to c/c)  | нет в наличии, поставок нет | 
|  83  | 0324334 | Винт, Фильтр в сборе to Кронштейн (SCREW, Filter assy to bracket)  | нет в наличии, поставок нет | 
|  83  | 0302820 |    (последний код) SCREW                                                                             | нет в наличии, поставок нет | 
|  84  | 0586730 | SOLENOID (SOLENOID)  | нет в наличии, поставок нет | 
|  84  | 0586842 |    (последний код) SOLENOID AY                                                                       | нет в наличии, поставок нет | 
|  85  | 0306556 | Гайка, Small (NUT, Small)  | нет в наличии, поставок нет | 
|  85  | 3852064 |    (последний код) NUT                                                                               | нет в наличии, поставок нет | 
|  86  | 0328701 | Шайба с блокировкой (LOCK WASHER)  | нет в наличии, поставок нет | 
|  86  | 3852182 |    (последний код) WASHER,LOCK                                                                       | нет в наличии, поставок нет | 
|  87  | 0335200 | Винт, Solenoid (SCREW, Solenoid)  | нет в наличии, поставок нет | 
|  87  | 3852212 |    (последний код) SCREW                                                                             | нет в наличии, поставок нет | 
|  88  | 0338558 | Проставка, Solenoid Кронштейн (SPACER, Solenoid bracket)  | нет в наличии, поставок нет | 
|  89  | 0328703 | Шайба, Solenoid Кронштейн (WASHER, Solenoid bracket)  | нет в наличии, поставок нет | 
|  89  | 3852184 |    (последний код) WASHER                                                                            | нет в наличии, поставок нет | 
|  90  | 0328701 | Шайба, Solenoid (WASHER, Solenoid)  | нет в наличии, поставок нет | 
|  90  | 3852182 |    (последний код) WASHER,LOCK                                                                       | нет в наличии, поставок нет | 
|  91  | 0321472 | Гайка, Large (NUT, Large)  | нет в наличии, поставок нет | 
|  91  | 0308067 |    (последний код) NUT                                                                               | нет в наличии, поставок нет | 
|  92  | 0331259 | Шайба с блокировкой, Large (LOCK WASHER, Large)  | нет в наличии, поставок нет | 
|  93  | 0304454 | Шайба с блокировкой, Small (LOCK WASHER, Small)  | нет в наличии, поставок нет | 
|  94  | 0333040 | ISOLATOR, Solenoid Кронштейн (ISOLATOR, Solenoid bracket)  | нет в наличии, поставок нет | 
|  95  | 0376349 | LEAD, Solenoid Заземление (LEAD, Solenoid ground)  | нет в наличии, поставок нет | 
|  96  | 0514158 | *Клемма, Кольцо (TERMINAL, Ring)  | нет в наличии, поставок нет | 
|  96  | 0511519 |    (последний код) TERMINAL                                                                          | нет в наличии, поставок нет | 
|  97  | 0324334 | Винт, Solenoid Кронштейн (SCREW, Solenoid bracket)  | нет в наличии, поставок нет | 
|  97  | 0302820 |    (последний код) SCREW                                                                             | нет в наличии, поставок нет | 
|  98  | 0346784 | Кронштейн, Solenoid (BRACKET, Solenoid)  | нет в наличии, поставок нет | 
|  99  | 0335200 | Винт, Auxiliary battery lead (SCREW, Auxiliary battery lead)  | нет в наличии, поставок нет | 
|  99  | 3852212 |    (последний код) SCREW                                                                             | нет в наличии, поставок нет | 
|  100  | 0320107 | Крепёжный хомут (TIE STRAP)  | нет в наличии, поставок нет | 
|  100  | 5035626 |    (последний код) BAND,REM CON                                                                      | нет в наличии, поставок нет | 
|  101  | 0386721 | LEAD, Solenoid to Стартер (LEAD, Solenoid to starter)  | нет в наличии, поставок нет | 
|  101  | 0388246 |    (последний код) CABLE & COVER                                                                     | нет в наличии, поставок нет | 
|  102  | 0303701 | Шайба, Винт neg battery lead (WASHER, Screw neg battery lead)  | нет в наличии, поставок нет | 
|  103  | 0332226 | Винт, Neg bat lead to PDP brkt (SCREW, Neg bat lead to PDP brkt)  | нет в наличии, поставок нет | 
|  103  | 3852207 |    (последний код) SCREW                                                                             | нет в наличии, поставок нет | 
|  104  | 0584348 | Кабель аккумулятора (BATTERY CABLE)  | нет в наличии, поставок нет | 
|  104  | 0396145 |    (последний код) BATTERY-CABL                                                                      | нет в наличии, поставок нет | 
|  105  | 0330151 | Струбцина, EMM Шланг & Проводs (CLAMP, EMM hose & wires)  | нет в наличии, поставок нет | 
|  105  | 3852199 |    (последний код) CLAMP,"J"                                                                         | нет в наличии, поставок нет | 
|  106  | 0303701 | LOCKШайба (LOCKWASHER)  | нет в наличии, поставок нет | 
|  107  | 0333673 | Винт, Кронштейн to c / c (SCREW, Bracket to c/c)  | нет в наличии, поставок нет | 
|  107  | 0332226 |    (последний код) SCREW                                                                             | нет в наличии, поставок нет |