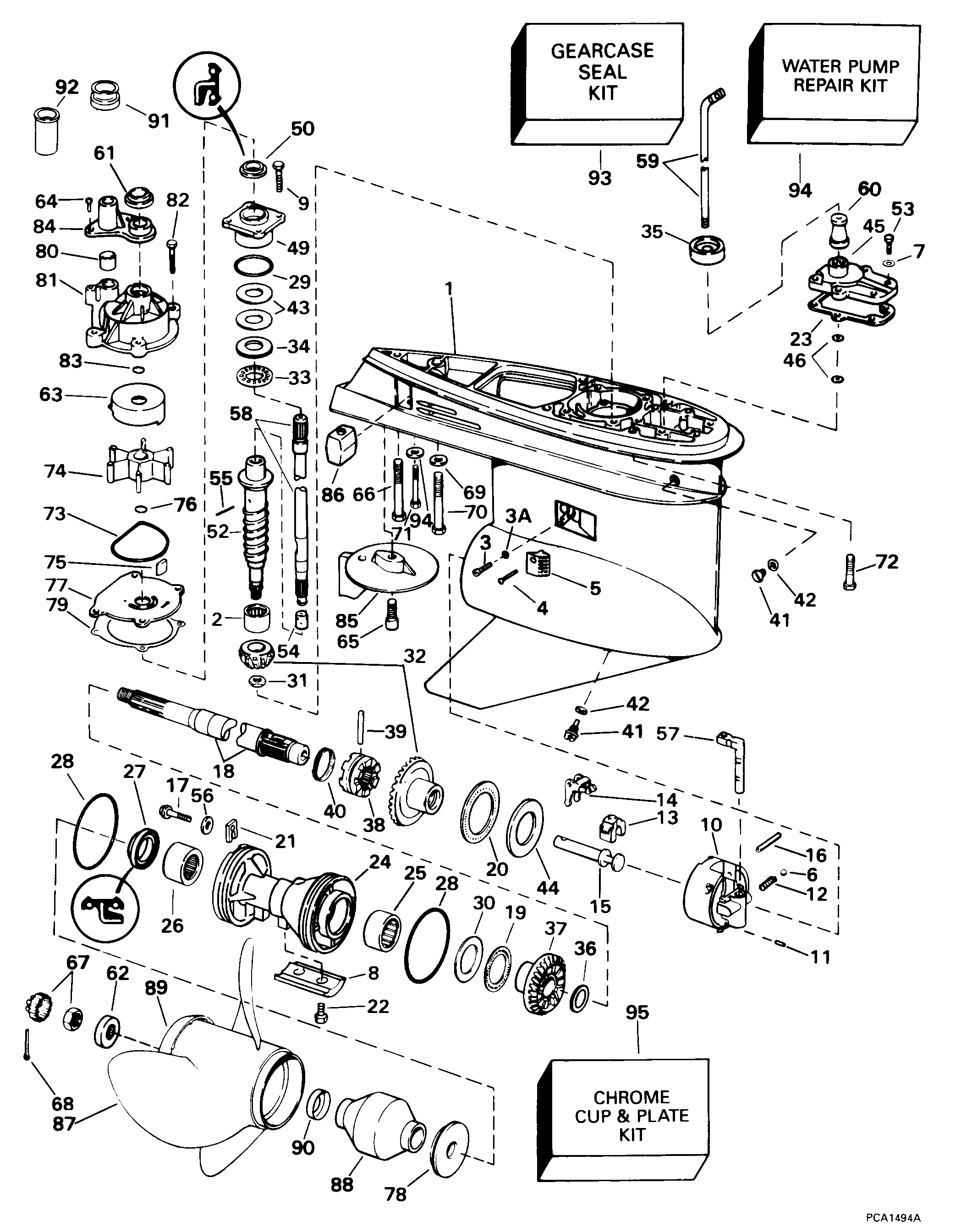
Номер на рисунке | Артикул | Наименование | Кол-во на складе | Цена |
| 0439982 | 0439982 | Редуктор в сборе., комплект. Not Shown (GEARCASE ASSY., Complete. Not Shown) | нет в наличии, поставок нет |
| 0439982 | 5005744 | (последний код) G-CASE .44 OS WHT | нет в наличии, поставок нет |
| 1 | 0439972 | Редуктор в сборе с подшипником. (GEARCASE & BEARING ASSY.) | нет в наличии, поставок нет |
| 1 | 5007022 | (последний код) GCASE & BRG AY,"O" | нет в наличии, поставок нет |
| 2 | 0387817 | Подшипник, Шестерня (BEARING, Pinion) | нет в наличии, поставок нет |
| 3 | 0324852 | Винт, Шестерня Подшипник (SCREW, Pinion bearing) | нет в наличии, поставок нет |
| 3A | 0332584 | Сальник (SEAL) | нет в наличии, поставок нет |
| 4 | 0337061 | Винт, Water Система впуска (SCREW, Water intake) | нет в наличии, поставок нет |
| 5 | 0337778 | Водяной экран Система впуска (SCREEN, Water intake) | нет в наличии, поставок нет |
| 6 | 0160084 | Шарик, Detent (BALL, Detent) | нет в наличии, поставок нет |
| 6 | 3852023 | (последний код) BALL | нет в наличии, поставок нет |
| 7 | 0328702 | Шайба (WASHER) | нет в наличии, поставок нет |
| 7 | 3852183 | (последний код) WASHER | нет в наличии, поставок нет |
| 8 | 0431708 | Анод (ANODE) | нет в наличии, поставок нет |
| 8 | 0397111 | (последний код) ANODE-AY | нет в наличии, поставок нет |
| 9 | 0317624 | Винт, Корпус to Редуктор (SCREW, Housing to gearcase) | нет в наличии, поставок нет |
| 10 | 0389455 | Корпус & Подшипник в сборе. (HOUSING & BEARING ASSY.) | нет в наличии, поставок нет |
| 11 | 0331880 | Штифт, Корпус (PIN, Housing) | нет в наличии, поставок нет |
| 12 | 0911962 | Фиксатор пружины (SPRING, Detent) | нет в наличии, поставок нет |
| 12 | 0915955 | (последний код) SPRING | нет в наличии, поставок нет |
| 13 | 0334163 | CRADLE, Переключательer (CRADLE, Shifter) | 5 шт | 1880 руб. |
| 13 | 0322900 | (последний код) CRADLE-SHIFT | нет в наличии, поставок нет |
| 14 | 0322938 | Рычаг переключателя (LEVER, Shift) | нет в наличии, поставок нет |
| 15 | 0322941 | Вал (SHAFT) | нет в наличии, поставок нет |
| 16 | 0328825 | Штифт, Рычаг переключения (PIN, Shift lever) | нет в наличии, поставок нет |
| 17 | 0341541 | Винт & Сальник в сборе. (SCREW & SEAL ASSY.) | нет в наличии, поставок нет |
| 18 | 0435022 | Вал гребного винта в сборе. (PROPELLER SHAFT ASSY.) | нет в наличии, поставок нет |
| 18 | 5004765 | (последний код) PROPSHAFT AY,SERV | нет в наличии, поставок нет |
| 19 | 0382408 | THRUST BRG. в сборе., Reverse Шестерня (THRUST BRG. ASSY., Reverse gear) | нет в наличии, поставок нет |
| 20 | 0389042 | THRUST BRG. в сборе., Fwd. Шестерня (THRUST BRG. ASSY., Fwd. gear) | нет в наличии, поставок нет |
| 21 | 0333957 | TAB, Фиксатор (TAB, Retainer) | нет в наличии, поставок нет |
| 22 | 0908158 | Винт, Анод (SCREW, Anode) | нет в наличии, поставок нет |
| 22 | 3852050 | (последний код) SCREW | нет в наличии, поставок нет |
| 23 | 0324670 | Прокладка, Переключающая тяга Крышка (GASKET, Shift rod cover) | нет в наличии, поставок нет |
| 23 | 0352165 | (последний код) GASKET | 2 шт | 550 руб. |
| 24 | 0438040 | Подшипник Корпус Сальник в сборе. (BEARING HOUSING SEAL ASSY.) | нет в наличии, поставок нет |
| 24 | 5004257 | (последний код) HSG AY, PROPSHAFT | нет в наличии, поставок нет |
| 25 | 0382407 | Игольчатый подшипник в сборе. (NEEDLE BEARING ASSY.) | 1 шт | 5500 руб. |
| 26 | 0436752 | Игольчатый подшипник в сборе. (NEEDLE BEARING ASSY.) | нет в наличии, поставок нет |
| 27 | 0341281 | Сальник (SEAL) | нет в наличии, поставок нет |
| 28 | 0305123 | Уплотнительное кольцо, Вал гребного винта (O-RING, Propeller shaft) | нет в наличии, поставок нет |
| 28 | 0321119 | (последний код) O-RING,-DLR | нет в наличии, поставок нет |
| 29 | 0314728 | Уплотнительное кольцо, DriveВал Подшипник (O-RING, Driveshaft bearing) | нет в наличии, поставок нет |
| 29 | 0354731 | (последний код) O-RING | 1 шт | 850 руб. |
| 30 | 0314731 | THRUST Шайба шестерни заднего хода (THRUST WASHER, Reverse gear) | нет в наличии, поставок нет |
| 31 | 0314730 | Гайка, Шестерня to driveВал (NUT, Pinion to driveshaft) | нет в наличии, поставок нет |
| 32 | 0435123 | Шестерня & Комплект шестерёнок. (GEAR & PINION ASSY.) | нет в наличии, поставок нет |
| 32 | 0433841 | (последний код) GEARSET | нет в наличии, поставок нет |
| 33 | 0387656 | THRUST Подшипник, Шестерня (THRUST BEARING, Pinion) | нет в наличии, поставок нет |
| 33 | 0383248 | (последний код) BEARING | нет в наличии, поставок нет |
| 34 | 0327656 | Упорная шайба шестерни Шестерня (THRUST WASHER, Pinion) | нет в наличии, поставок нет |
| 34 | 0314729 | (последний код) THRUST-WASHE | нет в наличии, поставок нет |
| 35 | 0321008 | Пыльник, Exh. hsg. to Переключающая тяга (GROMMET, Exh. hsg. to shift rod) | нет в наличии, поставок нет |
| 36 | 0336565 | Упорная шайба (THRUST WASHER) | нет в наличии, поставок нет |
| 37 | 0336574 | Шестерня обратного хода (GEAR, Reverse) | нет в наличии, поставок нет |
| 38 | 0337774 | Переключатель собачки сцепления (SHIFTER, Clutch dog) | нет в наличии, поставок нет |
| 38 | 0910995 | (последний код) SHIFTER | нет в наличии, поставок нет |
| 39 | 0313448 | Штифт сцепления dog (PIN, Clutch dog) | нет в наличии, поставок нет |
| 40 | 0324369 | Пружина, Сцепление dog Штифт (SPRING, Clutch dog pin) | нет в наличии, поставок нет |
| 40 | 0313454 | (последний код) SPRING | нет в наличии, поставок нет |
| 41 | 0318544 | Заглушка, Fill & drain (PLUG, Fill & drain) | нет в наличии, поставок нет |
| 41 | 0912624 | (последний код) SCREW | нет в наличии, поставок нет |
| 42 | 0311598 | Шайба (WASHER) | нет в наличии, поставок нет |
| 42 | 3852105 | (последний код) WASHER | нет в наличии, поставок нет |
| 43 | 0323362 | Регулировочная шайба, 0.003 дюйм (0, 07 мм) (SHIM, 0.003 in. (0,07mm)) | нет в наличии, поставок нет |
| 43 | 0323361 | Регулировочная шайба, 0.004 дюйм (0, 10 мм) (SHIM, 0.004 in. (0,10mm)) | нет в наличии, поставок нет |
| 43 | 0314745 | Регулировочная шайба, 0.005 дюйм (0, 12 мм) (SHIM, 0.005 in. (0,12mm)) | нет в наличии, поставок нет |
| 44 | 0327669 | Упорная шайба, дляward Шестерня (THRUST WASHER, Forward gear) | нет в наличии, поставок нет |
| 44 | 0324805 | (последний код) THRUST-WASHE | нет в наличии, поставок нет |
| 45 | 0435482 | Крышка & Сальник в сборе. (COVER & SEAL ASSY.) | нет в наличии, поставок нет |
| 45 | 5006241 | (последний код) COVER AY,SHIFT ROD | нет в наличии, поставок нет |
| 46 | 0318372 | Уплотнительное кольцо, Переключающая тяга (O-RING, Shift rod) | нет в наличии, поставок нет |
| 49 | 0438963 | Подшипник Корпус & Сальник (BEARING HOUSING & SEAL) | нет в наличии, поставок нет |
| 49 | 0439476 | (последний код) DS BRG HSG&SEAL AY | нет в наличии, поставок нет |
| 50 | 0341280 | Сальник (SEAL) | нет в наличии, поставок нет |
| 52 | 0335677 | DRIVEВал, нижний (DRIVESHAFT, Lower) | нет в наличии, поставок нет |
| 52 | 0345905 | (последний код) DRIVESHAFT,LOWER | нет в наличии, поставок нет |
| 53 | 0302325 | Винт, Крышка (SCREW, Cover) | нет в наличии, поставок нет |
| 54 | 0338504 | Фиксатор (RETAINER) | нет в наличии, поставок нет |
| 55 | 0311538 | Штифт, верхний to нижний driveВал (PIN, Upper to lower driveshaft) | нет в наличии, поставок нет |
| 56 | 0328743 | Шайба, Винт, tab (WASHER, Screw, tab) | нет в наличии, поставок нет |
| 56 | 3852191 | (последний код) WASHER | нет в наличии, поставок нет |
| 57 | 0323946 | DETENT, Переключательer (DETENT, Shifter) | нет в наличии, поставок нет |
| 57 | 0915954 | (последний код) DETENT | нет в наличии, поставок нет |
| 58 | 0435769 | Приводной вал., верхний (DRIVESHAFT ASSY., Upper) | нет в наличии, поставок нет |
| 58 | 5000624 | (последний код) 25IN D/S KIT UP | нет в наличии, поставок нет |
| 59 | 0342995 | Переключающая тяга (SHIFT ROD) | нет в наличии, поставок нет |
| 60 | 0321122 | Проставка, Переключающая тяга (SPACER, Shift rod) | нет в наличии, поставок нет |
| 61 | 0320943 | Пыльник, Крыльчатка Корпус (GROMMET, Impeller housing) | 1 шт | 300 руб. |
| 62 | 0320570 | Проставка гайки гребного винта (SPACER, Propeller nut) | нет в наличии, поставок нет |
| 62 | 3852163 | (последний код) SPACER,PROP | нет в наличии, поставок нет |
| 63 | 0338486 | Cвыше, Крыльчатка, std. (CUP, Impeller, std.) | нет в наличии, поставок нет |
| 63 | 0338551 | Cвыше, Крыльчатка, chrome (CUP, Impeller, chrome) | нет в наличии, поставок нет |
| 64 | 0306643 | Винт, Крышка to Крыльчатка (SCREW, Cover to impeller) | нет в наличии, поставок нет |
| 64 | 3852066 | (последний код) SCREW | нет в наличии, поставок нет |
| 65 | 0313715 | Винт, Пластина трима (SCREW, Trim tab) | нет в наличии, поставок нет |
| 66 | 0330263 | Винт, Редуктор to Задний корпус (SCREW, Gearcase to housing, rear) | нет в наличии, поставок нет |
| 66 | 0914534 | (последний код) SCREW | нет в наличии, поставок нет |
| 67 | 0398042 | Гайка & KEEPER, Гребной винт (NUT & KEEPER, Propeller) | нет в наличии, поставок нет |
| 67 | 3850984 | (последний код) NUT&KEEPER AY,PROP | нет в наличии, поставок нет |
| 68 | 0306394 | Шплинт, Гайка гребного винта (COTTER PIN, Propeller nut) | нет в наличии, поставок нет |
| 68 | 3852056 | (последний код) PIN,COTTER | нет в наличии, поставок нет |
| 69 | 0330265 | Шайба (WASHER) | нет в наличии, поставок нет |
| 70 | 0331998 | Винт, Редуктор to Корпус (SCREW, Gearcase to housing) | нет в наличии, поставок нет |
| 70 | 0914535 | (последний код) SCREW | нет в наличии, поставок нет |
| 71 | 0328096 | Винт, Анод (SCREW, Anode) | нет в наличии, поставок нет |
| 71 | 0327046 | (последний код) SCREW | нет в наличии, поставок нет |
| 72 | 0331999 | Винт, Редуктор to Корпус, short (SCREW, Gearcase to housing, short) | нет в наличии, поставок нет |
| 72 | 0910457 | (последний код) SCREW | нет в наличии, поставок нет |
| 73 | 0331353 | Сальник, Крыльчатка Корпус Пластина (SEAL, Impeller housing plate) | 1 шт | 790 руб. |
| 74 | 0435821 | Крыльчатка в сборе. (IMPELLER ASSY.) | нет в наличии, поставок нет |
| 74 | 5001593 | (последний код) KIT AY,IMPELLER | нет в наличии, поставок нет |
| 75 | 0331107 | CAM, DriveВал to Крыльчатка (CAM, Driveshaft to impeller) | нет в наличии, поставок нет |
| 76 | 0302035 | Уплотнительное кольцо (O-RING) | нет в наличии, поставок нет |
| 77 | 0338485 | Пластина корпуса крыльчатки, std. (PLATE, Impeller housing, std.) | нет в наличии, поставок нет |
| 77 | 0338552 | Пластина корпуса крыльчатки, chrome (PLATE, Impeller housing, chrome) | нет в наличии, поставок нет |
| 78 | 0126870 | Упорная втулка, 3-blade (std.) (THRUST BUSHING, 3-blade (std.)) | нет в наличии, поставок нет |
| 78 | 3852020 | (последний код) BUSHING,THRUST | нет в наличии, поставок нет |
| 78 | 0126869 | Упорная втулка, 4-blade (THRUST BUSHING, 4-blade) | нет в наличии, поставок нет |
| 78 | 0128740 | (последний код) BUSHING,THRUST | нет в наличии, поставок нет |
| 79 | 0338484 | Прокладка крыльчатки hsg. Пластина. Also included in kit 437753 (GASKET, Impeller hsg. plate. Also included in kit 437753) | нет в наличии, поставок нет |
| 79 | 0324701 | (последний код) GASKET,-DRL5 | нет в наличии, поставок нет |
| 80 | 0314008 | Пыльник водяной трубки (GROMMET, Water tube) | нет в наличии, поставок нет |
| 81 | 0435959 | Крыльчатка Корпус, Редуктор (IMPELLER HOUSING, Gearcase) | нет в наличии, поставок нет |
| 82 | 0302325 | Винт, Крыльчатка Корпус, 1 дюйм (SCREW, Impeller housing, 1 in.) | нет в наличии, поставок нет |
| 83 | 0331188 | Уплотнительное кольцо, Cвыше to Корпус (O-RING, Cup to housing) | 5 шт | 370 руб. |
| 84 | 0338893 | Колпак крыльчатки Корпус (COVER, Impeller housing) | нет в наличии, поставок нет |
| 84 | 0321159 | (последний код) COVER-IMP-HS | нет в наличии, поставок нет |
| 85 | 0338742 | Пластина трима, Редуктор (TRIM TAB, Gearcase) | нет в наличии, поставок нет |
| 85 | 0327810 | (последний код) TRIM TAB | нет в наличии, поставок нет |
| 86 | 0436745 | Анод (ANODE) | нет в наличии, поставок нет |
| 86 | 0393023 | (последний код) ANODE&INSERT AY | нет в наличии, поставок нет |
| 87 | 0 | Гребной винт. Refer to OMC Genuine Parts Гребной винт Chart (PROPELLER. Refer to OMC Genuine Parts Propeller Chart) | нет в наличии, поставок нет |
| 88 | 0387157 | Втулка в сборе., Prop., alum. (BUSHING ASSY., Prop., alum.) | нет в наличии, поставок нет |
| 88 | 0175401 | Втулка в сборе., Prop., SST (BUSHING ASSY., Prop., SST) | нет в наличии, поставок нет |
| 89 | 0332394 | CONVERGING Кольцо, Std. prop. (CONVERGING RING, Std. prop.) | нет в наличии, поставок нет |
| 89 | 3854241 | (последний код) RING, CONVERGING | нет в наличии, поставок нет |
| 90 | 0313926 | Гильза (SLEEVE) | нет в наличии, поставок нет |
| 90 | 3850831 | (последний код) SLEEVE-PROP | нет в наличии, поставок нет |
| 91 | 0338601 | Пыльник, Гильза, Водяной насос (GROMMET, Sleeve, water pump) | 1 шт | 520 руб. |
| 92 | 0338636 | Гильза, Водяной насос (SLEEVE, Water pump) | нет в наличии, поставок нет |
| 93 | 0437753 | Комплект сальников редуктора (GEARCASE SEAL KIT) | нет в наличии, поставок нет |
| 93 | 5006373 | (последний код) KIT AY,SEAL-GC | нет в наличии, поставок нет |
| 94 | 0435929 | Ремкомплект водяного насоса, (Includes hsg.) (WATER PUMP REPAIR KIT, (Includes hsg.)) | нет в наличии, поставок нет |
| 94 | 5001595 | (последний код) KIT AY,WATER PUMP | нет в наличии, поставок нет |
| 95 | 0435526 | CHROME Cвыше & Пластина KIT (CHROME CUP & PLATE KIT) | нет в наличии, поставок нет |
| 95 | 0395059 | (последний код) CHROME PUMP KIT | нет в наличии, поставок нет |