вконтакте

Контактный телефон: +7 (981) 121-46-93, +7 (800) 200-90-76 , Email: parts-katalog@yandex.ru, где купить

 
 

  Логин:

Пароль:

Регистрация

www.partskatalog.ru Все каталоги Запчасти Mercury Запчасти Suzuki Запчасти Tohatsu Запчасти Honda Контакты


Все разделы каталога запчастей на этот двигатель

назад Раздел:   вперёд

вернуться к списку узлов и деталей

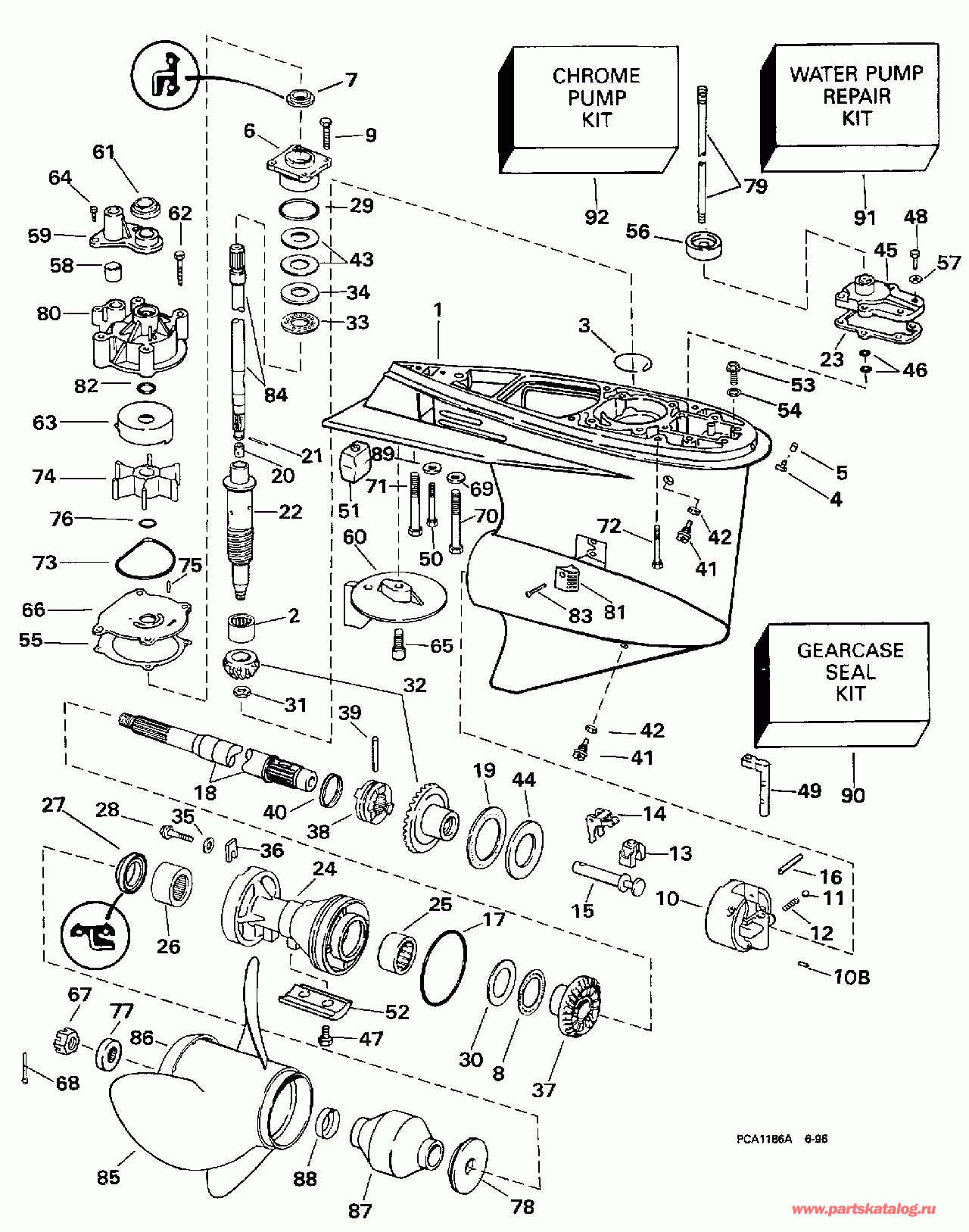
ДЕТАЛИРОВКА ДЛЯ МОДЕЛИ: EVINRUDE E115SXEUC 1997

РЕДУКТОР - 20 ДЮЙМ MODELS | GEARCASE - 20 IN. MODELS;


Подвесной лодочный мотор Эвинруд E115SXEUC 1997  - 20 дюйм Models

Номер на
рисунке
АртикулНаименованиеКол-во
на складе
Цена
0436771 0436771

Редуктор в сборе., комплект. Not Shown (GEARCASE ASSY., Complete. Not Shown)

нет в наличии, поставок нет
0436771 5004632

   (последний код) GCASE AY,STINGRAY

нет в наличии, поставок нет
1 0437140

Редуктор в сборе с подшипником.. Models with Pitot Трубка (115GL) (GEARCASE & BEARING ASSY.. Models with Pitot Tube (115GL))

нет в наличии, поставок нет
1 5006312

   (последний код) G-CASE &BRG AY "S"

нет в наличии, поставок нет
1 0437141

Редуктор в сборе с подшипником.. Models without Pitot Трубка (GEARCASE & BEARING ASSY.. Models without Pitot Tube)

нет в наличии, поставок нет
1 5006312

   (последний код) G-CASE &BRG AY "S"

нет в наличии, поставок нет
2 0384195

Подшипник, Шестерня (BEARING, Pinion)

нет в наличии, поставок нет
3 0340493

Стопорное кольцо (RETAINING RING)

нет в наличии, поставок нет
4 0336535

Ниппель, Pitot Трубка. Models with Pitot Трубка (115GL) (NIPPLE, Pitot tube. Models with Pitot Tube (115GL))

7 шт470 руб.
5 0305749

Заглушка, Ниппель. Models with Pitot Трубка (115GL) (PLUG, Nipple. Models with Pitot Tube (115GL))

нет в наличии, поставок нет
6 0438963

Подшипник Корпус & Сальник (BEARING HOUSING & SEAL)

нет в наличии, поставок нет
6 0439476

   (последний код) DS BRG HSG&SEAL AY

нет в наличии, поставок нет
7 0341280

Сальник, DriveВал, верхний (SEAL, Driveshaft, upper)

нет в наличии, поставок нет
8 0382408

THRUST Подшипник, Reverse Шестерня (THRUST BEARING, Reverse gear)

нет в наличии, поставок нет
9 0317624

Винт, Корпус to Редуктор (SCREW, Housing to gearcase)

нет в наличии, поставок нет
10 0391365

Корпус & Подшипник в сборе. (HOUSING & BEARING ASSY.)

нет в наличии, поставок нет
10 0984096

   (последний код) BEARING HOUSING

нет в наличии, поставок нет
10B 0331880

Штифт, Корпус (PIN, Housing)

нет в наличии, поставок нет
11 0327345

Шарик, Detent (BALL, Detent)

нет в наличии, поставок нет
12 0911961

Фиксатор пружины (SPRING, Detent)

нет в наличии, поставок нет
13 0334163

CRADLE, Переключательer (CRADLE, Shifter)

5 шт1880 руб.
13 0322900

   (последний код) CRADLE-SHIFT

нет в наличии, поставок нет
14 0324037

Рычаг переключателя (LEVER, Shift)

8 шт3700 руб.
15 0322941

Вал (SHAFT)

нет в наличии, поставок нет
16 0320145

Штифт, Рычаг переключения (PIN, Shift lever)

нет в наличии, поставок нет
16 0323945

   (последний код) PIN-SHIFTER

нет в наличии, поставок нет
17 0313446

Уплотнительное кольцо, Вал гребного винта (O-RING, Propeller shaft)

нет в наличии, поставок нет
18 0436834

Вал гребного винта в сборе. (PROPELLER SHAFT ASSY.)

нет в наличии, поставок нет
18 5006310

   (последний код) SHAFT AY,PRO

нет в наличии, поставок нет
19 0385043

THRUST BRG. в сборе., Fwd. Шестерня (THRUST BRG. ASSY., Fwd. gear)

нет в наличии, поставок нет
19 3852221

   (последний код) BEARING-AY,T

нет в наличии, поставок нет
20 0338504

Фиксатор приводного вала (RETAINER, Driveshaft)

нет в наличии, поставок нет
21 0311538

Штифт, DriveВал (PIN, Driveshaft)

нет в наличии, поставок нет
22 0340489

DRIVEВал, нижний (DRIVESHAFT, Lower)

нет в наличии, поставок нет
22 0346004

   (последний код) DRIVESHAFT,LOWER

нет в наличии, поставок нет
23 0324670

Прокладка, Переключающая тяга Крышка (GASKET, Shift rod cover)

нет в наличии, поставок нет
23 0352165

   (последний код) GASKET

2 шт550 руб.
24 0436832

Подшипник Корпус Сальник в сборе. (BEARING HOUSING SEAL ASSY.)

нет в наличии, поставок нет
24 5000440

   (последний код) HSG AY,PROPSHAFT

нет в наличии, поставок нет
25 0382407

Игольчатый подшипник в сборе. (NEEDLE BEARING ASSY.)

1 шт5500 руб.
26 0379504

Игольчатый подшипник в сборе. (NEEDLE BEARING ASSY.)

нет в наличии, поставок нет
27 0342787

Сальник (SEAL)

нет в наличии, поставок нет
28 0341541

Винт (SCREW)

нет в наличии, поставок нет
29 0314728

Уплотнительное кольцо, DriveВал Подшипник (O-RING, Driveshaft bearing)

нет в наличии, поставок нет
29 0354731

   (последний код) O-RING

1 шт850 руб.
30 0314731

THRUST Шайба шестерни заднего хода (THRUST WASHER, Reverse gear)

нет в наличии, поставок нет
31 0314730

Гайка, Шестерня to driveВал (NUT, Pinion to driveshaft)

нет в наличии, поставок нет
32 0436746

Шестерня & Комплект шестерёнок. (GEAR & PINION ASSY.)

1 шт47700 руб.
32 0434063

   (последний код) GEARSET,MATCHED

нет в наличии, поставок нет
33 0387656

THRUST Подшипник, Шестерня (THRUST BEARING, Pinion)

нет в наличии, поставок нет
33 0383248

   (последний код) BEARING

нет в наличии, поставок нет
34 0327656

Упорная шайба шестерни Шестерня (THRUST WASHER, Pinion)

нет в наличии, поставок нет
34 0314729

   (последний код) THRUST-WASHE

нет в наличии, поставок нет
35 0328743

Шайба, Винт, tab (WASHER, Screw, tab)

нет в наличии, поставок нет
35 3852191

   (последний код) WASHER

нет в наличии, поставок нет
36 0333957

TAB, Фиксатор (TAB, Retainer)

нет в наличии, поставок нет
37 0340490

Шестерня обратного хода (GEAR, Reverse)

нет в наличии, поставок нет
37 0345992

   (последний код) GEAR,REVERSE V4

нет в наличии, поставок нет
38 0323664

Переключатель собачки сцепления (SHIFTER, Clutch dog)

нет в наличии, поставок нет
38 0341517

   (последний код) TER,CLUTCH-D

нет в наличии, поставок нет
39 0313448

Штифт сцепления dog (PIN, Clutch dog)

нет в наличии, поставок нет
40 0324369

Пружина, Сцепление dog Штифт (SPRING, Clutch dog pin)

нет в наличии, поставок нет
40 0313454

   (последний код) SPRING

нет в наличии, поставок нет
41 0318544

Заглушка, Fill & drain (PLUG, Fill & drain)

нет в наличии, поставок нет
41 0912624

   (последний код) SCREW

нет в наличии, поставок нет
42 0311598

Шайба (WASHER)

нет в наличии, поставок нет
42 3852105

   (последний код) WASHER

нет в наличии, поставок нет
43 0323362

Регулировочная шайба, 0.003 дюйм (0, 07 мм) (SHIM, 0.003 in. (0,07mm))

нет в наличии, поставок нет
43 0323361

Регулировочная шайба, 0.004 дюйм (0, 10 мм) (SHIM, 0.004 in. (0,10mm))

нет в наличии, поставок нет
43 0314745

Регулировочная шайба, 0.005 дюйм (0, 12 мм) (SHIM, 0.005 in. (0,12mm))

нет в наличии, поставок нет
44 0324766

Упорная шайба, дляward Шестерня (THRUST WASHER, Forward gear)

нет в наличии, поставок нет
45 0435482

Крышка & Сальник в сборе. (COVER & SEAL ASSY.)

нет в наличии, поставок нет
45 5006241

   (последний код) COVER AY,SHIFT ROD

нет в наличии, поставок нет
46 0318372

Уплотнительное кольцо, Переключающая тяга (O-RING, Shift rod)

нет в наличии, поставок нет
47 0908158

Винт, Анод (SCREW, Anode)

нет в наличии, поставок нет
47 3852050

   (последний код) SCREW

нет в наличии, поставок нет
48 0302325

Винт, Крышка (SCREW, Cover)

нет в наличии, поставок нет
49 0323946

DETENT, Переключательer (DETENT, Shifter)

нет в наличии, поставок нет
49 0915954

   (последний код) DETENT

нет в наличии, поставок нет
50 0341219

Винт, Анод (SCREW, Anode)

нет в наличии, поставок нет
51 0436745

Анод (ANODE)

нет в наличии, поставок нет
51 0393023

   (последний код) ANODE&INSERT AY

нет в наличии, поставок нет
52 0431708

Анод, Подшипник Корпус (ANODE, Bearing housing)

нет в наличии, поставок нет
52 0397111

   (последний код) ANODE-AY

нет в наличии, поставок нет
53 0341220

Винт, Pitot Трубка Заглушка. Models with Pitot Трубка (115GL) (SCREW, Pitot tube plug. Models with Pitot Tube (115GL))

нет в наличии, поставок нет
54 0437330

Шайба & Сальник, Заглушка. Models with Pitot Трубка (115GL) (WASHER & SEAL, Plug. Models with Pitot Tube (115GL))

нет в наличии, поставок нет
55 0338484

Прокладка крыльчатки hsg. Пластина. Also included in kit 434421 Also included in kit 437752 (GASKET, Impeller hsg. plate. Also included in kit 434421 Also included in kit 437752)

нет в наличии, поставок нет
55 0324701

   (последний код) GASKET,-DRL5

нет в наличии, поставок нет
56 0321008

Пыльник, Exh. hsg. to shft Тяга. Also included in kit 434421 (GROMMET, Exh. hsg. to shft rod. Also included in kit 434421)

нет в наличии, поставок нет
57 0328702

Шайба (WASHER)

нет в наличии, поставок нет
57 3852183

   (последний код) WASHER

нет в наличии, поставок нет
58 0314008

Пыльник водяной трубки. Also included in kit 434421 (GROMMET, Water tube. Also included in kit 434421)

нет в наличии, поставок нет
59 0338893

Колпак крыльчатки Корпус. Also included in kit 434421 (COVER, Impeller housing. Also included in kit 434421)

нет в наличии, поставок нет
59 0321159

   (последний код) COVER-IMP-HS

нет в наличии, поставок нет
60 0338742

Пластина трима, Редуктор (TRIM TAB, Gearcase)

нет в наличии, поставок нет
60 0327810

   (последний код) TRIM TAB

нет в наличии, поставок нет
61 0320943

Пыльник, Крыльчатка Корпус. Also included in kit 434421 (GROMMET, Impeller housing. Also included in kit 434421)

1 шт300 руб.
62 0302325

Винт, Крыльчатка Корпус, 1 дюйм. Also included in kit 434421 (SCREW, Impeller housing, 1 in.. Also included in kit 434421)

нет в наличии, поставок нет
63 0338486

Cвыше, Крыльчатка. Also included in kit 434421 (CUP, Impeller. Also included in kit 434421)

нет в наличии, поставок нет
63 0338551

Cвыше, Крыльчатка Корпус. хромированная пластина (CUP, Impeller housing. Chrome Plated)

нет в наличии, поставок нет
64 0306643

Винт, Крышка to Крыльчатка. Also included in kit 434421 (SCREW, Cover to impeller. Also included in kit 434421)

нет в наличии, поставок нет
64 3852066

   (последний код) SCREW

нет в наличии, поставок нет
65 0313715

Винт, Пластина трима (SCREW, Trim tab)

нет в наличии, поставок нет
66 0338485

Пластина корпуса крыльчатки. Also included in kit 434421 (PLATE, Impeller housing. Also included in kit 434421)

нет в наличии, поставок нет
66 0338552

Пластина корпуса крыльчатки. хромированная пластина (PLATE, Impeller housing. Chrome Plated)

нет в наличии, поставок нет
67 0314503

Гайка гребного винта (NUT, Propeller)

нет в наличии, поставок нет
68 0314502

Шплинт, Гайка гребного винта (COTTER PIN, Propeller nut)

нет в наличии, поставок нет
69 0330265

Шайба, Винт, long (WASHER, Screw, long)

нет в наличии, поставок нет
70 0331998

Винт, Редуктор to Корпус (SCREW, Gearcase to housing)

нет в наличии, поставок нет
70 0914535

   (последний код) SCREW

нет в наличии, поставок нет
71 0331999

Винт, Редуктор, rear (SCREW, Gearcase, rear)

нет в наличии, поставок нет
71 0910457

   (последний код) SCREW

нет в наличии, поставок нет
72 0331999

Винт, Редуктор to Корпус (SCREW, Gearcase to housing)

нет в наличии, поставок нет
72 0910457

   (последний код) SCREW

нет в наличии, поставок нет
73 0331353

Сальник, Крыльчатка Корпус Пластина. Also included in kit 434421 (SEAL, Impeller housing plate. Also included in kit 434421)

1 шт790 руб.
74 0435821

Крыльчатка & CAM в сборе.. Also included in kit 434421 (IMPELLER & CAM ASSY.. Also included in kit 434421)

нет в наличии, поставок нет
74 5001593

   (последний код) KIT AY,IMPELLER

нет в наличии, поставок нет
75 0331107

CAM, Крыльчатка. Also included in kit 434421 (CAM, Impeller. Also included in kit 434421)

нет в наличии, поставок нет
76 0302035

Уплотнительное кольцо. Also included in kit 434421 (O-RING. Also included in kit 434421)

нет в наличии, поставок нет
77 0315810

Проставка гайки гребного винта (SPACER, Propeller nut)

нет в наличии, поставок нет
78 0127084

Упорная втулка, 3-blade (THRUST BUSHING, 3-blade)

нет в наличии, поставок нет
78 0384574

   (последний код) BUSHING

нет в наличии, поставок нет
78 0127212

Упорная втулка, 4-blade (THRUST BUSHING, 4-blade)

нет в наличии, поставок нет
79 0335509

Переключающая тяга (SHIFT ROD)

нет в наличии, поставок нет
80 0435990

Крыльчатка Корпус, Редуктор. Also included in kit 434421 (IMPELLER HOUSING, Gearcase. Also included in kit 434421)

нет в наличии, поставок нет
80 0435959

Крыльчатка Корпус, Редуктор. Also included in kit 434421 (IMPELLER HOUSING, Gearcase. Also included in kit 434421)

нет в наличии, поставок нет
81 0340495

Водяной экран Система впуска (SCREEN, Water intake)

нет в наличии, поставок нет
81 0337778

Водяной экран Система впуска. 90, 115SL Only (SCREEN, Water intake. 90, 115SL Only)

нет в наличии, поставок нет
82 0331188

Уплотнительное кольцо, Крыльчатка. Also included in kit 434421 (O-RING, Impeller. Also included in kit 434421)

5 шт370 руб.
83 0340665

Винт, Water Система впуска screens (SCREW, Water intake screens)

нет в наличии, поставок нет
84 0435768

Приводной вал., верхний (Incl #20 & 21) (DRIVESHAFT ASSY., Upper (Incl #20 & 21))

нет в наличии, поставок нет
84 5000615

   (последний код) KIT,UPPER D/S-20"

нет в наличии, поставок нет
85 0

Гребной винт. Refer to OMC Genuine Parts Гребной винт Chart (PROPELLER. Refer to OMC Genuine Parts Propeller Chart)

нет в наличии, поставок нет
86 0332393

CONVERGING Кольцо, Гребной винт (CONVERGING RING, Propeller)

нет в наличии, поставок нет
86 0325996

   (последний код) CONVERGING RING

нет в наличии, поставок нет
87 0384977

Втулка в сборе., Prop. (BUSHING ASSY., Prop.)

нет в наличии, поставок нет
88 0313926

Гильза, Втулка (SLEEVE, Bushing)

нет в наличии, поставок нет
88 3850831

   (последний код) SLEEVE-PROP

нет в наличии, поставок нет
89 0307161

Блокирующая шайба анода (LOCK WASHER, Anode)

нет в наличии, поставок нет
90 0437752

Комплект сальников редуктора (GEARCASE SEAL KIT)

нет в наличии, поставок нет
90 5006373

   (последний код) KIT AY,SEAL-GC

нет в наличии, поставок нет
91 0434421

Ремкомплект водяного насоса (Includes Крыльчатка hous ing) (WATER PUMP REPAIR KIT (Includes impeller hous ing))

нет в наличии, поставок нет
91 5001594

   (последний код) KIT AY,WATER PUMP

нет в наличии, поставок нет
91 T-5001594

   (не оригинальный аналог) Ремкомплект насоса охлаждения Evinrude-Johnson 5001594

2 шт штпо запросу
91 0435929

Ремкомплект водяного насоса (Includes Крыльчатка hous ing) 90, 115SL Only (WATER PUMP REPAIR KIT (Includes impeller hous ing). 90, 115SL Only)

нет в наличии, поставок нет
91 5001595

   (последний код) KIT AY,WATER PUMP

нет в наличии, поставок нет
92 0435526

Хромированный ремкомплект водяного насоса (CHROME PUMP KIT)

нет в наличии, поставок нет
92 0395059

   (последний код) CHROME PUMP KIT

нет в наличии, поставок нет
evinrude

Время выполнения запроса 1.3244750499725 сек.


 
 

данный сайт носит информационный характер и не является публичной офертой

склад запчастей для водомоторной техники