вконтакте

Контактный телефон: +7 (981) 121-46-93, +7 (800) 200-90-76 , Email: parts-katalog@yandex.ru, где купить

 
 

  Логин:

Пароль:

Регистрация

www.partskatalog.ru Все каталоги Запчасти Mercury Запчасти Suzuki Запчасти Tohatsu Запчасти Honda Контакты



УВАЖАЕМЫЕ КЛИЕНТЫ!
C 19 ДЕКАБРЯ 2025 ПО 02 МАРТА 2026 ГОДА ОТДЕЛ ЗАПЧАСТЕЙ И СЕРВИС РАБОТАТЬ НЕ БУДУТ
ПРОДАЖА ЛОДОЧНЫХ МОТОРОВ В ШТАТНОМ РЕЖИМЕ
ОБ ИЗМЕНЕНИЯХ В ГРАФИКЕ РАБОТЫ ЧИТАЙТЕ НА САЙТА




Все разделы каталога запчастей на этот двигатель

назад Раздел:   вперёд

вернуться к списку узлов и деталей

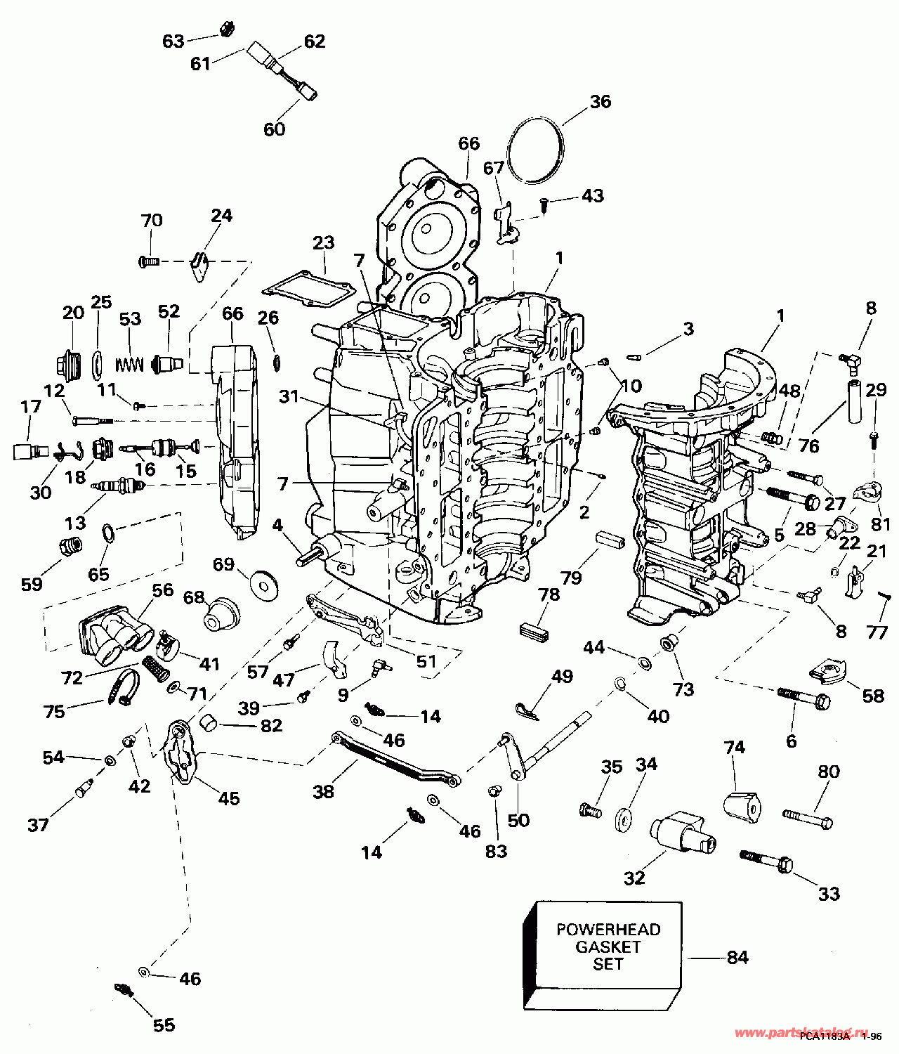
ДЕТАЛИРОВКА ДЛЯ МОДЕЛИ: EVINRUDE BE115ELEDR 1996

ЦИЛИНДР & КАРТЕР ДВИГАТЕЛЯ | CYLINDER & CRANKCASE;


Подвесной лодочный мотор Эвинруд BE115ELEDR 1996  - linder & Crankcase - linder & Картер двигателя

Номер на
рисунке
АртикулНаименованиеКол-во
на складе
Цена
1 0438115

Цилиндр & CCASE в сборе., 90 (CYLINDER & CCASE ASSY., 90)

нет в наличии, поставок нет
1 0438922

   (последний код) CYL&CRKC AY

нет в наличии, поставок нет
1 0438114

Цилиндр & CCASE в сборе., 115 (CYLINDER & CCASE ASSY., 115)

нет в наличии, поставок нет
1 0438921

   (последний код) C&C-CS 105/115EAGL

нет в наличии, поставок нет
2 0304178

Шпонка Подшипник (PIN, Dowel bearing)

нет в наличии, поставок нет
3 0305070

Штифт кривошипаcase to block (PIN, Crankcase to block)

нет в наличии, поставок нет
4 0336630

Штифт, Roll (PIN, Roll)

нет в наличии, поставок нет
5 0336166

Винт, Цилиндр to Картер двигателя (SCREW, Cylinder to crankcase)

нет в наличии, поставок нет
6 0335611

Винт, Цилиндр to Картер двигателя (SCREW, Cylinder to crankcase)

нет в наличии, поставок нет
6 0908738

   (последний код) STUD-EXH--MA

нет в наличии, поставок нет
7 0335369

Ниппель, Drain (NIPPLE, Drain)

нет в наличии, поставок нет
8 0335369

Ниппель, Drain, Главный подшипник, верх и низ (NIPPLE, Drain, main bearing, upper & lower)

нет в наличии, поставок нет
9 0437784

Обратный клапан в сборе. (CHECK VALVE ASSY.)

нет в наличии, поставок нет
10 0437773

Обратный клапан, Main Верхний подшипник & center (CHECK VALVE, Main bearing, upper & center)

нет в наличии, поставок нет
10 0437613

   (последний код) VALVE AY,CHECK

нет в наличии, поставок нет
11 0332135

Заглушка, Головка блока цилиндра pressure tap (PLUG, Cylinder head pressure tap)

нет в наличии, поставок нет
11 0340808

   (последний код) PLUG

нет в наличии, поставок нет
12 0306500

Винт, Головка блока цилиндра (SCREW, Cylinder head)

нет в наличии, поставок нет
13 0437680

Свеча зажигания, Champion, QL82YC (SPARK PLUG, Champion, QL82YC)

нет в наличии, поставок нет
13 0392038

   (последний код) SP-PLUG QL82YC

нет в наличии, поставок нет
14 0333774

Cвыше, Соединитель (CUP, Link)

нет в наличии, поставок нет
15 0585044

температура Переключатель, Stbd. (TEMPERATURE SWITCH, Stbd.)

нет в наличии, поставок нет
15 0585184

   (последний код) SWITCH AY,TEMP

нет в наличии, поставок нет
16 0511469

Клемма, Штифт (TERMINAL, Pin)

нет в наличии, поставок нет
16 3852229

   (последний код) TERMINAL,PIN

нет в наличии, поставок нет
17 0513357

Коннектор (CONNECTOR)

нет в наличии, поставок нет
17 3854845

   (последний код) CONNECTOR 513357

нет в наличии, поставок нет
18 0329562

Крышка, температура Переключатель (COVER, Temperature switch)

нет в наличии, поставок нет
20 0338632

Крышка термостата (COVER, Thermostat)

нет в наличии, поставок нет
21 0340767

Ниппель, нижний drain (NIPPLE, Lower drain)

нет в наличии, поставок нет
22 0324677

Уплотнительное кольцо, Ниппель, нижний drain (O-RING, Nipple, lower drain)

нет в наличии, поставок нет
23 0342291

Сальник, Регулятор (SEAL, Regulator)

нет в наличии, поставок нет
23 0350357

   (последний код) GASKET

нет в наличии, поставок нет
24 0909424

Струбцина, температура Переключатель Провод (CLAMP, Temperature switch wire)

нет в наличии, поставок нет
25 0331188

Уплотнительное кольцо крышки термостата (O-RING, Thermostat cover)

5 шт370 руб.
26 0335981

Сальник термостата (SEAL, Thermostat)

нет в наличии, поставок нет
27 0328744

Винт, Цилиндр to Картер двигателя (SCREW, Cylinder to crankcase)

нет в наличии, поставок нет
27 0308741

   (последний код) SCREW

нет в наличии, поставок нет
28 0330935

Втулка, Рычаг переключения (BUSHING, Shift lever)

нет в наличии, поставок нет
29 0328725

Винт, Рычаг тяги переключения (SCREW, Shift rod lever)

нет в наличии, поставок нет
29 3852187

   (последний код) SCREW

нет в наличии, поставок нет
30 0512741

Фиксатор, температура Переключатель (RETAINER, Temperature switch)

нет в наличии, поставок нет
31 0

Дренажный шланг system. сокращёная длина from 25 фут (7, 6m) Roll, 340848 (HOSE, Drain system. Cut to Length from 25 Ft. (7,6m) Roll, 340848)

нет в наличии, поставок нет
32 0436853

Монтажная резинка в сборе., верхний (RUBBER MOUNT ASSY., Upper)

нет в наличии, поставок нет
32 0436603

   (последний код) MOUNT AY,UPPER

нет в наличии, поставок нет
33 0343024

Винт, верхний Крепление (SCREW, Upper mount)

нет в наличии, поставок нет
33 0344277

   (последний код) SCREW

нет в наличии, поставок нет
34 0340696

Шайба верхнего крепежа (WASHER, Upper mount)

нет в наличии, поставок нет
35 0312455

Винт с шайбой, Крепление (SCREW, Washer, mount)

нет в наличии, поставок нет
36 0335523

Уплотнительное кольцо, Головка блока цилиндра (O-RING, Cylinder head)

1 шт770 руб.
37 0330933

Винт, Рычаг переключения to block (SCREW, Shift arm to block)

нет в наличии, поставок нет
38 0335382

Переключающая тяга Рычаг to Рычаг переключения (LINK, Shift lever to shift arm)

нет в наличии, поставок нет
38 0343118

   (последний код) LINK,SHIFT LEVER

нет в наличии, поставок нет
39 0328725

Винт, Крышка, trunnion (SCREW, Cover, trunnion)

нет в наличии, поставок нет
39 3852187

   (последний код) SCREW

нет в наличии, поставок нет
40 0306012

Шайба вала переключения (WASHER, Shift shaft)

нет в наличии, поставок нет
41 0336136

Струбцина, Пыльник, Выхлоп (CLAMP, Grommet, exhaust)

нет в наличии, поставок нет
42 0311015

Втулка, Рычаг переключения (BUSHING, Shift lever)

нет в наличии, поставок нет
42 3852094

   (последний код) BUSHING

нет в наличии, поставок нет
43 0316195

Винт направляющей to block (SCREW, Guide to block)

нет в наличии, поставок нет
44 0202026

Шайба, Рычаг переключения (WASHER, Shift arm)

нет в наличии, поставок нет
45 0436902

Рычаг переключения (SHIFT LEVER)

нет в наличии, поставок нет
46 0328702

Шайба, Соединитель to Рычаг переключения (WASHER, Link to shift arm)

нет в наличии, поставок нет
46 3852183

   (последний код) WASHER

нет в наличии, поставок нет
47 0335528

Крышка, Trunnion (COVER, Trunnion)

нет в наличии, поставок нет
47 0349060

   (последний код) COVER,TRUNNION

нет в наличии, поставок нет
48 0303492

Ниппель, Pulse (NIPPLE, Pulse)

нет в наличии, поставок нет
49 0330941

Штифт, Рычаг переключения (PIN, Shift arm)

нет в наличии, поставок нет
50 0436822

Переключающий вал & Рычаг в сборе. (SHIFT SHAFT & ARM ASSY.)

нет в наличии, поставок нет
50 5000470

   (последний код) ARM&SHAFT AY,SHIFT

нет в наличии, поставок нет
51 0340761

TRUNNION BLOCK (TRUNNION BLOCK)

нет в наличии, поставок нет
51 0349061

   (последний код) BLOCK,TRUNNION

нет в наличии, поставок нет
52 0435491

Термостат в сборе. (THERMOSTAT ASSY.)

нет в наличии, поставок нет
53 0338174

Пружина, Термостат (SPRING, Thermostat)

нет в наличии, поставок нет
54 0328733

Шайба, Рычаг переключения (WASHER, Shift lever)

нет в наличии, поставок нет
55 0333774

Зажим, Переключатель Рычаг переключателя Рычаг (CLIP, Shift lever, shift arm)

нет в наличии, поставок нет
56 0437223

Пыльник & INSERT, Выхлоп relief (GROMMET & INSERT, Exhaust relief)

нет в наличии, поставок нет
57 0328744

Винт, Trunnion to block (SCREW, Trunnion to block)

нет в наличии, поставок нет
57 0308741

   (последний код) SCREW

нет в наличии, поставок нет
58 0335316

Сальник, Переключающая тяга (SEAL, Shift rod)

нет в наличии, поставок нет
59 0436857

Заглушка & NOZZLE, Overboard Индикатор (PLUG & NOZZLE, Overboard indicator)

нет в наличии, поставок нет
59 0336217

   (последний код) NOZZLE,OVBD DRAIN

нет в наличии, поставок нет
60 0585023

температура Переключатель, Port (TEMPERATURE SWITCH, Port)

нет в наличии, поставок нет
60 0514388

   (последний код) SWITCH,TEMPERATURE

нет в наличии, поставок нет
61 0511469

Клемма, Штифт (TERMINAL, Pin)

нет в наличии, поставок нет
61 3852229

   (последний код) TERMINAL,PIN

нет в наличии, поставок нет
62 0512746

Коннектор (CONNECTOR)

нет в наличии, поставок нет
63 0329562

Крышка переключателя (COVER, Switch)

нет в наличии, поставок нет
65 0301967

Уплотнительное кольцо, Overboard Индикатор (O-RING, Overboard indicator)

нет в наличии, поставок нет
66 0340950

Головка блока цилиндра, 90 (CYLINDER HEAD, 90)

нет в наличии, поставок нет
66 0335810

Головка блока цилиндра, 115 (CYLINDER HEAD, 115)

нет в наличии, поставок нет
67 0337478

Направляющая, Статор Проводs (GUIDE, Stator wires)

нет в наличии, поставок нет
68 0328584

Крепление (MOUNT)

нет в наличии, поставок нет
68 0349557

   (последний код) MOUNT

нет в наличии, поставок нет
69 0329749

Шайба, Крепление (WASHER, Mount)

нет в наличии, поставок нет
69 0349556

   (последний код) WASHER

нет в наличии, поставок нет
70 0333430

Винт зажима (SCREW, Clamp)

нет в наличии, поставок нет
71 0315189

Шайба, Фильтр (WASHER, Filter)

нет в наличии, поставок нет
72 0341689

Фильтр, Overboard (FILTER, Overboard)

нет в наличии, поставок нет
73 0335521

Втулка, Рычаг переключения to block (BUSHING, Shift lever to block)

нет в наличии, поставок нет
74 0340418

Фиксатор, верхний Крепление (RETAINER, Upper mount)

нет в наличии, поставок нет
75 0320107

Крепёжный хомут (TIE STRAP)

нет в наличии, поставок нет
75 5035626

   (последний код) BAND,REM CON

нет в наличии, поставок нет
76 0

Шланг, Tee to верхний Подшипник vent, 6 дюйм (152 мм. сокращёная длина from 25 фут (7, 6m) Roll, 335802 (HOSE, Tee to upper bearing vent, 6 in. (152mm. Cut to Length from 25 Ft. (7,6m) Roll, 335802)

нет в наличии, поставок нет
77 0328649

Винт, нижний Дренажный ниппель (SCREW, Lower drain nipple)

нет в наличии, поставок нет
77 0337541

   (последний код) SCREW

нет в наличии, поставок нет
78 0335500

Сальник, Block to Нижняя часть корпуса, stbd. (SEAL, Block to lower cover, stbd.)

нет в наличии, поставок нет
79 0335499

Сальник, Block to Нижняя часть корпуса, port (SEAL, Block to lower cover, port)

нет в наличии, поставок нет
80 0330263

Винт, верхний Крепление retention (SCREW, Upper mount retention)

нет в наличии, поставок нет
80 0914534

   (последний код) SCREW

нет в наличии, поставок нет
81 0433817

Рычаг в сборе., Переключающая тяга (LEVER ASSY., Shift rod)

нет в наличии, поставок нет
82 0342916

LINER, Пыльник (LINER, Grommet)

нет в наличии, поставок нет
83 0340734

Втулка, Переключающий вал (BUSHING, Shift shaft)

нет в наличии, поставок нет
84 0437779

POWERHEAD Комплект прокладок (POWERHEAD GASKET SET)

нет в наличии, поставок нет
84 0439559

   (последний код) GASKET SET, PWHD

нет в наличии, поставок нет
evinrude

Время выполнения запроса 1.2029559612274 сек.


 
 

данный сайт носит информационный характер и не является публичной офертой

склад запчастей для водомоторной техники