вконтакте

Контактный телефон: +7 (981) 121-46-93, +7 (800) 200-90-76 , Email: parts-katalog@yandex.ru, где купить

 
 

  Логин:

Пароль:

Регистрация

www.partskatalog.ru Все каталоги Запчасти Mercury Запчасти Suzuki Запчасти Tohatsu Запчасти Honda Контакты



УВАЖАЕМЫЕ КЛИЕНТЫ!
C 31 ОКТЯБРЯ 2025 ПО 10 НОЯБРЯ 2025 ГОДА РАБОТАТЬ НЕ БУДЕМ




Все разделы каталога запчастей на этот двигатель

назад Раздел:   вперёд

вернуться к списку узлов и деталей

ДЕТАЛИРОВКА ДЛЯ МОДЕЛИ: EVINRUDE BE60TLEDR 1996

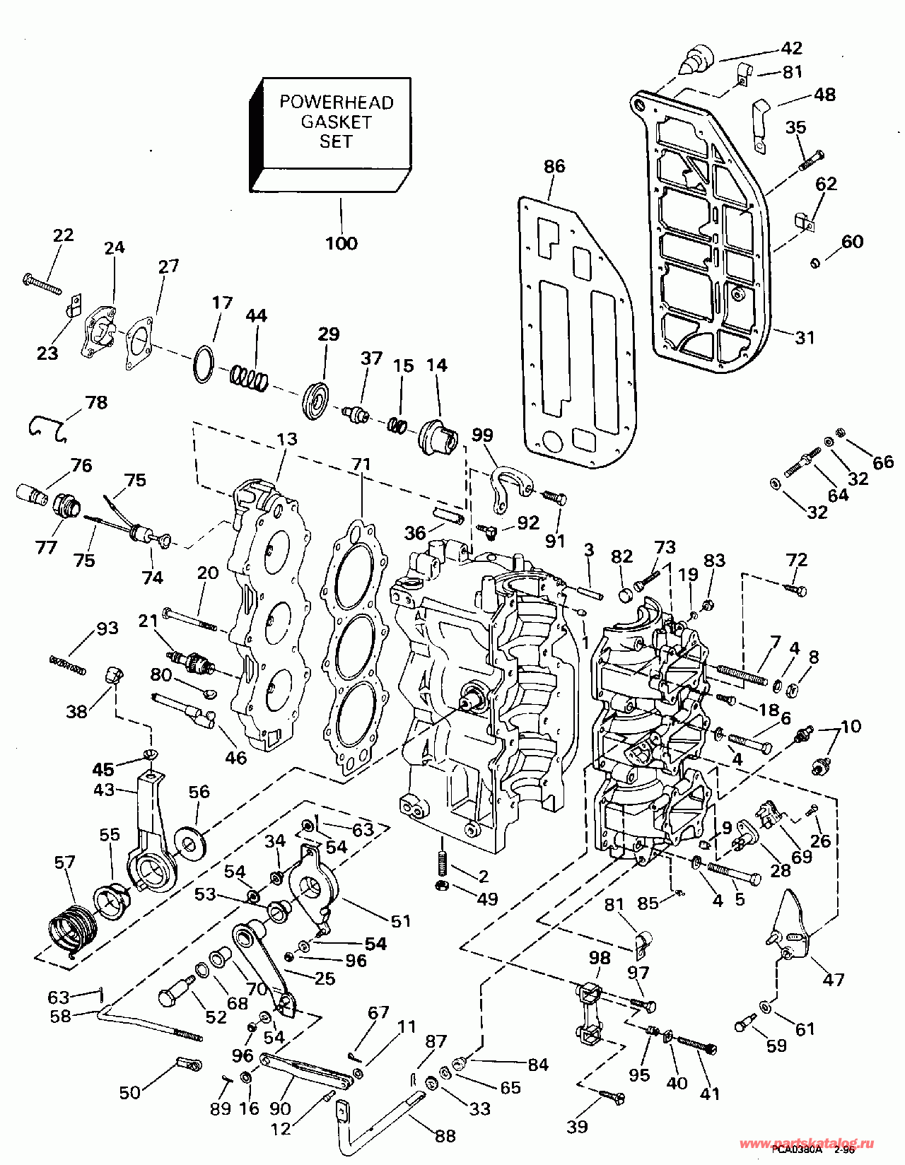
ЦИЛИНДР & КАРТЕР ДВИГАТЕЛЯ | CYLINDER & CRANKCASE;


Подвесной двигатель EVINRUDE BE60TLEDR 1996  - linder & Crankcase

Номер на
рисунке
АртикулНаименованиеКол-во
на складе
Цена
0436908 0436908

Цилиндр & Картер двигателя в сборе.. Not Shown (CYLINDER & CRANKCASE ASSY.. Not Shown)

нет в наличии, поставок нет
0436908 0438918

   (последний код) CYL&CRKC AY

нет в наличии, поставок нет
1 0304178

Шпонка (DOWEL PIN)

нет в наличии, поставок нет
2 0314616

Шпилька, Цилиндр (STUD, Cylinder)

нет в наличии, поставок нет
2 0324811

   (последний код) STUD-CYL

нет в наличии, поставок нет
3 0305070

конус Штифт (TAPER PIN)

нет в наличии, поставок нет
4 0300343

Шайба, Картер двигателя to Цилиндр (WASHER, Crankcase to cylinder)

нет в наличии, поставок нет
4 3852041

   (последний код) WASHER

нет в наличии, поставок нет
5 0307776

Винт, нижний Главный подшипник (SCREW, Lower main bearing)

нет в наличии, поставок нет
6 0131794

Винт, Картер двигателя to Цилиндр (SCREW, Crankcase to cylinder)

нет в наличии, поставок нет
6 0308963

   (последний код) SCREW

нет в наличии, поставок нет
7 0313538

Шпилька, Картер двигателя to Цилиндр (STUD, Crankcase to cylinder)

нет в наличии, поставок нет
8 0320372

LOCKГайка, Картер двигателя to Цилиндр (LOCKNUT, Crankcase to cylinder)

нет в наличии, поставок нет
9 0321164

Заглушка (PLUG)

нет в наличии, поставок нет
9 0307544

   (последний код) PLUG

нет в наличии, поставок нет
10 0435009

PULSE LIMITER (PULSE LIMITER)

нет в наличии, поставок нет
10 3852225

   (последний код) LIMITER-AY,P

нет в наличии, поставок нет
10 0303492

FITTING, Топливный насос pulse. E70RNLIB Model Only (FITTING, Fuel pump pulse. E70RNLIB Model Only)

нет в наличии, поставок нет
11 0328702

Шайба, Штифт to yoke (WASHER, Pin to yoke)

нет в наличии, поставок нет
11 3852183

   (последний код) WASHER

нет в наличии, поставок нет
12 0318197

Штифт, Yoke to bellКривошип (PIN, Yoke to bellcrank)

нет в наличии, поставок нет
13 0339221

Головка блока цилиндра, 60-70 (CYLINDER HEAD, 60-70)

нет в наличии, поставок нет
13 0339288

Головка блока цилиндра, 50EL-50DTL (CYLINDER HEAD, 50EL-50DTL)

нет в наличии, поставок нет
13 0435977

   (последний код) KIT AY,CYL HEAD

нет в наличии, поставок нет
14 0336178

Корпус, Термостат (HOUSING, Thermostat)

нет в наличии, поставок нет
15 0336179

Пружина (SPRING)

нет в наличии, поставок нет
16 0328708

Шайба, Соединитель to Рычаг переключения (WASHER, Link to shift lever)

нет в наличии, поставок нет
17 0336185

Шайба (WASHER)

нет в наличии, поставок нет
18 0306049

Винт (SCREW)

нет в наличии, поставок нет
19 0302290

Шайба с блокировкой (LOCK WASHER)

нет в наличии, поставок нет
19 0338307

   (последний код) WASHER,LOCK

нет в наличии, поставок нет
20 0322323

Винт, Головка блока цилиндра (SCREW, Cylinder head)

нет в наличии, поставок нет
21 0437929

Свеча зажигания, Champion QL78YC. Radio Noise Sвышеpressor Заглушка (SPARK PLUG, Champion QL78YC. Radio Noise Suppressor Plug)

нет в наличии, поставок нет
21 0387633

Свеча зажигания, Champion QL77JC4. Radio Noise Sвышеpressor Заглушка Опции (SPARK PLUG, Champion QL77JC4. Radio Noise Suppressor Plug Optional)

нет в наличии, поставок нет
21 0502180

   (последний код) Champion SPARK PLUG QL77JC4 MAR4

нет в наличии, поставок нет
21 0432424

Свеча зажигания, Champion QL16V. Radio Noise Sвышеpressor Заглушка Опции (SPARK PLUG, Champion QL16V. Radio Noise Suppressor Plug Optional)

нет в наличии, поставок нет
21 0502178

   (последний код) Champion SPARK PLUG QL16V MAR4

нет в наличии, поставок нет
21 0386941

Свеча зажигания, Champion L77JC4. Опции (SPARK PLUG, Champion L77JC4. Optional)

нет в наличии, поставок нет
21 4002080

   (последний код) SP-PLUG L77J

нет в наличии, поставок нет
22 0306049

Винт, Термостат Крышка (SCREW, Thermostat cover)

нет в наличии, поставок нет
23 0310439

Струбцина, Motor Кабели (CLAMP, Motor cable)

нет в наличии, поставок нет
23 3852088

   (последний код) CLAMP,"J"

нет в наличии, поставок нет
24 0339207

Крышка термостата и Клапана (COVER, Thermostat and valves)

нет в наличии, поставок нет
25 0393545

BELLКривошип, Hub и Штифт в сборе. (BELLCRANK, Hub and pin assy.)

нет в наличии, поставок нет
26 0317581

Винт, Рычаг тяги переключения (SCREW, Shift rod lever)

нет в наличии, поставок нет
27 0329830

Прокладка крышки термостата (GASKET, Thermostat cover)

нет в наличии, поставок нет
28 0330935

Втулка & Тяга KEEPER (BUSHING & ROD KEEPER)

нет в наличии, поставок нет
29 0435957

Диафрагма & Cвыше (DIAPHRAGM & CUP)

нет в наличии, поставок нет
31 0329834

Выхлопная крышка Коллектор (COVER, Exhaust manifold)

нет в наличии, поставок нет
31 0343864

   (последний код) COVER

нет в наличии, поставок нет
32 0328701

Шайба, Заземление Болт (WASHER, Ground bolt)

нет в наличии, поставок нет
32 3852182

   (последний код) WASHER,LOCK

нет в наличии, поставок нет
33 0202026

Шайба, Переключательer Рычаг (WASHER, Shifter lever)

нет в наличии, поставок нет
34 0322631

Втулка, Соединитель (BUSHING, Link)

нет в наличии, поставок нет
35 0308743

Винт, Кожух выхлопной трубы (SCREW, Exhaust cover)

нет в наличии, поставок нет
35 0342422

   (последний код) SCREW

нет в наличии, поставок нет
36 0911237

Шланг, Индикатор (HOSE, Indicator)

нет в наличии, поставок нет
37 0436195

Термостат в сборе. (THERMOSTAT ASSY.)

нет в наличии, поставок нет
38 0336456

Направляющая, Рычаг to Соединитель (GUIDE, Lever to link)

нет в наличии, поставок нет
39 0332012

Винт, Idle stop (SCREW, Idle stop)

нет в наличии, поставок нет
39 0333710

   (последний код) SCREW

нет в наличии, поставок нет
40 0203688

Гайка, Idle adjustment (NUT, Idle adjustment)

нет в наличии, поставок нет
40 0328710

   (последний код) NUT-SCREW-ID

нет в наличии, поставок нет
41 0306337

Винт, W.O.T. stop (SCREW, W.O.T. stop)

нет в наличии, поставок нет
41 0553142

   (последний код) SCREW

нет в наличии, поставок нет
42 0314021

Бампер, Выхлопной патрубок (BUMPER, Exhaust manifold)

нет в наличии, поставок нет
43 0319318

Рычаг, Spark advance (LEVER, Spark advance)

нет в наличии, поставок нет
44 0342421

Пружина (SPRING)

нет в наличии, поставок нет
45 0395448

Шарик & SOCKET, Spark Подъемный механизм (BALL & SOCKET, Spark linkage)

нет в наличии, поставок нет
45 0313703

   (последний код) BALL/395448

нет в наличии, поставок нет
46 0336491

Соединитель, Dwell (LINK, Dwell)

нет в наличии, поставок нет
47 0434171

Кулачок дросселя ASSEMBLY (THROTTLE CAM ASSEMBLY)

нет в наличии, поставок нет
48 0316487

Фиксатор, Motor Кабели (RETAINER, Motor cable)

нет в наличии, поставок нет
49 0315204

Гайка, Powerhead Шпилька (NUT, Powerhead stud)

нет в наличии, поставок нет
49 0316355

   (последний код) NUT

нет в наличии, поставок нет
50 0334153

SHELL, Соединитель to cam (SHELL, Link to cam)

нет в наличии, поставок нет
51 0387800

Рычаг дросселя (LEVER, Throttle)

нет в наличии, поставок нет
52 0318192

SHOULDER Винт дросселя Рычаг (SHOULDER SCREW, Throttle lever)

нет в наличии, поставок нет
53 0314002

Втулка (BUSHING)

нет в наличии, поставок нет
54 0328737

Шайба, Направляющаяs (WASHER, Guides)

нет в наличии, поставок нет
54 0306561

   (последний код) WASHER

нет в наличии, поставок нет
55 0314003

Втулка, Spark Рычаг (BUSHING, Spark lever)

нет в наличии, поставок нет
56 0314098

Шайба, Рычаг дросселя (WASHER, Throttle lever)

нет в наличии, поставок нет
57 0314094

Пружина рычага дросселя (SPRING, Throttle lever)

нет в наличии, поставок нет
58 0336424

Тяга дросселя Рычаг to cam (LINK, Throttle lever to cam)

нет в наличии, поставок нет
59 0314136

Винт дросселя cam (SCREW, Throttle cam)

нет в наличии, поставок нет
60 0321164

Заглушка, Крышка (PLUG, Cover)

нет в наличии, поставок нет
60 0307544

   (последний код) PLUG

нет в наличии, поставок нет
61 0330179

Шайба, Кулачок дросселя (WASHER, Throttle cam)

нет в наличии, поставок нет
61 0303304

   (последний код) WASHER

нет в наличии, поставок нет
62 0310439

Струбцина топливного фильтра (CLAMP, Fuel filter)

нет в наличии, поставок нет
62 3852088

   (последний код) CLAMP,"J"

нет в наличии, поставок нет
63 0303049

Шплинт (COTTER PIN)

нет в наличии, поставок нет
64 0334109

Болт, Double end (BOLT, Double end)

нет в наличии, поставок нет
65 0306012

BOW Шайба, Рычаг переключения (BOW WASHER, Shift lever)

нет в наличии, поставок нет
66 0328740

Гайка, Double end Болт (NUT, Double end bolt)

нет в наличии, поставок нет
66 0306375

   (последний код) NUT

нет в наличии, поставок нет
67 0305650

Шплинт (COTTER PIN)

нет в наличии, поставок нет
67 3852052

   (последний код) PIN,COTTER

нет в наличии, поставок нет
68 0908060

BOW Шайба, Shoulder Винт (BOW WASHER, Shoulder screw)

нет в наличии, поставок нет
68 0318202

   (последний код) BOW-WASHER

нет в наличии, поставок нет
69 0395588

Рычаг штока переключения (LEVER, Shift rod)

нет в наличии, поставок нет
70 0318193

Втулка, BellКривошип (BUSHING, Bellcrank)

нет в наличии, поставок нет
70 0317939

   (последний код) BUSHING

нет в наличии, поставок нет
71 0329836

Прокладка головки блока цилиндра (GASKET, Cylinder head)

нет в наличии, поставок нет
72 0306049

Винт, Кронштейн to Картер двигателя (SCREW, Bracket to crankcase)

нет в наличии, поставок нет
73 0328722

Винт, Spark advance (SCREW, Spark advance)

нет в наличии, поставок нет
74 0585023

температура Переключатель (TEMPERATURE SWITCH)

нет в наличии, поставок нет
74 0514388

   (последний код) SWITCH,TEMPERATURE

нет в наличии, поставок нет
74 0584152

температура Переключатель. E70RNLIB Model Only (TEMPERATURE SWITCH. E70RNLIB Model Only)

нет в наличии, поставок нет
75 0511469

Клемма, Штифт (TERMINAL, Pin)

нет в наличии, поставок нет
75 3852229

   (последний код) TERMINAL,PIN

нет в наличии, поставок нет
76 0512746

Коннектор (CONNECTOR)

нет в наличии, поставок нет
77 0329562

Крышка, температура Переключатель (COVER, Temperature switch)

нет в наличии, поставок нет
78 0512741

Фиксатор (RETAINER)

нет в наличии, поставок нет
80 0395448

SOCKET, Подъемный механизм to timer Основание (SOCKET, Linkage to timer base)

нет в наличии, поставок нет
80 0313703

   (последний код) BALL/395448

нет в наличии, поставок нет
81 0330151

Струбцина, Leads (CLAMP, Leads)

нет в наличии, поставок нет
81 3852199

   (последний код) CLAMP,"J"

нет в наличии, поставок нет
82 0314416

Бампер, Spark advance (BUMPER, Spark advance)

нет в наличии, поставок нет
83 0328741

Гайка, Spark advance (NUT, Spark advance)

нет в наличии, поставок нет
83 0304753

   (последний код) NUT

нет в наличии, поставок нет
84 0318951

Втулка, Рычаг переключения to Картер двигателя (BUSHING, Shift lever to crankcase)

нет в наличии, поставок нет
85 0313607

LUBRICATION FITTING (LUBRICATION FITTING)

нет в наличии, поставок нет
85 3852121

   (последний код) FITTING,LUB

нет в наличии, поставок нет
86 0329833

Прокладка выхлопного патрубка (GASKET, Exhaust manifold)

нет в наличии, поставок нет
86 0343863

   (последний код) GASKET, EXHST CVR

нет в наличии, поставок нет
87 0330941

Фиксатор Штифт, Рычаг переключения (RETAINER PIN, Shift lever)

нет в наличии, поставок нет
88 0330940

Рычаг переключения (SHIFT LEVER)

нет в наличии, поставок нет
88 0345600

   (последний код) LEVER,SHIFT

нет в наличии, поставок нет
89 0306387

Шплинт, Соединитель to Рычаг (COTTER PIN, Link to lever)

нет в наличии, поставок нет
89 0306406

   (последний код) COTTER PIN

нет в наличии, поставок нет
90 0328567

Соединитель, BellКривошип (LINK, Bellcrank)

нет в наличии, поставок нет
91 0306322

Винт (SCREW)

нет в наличии, поставок нет
92 0321886

ELBOW (ELBOW)

нет в наличии, поставок нет
92 0321686

   (последний код) ELBOW

нет в наличии, поставок нет
93 0336447

Пружина, Dwell Подъемный механизм (SPRING, Dwell linkage)

нет в наличии, поставок нет
95 0308993

Пружина, Idle adjustment (SPRING, Idle adjustment)

нет в наличии, поставок нет
96 0328064

Гайка, Направляющаяs, Дистанционное управление (NUT, Guides, remote control)

нет в наличии, поставок нет
96 0554477

   (последний код) NUT

нет в наличии, поставок нет
97 0308751

Винт, Кронштейн (SCREW, Bracket)

нет в наличии, поставок нет
97 0331025

   (последний код) SCREW

нет в наличии, поставок нет
98 0316664

Кронштейн, Idle adjustment (BRACKET, Idle adjustment)

нет в наличии, поставок нет
99 0333962

LIFT Кронштейн (LIFT BRACKET)

нет в наличии, поставок нет
99 0331569

   (последний код) LIFT-BRACKET

нет в наличии, поставок нет
100 0398047

POWERHEAD Комплект прокладок (POWERHEAD GASKET SET)

нет в наличии, поставок нет
100 0438904

   (последний код) GASKET SET, PWHD

нет в наличии, поставок нет
evinrude

Время выполнения запроса 4.0043711662292 сек.


 
 

данный сайт носит информационный характер и не является публичной офертой

склад запчастей для водомоторной техники