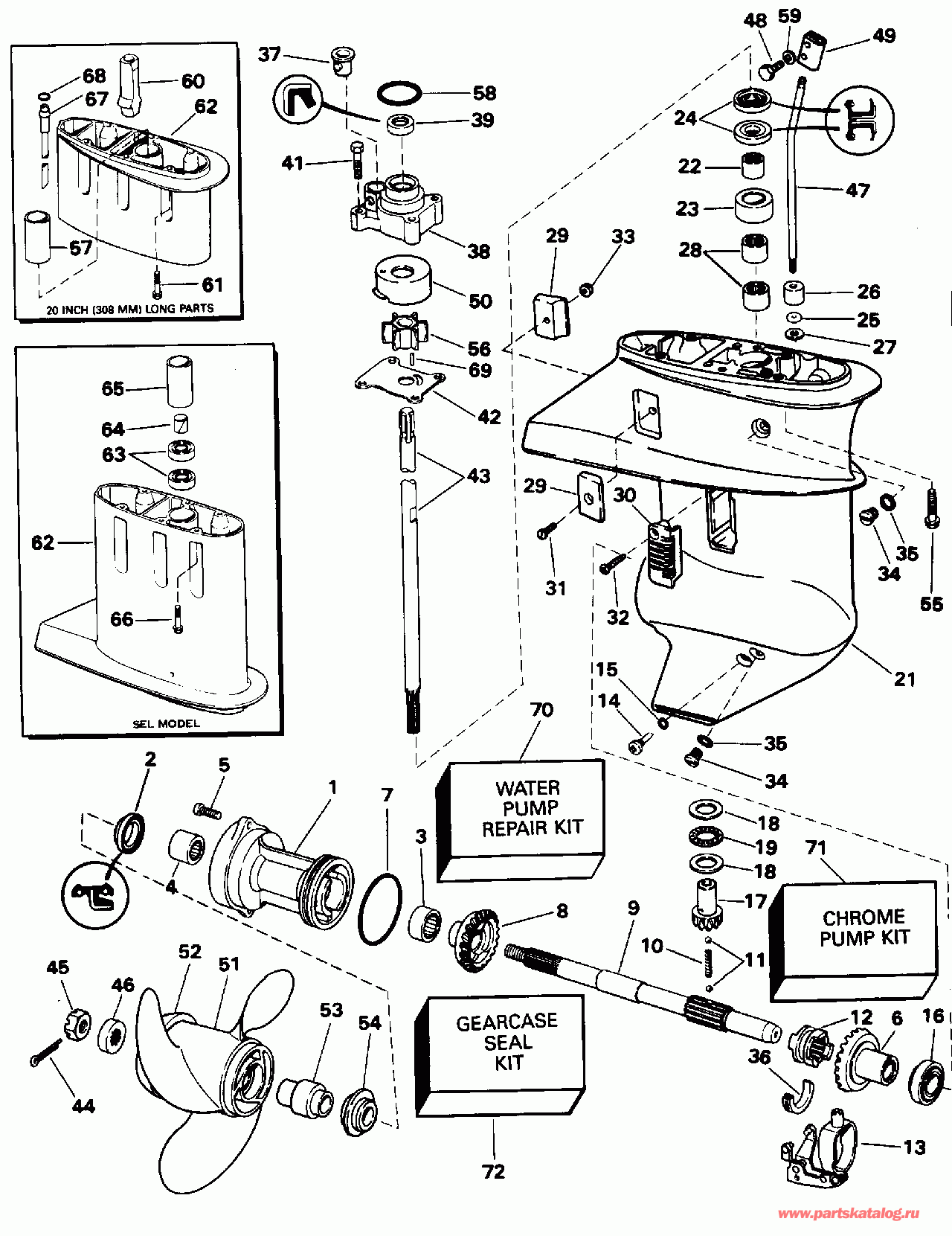
Номер на   рисунке | Артикул | Наименование | Кол-во   на складе | Цена | 
|  0435712  | 0435712 | Редуктор в сборе. (Less driveВал и Помпа)  Not Shown (GEARCASE ASSY. (Less driveshaft and pump). Not Shown)  | нет в наличии, поставок нет | 
|  0435712  | 0438617 |    (последний код) G-CASE AY,LESS D/S                                                                | нет в наличии, поставок нет | 
|  1  | 0437774 | Подшипник Корпус подшипника & Сальник assembly (BEARING HOUSING, Bearing & seal assembly)  | нет в наличии, поставок нет | 
|  1  | 0433403 |    (последний код) HOUSING-AY,P                                                                      | нет в наличии, поставок нет | 
|  2  | 0342247 | Сальник, Brg. hsg. to prop Вал (SEAL, Brg. hsg. to prop shaft)  | нет в наличии, поставок нет | 
|  3  | 0386125 | Подшипник, Reverse Шестерня (BEARING, Reverse gear)  | нет в наличии, поставок нет | 
|  4  | 0386231 | Подшипник (BEARING)  | нет в наличии, поставок нет | 
|  5  | 0333706 | Винт, Brg. hsg. to gcase (SCREW, Brg. hsg. to gcase)  | нет в наличии, поставок нет | 
|  6  | 0394823 | Шестерня & Втулка в сборе., дляward (GEAR & BUSHING ASSY., Forward)  | нет в наличии, поставок нет | 
|  7  | 0308627 | Уплотнительное кольцо, Brg. hsg. to gcase (O-RING, Brg. hsg. to gcase)  | 2 шт | 100 руб. | 
|  8  | 0330201 | Шестерня обратного хода (GEAR, Reverse)  | нет в наличии, поставок нет | 
|  9  | 0342144 | Вал гребного винта (PROPELLER SHAFT)  | нет в наличии, поставок нет | 
|  9  | 0438578 |    (последний код) KIT AY,PROPSHAFT                                                                  | нет в наличии, поставок нет | 
|  10  | 0316505 | Фиксатор пружины (SPRING, Detent)  | нет в наличии, поставок нет | 
|  11  | 0316506 | Шарик, Detent (BALL, Detent)  | нет в наличии, поставок нет | 
|  12  | 0325263 | Переключатель собачки сцепления (SHIFTER, Clutch dog)  | нет в наличии, поставок нет | 
|  13  | 0388416 | ПереключательER Рычаг & Обойма (SHIFTER LEVER & YOKE ASSY.)  | нет в наличии, поставок нет | 
|  13  | 0386148 |    (последний код) SHIFTER LEVER                                                                     | нет в наличии, поставок нет | 
|  14  | 0308376 | Стержень Штифт переключателя Рычаг (PIVOT PIN, Shifter lever)  | нет в наличии, поставок нет | 
|  14  | 0303358 |    (последний код) PIVOT-PIN                                                                         | нет в наличии, поставок нет | 
|  15  | 0332584 | Опорная шайба Штифт (WASHER, Pivot pin)  | нет в наличии, поставок нет | 
|  16  | 0386186 | Роликовый подшипник, дляward Шестерня (ROLLER BEARING, Forward gear)  | нет в наличии, поставок нет | 
|  17  | 0338190 | Шестерня, DriveВал (PINION, Driveshaft)  | нет в наличии, поставок нет | 
|  18  | 0336296 | Нижняя упорная шайба Шестерня Подшипник (THRUST WASHER, Lower pinion bearing)  | нет в наличии, поставок нет | 
|  19  | 0388000 | THRUST Подшипник, Шестерня (THRUST BEARING, Pinion)  | нет в наличии, поставок нет | 
|  21  | 0435393 | Редуктор, BRG. & Сальник в сборе. (GEARCASE, BRG. & SEAL ASSY.)  | нет в наличии, поставок нет | 
|  21  | 0438617 |    (последний код) G-CASE AY,LESS D/S                                                                | нет в наличии, поставок нет | 
|  22  | 0386014 | Подшипник ASSEMBLY, DriveВал (BEARING ASSEMBLY, Driveshaft)  | нет в наличии, поставок нет | 
|  23  | 0318874 | Гильза, Подшипник driveВал (SLEEVE, Bearing driveshaft)  | нет в наличии, поставок нет | 
|  24  | 0321480 | Сальник, Редуктор to driveВал (SEAL, Gearcase to driveshaft)  | нет в наличии, поставок нет | 
|  24  | 0318973 |    (последний код) SEAL                                                                              | нет в наличии, поставок нет | 
|  25  | 0301877 | Уплотнительное кольцо, Втулка to Переключающая тяга (O-RING, Bushing to shift rod)  | нет в наличии, поставок нет | 
|  26  | 0304765 | Втулка, Переключающая тяга (BUSHING, Shift rod)  | нет в наличии, поставок нет | 
|  27  | 0321738 | Шайба уплотнения, Переключающая тяга (WASHER, Seal, shift rod)  | нет в наличии, поставок нет | 
|  28  | 0386071 | Подшипник в сборе., Шестерня to Редуктор (BEARING ASSY., Pinion to gearcase)  | нет в наличии, поставок нет | 
|  29  | 0338635 | Анод (ANODE)  | нет в наличии, поставок нет | 
|  30  | 0338443 | SCREEN, вход (SCREEN, Inlet)  | нет в наличии, поставок нет | 
|  31  | 0304013 | Винт, Анод (SCREW, Anode)  | нет в наличии, поставок нет | 
|  32  | 0325539 | Винт, Screen (SCREW, Screen)  | нет в наличии, поставок нет | 
|  32  | 0312270 |    (последний код) SCREW                                                                             | нет в наличии, поставок нет | 
|  33  | 0121470 | Гайка, Винт, Анод (NUT, Screw, anode)  | нет в наличии, поставок нет | 
|  34  | 0307551 | Заглушка & Шайба (PLUG & WASHER)  | нет в наличии, поставок нет | 
|  34  | 0982851 |    (последний код) SCREW-PLUG                                                                        | нет в наличии, поставок нет | 
|  35  | 0311598 | Шайба (WASHER)  | нет в наличии, поставок нет | 
|  35  | 3852105 |    (последний код) WASHER                                                                            | нет в наличии, поставок нет | 
|  36  | 0325014 | CRADLE, Сцепление dog (CRADLE, Clutch dog)  | нет в наличии, поставок нет | 
|  37  | 0327035 | Нижний пыльник водяной трубки. 15 Inch (231 мм) (GROMMET, Water tube lower. 15 Inch (231mm))  | 1 шт | 460 руб. | 
|  37  | 0302497 | Нижний пыльник водяной трубки. 20 Inch (308 мм) & SEL Models (GROMMET, Water tube lower. 20 Inch (308mm) & SEL Models)  | 2 шт | 250 руб. | 
|  38  | 0435390 | Крыльчатка HSG. & Сальник в сборе. (IMPELLER HSG. & SEAL ASSY.)  | 1 шт | 1700 руб. | 
|  38  | 0391571 |    (последний код) IMP-HSG&SEAL                                                                      | 1 шт | 1320 руб. | 
|  39  | 0318972 | Сальник, Крыльчатка hsg. to dВал. Also included in kit 394711 (SEAL, Impeller hsg. to dshaft. Also included in kit 394711)  | 2 шт | 790 руб. | 
|  41  | 0302325 | Винт, Крыльчатка Корпус to Редуктор (SCREW, Impeller housing to gearcase)  | нет в наличии, поставок нет | 
|  42  | 0318995 | Пластина корпуса крыльчатки (PLATE, Impeller housing)  | нет в наличии, поставок нет | 
|  42  | 0319988 |    (последний код) PLATE IMP HSG                                                                     | нет в наличии, поставок нет | 
|  42  | 0319988 | Пластина корпуса крыльчатки (PLATE, Impeller housing)  | нет в наличии, поставок нет | 
|  42  | 0318995 |    (последний код) PLATE-IMP-HS                                                                      | нет в наличии, поставок нет | 
|  43  | 0341590 | DRIVEВал, стандарт (DRIVESHAFT, Standard)  | нет в наличии, поставок нет | 
|  43  | 0329510 |    (последний код) DRIVESHAFT-S                                                                      | нет в наличии, поставок нет | 
|  44  | 0328522 | Шплинт, Гайка гребного винта to Вал (COTTER PIN, Propeller nut to shaft)  | 25 шт | 60 руб. | 
|  45  | 0318971 | Гайка гребного винта (NUT, Propeller)  | нет в наличии, поставок нет | 
|  46  | 0323942 | Упорная шайба, Prop. Вал, rear (THRUST WASHER, Prop. shaft, rear)  | нет в наличии, поставок нет | 
|  46  | 0318959 |    (последний код) THRUST-WASHE                                                                      | нет в наличии, поставок нет | 
|  47  | 0318992 | Переключающая тяга нижний , стандарт (SHIFT ROD LOWER, Standard)  | нет в наличии, поставок нет | 
|  48  | 0304024 | Винт, Переключающая тяга Коннектор (SCREW, Shift rod connector)  | нет в наличии, поставок нет | 
|  48  | 0323636 |    (последний код) SCREW                                                                             | нет в наличии, поставок нет | 
|  49  | 0303794 | Коннектор переключающей тяги (CONNECTOR, Shift rod)  | нет в наличии, поставок нет | 
|  50  | 0324097 | Cвыше, Крыльчатка Корпус (CUP, Impeller housing)  | 1 шт | 1440 руб. | 
|  50  | 0322087 |    (последний код) CUP                                                                               | 1 шт | 1110 руб. | 
|  50  | 0323535 | Cвыше, Крыльчатка Корпус (CUP, Impeller housing)  | нет в наличии, поставок нет | 
|  51  | 0174950 | Гребной винт, 9.5 x 10, 9.9 models. Refer to OMC SysteMatched Parts & Аксессуары Catalog для Гребной винт Chart. (PROPELLER, 9.5 x 10, 9.9 models. Refer to OMC SysteMatched Parts & Accessories Catalog for Propeller Chart.)  | нет в наличии, поставок нет | 
|  51  | 0778772 |    (последний код) PROP,AL 9.25X10                                                                   | нет в наличии, поставок нет | 
|  51  | 0398126 | Гребной винт, 10 x 7, 9.9 Sail. Refer to OMC SysteMatched Parts & Аксессуары Catalog для Гребной винт Chart. (PROPELLER, 10 x 7, 9.9 Sail. Refer to OMC SysteMatched Parts & Accessories Catalog for Propeller Chart.)  | нет в наличии, поставок нет | 
|  51  | 0763456 |    (последний код) PROP,AL 9.25 X 7                                                                  | нет в наличии, поставок нет | 
|  51  | 0174817 | Гребной винт, 9 x 11, 15 models. Refer to OMC SysteMatched Parts & Аксессуары Catalog для Гребной винт Chart. (PROPELLER, 9 x 11, 15 models. Refer to OMC SysteMatched Parts & Accessories Catalog for Propeller Chart.)  | нет в наличии, поставок нет | 
|  51  | 0778773 |    (последний код) PROP,AL 9.25X11                                                                   | нет в наличии, поставок нет | 
|  52  | 0332395 | CONVERGING Кольцо (CONVERGING RING)  | нет в наличии, поставок нет | 
|  52  | 0319484 |    (последний код) CONVERGING RING                                                                   | нет в наличии, поставок нет | 
|  53  | 0386119 | Втулка, Гребной винт (BUSHING, Propeller)  | нет в наличии, поставок нет | 
|  54  | 0334590 | Упорная втулка, Гребной винт (THRUST BUSHING, Propeller)  | нет в наличии, поставок нет | 
|  55  | 0341206 | Винт, Редуктор to Выхлоп hsg. (SCREW, Gearcase to exhaust hsg.)  | нет в наличии, поставок нет | 
|  56  | 0386084 | Крыльчатка ASSEMBLY (IMPELLER ASSEMBLY)  | нет в наличии, поставок нет | 
|  58  | 0319085 | Сальник, Крыльчатка Корпус. Also included in kit 394711 (SEAL, Impeller housing. Also included in kit 394711)  | 4 шт | 120 руб. | 
|  59  | 0301551 | Шайба, Коннектор to Переключающая тяга (WASHER, Connector to shift rod)  | нет в наличии, поставок нет | 
|  69  | 0300611 | Шпонка крыльчатки to driveВал (PIN, Impeller to driveshaft)  | нет в наличии, поставок нет | 
|   | 0 | 20 INCH (308 мм) LONG PARTS (20 INCH (308 MM)LONG PARTS)  | нет в наличии, поставок нет | 
|  0434135  | 0434135 | Удлинитель KIT в сборе.. Not Shown (EXTENSION KIT ASSY.. Not Shown)  | нет в наличии, поставок нет | 
|  43  | 0341591 | DRIVEВал, Long (DRIVESHAFT, Long)  | нет в наличии, поставок нет | 
|  43  | 0329511 |    (последний код) DRIVESHAFT                                                                        | нет в наличии, поставок нет | 
|  47  | 0319298 | Переключающая тяга, нижний , long (SHIFT ROD, Lower, long)  | нет в наличии, поставок нет | 
|  48  | 0304024 | Винт, Коннектор (SCREW, Connector)  | нет в наличии, поставок нет | 
|  48  | 0323636 |    (последний код) SCREW                                                                             | нет в наличии, поставок нет | 
|  49  | 0303794 | Коннектор переключающей тяги (CONNECTOR, Shift rod)  | нет в наличии, поставок нет | 
|  57  | 0319340 | Удлинитель, Крыльчатка Корпус to Выхлоп housi g (EXTENSION, Impeller housing to exhaust housi g)  | нет в наличии, поставок нет | 
|  58  | 0319085 | Сальник, Крыльчатка Корпус to ext.. Also included in kit 394711 (SEAL, Impeller housing to ext.. Also included in kit 394711)  | 4 шт | 120 руб. | 
|  59  | 0301551 | Шайба с блокировкой, Коннектор Винт (LOCK WASHER, Connector screw)  | нет в наличии, поставок нет | 
|  60  | 0326922 | Выхлоп Сальник, Редуктор Удлинитель (EXHAUST SEAL, Gearcase extension)  | нет в наличии, поставок нет | 
|  61  | 0341206 | Винт, Удлинитель (SCREW, Extension)  | нет в наличии, поставок нет | 
|  62  | 0331152 | Удлинитель, Редуктор (EXTENSION, Gearcase)  | нет в наличии, поставок нет | 
|  62  | 0319314 |    (последний код) GRCASE-EXT                                                                        | нет в наличии, поставок нет | 
|  67  | 0320025 | Удлинитель, Водяная трубка (EXTENSION, Water tube)  | нет в наличии, поставок нет | 
|  68  | 0202893 | Уплотнительное кольцо, Водяная трубка Удлинитель line SEL MODELS ONLY (O-RING, Water tube extension line SEL MODELS ONLY)  | нет в наличии, поставок нет | 
|  68  | 3852033 |    (последний код) O-RING                                                                            | нет в наличии, поставок нет | 
|  43  | 0341589 | DRIVEВал (DRIVESHAFT)  | нет в наличии, поставок нет | 
|  47  | 0328300 | Переключающая тяга, нижний (SHIFT ROD, Lower)  | нет в наличии, поставок нет | 
|  62  | 0395894 | Удлинитель, Редуктор (EXTENSION, Gearcase)  | нет в наличии, поставок нет | 
|  62  | 0393203 |    (последний код) GEARCASE EXT AY                                                                   | нет в наличии, поставок нет | 
|  63  | 0328301 | Гильза, Удлинитель (SLEEVE, Extension)  | нет в наличии, поставок нет | 
|  64  | 0328302 | Втулка, Удлинитель (BUSHING, Extension)  | нет в наличии, поставок нет | 
|  65  | 0319340 | Удлинитель, Exh. hsg. to Удлинитель (EXTENSION, Exh. hsg. to extension)  | нет в наличии, поставок нет | 
|  66  | 0341206 | Винт, Удлинитель to exh. hsg. (SCREW, Extension to exh. hsg.)  | нет в наличии, поставок нет | 
|  67  | 0395124 | Водяная трубка line (WATER TUBE line)  | нет в наличии, поставок нет | 
|  67  | 0328304 |    (последний код) WATER TUBE                                                                        | нет в наличии, поставок нет | 
|  70  | 0394711 | Ремкомплект водяного насоса, (Includes Крыльчатка hou ing) (WATER PUMP REPAIR KIT, (Includes impeller hou ing))  | нет в наличии, поставок нет | 
|  70  | 0393560 |    (последний код) WATERPUMP KIT                                                                     | нет в наличии, поставок нет | 
|  71  | 0389114 | Хромированный ремкомплект водяного насоса (CHROME PUMP KIT)  | нет в наличии, поставок нет | 
|  71  | 0394711 |    (последний код) REPAIR-KIT                                                                        | нет в наличии, поставок нет | 
|  72  | 0396350 | Комплект сальников редуктора (GEARCASE SEAL KIT)  | 1 шт | 5300 руб. |