вконтакте

Контактный телефон: +7 (981) 121-46-93, +7 (800) 200-90-76 , Email: parts-katalog@yandex.ru, где купить

 
 

  Логин:

Пароль:

Регистрация

www.partskatalog.ru Все каталоги Запчасти Mercury Запчасти Suzuki Запчасти Tohatsu Запчасти Honda Контакты


Все разделы каталога запчастей на этот двигатель

назад Раздел:   вперёд

вернуться к списку узлов и деталей

ДЕТАЛИРОВКА ДЛЯ МОДЕЛИ: EVINRUDE BE6DREDS 1996

MIDSECTION | MIDSECTION;


Мотор Эвинруд BE6DREDS 1996  - dsection / dsection

Номер на
рисунке
АртикулНаименованиеКол-во
на складе
Цена
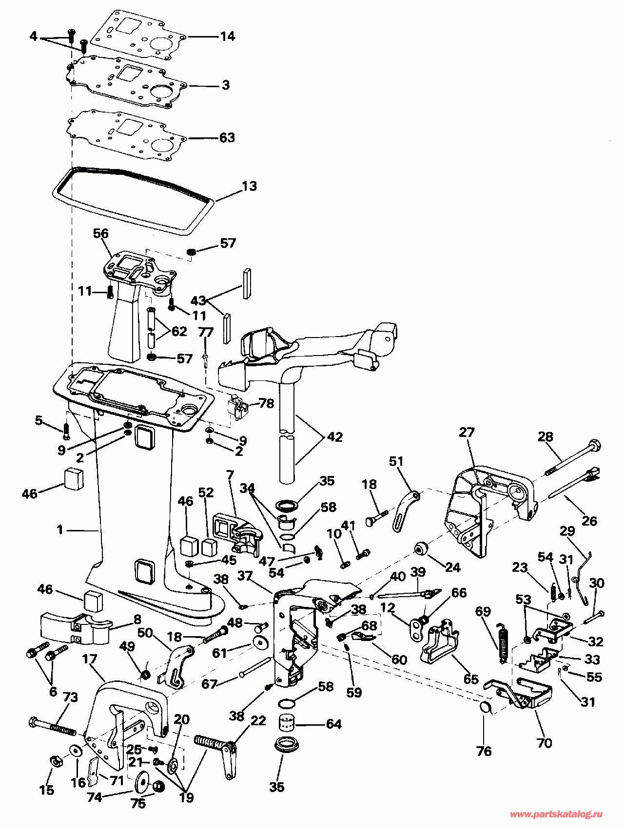
1 0335894

Удлинитель корпуса в сборе. (EXHAUST HOUSING ASSY.)

нет в наличии, поставок нет
2 0328742

Гайка, Удлинитель корпуса (NUT, Exhaust housing)

нет в наличии, поставок нет
2 0308133

   (последний код) NUT

нет в наличии, поставок нет
3 0336146

Пластина, Adapter (PLATE, Adapter)

нет в наличии, поставок нет
4 0333707

Винт, Adapter Пластина (SCREW, Adapter plate)

нет в наличии, поставок нет
5 0319358

Винт, Удлинитель корпуса to powerhead (SCREW, Exhaust housing to powerhead)

нет в наличии, поставок нет
5 0329110

   (последний код) SCREW

нет в наличии, поставок нет
6 0325115

Винт, Монтажный кронштейнs (SCREW, Mount brackets)

нет в наличии, поставок нет
6 0321483

   (последний код) SCREW CCASE CYL

нет в наличии, поставок нет
7 0324596

Нижний кронштейн Крепление, port (BRACKET, Lower mount, port)

нет в наличии, поставок нет
8 0324597

Нижний кронштейн Крепление, stbd. (BRACKET, Lower mount, stbd.)

нет в наличии, поставок нет
9 0329241

Шайба, Удлинитель корпуса (WASHER, Exhaust housing)

нет в наличии, поставок нет
9 3852193

   (последний код) WASHER

нет в наличии, поставок нет
10 0551113

Фрикционная пружина Винт (SPRING, Friction screw)

нет в наличии, поставок нет
11 0308743

Винт, Выхлоп Трубка to powerhead (SCREW, Exhaust tube to powerhead)

нет в наличии, поставок нет
11 0342422

   (последний код) SCREW

нет в наличии, поставок нет
12 0336559

Кронштейн, Цепь (BRACKET, Chain)

нет в наличии, поставок нет
13 0336187

Сальник, Удлинитель корпуса (SEAL, Exhaust housing)

нет в наличии, поставок нет
14 0336117

Прокладка, Adapter Пластина (GASKET, Adapter plate)

нет в наличии, поставок нет
15 0307160

Гайка, Tilt Болт (NUT, Tilt bolt)

нет в наличии, поставок нет
16 0312874

Пружинная шайба, Tilt Болт Гайка (SPRING WASHER, Tilt bolt nut)

нет в наличии, поставок нет
17 0335892

Кронштейн транца в сборе., Stbd. (STERN BRACKET ASSY., Stbd.)

нет в наличии, поставок нет
18 0328895

Винт, Tilt lock (SCREW, Tilt lock)

нет в наличии, поставок нет
19 0433675

Винт струбцины - комплект (CLAMP SCREW KIT)

нет в наличии, поставок нет
19 0433674

   (последний код) KIT AY,CLAMPSCREW

нет в наличии, поставок нет
19 0391421

Винт струбцины - комплект, S.S.. Accessory (CLAMP SCREW KIT, S.S.. Accessory)

нет в наличии, поставок нет
19 0389959

   (последний код) CLAMPSCREW

нет в наличии, поставок нет
20 0337017

Пластина, Swivel (PLATE, Swivel)

нет в наличии, поставок нет
20 0307561

   (последний код) SWIVEL PLATE

нет в наличии, поставок нет
21 0321922

Винт (SCREW)

нет в наличии, поставок нет
22 0398001

HANDLE & Заклёпка в сборе. (HANDLE & RIVET ASSY.)

нет в наличии, поставок нет
23 0202021

Пружина, Соединитель to shallow water drive (SPRING, Link to shallow water drive)

нет в наличии, поставок нет
24 0301983

Шайба, Conical (WASHER, Conical)

нет в наличии, поставок нет
25 0901889

Винт, Кронштейн транцаs (SCREW, Stern brackets)

нет в наличии, поставок нет
25 0303396

   (последний код) SCREW

нет в наличии, поставок нет
26 0432453

Штифт & Ручка в сборе. (PIN & KNOB ASSY.)

нет в наличии, поставок нет
26 0390441

   (последний код) KNOB&TILT-PI

нет в наличии, поставок нет
27 0335891

STERN BRKT. в сборе., Port (STERN BRKT. ASSY., Port)

нет в наличии, поставок нет
28 0336158

Болт, Tilt (BOLT, Tilt)

нет в наличии, поставок нет
29 0324588

Соединитель, Блокировка задней передачи Штифт to Рычаг (LINK, Reverse lock pin to lever)

нет в наличии, поставок нет
30 0324582

Штифт тяги to locking Рычаг (PIN, Link to locking lever)

нет в наличии, поставок нет
31 0305650

Шплинт, Tilt Штифт (COTTER PIN, Tilt pin)

нет в наличии, поставок нет
31 3852052

   (последний код) PIN,COTTER

нет в наличии, поставок нет
32 0324580

Соединитель, Рычаг блокировки задней передачи, (Except 6-8 Sail) (LINK, Reverse lock lever, (Except 6-8 Sail))

нет в наличии, поставок нет
33 0324581

Рычаг, Блокировка задней передачиing, (Except 6-8 Sail) (LEVER, Reverse locking, (Except 6-8 Sail))

нет в наличии, поставок нет
34 0392319

Фрикционный диск, PAD & Втулка в сборе. (FRICTION PLATE, PAD & BUSHING ASSY.)

нет в наличии, поставок нет
34 0324575

   (последний код) FRICTION PLATE

нет в наличии, поставок нет
35 0324576

Упорная шайба, Сальник & Стержень Трубка (WASHER, Thrust, seal & pivot tube)

нет в наличии, поставок нет
37 0434024

Поворотный кронштейн в сборе. (SWIVEL BRACKET ASSY.)

нет в наличии, поставок нет
37 0394568

   (последний код) BRACKET-AY

нет в наличии, поставок нет
38 0313607

FITTING, Lube (FITTING, Lube)

нет в наличии, поставок нет
38 3852121

   (последний код) FITTING,LUB

нет в наличии, поставок нет
39 0433896

Ручка & Вал в сборе. (KNOB & SHAFT ASSY.)

нет в наличии, поставок нет
39 0394567

   (последний код) KNOB & SHAFT AY

нет в наличии, поставок нет
40 0202893

Уплотнительное кольцо, Ручка & Вал (O-RING, Knob & shaft)

нет в наличии, поставок нет
40 3852033

   (последний код) O-RING

нет в наличии, поставок нет
41 0324603

Винт, Рулевая система friction (SCREW, Steering friction)

нет в наличии, поставок нет
41 0329759

   (последний код) WING-SCREW

нет в наличии, поставок нет
42 0434032

Кронштейн рулевого управления (STEERING BRACKET)

нет в наличии, поставок нет
43 0336252

Монтажная резинка, Кронштейн рулевого управления, (Except 6-8 S il) (RUBBER MOUNT, Steering bracket, (Except 6-8 S il))

нет в наличии, поставок нет
45 0552360

Пыльник, Переключающая тяга (GROMMET, Shift rod)

нет в наличии, поставок нет
46 0318997

Монтажная резинка (RUBBER MOUNT)

нет в наличии, поставок нет
46 0326278

Монтажная резинка, 6-8 Sail only (RUBBER MOUNT, 6-8 Sail only)

нет в наличии, поставок нет
47 0333774

Зажим (CLIP)

нет в наличии, поставок нет
48 0329531

Штифт, Tilt Соединитель (PIN, Tilt link)

нет в наличии, поставок нет
48 0305878

   (последний код) PIN

нет в наличии, поставок нет
49 0329002

Пружина фиксатора наклона Соединитель (SPRING, Tilt lock link)

нет в наличии, поставок нет
50 0328999

Соединитель, Tilt lock, stbd. (LINK, Tilt lock, stbd.)

нет в наличии, поставок нет
51 0328998

Соединитель, Tilt stop, port (LINK, Tilt stop, port)

нет в наличии, поставок нет
52 0326302

THRUST Крепление нижнее (THRUST MOUNT, Lower)

нет в наличии, поставок нет
52 0324968

   (последний код) THRUST MOUNT

нет в наличии, поставок нет
53 0321738

Шайба, Проставка системы движения по мелководью, 6-8 Sail (WASHER, Spacer, shallow water drive, 6-8 Sail)

нет в наличии, поставок нет
54 0303887

Шайба, Штифт to Поворотный кронштейн (WASHER, Pin to swivel bracket)

нет в наличии, поставок нет
55 0303715

Шайба, Штифт тяги to locking Рычаг (WASHER, Pin, link to locking lever)

нет в наличии, поставок нет
56 0336273

Выхлоп Трубка внутри (EXHAUST TUBE, Inner)

нет в наличии, поставок нет
57 0335963

Пыльник водяной трубки (GROMMET, Water tube)

нет в наличии, поставок нет
58 0554545

Уплотнительное кольцо, Поворотный кронштейн (O-RING, Swivel bracket)

нет в наличии, поставок нет
59 0324967

Винт, Рычаг, rev. lock release (SCREW, Lever, rev. lock release)

нет в наличии, поставок нет
60 0324584

Проставка, Блокировка задней передачи release (SPACER, Reverse lock release)

нет в наличии, поставок нет
61 0304278

Шайба, Кронштейн, stbd. (WASHER, Bracket, stbd.)

нет в наличии, поставок нет
61 0319313

   (последний код) WASHER

нет в наличии, поставок нет
62 0336125

Водяная трубка, Std. (WATER TUBE, Std.)

нет в наличии, поставок нет
62 0336124

Водяная трубка, Long (WATER TUBE, Long)

нет в наличии, поставок нет
62 0336126

Водяная трубка, X-long, 8 Sail only (WATER TUBE, X-long, 8 Sail only)

нет в наличии, поставок нет
63 0336115

Прокладка выпускной системы Корпус (GASKET, Exhaust housing)

нет в наличии, поставок нет
64 0334360

Втулка, нижний , Поворотный кронштейн (BUSHING, Lower, swivel bracket)

нет в наличии, поставок нет
64 0324573

   (последний код) BUSHING

нет в наличии, поставок нет
65 0394907

Ручка для переноски и Пружина (CARRYING HANDLE AND SPRING)

нет в наличии, поставок нет
65 0325204

   (последний код) TORSION-SPRI

нет в наличии, поставок нет
66 0330250

Пружина, Ручка для переноски (SPRING, Carrying handle)

нет в наличии, поставок нет
67 0324583

Штифт, Блокировка задней передачи (PIN, Reverse lock)

нет в наличии, поставок нет
68 0324586

Рычаг, Блокировка задней передачи release (LEVER, Reverse lock release)

нет в наличии, поставок нет
69 0324591

Пружина блокировки задней передачи (SPRING, Reverse lock)

нет в наличии, поставок нет
70 0391317

Соединитель, Shallow water drive, (Except 6-8 Sail) (LINK, Shallow water drive, (Except 6-8 Sail))

нет в наличии, поставок нет
70 0389565

   (последний код) LINK

нет в наличии, поставок нет
70 0392180

Соединитель & Рычаг в сборе., 6-8 Sail (LINK & LEVER ASSY., 6-8 Sail)

нет в наличии, поставок нет
71 0330062

Проставка, Auxiliary motor Кронштейн, 6-8 Sail (SPACER, Auxiliary motor bracket, 6-8 Sail)

нет в наличии, поставок нет
73 0334427

Винт, 6-8 Sail models (SCREW, 6-8 Sail models)

нет в наличии, поставок нет
73 0318512

   (последний код) SCREW

нет в наличии, поставок нет
74 0315776

Шайба, 6-8 Sail models (WASHER, 6-8 Sail models)

нет в наличии, поставок нет
75 0310702

LOCKГайка, 6-8 Sail models (LOCKNUT, 6-8 Sail models)

нет в наличии, поставок нет
76 0324355

Пружина системы движения по мелководью, (Except 6-8 Sail (SPRING, Shallow water drive, (Except 6-8 Sail)

нет в наличии, поставок нет
77 0122147

Винт, Trunnion (SCREW, Trunnion)

нет в наличии, поставок нет
77 3852006

   (последний код) SCREW

нет в наличии, поставок нет
78 0336464

TRUNNION, Тросик переключения (TRUNNION, Shift cable)

нет в наличии, поставок нет
evinrude

Время выполнения запроса 1.6429471969604 сек.


 
 

данный сайт носит информационный характер и не является публичной офертой

склад запчастей для водомоторной техники