вконтакте

Контактный телефон: +7 (981) 121-46-93, +7 (800) 200-90-76 , Email: parts-katalog@yandex.ru, где купить

 
 

  Логин:

Пароль:

Регистрация

www.partskatalog.ru Все каталоги Запчасти Mercury Запчасти Suzuki Запчасти Tohatsu Запчасти Honda Контакты


Все разделы каталога запчастей на этот двигатель

назад Раздел:   вперёд

вернуться к списку узлов и деталей

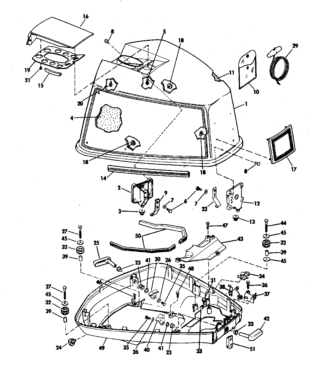
ДЕТАЛИРОВКА ДЛЯ МОДЕЛИ: EVINRUDE E150WTLETS 1993

КРЫШКА ДВИГАТЕЛЯ (КАПОТ) - JOHNSON | ENGINE COVER - JOHNSON;


Подвесной лодочный мотор Evinrude E150WTLETS 1993  - Johnson - Johnson

Номер на
рисунке
АртикулНаименованиеКол-во
на складе
Цена
1 0435951

Крышка двигателя (капот) в сборе. (ENGINE COVER ASSY.)

нет в наличии, поставок нет
2 0335927

SOUND BLANKET, Front (SOUND BLANKET, Front)

нет в наличии, поставок нет
2 0341486

   (последний код) BLANKET,SOUND

нет в наличии, поставок нет
3 0335928

SOUND BLANKET, Rear (SOUND BLANKET, Rear)

нет в наличии, поставок нет
3 0341487

   (последний код) BLANKET,SOUND

нет в наличии, поставок нет
4 0328724

Винт, Крючок (SCREW, Hook)

нет в наличии, поставок нет
4 3852186

   (последний код) SCREW

нет в наличии, поставок нет
5 0335929

SOUND BLANKET, Side (SOUND BLANKET, Side)

нет в наличии, поставок нет
5 0341488

   (последний код) BLANKET,SOUND

нет в наличии, поставок нет
6 0335843

Сальник (SEAL)

нет в наличии, поставок нет
7 0435445

Крючок AY. (HOOK AY.)

нет в наличии, поставок нет
7 0433513

   (последний код) HOOK-AY,LCT-BRK

нет в наличии, поставок нет
8 0335930

SOUND BLANKET, Top (SOUND BLANKET, Top)

нет в наличии, поставок нет
8 0341490

   (последний код) BLANKET,SOUND

нет в наличии, поставок нет
9 0333744

APPLIQUE, Side (APPLIQUE, Side)

нет в наличии, поставок нет
10 0333745

APPLIQUE, Rear (APPLIQUE, Rear)

нет в наличии, поставок нет
11 0333746

APPLIQUE, Front (APPLIQUE, Front)

нет в наличии, поставок нет
12 0435391

LOCATING Кронштейн (LOCATING BRACKET)

нет в наличии, поставок нет
13 0436322

Комплект наклеек (DECAL SET)

нет в наличии, поставок нет
14 0431929

ADHESIVE KIT, Locating Brkts. (ADHESIVE KIT, Locating Brkts.)

нет в наличии, поставок нет
evinrude

Время выполнения запроса 1.0368590354919 сек.


 
 

данный сайт носит информационный характер и не является публичной офертой

склад запчастей для водомоторной техники