вконтакте

Контактный телефон: +7 (981) 121-46-93, +7 (800) 200-90-76 , Email: parts-katalog@yandex.ru, где купить

 
 

  Логин:

Пароль:

Регистрация

www.partskatalog.ru Все каталоги Запчасти Mercury Запчасти Suzuki Запчасти Tohatsu Запчасти Honda Контакты



УВАЖАЕМЫЕ КЛИЕНТЫ!
C 19 ДЕКАБРЯ 2025 ПО 02 МАРТА 2026 ГОДА ОТДЕЛ ЗАПЧАСТЕЙ И СЕРВИС РАБОТАТЬ НЕ БУДУТ
ПРОДАЖА ЛОДОЧНЫХ МОТОРОВ В ШТАТНОМ РЕЖИМЕ
ОБ ИЗМЕНЕНИЯХ В ГРАФИКЕ РАБОТЫ ЧИТАЙТЕ НА САЙТА




Все разделы каталога запчастей на этот двигатель

Раздел:   вперёд

вернуться к списку узлов и деталей

ДЕТАЛИРОВКА ДЛЯ МОДЕЛИ: EVINRUDE E10RLETM 1993

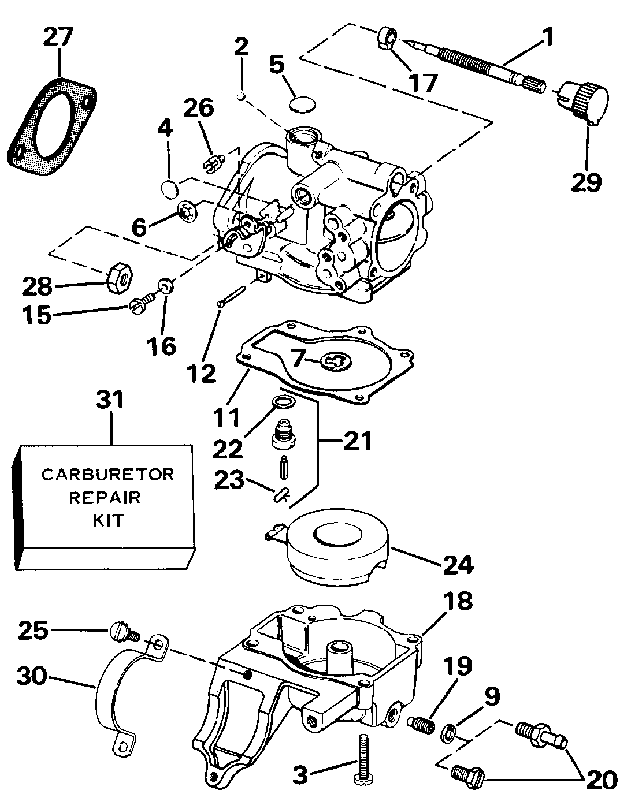
КАРБЮРАТОР | CARBURETOR;


Подвесной двигатель EVINRUDE E10RLETM 1993  - rburetor - rburetor

Номер на
рисунке
АртикулНаименованиеКол-во
на складе
Цена
0435222 0435222

Карбюратор в сборе.. SEL Models Only Not Shown (CARBURETOR ASSY.. SEL Models Only Not Shown)

нет в наличии, поставок нет
0435222 0436778

   (последний код) CARB AY,9.9HP

нет в наличии, поставок нет
0435221 0435221

Карбюратор в сборе.. 9.9 Models Only Not Shown (CARBURETOR ASSY.. 9.9 Models Only Not Shown)

нет в наличии, поставок нет
0435221 0436778

   (последний код) CARB AY,9.9HP

нет в наличии, поставок нет
0435220 0435220

Карбюратор в сборе.. 15 Models Only Early PТягаuction with 435220 or 435224 STamped on I.D. Tag Not Shown (CARBURETOR ASSY.. 15 Models Only Early Production with 435220 or 435224 STamped on I.D. Tag Not Shown)

нет в наличии, поставок нет
0435220 0439129

   (последний код) CARB AY,15HP ROPE

нет в наличии, поставок нет
0436735 0436735

Карбюратор в сборе.. 15 Models Only Late PТягаuction with 436735 or 436736 Stamped on I.D. Tag Not Shown (CARBURETOR ASSY.. 15 Models Only Late Production with 436735 or 436736 Stamped on I.D. Tag Not Shown)

нет в наличии, поставок нет
0436735 0439129

   (последний код) CARB AY,15HP ROPE

нет в наличии, поставок нет
0435224 0435224

Карбюратор в сборе.. 15REL Early PТягаuction with 435220 or 435224 STamped on I.D. Tag Not Shown (CARBURETOR ASSY.. 15REL Early Production with 435220 or 435224 STamped on I.D. Tag Not Shown)

нет в наличии, поставок нет
0435224 0439128

   (последний код) CARB AY,15HP REMOT

нет в наличии, поставок нет
0436736 0436736

Карбюратор в сборе.. 15REL Late PТягаuction with 436735 or 436736 Stamped on I.D. Tag Not Shown (CARBURETOR ASSY.. 15REL Late Production with 436735 or 436736 Stamped on I.D. Tag Not Shown)

нет в наличии, поставок нет
0436736 0439128

   (последний код) CARB AY,15HP REMOT

нет в наличии, поставок нет
0435223 0435223

Карбюратор в сборе.. 10REL Not Shown (CARBURETOR ASSY.. 10REL Not Shown)

нет в наличии, поставок нет
0435223 0436779

   (последний код) CARB 9.9 ELECT

нет в наличии, поставок нет
1 0330346

Винт, Adjustment (SCREW, Adjustment)

1 шт710 руб.
1 0324393

   (последний код) SCREW

нет в наличии, поставок нет
2 0337807

Пружина, Игольчатый клапан (SPRING, Needle valve)

нет в наличии, поставок нет
3 0323328

Ролик (ROLLER)

1 шт620 руб.
4 0321117

Уплотнительное кольцо, Cam folнижний (O-RING, Cam follower)

5 шт100 руб.
4 3852165

   (последний код) O-RING

5 шт80 руб.
5 0323327

Рычаг (LEVER)

нет в наличии, поставок нет
6 0303630

Шайба, Сливной винт (WASHER, Screw plug)

нет в наличии, поставок нет
7 0334235

Соединитель, Folнижний (LINK, Follower)

нет в наличии, поставок нет
8 0338882

Прокладка, Bowl (GASKET, Bowl)

нет в наличии, поставок нет
8 0333346

   (последний код) GASKET

нет в наличии, поставок нет
9 0333695

SCREEN, Vent (SCREEN, Vent)

нет в наличии, поставок нет
9 0309949

   (последний код) SCREEN

нет в наличии, поставок нет
10 0436316

Крышка, Carb. Корпус (COVER, Carb. body)

нет в наличии, поставок нет
11 0334043

Прокладка крышки. SEL Models Only 9.9 Models Only 10REL (GASKET, Cover. SEL Models Only 9.9 Models Only 10REL)

нет в наличии, поставок нет
11 0331750

   (последний код) GASKET-CARB

нет в наличии, поставок нет
11 0339991

Прокладка крышки. 15 Models Only 15REL (GASKET, Cover. 15 Models Only 15REL)

нет в наличии, поставок нет
11 0340616

   (последний код) GASKET

нет в наличии, поставок нет
12 0908045

Винт, Поплавковая камера & Крышка (SCREW, Float chamber & cover)

нет в наличии, поставок нет
13 0330057

Винт заглушки (SCREW, Plug)

нет в наличии, поставок нет
14 0317477

Шайба, Idle passage (WASHER, Idle passage)

нет в наличии, поставок нет
15 0339218

Игольчатый клапан, Slow speed (NEEDLE VALVE, Slow speed)

нет в наличии, поставок нет
16 0339321

Поплавковая камера (FLOAT CHAMBER)

нет в наличии, поставок нет
17 0330055

Сливной винт, Idle passage (SCREW PLUG, Idle passage)

нет в наличии, поставок нет
19 0302661

HINGE Стопор поплавка (HINGE PIN, Float)

нет в наличии, поставок нет
20 0396522

Клапан поплавка & Седло в сборе. (FLOAT VALVE & SEAT ASSY.)

нет в наличии, поставок нет
20 0382889

   (последний код) FLOAT-VALVE

нет в наличии, поставок нет
21 0301996

Шайба (WASHER)

1 шт140 руб.
22 0336842

Пружина Зажим (SPRING CLIP)

нет в наличии, поставок нет
22 0603145

   (последний код) CLIP

нет в наличии, поставок нет
23 0324698

HIGH SPEED ORIFICE, № 37. SEL Models Only 9.9 Models Only 10REL (HIGH SPEED ORIFICE, No. 37. SEL Models Only 9.9 Models Only 10REL)

нет в наличии, поставок нет
23 0328526

HIGH SPEED ORIFICE, № 66. 15 Models Only 15REL Early PТягаuction with 435220 or 435224 STamped on I.D. Tag (HIGH SPEED ORIFICE, No. 66. 15 Models Only 15REL Early Production with 435220 or 435224 STamped on I.D. Tag)

нет в наличии, поставок нет
23 0326500

HIGH SPEED ORIFICE, № 48. 15 Models Only 15REL Late PТягаuction with 436735 or 436736 Stamped on I.D. Tag (HIGH SPEED ORIFICE, No. 48. 15 Models Only 15REL Late Production with 436735 or 436736 Stamped on I.D. Tag)

нет в наличии, поставок нет
24 0396514

Поплавок в сборе. (FLOAT ASSY.)

нет в наличии, поставок нет
24 0386149

   (последний код) FLOAT&ARM AY

нет в наличии, поставок нет
25 0336567

FLEX Трубка. Early PТягаuction with 435220 or 435224 STamped on I.D. Tag (FLEX TUBE. Early Production with 435220 or 435224 STamped on I.D. Tag)

нет в наличии, поставок нет
25 0331740

   (последний код) FLEXIBLE-TUB

нет в наличии, поставок нет
26 0338883

Прокладка, верхний (GASKET, Upper)

нет в наличии, поставок нет
26 0333347

   (последний код) GASKET

нет в наличии, поставок нет
27 0397189

NOZZLE WELL. Early PТягаuction with 435220 or 435224 STamped on I.D. Tag (NOZZLE WELL. Early Production with 435220 or 435224 STamped on I.D. Tag)

нет в наличии, поставок нет
27 0436666

NOZZLE WELL. Late PТягаuction with 436735 or 436736 Stamped on I.D. Tag (NOZZLE WELL. Late Production with 436735 or 436736 Stamped on I.D. Tag)

нет в наличии, поставок нет
28 0333348

Прокладка, нижний (GASKET, Lower)

нет в наличии, поставок нет
28 0331753

   (последний код) GASKET-NOZZL

нет в наличии, поставок нет
29 0330284

Винт. SEL Models Only 9.9 Models Only 15 Models Only (SCREW. SEL Models Only 9.9 Models Only 15 Models Only)

нет в наличии, поставок нет
30 0330285

Зажим. SEL Models Only 9.9 Models Only 15 Models Only (CLIP. SEL Models Only 9.9 Models Only 15 Models Only)

нет в наличии, поставок нет
30 0310942

   (последний код) CLIP

нет в наличии, поставок нет
31 0311511

Штифт, Choke Рычаг. SEL Models Only 9.9 Models Only 15 Models Only (PIN, Choke lever. SEL Models Only 9.9 Models Only 15 Models Only)

нет в наличии, поставок нет
31 0322963

   (последний код) PIN

нет в наличии, поставок нет
32 0327227

Колпачок, Primer Ниппель. SEL Models Only 9.9 Models Only 15 Models Only (CAP, Primer nipple. SEL Models Only 9.9 Models Only 15 Models Only)

нет в наличии, поставок нет
33 0436296

AIR Глушитель (AIR SILENCER)

нет в наличии, поставок нет
33 0338204

   (последний код) SILENCER,AIR

нет в наличии, поставок нет
34 0331758

Воздушный винт Глушитель (SCREW, Air silencer)

нет в наличии, поставок нет
35 0339192

Сальник, Air Глушитель to carb. (SEAL, Air silencer to carb.)

нет в наличии, поставок нет
36 0316337

Заглушка, Air Глушитель (PLUG, Air silencer)

нет в наличии, поставок нет
37 0328739

Шайба, Винт (WASHER, Screw)

нет в наличии, поставок нет
37 3852190

   (последний код) WASHER

нет в наличии, поставок нет
38 0338282

Прокладка (GASKET)

нет в наличии, поставок нет
39 0328742

Гайка, Carb. mtg. (NUT, Carb. mtg.)

нет в наличии, поставок нет
39 0308133

   (последний код) NUT

нет в наличии, поставок нет
40 0436359

Ремкомплект карбюратора (CARBURETOR REPAIR KIT)

нет в наличии, поставок нет
40 0439073

   (последний код) KIT AY,CARB REPAIR

нет в наличии, поставок нет
evinrude

Время выполнения запроса 3.0042569637299 сек.


 
 

данный сайт носит информационный характер и не является публичной офертой

склад запчастей для водомоторной техники