Номер на рисунке | Артикул | Наименование | Кол-во на складе | Цена |
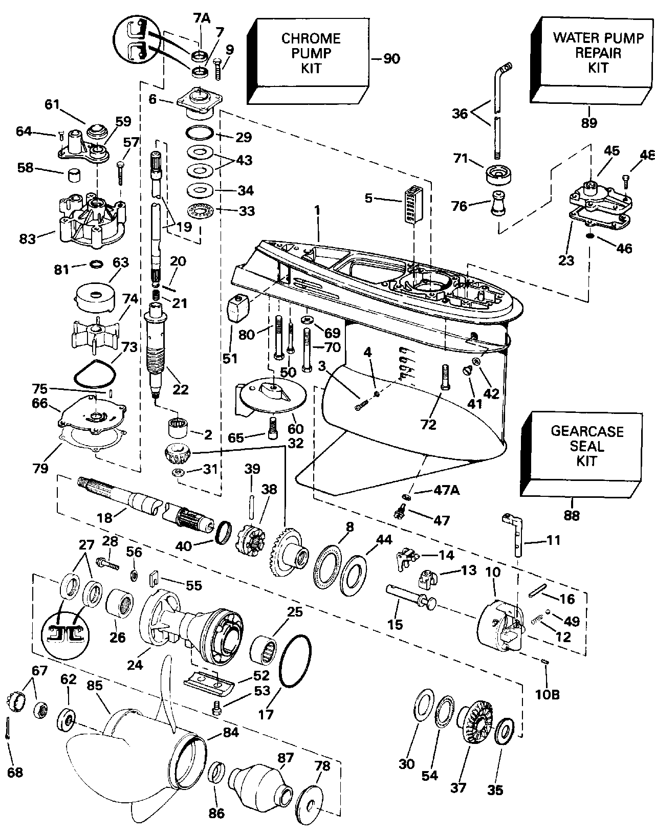
| 0435510 | 0435510 | Редуктор в сборе., комплект. Replaced by 435475 gcase & 435765 верхний Корпус вала передачи ay и if requiкрасный 329864 Переключающая тяга. (GEARCASE ASSY., Complete. Replaced by 435475 gcase & 435765 upper drive shaft ay and if required 329864 shift rod.) | нет в наличии, поставок нет |
| 0435511 | 0435511 | Редуктор в сборе., комплект. Replaced by 435475 gcase & 435766 верхний Корпус вала передачи ay и if requiкрасный 329865 Переключающая тяга. (GEARCASE ASSY., Complete. Replaced by 435475 gcase & 435766 upper drive shaft ay and if required 329865 shift rod.) | нет в наличии, поставок нет |
| 1 | 0431695 | Редуктор в сборе с подшипником. (GEARCASE & BEARING ASSY.) | нет в наличии, поставок нет |
| 1 | 0439973 | (последний код) CALL TECH SVC/QIPL | нет в наличии, поставок нет |
| 2 | 0387817 | Подшипник, Шестерня (BEARING, Pinion) | нет в наличии, поставок нет |
| 3 | 0324852 | Установочный винт & Сальник, Подшипник (SET SCREW & SEAL, Bearing) | нет в наличии, поставок нет |
| 4 | 0332584 | Сальник (SEAL) | нет в наличии, поставок нет |
| 5 | 0321123 | Водяной экран Система впуска (SCREEN, Water intake) | нет в наличии, поставок нет |
| 6 | 0397493 | Подшипник Корпус & Сальник (BEARING HOUSING & SEAL) | нет в наличии, поставок нет |
| 6 | 0439476 | (последний код) DS BRG HSG&SEAL AY | нет в наличии, поставок нет |
| 7 | 0329923 | Сальник, DriveВал, нижний (SEAL, Driveshaft, lower) | нет в наличии, поставок нет |
| 7A | 0329922 | Сальник, DriveВал, верхний (SEAL, Driveshaft, upper) | нет в наличии, поставок нет |
| 8 | 0389042 | THRUST BRG. в сборе., Fwd. Шестерня (THRUST BRG. ASSY., Fwd. gear) | нет в наличии, поставок нет |
| 9 | 0317624 | Винт, Корпус to Редуктор (SCREW, Housing to gearcase) | нет в наличии, поставок нет |
| 10 | 0389455 | Корпус & Подшипник в сборе. (HOUSING & BEARING ASSY.) | нет в наличии, поставок нет |
| 10B | 0331880 | Штифт, Корпус (PIN, Housing) | нет в наличии, поставок нет |
| 11 | 0323946 | DETENT, Переключательer (DETENT, Shifter) | нет в наличии, поставок нет |
| 11 | 0915954 | (последний код) DETENT | нет в наличии, поставок нет |
| 12 | 0911962 | Фиксатор пружины (SPRING, Detent) | нет в наличии, поставок нет |
| 12 | 0915955 | (последний код) SPRING | нет в наличии, поставок нет |
| 13 | 0334163 | CRADLE, Переключательer (CRADLE, Shifter) | 5 шт | 1880 руб. |
| 13 | 0322900 | (последний код) CRADLE-SHIFT | нет в наличии, поставок нет |
| 14 | 0322938 | ПереключательER (SHIFTER) | нет в наличии, поставок нет |
| 15 | 0322941 | Вал (SHAFT) | нет в наличии, поставок нет |
| 16 | 0328825 | Штифт, Рычаг переключения (PIN, Shift lever) | нет в наличии, поставок нет |
| 17 | 0305123 | Уплотнительное кольцо, Вал гребного винта (O-RING, Propeller shaft) | нет в наличии, поставок нет |
| 17 | 0321119 | (последний код) O-RING,-DLR | нет в наличии, поставок нет |
| 18 | 0433017 | Вал гребного винта в сборе., (PROPELLER SHAFT ASSY.,) | нет в наличии, поставок нет |
| 18 | 5004765 | (последний код) PROPSHAFT AY,SERV | нет в наличии, поставок нет |
| 19 | 0337058 | DRIVEВал, верхний 20 дюйм (508 мм) Transom Models Only (DRIVESHAFT, Upper. 20 in. (508mm) Transom Models Only) | нет в наличии, поставок нет |
| 19 | 5007671 | (последний код) UPPER D/S KIT 20" | нет в наличии, поставок нет |
| 19 | 0337059 | DRIVEВал, верхний 25 дюйм (635 мм) Transom Models Only (DRIVESHAFT, Upper. 25 in. (635mm) Transom Models Only) | нет в наличии, поставок нет |
| 19 | 5007672 | (последний код) KIT,UPPER D/S-25" | нет в наличии, поставок нет |
| 20 | 0311538 | ROLL Штифт, DriveВал (ROLL PIN, Driveshaft) | нет в наличии, поставок нет |
| 21 | 0335684 | Пружина, DriveВал (SPRING, Driveshaft) | нет в наличии, поставок нет |
| 22 | 0335677 | DRIVEВал, нижний (DRIVESHAFT, Lower) | нет в наличии, поставок нет |
| 22 | 0345905 | (последний код) DRIVESHAFT,LOWER | нет в наличии, поставок нет |
| 23 | 0324670 | Прокладка, Переключающая тяга Крышка (GASKET, Shift rod cover) | нет в наличии, поставок нет |
| 23 | 0352165 | (последний код) GASKET | 2 шт | 550 руб. |
| 24 | 0434400 | Подшипник HSG. Сальник в сборе. (BEARING HSG. SEAL ASSY.) | нет в наличии, поставок нет |
| 24 | 5004257 | (последний код) HSG AY, PROPSHAFT | нет в наличии, поставок нет |
| 25 | 0382407 | Игольчатый подшипник в сборе. (NEEDLE BEARING ASSY.) | 1 шт | 5500 руб. |
| 26 | 0434467 | Игольчатый подшипник в сборе. (NEEDLE BEARING ASSY.) | нет в наличии, поставок нет |
| 27 | 0334950 | Сальник (SEAL) | нет в наличии, поставок нет |
| 28 | 0333955 | Винт (SCREW) | нет в наличии, поставок нет |
| 28 | 0350271 | (последний код) SCREW, BRG CARRIER | нет в наличии, поставок нет |
| 29 | 0314728 | Уплотнительное кольцо, DriveВал Подшипник (O-RING, Driveshaft bearing) | нет в наличии, поставок нет |
| 29 | 0354731 | (последний код) O-RING | 1 шт | 850 руб. |
| 30 | 0314731 | THRUST Шайба шестерни заднего хода (THRUST WASHER, Reverse gear) | нет в наличии, поставок нет |
| 31 | 0314730 | Гайка, Шестерня to driveВал (NUT, Pinion to driveshaft) | нет в наличии, поставок нет |
| 32 | 0434026 | Шестерня & Комплект шестерёнок., (GEAR & PINION ASSY.,) | нет в наличии, поставок нет |
| 32 | 5004938 | (последний код) GEARSET,V6 FWD&PIN | нет в наличии, поставок нет |
| 33 | 0387656 | THRUST Подшипник, Шестерня (THRUST BEARING, Pinion) | нет в наличии, поставок нет |
| 33 | 0383248 | (последний код) BEARING | нет в наличии, поставок нет |
| 34 | 0327656 | Упорная шайба шестерни Шестерня (THRUST WASHER, Pinion) | нет в наличии, поставок нет |
| 34 | 0314729 | (последний код) THRUST-WASHE | нет в наличии, поставок нет |
| 35 | 0336565 | Упорная шайба (THRUST WASHER) | нет в наличии, поставок нет |
| 36 | 0329864 | Переключающая тяга. 20 дюйм (508 мм) Transom Models Only (SHIFT ROD. 20 in. (508mm) Transom Models Only) | нет в наличии, поставок нет |
| 36 | 0329865 | Переключающая тяга. 25 дюйм (635 мм) Transom Models Only (SHIFT ROD. 25 in. (635mm) Transom Models Only) | нет в наличии, поставок нет |
| 37 | 0336561 | Шестерня обратного хода (GEAR, Reverse) | нет в наличии, поставок нет |
| 38 | 0336562 | Переключатель собачки сцепления (SHIFTER, Clutch dog) | нет в наличии, поставок нет |
| 38 | 0337774 | (последний код) SHIFTER,CLUTCH DOG | нет в наличии, поставок нет |
| 39 | 0313448 | Штифт сцепления dog (PIN, Clutch dog) | нет в наличии, поставок нет |
| 40 | 0324369 | Пружина, Сцепление dog Штифт (SPRING, Clutch dog pin) | нет в наличии, поставок нет |
| 40 | 0313454 | (последний код) SPRING | нет в наличии, поставок нет |
| 41 | 0318544 | Заглушка, Fill & drain (PLUG, Fill & drain) | нет в наличии, поставок нет |
| 41 | 0912624 | (последний код) SCREW | нет в наличии, поставок нет |
| 42 | 0333572 | Уплотнительное кольцо (O-RING) | нет в наличии, поставок нет |
| 42 | 3855081 | (последний код) 0-RING | нет в наличии, поставок нет |
| 43 | 0323362 | Регулировочная шайба, 0.003" (SHIM, 0.003") | нет в наличии, поставок нет |
| 43 | 0323361 | Регулировочная шайба, 0.004" (SHIM, 0.004") | нет в наличии, поставок нет |
| 43 | 0314745 | Регулировочная шайба, 0.005" (SHIM, 0.005") | нет в наличии, поставок нет |
| 44 | 0327669 | Упорная шайба, Fwd. Шестерня (THRUST WASHER, Fwd. gear) | нет в наличии, поставок нет |
| 44 | 0324805 | (последний код) THRUST-WASHE | нет в наличии, поставок нет |
| 45 | 0388618 | Крышка & Сальник в сборе. (COVER & SEAL ASSY.) | нет в наличии, поставок нет |
| 45 | 5006241 | (последний код) COVER AY,SHIFT ROD | нет в наличии, поставок нет |
| 46 | 0318372 | Уплотнительное кольцо, Переключающая тяга (O-RING, Shift rod) | нет в наличии, поставок нет |
| 47 | 0318544 | Винт дренажный & fill (SCREW, Drain & fill) | нет в наличии, поставок нет |
| 47 | 0912624 | (последний код) SCREW | нет в наличии, поставок нет |
| 47A | 0333572 | Уплотнительное кольцо (O-RING) | нет в наличии, поставок нет |
| 47A | 3855081 | (последний код) 0-RING | нет в наличии, поставок нет |
| 48 | 0302325 | Винт, Крышка (SCREW, Cover) | нет в наличии, поставок нет |
| 49 | 0160084 | Шарик, Detent (BALL, Detent) | нет в наличии, поставок нет |
| 49 | 3852023 | (последний код) BALL | нет в наличии, поставок нет |
| 50 | 0328096 | Винт, Анод (SCREW, Anode) | нет в наличии, поставок нет |
| 50 | 0327046 | (последний код) SCREW | нет в наличии, поставок нет |
| 51 | 0393023 | Анод (ANODE) | нет в наличии, поставок нет |
| 51 | 0436745 | (последний код) ANODE&INSERT AY | нет в наличии, поставок нет |
| 52 | 0431708 | Анод, Подшипник hsg (ANODE, Bearing hsg) | нет в наличии, поставок нет |
| 52 | 0397111 | (последний код) ANODE-AY | нет в наличии, поставок нет |
| 53 | 0908158 | Винт, Анод (SCREW, Anode) | нет в наличии, поставок нет |
| 53 | 3852050 | (последний код) SCREW | нет в наличии, поставок нет |
| 54 | 0382408 | THRUST BRG., Reverse Шестерня (THRUST BRG., Reverse gear) | нет в наличии, поставок нет |
| 55 | 0333957 | TAB, Фиксатор (TAB, Retainer) | нет в наличии, поставок нет |
| 56 | 0328743 | Шайба, Винт, tab (WASHER, Screw, tab) | нет в наличии, поставок нет |
| 56 | 3852191 | (последний код) WASHER | нет в наличии, поставок нет |
| 57 | 0328715 | Винт, Крыльчатка Корпус, 1 7 / 8". Also included in Ремкомплект водяного насоса 395062 (SCREW, Impeller housing, 1 7/8". Also included in Water Pump Repair Kit 395062) | нет в наличии, поставок нет |
| 57 | 0335221 | (последний код) SCREW | нет в наличии, поставок нет |
| 57 | 0302325 | Винт, Крыльчатка Корпус, 1" (SCREW, Impeller housing, 1") | нет в наличии, поставок нет |
| 58 | 0314008 | Пыльник водяной трубки. Also included in Ремкомплект водяного насоса 395062 (GROMMET, Water tube. Also included in Water Pump Repair Kit 395062) | нет в наличии, поставок нет |
| 59 | 0321159 | Колпак крыльчатки Корпус. Also included in Ремкомплект водяного насоса 395062 (COVER, Impeller housing. Also included in Water Pump Repair Kit 395062) | нет в наличии, поставок нет |
| 59 | 0338893 | (последний код) COVER,IMPELL | нет в наличии, поставок нет |
| 60 | 0327640 | Пластина трима, Редуктор (TRIM TAB, Gearcase) | нет в наличии, поставок нет |
| 60 | 0338742 | (последний код) TAB,TRIM-STD | нет в наличии, поставок нет |
| 61 | 0320943 | Пыльник, Крыльчатка Корпус. Also included in Ремкомплект водяного насоса 395062 (GROMMET, Impeller housing. Also included in Water Pump Repair Kit 395062) | 1 шт | 300 руб. |
| 62 | 0320570 | Проставка гайки гребного винта (SPACER, Propeller nut) | нет в наличии, поставок нет |
| 62 | 3852163 | (последний код) SPACER,PROP | нет в наличии, поставок нет |
| 63 | 0330379 | Cвыше, Крыльчатка. Also included in Ремкомплект водяного насоса 395062 Stainless Steel (CUP, Impeller. Also included in Water Pump Repair Kit 395062 Stainless Steel) | нет в наличии, поставок нет |
| 63 | 0435027 | (последний код) CUP-&-PLATE | нет в наличии, поставок нет |
| 63 | 0330384 | Cвыше, Крыльчатка Корпус. хромированная пластина (CUP, Impeller housing. Chrome Plated) | нет в наличии, поставок нет |
| 63 | 0435526 | (последний код) CUP & PLATE AY | нет в наличии, поставок нет |
| 64 | 0306643 | Винт, Крышка to Крыльчатка. Also included in Ремкомплект водяного насоса 395062 (SCREW, Cover to impeller. Also included in Water Pump Repair Kit 395062) | нет в наличии, поставок нет |
| 64 | 3852066 | (последний код) SCREW | нет в наличии, поставок нет |
| 65 | 0313715 | Винт, Пластина трима (SCREW, Trim tab) | нет в наличии, поставок нет |
| 66 | 0330380 | Пластина корпуса крыльчатки. Also included in Ремкомплект водяного насоса 395062 Stainless Steel (PLATE, Impeller housing. Also included in Water Pump Repair Kit 395062 Stainless Steel) | нет в наличии, поставок нет |
| 66 | 0435027 | (последний код) CUP-&-PLATE | нет в наличии, поставок нет |
| 66 | 0330383 | Пластина корпуса крыльчатки. хромированная пластина (PLATE, Impeller housing. Chrome Plated) | нет в наличии, поставок нет |
| 66 | 0435526 | (последний код) CUP & PLATE AY | нет в наличии, поставок нет |
| 67 | 0398042 | Гайка & KEEPER, Гребной винт (NUT & KEEPER, Propeller) | нет в наличии, поставок нет |
| 67 | 3850984 | (последний код) NUT&KEEPER AY,PROP | нет в наличии, поставок нет |
| 68 | 0306394 | Шплинт, Гайка гребного винта (COTTER PIN, Propeller nut) | нет в наличии, поставок нет |
| 68 | 3852056 | (последний код) PIN,COTTER | нет в наличии, поставок нет |
| 69 | 0330265 | Шайба, Винт, long (WASHER, Screw, long) | нет в наличии, поставок нет |
| 70 | 0331998 | Винт, Редуктор to Корпус (SCREW, Gearcase to housing) | нет в наличии, поставок нет |
| 70 | 0914535 | (последний код) SCREW | нет в наличии, поставок нет |
| 71 | 0321008 | Пыльник, Exh. hsg. to Переключающая тяга. Also included in Ремкомплект водяного насоса 395062 (GROMMET, Exh. hsg. to shift rod. Also included in Water Pump Repair Kit 395062) | нет в наличии, поставок нет |
| 72 | 0331999 | Винт, Редуктор to Корпус (SCREW, Gearcase to housing) | нет в наличии, поставок нет |
| 72 | 0910457 | (последний код) SCREW | нет в наличии, поставок нет |
| 73 | 0331353 | Сальник, Крыльчатка Корпус Пластина. Also included in Ремкомплект водяного насоса 395062 (SEAL, Impeller housing plate. Also included in Water Pump Repair Kit 395062) | 1 шт | 790 руб. |
| 74 | 0395864 | Крыльчатка & Ключ в сборе.. Also included in Ремкомплект водяного насоса 395062 (IMPELLER & KEY ASSY.. Also included in Water Pump Repair Kit 395062) | нет в наличии, поставок нет |
| 74 | 5001593 | (последний код) KIT AY,IMPELLER | нет в наличии, поставок нет |
| 75 | 0331107 | Ключ крыльчатки. Also included in Ремкомплект водяного насоса 395062 (KEY Impeller. Also included in Water Pump Repair Kit 395062) | нет в наличии, поставок нет |
| 76 | 0321122 | Проставка, Переключающая тяга. 25 дюйм (635 мм) Transom Models Only (SPACER, Shift rod. 25 in. (635mm) Transom Models Only) | нет в наличии, поставок нет |
| 78 | 0126402 | Упорная втулка, 3 blade (THRUST BUSHING, 3 blade) | нет в наличии, поставок нет |
| 78 | 0126870 | (последний код) BUSHING,THRUST | нет в наличии, поставок нет |
| 78 | 0126318 | Упорная втулка, 4 blade (THRUST BUSHING, 4 blade) | нет в наличии, поставок нет |
| 78 | 0128777 | (последний код) BUSHING,THRUST | нет в наличии, поставок нет |
| 79 | 0324701 | Прокладка, Imp. hsg. Пластина. Also included in Ремкомплект водяного насоса 395062 Also included in Ремкомплект водяного насоса 395060 (GASKET, Imp. hsg. plate. Also included in Water Pump Repair Kit 395062 Also included in Water Pump Repair Kit 395060) | нет в наличии, поставок нет |
| 79 | 0338484 | (последний код) GASKET,WTR PMP 5PK | нет в наличии, поставок нет |
| 80 | 0330263 | Винт, Редуктор, rear (SCREW, Gearcase, rear) | нет в наличии, поставок нет |
| 80 | 0914534 | (последний код) SCREW | нет в наличии, поставок нет |
| 81 | 0332000 | Кольцевой сальник. Also included in Ремкомплект водяного насоса 395062 (SEAL RING. Also included in Water Pump Repair Kit 395062) | нет в наличии, поставок нет |
| 83 | 0395040 | Крыльчатка Корпус, Редуктор (IMPELLER HOUSING, Gearcase) | нет в наличии, поставок нет |
| 83 | 0435485 | (последний код) HOUSING-AY,P | нет в наличии, поставок нет |
| 84 | 0391536 | Гребной винт, 15 1 / 2 x 13 (PROPELLER, 15 1/2 x 13) | нет в наличии, поставок нет |
| 84 | 0391535 | Гребной винт, 15 1 / 2 x 15 (PROPELLER, 15 1/2 x 15) | нет в наличии, поставок нет |
| 84 | 0763471 | (последний код) PROP AL 15X15 | нет в наличии, поставок нет |
| 84 | 0391200 | Гребной винт, 15 x 17 (PROPELLER, 15 x 17) | нет в наличии, поставок нет |
| 84 | 0765187 | (последний код) PROP AY,AL 14.8X17 | нет в наличии, поставок нет |
| 84 | 0391201 | Гребной винт, 14 1 / 2 x 19 (PROPELLER, 14 1/2 x 19) | нет в наличии, поставок нет |
| 84 | 0765188 | (последний код) PROP AY,AL 14.5X19 | нет в наличии, поставок нет |
| 84 | 0391202 | Гребной винт, 14 1 / 4 x 21 (PROPELLER, 14 1/4 x 21) | нет в наличии, поставок нет |
| 84 | 0391203 | Гребной винт, 14 1 / 4 x 23 (PROPELLER, 14 1/4 x 23) | нет в наличии, поставок нет |
| 84 | 0174926 | Гребной винт, 15 x 15 SST (PROPELLER, 15 x 15 SST) | нет в наличии, поставок нет |
| 84 | 0390831 | Гребной винт, 15 1 / 2 x 14 SST 11 (PROPELLER, 15 1/2 x 14 SST 11) | нет в наличии, поставок нет |
| 84 | 0389925 | Гребной винт, 15 x 16 SST 11 (PROPELLER, 15 x 16 SST 11) | нет в наличии, поставок нет |
| 84 | 0387518 | (последний код) SST-V-6-17" | нет в наличии, поставок нет |
| 84 | 0391290 | Гребной винт, 15 x 17 SST 11 (PROPELLER, 15 x 17 SST 11) | нет в наличии, поставок нет |
| 84 | 0763914 | (последний код) VIPERTBX14.75X17RH | нет в наличии, поставок нет |
| 84 | 0389924 | Гребной винт, 14 1 / 2 x 19 SST (PROPELLER, 14 1/2 x 19 SST) | нет в наличии, поставок нет |
| 84 | 0763918 | (последний код) VIPERTBX14.75X19RH | нет в наличии, поставок нет |
| 84 | 0389923 | Гребной винт, 14 1 / 4 x 21 SST 11 (PROPELLER, 14 1/4 x 21 SST 11) | нет в наличии, поставок нет |
| 84 | 0176619 | (последний код) SST V6 14.75X21 | нет в наличии, поставок нет |
| 84 | 0389019 | Гребной винт, 14 1 / 4 x 23 SST 11 (PROPELLER, 14 1/4 x 23 SST 11) | нет в наличии, поставок нет |
| 84 | 0390725 | Гребной винт, 14 x 25 SST 11 (PROPELLER, 14 x 25 SST 11) | нет в наличии, поставок нет |
| 84 | 0391863 | Гребной винт, 14 1 / 2 x 27 OMC SRX (PROPELLER, 14 1/2 x 27 OMC SRX) | нет в наличии, поставок нет |
| 84 | 0391864 | Гребной винт, 14 1 / 4 x 29 OMC SRX (PROPELLER, 14 1/4 x 29 OMC SRX) | нет в наличии, поставок нет |
| 84 | 0387995 | Гребной винт, 14 1 / 2 x 24 SST RACER (PROPELLER, 14 1/2 x 24 SST RACER) | нет в наличии, поставок нет |
| 84 | 0387996 | Гребной винт, 14 1 / 2 x 26 SST RACER (PROPELLER, 14 1/2 x 26 SST RACER) | нет в наличии, поставок нет |
| 84 | 0431717 | Гребной винт, 13 1 / 2 x 23, 4 blade (PROPELLER, 13 1/2 x 23, 4 blade) | нет в наличии, поставок нет |
| 84 | 0175700 | (последний код) PROP-AY,13.5 | нет в наличии, поставок нет |
| 84 | 0431718 | Гребной винт, 13 1 / 4 x 25, 4 blade (PROPELLER, 13 1/4 x 25, 4 blade) | нет в наличии, поставок нет |
| 84 | 0175701 | (последний код) PROP-AY,13.2 | нет в наличии, поставок нет |
| 84 | 0431719 | Гребной винт, 13 1 / 4 x 27, 4 blade (PROPELLER, 13 1/4 x 27, 4 blade) | нет в наличии, поставок нет |
| 84 | 0175702 | (последний код) 9ROP-AY,13.2 | нет в наличии, поставок нет |
| 84 | 0174821 | Гребной винт, 13 1 / 4 x 29, 4 blade (PROPELLER, 13 1/4 x 29, 4 blade) | нет в наличии, поставок нет |
| 85 | 0332394 | CONVERGING Кольцо, 3 blade (CONVERGING RING, 3 blade) | нет в наличии, поставок нет |
| 85 | 3854241 | (последний код) RING, CONVERGING | нет в наличии, поставок нет |
| 86 | 0313926 | Гильза, Втулка (SLEEVE, Bushing) | нет в наличии, поставок нет |
| 86 | 3850831 | (последний код) SLEEVE-PROP | нет в наличии, поставок нет |
| 87 | 0387157 | Втулка в сборе., Prop., 3 blade, alum (BUSHING ASSY., Prop., 3 blade, alum) | нет в наличии, поставок нет |
| 87 | 0175401 | Втулка в сборе., Prop., 3 blade SST (BUSHING ASSY., Prop., 3 blade SST) | нет в наличии, поставок нет |
| 87 | 0431730 | Втулка в сборе., Prop., 4 blade (BUSHING ASSY., Prop., 4 blade) | нет в наличии, поставок нет |
| 88 | 0434516 | Комплект сальников редуктора (GEARCASE SEAL KIT) | нет в наличии, поставок нет |
| 88 | 5006373 | (последний код) KIT AY,SEAL-GC | нет в наличии, поставок нет |
| 89 | 0395060 | Ремкомплект водяного насоса (WATER PUMP REPAIR KIT) | нет в наличии, поставок нет |
| 89 | 5001594 | (последний код) KIT AY,WATER PUMP | нет в наличии, поставок нет |
| 89 | T-5001594 | (не оригинальный аналог) Ремкомплект насоса охлаждения Evinrude-Johnson 5001594 | 2 шт шт | по запросу |
| 89 | 0395062 | Ремкомплект водяного насоса, Includes Крыльчатка Корпус (WATER PUMP REPAIR KIT, Includes impeller housing) | нет в наличии, поставок нет |
| 89 | 5001594 | (последний код) KIT AY,WATER PUMP | нет в наличии, поставок нет |
| 89 | T-5001594 | (не оригинальный аналог) Ремкомплект насоса охлаждения Evinrude-Johnson 5001594 | 2 шт шт | по запросу |
| 90 | 0395059 | Хромированный ремкомплект водяного насоса, (Includes Крыльчатка hsg.) (CHROME PUMP KIT, (Includes impeller hsg.)) | нет в наличии, поставок нет |
| 90 | 0435526 | (последний код) CUP & PLATE AY | нет в наличии, поставок нет |