Номер на   рисунке | Артикул | Наименование | Кол-во   на складе | Цена | 
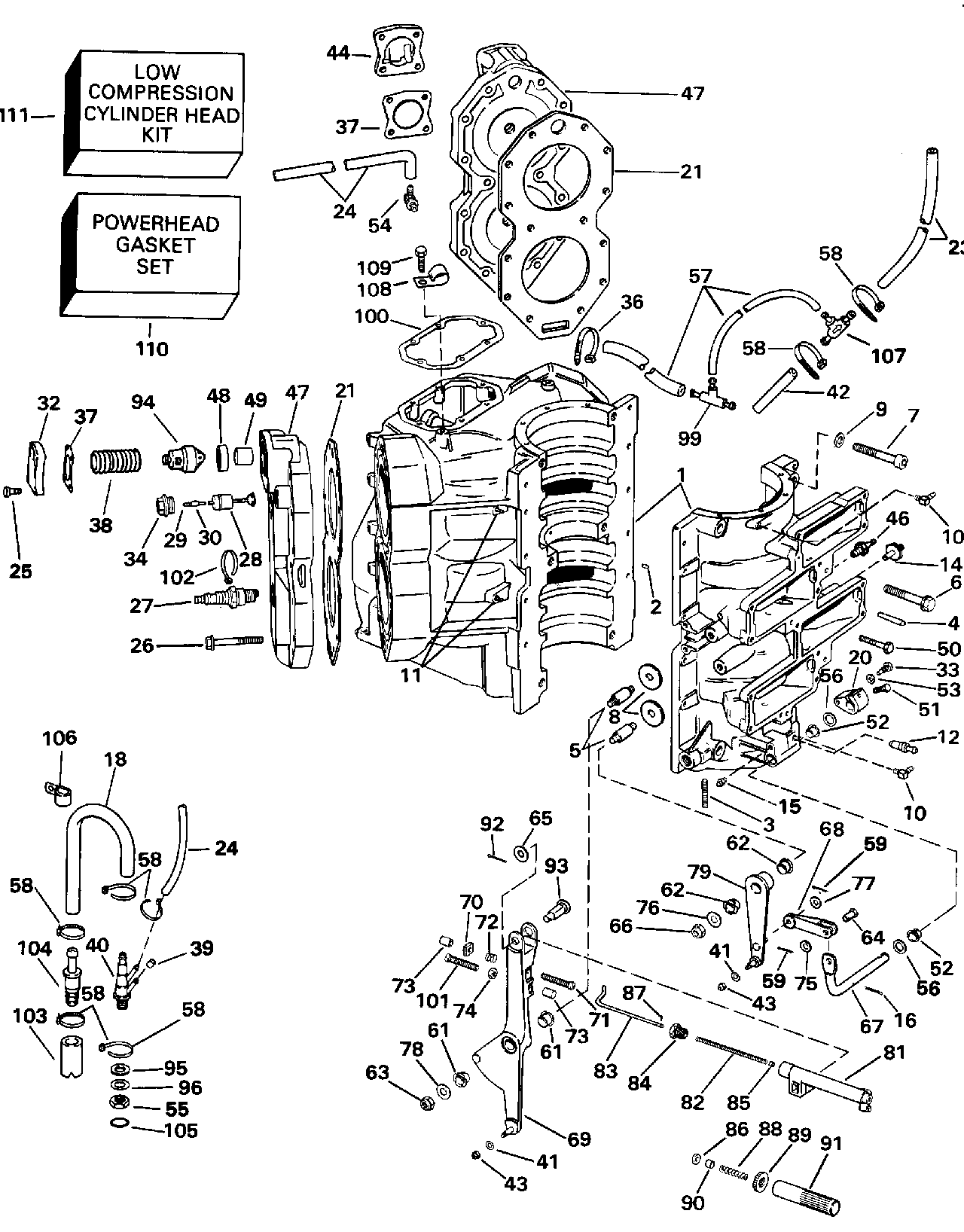
|  1  | 0432407 | Цилиндр CCASE в сборе. (CYLINDER CCASE ASSY.)  | нет в наличии, поставок нет | 
|  1  | 0438796 |    (последний код) CYL&CRKC AY, V4                                                                   | нет в наличии, поставок нет | 
|  2  | 0304178 | Шпонка Подшипник (PIN, Dowel bearing)  | нет в наличии, поставок нет | 
|  3  | 0314616 | Шпилька, Картер двигателя to adapter (STUD, Crankcase to adapter)  | нет в наличии, поставок нет | 
|  3  | 0324811 |    (последний код) STUD-CYL                                                                          | нет в наличии, поставок нет | 
|  4  | 0331095 | Штифт, конус (PIN, Taper)  | нет в наличии, поставок нет | 
|  5  | 0320808 | Шпилька, Переключательer Рычаг (STUD, Shifter lever)  | нет в наличии, поставок нет | 
|  5  | 0338653 |    (последний код) STUD                                                                              | нет в наличии, поставок нет | 
|  6  | 0326891 | Винт, Cyl. to ccase (SCREW, Cyl. to ccase)  | нет в наличии, поставок нет | 
|  7  | 0326890 | Винт, Cyl. to ccase (SCREW, Cyl. to ccase)  | нет в наличии, поставок нет | 
|  8  | 0320744 | Шайба, Шпилька (WASHER, Stud)  | нет в наличии, поставок нет | 
|  8  | 0306124 |    (последний код) WASHER                                                                            | нет в наличии, поставок нет | 
|  9  | 0322232 | Шайба (WASHER)  | нет в наличии, поставок нет | 
|  10  | 0321598 | Картер двигателя FITTING (CRANKCASE FITTING)  | нет в наличии, поставок нет | 
|  11  | 0327706 | FITTING, Boost port (FITTING, Boost port)  | нет в наличии, поставок нет | 
|  12  | 0317121 | FITTING, Vent (FITTING, Vent)  | нет в наличии, поставок нет | 
|  14  | 0435009 | PULSE LIMITER (PULSE LIMITER)  | нет в наличии, поставок нет | 
|  14  | 3852225 |    (последний код) LIMITER-AY,P                                                                      | нет в наличии, поставок нет | 
|  15  | 0908768 | Редуктор FITTING. (GEARCASE FITTING.)  | нет в наличии, поставок нет | 
|  16  | 0330145 | Шплинт, Рычаг переключения (COTTER PIN, Shift lever)  | нет в наличии, поставок нет | 
|  18  | 0913438 | Шланг, Tee to Обратный клапан (HOSE, Tee to check valve)  | нет в наличии, поставок нет | 
|  20  | 0326644 | Рычаг штока переключения (LEVER, Shift rod)  | нет в наличии, поставок нет | 
|  20  | 0318556 |    (последний код) SHIFT-ROD                                                                         | нет в наличии, поставок нет | 
|  21  | 0333549 | Прокладка головки блока цилиндра (GASKET, Cylinder head)  | нет в наличии, поставок нет | 
|  21  | 0340115 |    (последний код) HD GASKET V4                                                                      | нет в наличии, поставок нет | 
|  23  | 0 | Шланг, Подшипник hsg., 15 1 / 2 дюйм. сокращёная длина From 25 фут (7, 6m) Roll, 332219-1 / 8 дюйм I.D. (HOSE, Bearing hsg., 15 1/2 in.. Cut to Length From 25 ft. (7,6m) Roll, 332219-1/8 in. I.D.)  | нет в наличии, поставок нет | 
|  24  | 0331215 | Шланг, Elbow to aspirator (HOSE, Elbow to aspirator)  | нет в наличии, поставок нет | 
|  24  | 0321890 |    (последний код) HOSE                                                                              | нет в наличии, поставок нет | 
|  25  | 0306049 | Винт, Термостат Крышка (SCREW, Thermostat cover)  | нет в наличии, поставок нет | 
|  26  | 0322323 | Винт, Головка блока цилиндра (SCREW, Cylinder head)  | нет в наличии, поставок нет | 
|  27  | 0387633 | Свеча зажигания, Champion QL-77JC4 (SPARK PLUG, Champion QL-77JC4)  | нет в наличии, поставок нет | 
|  27  | 0502180 |    (последний код) Champion SPARK PLUG QL77JC4 MAR4                                                  | нет в наличии, поставок нет | 
|  27  | 0432424 | Свеча зажигания, Champion QL16V. Опции (SPARK PLUG, Champion QL16V. Optional)  | нет в наличии, поставок нет | 
|  27  | 0502178 |    (последний код) Champion SPARK PLUG QL16V MAR4                                                    | нет в наличии, поставок нет | 
|  28  | 0584592 | температура Переключатель, Stbd. (TEMPERATURE SWITCH, Stbd.)  | нет в наличии, поставок нет | 
|  28  | 0583441 |    (последний код) TEMP-SWITCH                                                                       | нет в наличии, поставок нет | 
|  28  | 0583789 | температура Переключатель, Port (TEMPERATURE SWITCH, Port)  | нет в наличии, поставок нет | 
|  28  | 0583422 |    (последний код) TEMP-SWITCH                                                                       | нет в наличии, поставок нет | 
|  29  | 0512947 | BULLET Клемма (BULLET TERMINAL)  | нет в наличии, поставок нет | 
|  29  | 0910462 |    (последний код) TERM.-60766-                                                                      | нет в наличии, поставок нет | 
|  30  | 0513185 | Гильза, Клемма (SLEEVE, Terminal)  | нет в наличии, поставок нет | 
|  30  | 0512948 |    (последний код) SLEEVE                                                                            | нет в наличии, поставок нет | 
|  32  | 0333967 | Крышка термостата stbd. (COVER, Thermostat stbd.)  | нет в наличии, поставок нет | 
|  32  | 0329829 |    (последний код) COVER                                                                             | нет в наличии, поставок нет | 
|  33  | 0327590 | Штифт, Рычаг тяги переключения (PIN, Shift rod lever)  | нет в наличии, поставок нет | 
|  33  | 0323267 |    (последний код) PIN                                                                               | нет в наличии, поставок нет | 
|  34  | 0329562 | Крышка, Temp. Переключатель (COVER, Temp. switch)  | нет в наличии, поставок нет | 
|  36  | 0317893 | Крепёжный хомут, Drain system (TIE STRAP, Drain system)  | нет в наличии, поставок нет | 
|  36  | 3852149 |    (последний код) TIE-STRAP                                                                         | нет в наличии, поставок нет | 
|  37  | 0329830 | Прокладка крышки термостата (GASKET, Thermostat cover)  | нет в наличии, поставок нет | 
|  38  | 0336765 | Пружина освобождения клапана (SPRING, Relief valve)  | нет в наличии, поставок нет | 
|  39  | 0315391 | Заглушка, Aspirator (PLUG, Aspirator)  | нет в наличии, поставок нет | 
|  40  | 0914902 | ASPIRATOR (ASPIRATOR)  | нет в наличии, поставок нет | 
|  41  | 0328737 | Шайба, Переключатель & Рычаг дросселя (WASHER, Shift & throttle lever)  | нет в наличии, поставок нет | 
|  41  | 0306561 |    (последний код) WASHER                                                                            | нет в наличии, поставок нет | 
|  42  | 0 | Шланг, Клапан нижний , 1 1 / 2 дюйм. сокращёная длина From 25 фут (7, 6m) Roll, 332219-1 / 8 дюйм I.D. (HOSE, Valve lower, 1 1/2 in.. Cut to Length From 25 ft. (7,6m) Roll, 332219-1/8 in. I.D.)  | нет в наличии, поставок нет | 
|  43  | 0328064 | Гайка, Casing Направляющая to Рычаг дросселя & Рычаг переключения (NUT, Casing guide to throttle arm & shift lever)  | нет в наличии, поставок нет | 
|  43  | 0554477 |    (последний код) NUT                                                                               | нет в наличии, поставок нет | 
|  44  | 0333967 | Крышка термостата, port. (COVER, Thermostat, port.)  | нет в наличии, поставок нет | 
|  44  | 0329829 |    (последний код) COVER                                                                             | нет в наличии, поставок нет | 
|  46  | 0392988 | Обратный клапан в сборе. (CHECK VALVE ASSY.)  | нет в наличии, поставок нет | 
|  46  | 0390436 |    (последний код) NIPPLE                                                                            | нет в наличии, поставок нет | 
|  47  | 0398818 | Головка блока цилиндра, 120 / 140 (CYLINDER HEAD, 120/140)  | нет в наличии, поставок нет | 
|  47  | 0438525 |    (последний код) CYL. HEAD CONV. KT                                                                | нет в наличии, поставок нет | 
|  47  | 0432592 | Головка блока цилиндра, 125ESX (CYLINDER HEAD, 125ESX)  | нет в наличии, поставок нет | 
|  47  | 0438527 |    (последний код) CYL. HEAD CONV.                                                                   | нет в наличии, поставок нет | 
|  48  | 0320880 | Седло, Термостат (SEAT, Thermostat)  | нет в наличии, поставок нет | 
|  49  | 0330273 | Cвыше (CUP)  | нет в наличии, поставок нет | 
|  50  | 0554306 | Винт, Cyl. to Картер двигателя (SCREW, Cyl. to crankcase)  | нет в наличии, поставок нет | 
|  51  | 0328695 | Винт, Рычаг Переключающая тяга (SCREW, Lever shift rod)  | нет в наличии, поставок нет | 
|  51  | 0323480 |    (последний код) SCREW                                                                             | нет в наличии, поставок нет | 
|  52  | 0312708 | Втулка, Рычаг переключения (BUSHING, Shift lever)  | нет в наличии, поставок нет | 
|  53  | 0302290 | Шайба, Штифт рычага (WASHER, Pin, lever)  | нет в наличии, поставок нет | 
|  53  | 0338307 |    (последний код) WASHER,LOCK                                                                       | нет в наличии, поставок нет | 
|  54  | 0321886 | ELBOW, Индикатор (ELBOW, Indicator)  | нет в наличии, поставок нет | 
|  54  | 0321686 |    (последний код) ELBOW                                                                             | нет в наличии, поставок нет | 
|  55  | 0327805 | Гайка, Aspirator (NUT, Aspirator)  | нет в наличии, поставок нет | 
|  55  | 0327971 |    (последний код) NUT                                                                               | нет в наличии, поставок нет | 
|  56  | 0202026 | Шайба, Рычаг переключения (WASHER, Shift lever)  | нет в наличии, поставок нет | 
|  57  | 0 | Дренажный шланг system. сокращёная длина From 25 фут (7, 6m) Roll, 327229 (HOSE, Drain system. Cut to Length From 25 ft. (7,6m) Roll, 327229)  | нет в наличии, поставок нет | 
|  58  | 0320107 | Крепёжный хомут (TIE STRAP)  | нет в наличии, поставок нет | 
|  58  | 5035626 |    (последний код) BAND,REM CON                                                                      | нет в наличии, поставок нет | 
|  59  | 0305650 | Шплинт (COTTER PIN)  | нет в наличии, поставок нет | 
|  59  | 3852052 |    (последний код) PIN,COTTER                                                                        | нет в наличии, поставок нет | 
|  61  | 0308532 | Втулка рычага дросселя (BUSHING, Throttle lever)  | нет в наличии, поставок нет | 
|  61  | 0122475 |    (последний код) BUSHING                                                                           | нет в наличии, поставок нет | 
|  62  | 0308532 | Втулка, Рычаг переключения (BUSHING, Shift arm)  | нет в наличии, поставок нет | 
|  62  | 0122475 |    (последний код) BUSHING                                                                           | нет в наличии, поставок нет | 
|  63  | 0315077 | LOCKГайка, Рычаг дросселя (LOCKNUT, Throttle lever)  | нет в наличии, поставок нет | 
|  63  | 3852132 |    (последний код) NUT,LOCK                                                                          | нет в наличии, поставок нет | 
|  64  | 0324364 | Штифт, Рычаг переключения (PIN, Shift lever)  | нет в наличии, поставок нет | 
|  64  | 0340134 |    (последний код) PIN                                                                               | нет в наличии, поставок нет | 
|  65  | 0330995 | Шайба, Соединитель (WASHER, Link)  | нет в наличии, поставок нет | 
|  65  | 0308371 |    (последний код) WASHER                                                                            | нет в наличии, поставок нет | 
|  66  | 0315077 | LOCKГайка, Рычаг переключения (LOCKNUT, Shift arm)  | нет в наличии, поставок нет | 
|  66  | 3852132 |    (последний код) NUT,LOCK                                                                          | нет в наличии, поставок нет | 
|  67  | 0329083 | Рычаг переключения (SHIFT LEVER)  | нет в наличии, поставок нет | 
|  68  | 0329085 | Переключающая тяга Рычаг (LINK, Shift lever)  | нет в наличии, поставок нет | 
|  68  | 0340133 |    (последний код) LINK                                                                              | нет в наличии, поставок нет | 
|  69  | 0432649 | Рычаг дросселя (THROTTLE LEVER)  | нет в наличии, поставок нет | 
|  69  | 0393563 |    (последний код) LEVER,THROTTLE                                                                    | нет в наличии, поставок нет | 
|  70  | 0203688 | Гайка (NUT)  | нет в наличии, поставок нет | 
|  70  | 0328710 |    (последний код) NUT-SCREW-ID                                                                      | нет в наличии, поставок нет | 
|  71  | 0334219 | Винт, Idle adjustment (SCREW, Idle adjustment)  | нет в наличии, поставок нет | 
|  72  | 0308993 | Пружина (SPRING)  | нет в наличии, поставок нет | 
|  73  | 0318660 | Колпачок (CAP)  | нет в наличии, поставок нет | 
|  74  | 0328741 | Гайка (NUT)  | нет в наличии, поставок нет | 
|  74  | 0304753 |    (последний код) NUT                                                                               | нет в наличии, поставок нет | 
|  75  | 0328702 | Шайба, Рычаг переключения to Соединитель (WASHER, Shift lever to link)  | нет в наличии, поставок нет | 
|  75  | 3852183 |    (последний код) WASHER                                                                            | нет в наличии, поставок нет | 
|  76  | 0330266 | Шайба, Рычаг переключения (WASHER, Shift arm)  | нет в наличии, поставок нет | 
|  76  | 3852200 |    (последний код) WASHER                                                                            | нет в наличии, поставок нет | 
|  77  | 0328702 | Шайба, Соединитель to Рычаг переключения (WASHER, Link to shift arm)  | нет в наличии, поставок нет | 
|  77  | 3852183 |    (последний код) WASHER                                                                            | нет в наличии, поставок нет | 
|  78  | 0330266 | Шайба, Рычаг дросселя (WASHER, Throttle lever)  | нет в наличии, поставок нет | 
|  78  | 3852200 |    (последний код) WASHER                                                                            | нет в наличии, поставок нет | 
|  79  | 0433481 | Рычаг переключения (SHIFT ARM)  | нет в наличии, поставок нет | 
|  79  | 0393873 |    (последний код) SHIFT-ARM-AY                                                                      | нет в наличии, поставок нет | 
|  81  | 0432095 | Соединитель в сборе., Spark advance (LINK ASSY., Spark advance)  | нет в наличии, поставок нет | 
|  82  | 0326738 | Пружина, Соединитель (SPRING, Link)  | нет в наличии, поставок нет | 
|  83  | 0334313 | Тяга, Spark advance Соединитель (ROD, Spark advance link)  | нет в наличии, поставок нет | 
|  84  | 0331864 | Колпачок, Пружина Корпус (CAP, Spring housing)  | нет в наличии, поставок нет | 
|  84  | 0328634 |    (последний код) CAP                                                                               | нет в наличии, поставок нет | 
|  85  | 0328635 | Втулка, Пружина (BUSHING, Spring)  | нет в наличии, поставок нет | 
|  86  | 0334311 | STOP, Adjustment (STOP, Adjustment)  | нет в наличии, поставок нет | 
|  87  | 0329770 | Штифт, Тяга (PIN, Rod)  | нет в наличии, поставок нет | 
|  88  | 0334312 | Пружина, Adjustment hsg. (SPRING, Adjustment hsg.)  | нет в наличии, поставок нет | 
|  89  | 0334314 | LOCKOUT, Корпус (LOCKOUT, Housing)  | нет в наличии, поставок нет | 
|  90  | 0334315 | Направляющая пружина (GUIDE, Spring)  | нет в наличии, поставок нет | 
|  91  | 0334316 | Корпус, Adjustment (HOUSING, Adjustment)  | нет в наличии, поставок нет | 
|  92  | 0330145 | Шплинт, Рычаг to Соединитель (COTTER PIN, Lever to link)  | нет в наличии, поставок нет | 
|  93  | 0328636 | Штифт, Advance Соединитель. (PIN, Advance link.)  | нет в наличии, поставок нет | 
|  94  | 0434137 | Термостат в сборе. (THERMOSTAT ASSY.)  | нет в наличии, поставок нет | 
|  94  | 0394409 |    (последний код) THERMOSTAT-A                                                                      | нет в наличии, поставок нет | 
|  95  | 0122220 | Сальник, Aspirator (SEAL, Aspirator)  | нет в наличии, поставок нет | 
|  96  | 0317936 | Шайба, Aspirator (WASHER, Aspirator)  | нет в наличии, поставок нет | 
|  99  | 0325569 | TEE, Картер двигателя drain (TEE, Crankcase drain)  | нет в наличии, поставок нет | 
|  100  | 0330412 | Прокладка, Выпрямитель (GASKET, Rectifier)  | нет в наличии, поставок нет | 
|  100  | 0344472 |    (последний код) GASKET                                                                            | нет в наличии, поставок нет | 
|  101  | 0334220 | Винт, Full Дроссель adjust. (SCREW, Full throttle adjust.)  | нет в наличии, поставок нет | 
|  101  | 0337580 |    (последний код) SCREW                                                                             | нет в наличии, поставок нет | 
|  102  | 0317893 | Крепёжный хомут, Переключатель (TIE STRAP, Switch)  | нет в наличии, поставок нет | 
|  102  | 3852149 |    (последний код) TIE-STRAP                                                                         | нет в наличии, поставок нет | 
|  103  | 0913439 | Водяной шланг Система впуска (HOSE, Water intake)  | нет в наличии, поставок нет | 
|  104  | 0986534 | Клапан, Aspirator (VALVE, Aspirator)  | нет в наличии, поставок нет | 
|  105  | 0915209 | Уплотнительное кольцо, Aspirator (O-RING, Aspirator)  | нет в наличии, поставок нет | 
|  106  | 0316487 | Струбцина, Шланг to coil (CLAMP, Hose to coil)  | нет в наличии, поставок нет | 
|  107  | 0394892 | Обратный клапан в сборе. (CHECK VALVE ASSY.)  | нет в наличии, поставок нет | 
|  108  | 0310928 | Струбцина, Timer leads (CLAMP, Timer leads)  | нет в наличии, поставок нет | 
|  108  | 3852092 |    (последний код) CLAMP,"J"                                                                         | нет в наличии, поставок нет | 
|  109  | 0319590 | Винт зажима (SCREW, Clamp)  | нет в наличии, поставок нет | 
|  109  | 3855227 |    (последний код) SCREW                                                                             | нет в наличии, поставок нет | 
|  110  | 0432570 | POWERHEAD Комплект прокладок (POWERHEAD GASKET SET)  | нет в наличии, поставок нет | 
|  111  | 0433095 | LOW COMPRESSION CYL. HEAD KIT. Contains Головка блока цилиндра P.N. 432592 (LOW COMPRESSION CYL. HEAD KIT. Contains Cylinder Head P.N. 432592)  | нет в наличии, поставок нет |