вконтакте

Контактный телефон: +7 (981) 121-46-93, +7 (800) 200-90-76 , Email: parts-katalog@yandex.ru, где купить

 
 

  Логин:

Пароль:

Регистрация

www.partskatalog.ru Все каталоги Запчасти Mercury Запчасти Suzuki Запчасти Tohatsu Запчасти Honda Контакты



УВАЖАЕМЫЕ КЛИЕНТЫ!
C 19 ДЕКАБРЯ 2025 ПО 02 МАРТА 2026 ГОДА ОТДЕЛ ЗАПЧАСТЕЙ И СЕРВИС РАБОТАТЬ НЕ БУДУТ
ПРОДАЖА ЛОДОЧНЫХ МОТОРОВ В ШТАТНОМ РЕЖИМЕ
ОБ ИЗМЕНЕНИЯХ В ГРАФИКЕ РАБОТЫ ЧИТАЙТЕ НА САЙТА




Все разделы каталога запчастей на этот двигатель

назад Раздел:   вперёд

вернуться к списку узлов и деталей

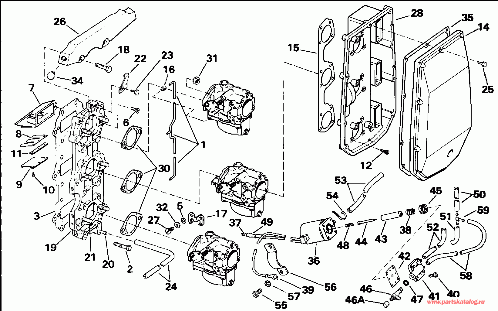
ДЕТАЛИРОВКА ДЛЯ МОДЕЛИ: EVINRUDE E70TTLEND 1992

ВПУСКНОЙ КОЛЛЕКТОР | INTAKE MANIFOLD;


Лодочный мотор EVINRUDE E70TTLEND 1992  - take Manifold

Номер на
рисунке
АртикулНаименованиеКол-во
на складе
Цена
1 0432271

Соединитель & Штифт, Middle Рычаг (LINK & PIN, Middle arm)

нет в наличии, поставок нет
1 0394733

   (последний код) LINK&PIN AY

нет в наличии, поставок нет
2 0554306

Винт, Коллектор to Картер двигателя (SCREW, Manifold to crankcase)

нет в наличии, поставок нет
3 0326926

Прокладка, Пластина to Коллектор (GASKET, Plate to manifold)

нет в наличии, поставок нет
3 0317307

   (последний код) GASKET

нет в наличии, поставок нет
5 0328735

Шайба, Synch. adj. Винт (WASHER, Synch. adj. screw)

нет в наличии, поставок нет
5 3852188

   (последний код) WASHER

нет в наличии, поставок нет
6 0316116

Винт, Пластина to Основание (SCREW, Plate to base)

нет в наличии, поставок нет
7 0389731

REED BOX ASSEMBLY (REED BOX ASSEMBLY)

нет в наличии, поставок нет
7 0389553

   (последний код) LEAF-PLATE-A

нет в наличии, поставок нет
8 0313420

Язычковый клапан (REED VALVE)

нет в наличии, поставок нет
9 0323688

STOP, Reed (STOP, Reed)

нет в наличии, поставок нет
10 0327074

Винт, Leaf stop (SCREW, Leaf stop)

нет в наличии, поставок нет
10 0307129

   (последний код) SCREW

нет в наличии, поставок нет
11 0324090

Регулировочная шайба, Язычковый клапан (SHIM, Reed valve)

нет в наличии, поставок нет
12 0328694

Винт, Основание to Карбюратор (SCREW, Base to carburetor)

нет в наличии, поставок нет
12 0911122

   (последний код) SCREW

нет в наличии, поставок нет
14 0388264

Крышка, Air Глушитель (COVER, Air silencer)

нет в наличии, поставок нет
15 0333008

Прокладка, Air Глушитель (GASKET, Air silencer)

нет в наличии, поставок нет
15 0321793

   (последний код) GASKET-AIR-S

нет в наличии, поставок нет
16 0318165

Фиксатор, Synch. Соединитель to carb. (RETAINER, Synch. link to carb.)

нет в наличии, поставок нет
17 0329418

Рычаг, Synchronization adj. (LEVER, Synchronization adj.)

нет в наличии, поставок нет
18 0909533

Винт, Кронштейн to Коллектор (SCREW, Bracket to manifold)

нет в наличии, поставок нет
18 0324429

   (последний код) SCREW,IMP HSG

нет в наличии, поставок нет
19 0434126

Впускной коллектор (MANIFOLD, Intake)

нет в наличии, поставок нет
20 0325659

Ниппель, Коллектор (NIPPLE, Manifold)

нет в наличии, поставок нет
21 0314497

Шпилька, Карбюратор Креплениеing (STUD, Carburetor mounting)

нет в наличии, поставок нет
22 0332682

TIMING POINTER (TIMING POINTER)

нет в наличии, поставок нет
22 0330127

   (последний код) TIMING-POINT

нет в наличии, поставок нет
23 0328714

Винт, Pointer to Коллектор (SCREW, Pointer to manifold)

нет в наличии, поставок нет
23 0204027

   (последний код) SCREW

нет в наличии, поставок нет
24 0

Шланг, Air Глушитель to Коллектор, 4 3 / 4 дюйм (121 мм) сокращёная длина From P / N 913435, 39 дюйм (991 мм) (HOSE, Air silencer to manifold, 4 3/4 in. (121mm). Cut to Length From P/N 913435, 39 in. (991mm))

нет в наличии, поставок нет
25 0330838

Винт, Крышка to Основание (SCREW, Cover to base)

нет в наличии, поставок нет
25 0329268

   (последний код) SCREW

нет в наличии, поставок нет
26 0316647

Кронштейн, Крышка двигателя (капот) (BRACKET, Engine cover)

нет в наличии, поставок нет
26 0339776

   (последний код) BRACKET

нет в наличии, поставок нет
27 0306014

Винт, Synch. adjustment (SCREW, Synch. adjustment)

нет в наличии, поставок нет
28 0333009

Основание ASSEMBLY (BASE ASSEMBLY)

нет в наличии, поставок нет
28 0329243

   (последний код) BASE-AIR-SIL

нет в наличии, поставок нет
30 0325092

Прокладка карбюратора (GASKET, Carburetor)

нет в наличии, поставок нет
30 0314477

   (последний код) GASKET

нет в наличии, поставок нет
31 0315204

Гайка, Карбюратор Креплениеing (NUT, Carburetor mounting)

нет в наличии, поставок нет
31 0316355

   (последний код) NUT

нет в наличии, поставок нет
32 0303701

LOCKШайба, Винт (LOCKWASHER, Screw)

нет в наличии, поставок нет
34 0314021

Бампер, Креплениеing Кронштейн (BUMPER, Mounting bracket)

нет в наличии, поставок нет
35 0321794

Прокладка, Air Корпус глушителя (GASKET, Air silencer cover)

нет в наличии, поставок нет
36 0434762

Соленоид, в сборе., Primer (SOLENOID ASSY., Primer)

нет в наличии, поставок нет
36 5007356

   (последний код) KIT AY,PRMR SOL

нет в наличии, поставок нет
37 0512947

Клемма (TERMINAL)

нет в наличии, поставок нет
37 0910462

   (последний код) TERM.-60766-

нет в наличии, поставок нет
38 0511986

Пружина клапана (SPRING, Valve)

нет в наличии, поставок нет
39 0510818

Клемма, Кольцо (TERMINAL, Ring)

нет в наличии, поставок нет
39 3854243

   (последний код) TERMINAL,RIN

нет в наличии, поставок нет
40 0330121

Винт, Крышка to Корпус (SCREW, Cover to housing)

нет в наличии, поставок нет
40 0326186

   (последний код) SCREW

нет в наличии, поставок нет
41 0511807

Крышка, Primer solenoid (COVER, Primer solenoid)

нет в наличии, поставок нет
41 0437228

   (последний код) COVER&GASKET AY

нет в наличии, поставок нет
42 0333448

Прокладка, Solenoid (GASKET, Solenoid)

нет в наличии, поставок нет
42 0511810

   (последний код) VALVE-SEAT

нет в наличии, поставок нет
43 0511809

Плунжер (PLUNGER)

нет в наличии, поставок нет
44 0333447

Клапан, Плунжер (VALVE, Plunger)

нет в наличии, поставок нет
44 0511988

   (последний код) VALVE

нет в наличии, поставок нет
45 0332365

Фильтр, Клапан Корпус (FILTER, Valve housing)

нет в наличии, поставок нет
45 0511811

   (последний код) FILTER

нет в наличии, поставок нет
46 0175158

Рычаг & Клапан (LEVER & VALVE)

нет в наличии, поставок нет
46A 0126341

Колпачок (CAP)

нет в наличии, поставок нет
47 0331365

Уплотнительное кольцо, Ручной клапан (O-RING, Manual valve)

нет в наличии, поставок нет
47 0326721

   (последний код) O-RING

нет в наличии, поставок нет
48 0511987

Пружина, Плунжер (SPRING, Plunger)

нет в наличии, поставок нет
49 0513185

Гильза (SLEEVE)

нет в наличии, поставок нет
49 0512948

   (последний код) SLEEVE

нет в наличии, поставок нет
50 0

Шланг, Tee to mid. carb. 6 дюйм (152 мм) сокращёная длина From 327729, 0.0575 дюйм I.D., 25 фут (7, 6m) Roll (HOSE, Tee to mid. carb. 6 in. (152mm). Cut to Length From 327729, 0.0575 in. I.D., 25 ft. (7,6m) Roll)

нет в наличии, поставок нет
50 0

Шланг, Tee to mid. carb. 1 / 2 дюйм (38 мм), 70 HP. сокращёная длина From 327729, 0.0575 дюйм I.D., 25 фут (7, 6m) Roll (HOSE, Tee to mid. carb. 1/2 in. (38mm), 70 HP. Cut to Length From 327729, 0.0575 in. I.D., 25 ft. (7,6m) Roll)

нет в наличии, поставок нет
51 0

Шланг, Tee to нижний carb., 1 дюйм (25 мм) сокращёная длина From 327729, 0.0575 дюйм I.D., 25 фут (7, 6m) Roll (HOSE, Tee to lower carb., 1 in. (25mm). Cut to Length From 327729, 0.0575 in. I.D., 25 ft. (7,6m) Roll)

нет в наличии, поставок нет
51 0

Шланг, Tee to нижний carb., 6 дюйм (152 мм), 70HP. сокращёная длина From 327729, 0.0575 дюйм I.D., 25 фут (7, 6m) Roll (HOSE, Tee to lower carb., 6 in. (152mm), 70HP. Cut to Length From 327729, 0.0575 in. I.D., 25 ft. (7,6m) Roll)

нет в наличии, поставок нет
52 0

Шланг, Primer to верхний carb. 12 дюйм (305 мм) сокращёная длина From 327729, 0.0575 дюйм I.D., 25 фут (7, 6m) Roll (HOSE, Primer to upper carb. 12 in. (305mm). Cut to Length From 327729, 0.0575 in. I.D., 25 ft. (7,6m) Roll)

нет в наличии, поставок нет
52 0

Шланг, Primer to верхний carb. 5 дюйм (127 мм), 70 HP. сокращёная длина From 327729, 0.0575 дюйм I.D., 25 фут (7, 6m) Roll (HOSE, Primer to upper carb. 5 in. (127mm), 70 HP. Cut to Length From 327729, 0.0575 in. I.D., 25 ft. (7,6m) Roll)

нет в наличии, поставок нет
53 0333387

Шланг, Tee to primer (HOSE, Tee to primer)

нет в наличии, поставок нет
53 0323580

   (последний код) HOSE

нет в наличии, поставок нет
54 0317893

Крепёжный хомут, Primer solenoid (TIE STRAP, Primer solenoid)

нет в наличии, поставок нет
54 3852149

   (последний код) TIE-STRAP

нет в наличии, поставок нет
55 0329217

Винт зажима to Коллектор (SCREW, Clamp to manifold)

нет в наличии, поставок нет
55 0333707

   (последний код) SCREW

нет в наличии, поставок нет
56 0330153

Струбцина, Primer solenoid (CLAMP, Primer solenoid)

нет в наличии, поставок нет
57 0328701

Шайба с блокировкой, Solenoid Заземление. (LOCK WASHER, Solenoid ground.)

нет в наличии, поставок нет
57 3852182

   (последний код) WASHER,LOCK

нет в наличии, поставок нет
58 0

Шланг, Primer to tee 2 1 / 4 дюйм (57 мм) . сокращёная длина From 327729, 0.0575 дюйм I.D., 25 фут (7, 6m) Roll (HOSE, Primer to tee 2 1/4 in. (57mm).. Cut to Length From 327729, 0.0575 in. I.D., 25 ft. (7,6m) Roll)

нет в наличии, поставок нет
58 0

Шланг, Primer to tee 6 дюйм (152 мм), 70 HP. сокращёная длина From 327729, 0.0575 дюйм I.D., 25 фут (7, 6m) Roll (HOSE, Primer to tee 6 in. (152mm), 70 HP. Cut to Length From 327729, 0.0575 in. I.D., 25 ft. (7,6m) Roll)

нет в наличии, поставок нет
59 0325569

TEE, Primer solenoid Шлангs (TEE, Primer solenoid hoses)

нет в наличии, поставок нет
evinrude

Время выполнения запроса 1.2264878749847 сек.


 
 

данный сайт носит информационный характер и не является публичной офертой

склад запчастей для водомоторной техники