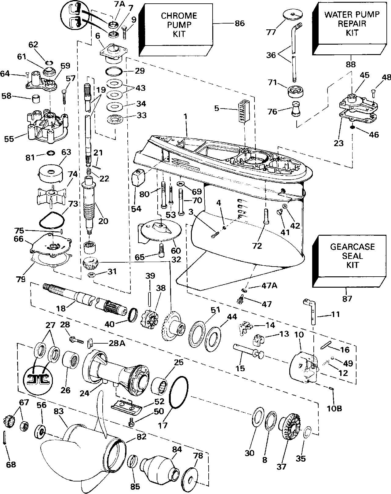
Номер на   рисунке | Артикул | Наименование | Кол-во   на складе | Цена | 
|  0434417  | 0434417 | Редуктор в сборе., комплект. Replaced by 435475 gcase & 435760 верхний  Корпус вала передачи ay и if requiкрасный 324407 Переключающая тяга. (GEARCASE ASSY., Complete. Replaced by 435475 gcase & 435760 upper drive shaft ay and if required 324407 shift rod.)  | нет в наличии, поставок нет | 
|  0434417  | 0433716 |    (последний код) G-CASE-L-V6-                                                                      | нет в наличии, поставок нет | 
|  0434418  | 0434418 | Редуктор в сборе., комплект. Replaced by 435475 gcase & 435761 верхний  Корпус вала передачи ay и if requiкрасный 324408 Переключающая тяга. (GEARCASE ASSY., Complete. Replaced by 435475 gcase & 435761 upper drive shaft ay and if required 324408 shift rod.)  | нет в наличии, поставок нет | 
|  0434418  | 0433717 |    (последний код) G/CASE-XL-V6                                                                      | нет в наличии, поставок нет | 
|  1  | 0431695 | Редуктор в сборе с подшипником. (GEARCASE & BEARING ASSY.)  | нет в наличии, поставок нет | 
|  1  | 0439973 |    (последний код) CALL TECH SVC/QIPL                                                                | нет в наличии, поставок нет | 
|  2  | 0387817 | Подшипник, Шестерня (BEARING, Pinion)  | нет в наличии, поставок нет | 
|  3  | 0324852 | Установочный винт & Сальник, Подшипник (SET SCREW & SEAL, Bearing)  | нет в наличии, поставок нет | 
|  4  | 0332584 | Сальник (SEAL)  | нет в наличии, поставок нет | 
|  5  | 0321123 | Водяной экран Система впуска (SCREEN, Water intake)  | нет в наличии, поставок нет | 
|  6  | 0397493 | Подшипник Корпус & Сальник (BEARING HOUSING & SEAL)  | нет в наличии, поставок нет | 
|  6  | 0439476 |    (последний код) DS BRG HSG&SEAL AY                                                                | нет в наличии, поставок нет | 
|  7  | 0329923 | Сальник, DriveВал, нижний (SEAL, Driveshaft, lower)  | нет в наличии, поставок нет | 
|  7A  | 0329922 | Сальник, DriveВал, верхний (SEAL, Driveshaft, upper)  | нет в наличии, поставок нет | 
|  8  | 0382408 | THRUST BRG., Reverse Шестерня (THRUST BRG., Reverse gear)  | нет в наличии, поставок нет | 
|  9  | 0317624 | Винт, Корпус to Редуктор (SCREW, Housing to gearcase)  | нет в наличии, поставок нет | 
|  10  | 0389455 | Корпус & Подшипник в сборе. (HOUSING & BEARING ASSY.)  | нет в наличии, поставок нет | 
|  10B  | 0331880 | Штифт, Корпус (PIN, Housing)  | нет в наличии, поставок нет | 
|  11  | 0323946 | DETENT, Рычаг (DETENT, Lever)  | нет в наличии, поставок нет | 
|  11  | 0915954 |    (последний код) DETENT                                                                            | нет в наличии, поставок нет | 
|  12  | 0911962 | Фиксатор пружины (SPRING, Detent)  | нет в наличии, поставок нет | 
|  12  | 0915955 |    (последний код) SPRING                                                                            | нет в наличии, поставок нет | 
|  13  | 0334163 | CRADLE, Переключательer (CRADLE, Shifter)  | 5 шт | 1880 руб. | 
|  13  | 0322900 |    (последний код) CRADLE-SHIFT                                                                      | нет в наличии, поставок нет | 
|  14  | 0322938 | ПереключательER (SHIFTER)  | нет в наличии, поставок нет | 
|  15  | 0322941 | Вал (SHAFT)  | нет в наличии, поставок нет | 
|  16  | 0328825 | Штифт, Рычаг переключения (PIN, Shift lever)  | нет в наличии, поставок нет | 
|  17  | 0321119 | Уплотнительное кольцо, Вал гребного винта (O-RING, Propeller shaft)  | нет в наличии, поставок нет | 
|  17  | 0305123 |    (последний код) O-RING                                                                            | нет в наличии, поставок нет | 
|  18  | 0433017 | Вал гребного винта в сборе. (PROPELLER SHAFT ASSY.)  | нет в наличии, поставок нет | 
|  18  | 5004765 |    (последний код) PROPSHAFT AY,SERV                                                                 | нет в наличии, поставок нет | 
|  0434013  | 0434013 | Приводной вал.. Not Shown 20 дюйм (508 мм) Transom Models Only (DRIVESHAFT ASSY.. Not Shown 20 in. (508mm) Transom Models Only)  | нет в наличии, поставок нет | 
|  0434013  | 5000775 |    (последний код) KIT AYD/SHAFT-20                                                                  | нет в наличии, поставок нет | 
|  0433632  | 0433632 | Приводной вал.. Not Shown 25 дюйм (635 мм) Transom Models Only (DRIVESHAFT ASSY.. Not Shown 25 in. (635mm) Transom Models Only)  | нет в наличии, поставок нет | 
|  0433632  | 5000776 |    (последний код) KIT AY,D/SHAFT-25"                                                                | нет в наличии, поставок нет | 
|  19  | 0335900 | DRIVEВал, верхний  20 дюйм (508 мм) Transom Models Only (DRIVESHAFT, Upper. 20 in. (508mm) Transom Models Only)  | нет в наличии, поставок нет | 
|  19  | 5000618 |    (последний код) KIT,UPPER D/S-20"                                                                 | нет в наличии, поставок нет | 
|  19  | T-5000618 |    (не оригинальный аналог) Жилет 100N FREEDOM желтый 10-20 кг  | под заказ шт | 3940 руб. | 
|  19  | 0335678 | DRIVEВал, верхний  25 дюйм (635 мм) Transom Models Only (DRIVESHAFT, Upper. 25 in. (635mm) Transom Models Only)  | нет в наличии, поставок нет | 
|  19  | 5000626 |    (последний код) KIT, UPPR D/S 25"                                                                 | нет в наличии, поставок нет | 
|  20  | 0335677 | DRIVEВал, нижний (DRIVESHAFT, Lower)  | нет в наличии, поставок нет | 
|  20  | 0345905 |    (последний код) DRIVESHAFT,LOWER                                                                  | нет в наличии, поставок нет | 
|  21  | 0311538 | Штифт, DriveВал (PIN, Driveshaft)  | нет в наличии, поставок нет | 
|  22  | 0335684 | Пружина, DriveВал (SPRING, Driveshaft)  | нет в наличии, поставок нет | 
|  23  | 0324670 | Прокладка, Переключающая тяга Крышка (GASKET, Shift rod cover)  | нет в наличии, поставок нет | 
|  23  | 0352165 |    (последний код) GASKET                                                                            | 2 шт | 550 руб. | 
|  24  | 0434400 | Подшипник HSG. Сальник в сборе. (BEARING HSG. SEAL ASSY.)  | нет в наличии, поставок нет | 
|  24  | 5004257 |    (последний код) HSG AY, PROPSHAFT                                                                 | нет в наличии, поставок нет | 
|  25  | 0382407 | Игольчатый подшипник в сборе. (NEEDLE BEARING ASSY.)  | 1 шт | 5500 руб. | 
|  26  | 0434467 | Игольчатый подшипник в сборе. (NEEDLE BEARING ASSY.)  | нет в наличии, поставок нет | 
|  27  | 0334950 | Сальник (SEAL)  | нет в наличии, поставок нет | 
|  28  | 0333955 | Винт (SCREW)  | нет в наличии, поставок нет | 
|  28  | 0350271 |    (последний код) SCREW, BRG CARRIER                                                                | нет в наличии, поставок нет | 
|  28A  | 0333957 | TAB, Фиксатор (TAB, Retainer)  | нет в наличии, поставок нет | 
|  29  | 0314728 | Уплотнительное кольцо, DriveВал Подшипник (O-RING, Driveshaft bearing)  | нет в наличии, поставок нет | 
|  29  | 0354731 |    (последний код) O-RING                                                                            | 1 шт | 850 руб. | 
|  30  | 0314731 | THRUST Шайба шестерни заднего хода (THRUST WASHER, Reverse gear)  | нет в наличии, поставок нет | 
|  31  | 0314730 | Гайка, Шестерня to driveВал (NUT, Pinion to driveshaft)  | нет в наличии, поставок нет | 
|  32  | 0434026 | Шестерня & Комплект шестерёнок. (GEAR & PINION ASSY.)  | нет в наличии, поставок нет | 
|  32  | 5004938 |    (последний код) GEARSET,V6 FWD&PIN                                                                | нет в наличии, поставок нет | 
|  33  | 0387656 | THRUST Подшипник, Шестерня (THRUST BEARING, Pinion)  | нет в наличии, поставок нет | 
|  33  | 0383248 |    (последний код) BEARING                                                                           | нет в наличии, поставок нет | 
|  34  | 0327656 | Упорная шайба шестерни Шестерня (THRUST WASHER, Pinion)  | нет в наличии, поставок нет | 
|  34  | 0314729 |    (последний код) THRUST-WASHE                                                                      | нет в наличии, поставок нет | 
|  35  | 0336565 | THRUST Шайба шестерни заднего хода (THRUST WASHER, Reverse gear)  | нет в наличии, поставок нет | 
|  36  | 0324407 | Переключающая тяга. 20 дюйм (508 мм) Transom Models Only (SHIFT ROD. 20 in. (508mm) Transom Models Only)  | нет в наличии, поставок нет | 
|  36  | 0324408 | Переключающая тяга. 25 дюйм (635 мм) Transom Models Only (SHIFT ROD. 25 in. (635mm) Transom Models Only)  | нет в наличии, поставок нет | 
|  37  | 0336561 | Шестерня обратного хода (GEAR, Reverse)  | нет в наличии, поставок нет | 
|  38  | 0336562 | Переключатель собачки сцепления (SHIFTER, Clutch dog)  | нет в наличии, поставок нет | 
|  38  | 0337774 |    (последний код) SHIFTER,CLUTCH DOG                                                                | нет в наличии, поставок нет | 
|  39  | 0313448 | Штифт сцепления dog (PIN, Clutch dog)  | нет в наличии, поставок нет | 
|  40  | 0324369 | Пружина, Сцепление dog Штифт (SPRING, Clutch dog pin)  | нет в наличии, поставок нет | 
|  40  | 0313454 |    (последний код) SPRING                                                                            | нет в наличии, поставок нет | 
|  41  | 0318544 | , Заглушка, Fill & drain (,PLUG, Fill & drain)  | нет в наличии, поставок нет | 
|  41  | 0912624 |    (последний код) SCREW                                                                             | нет в наличии, поставок нет | 
|  42  | 0333572 | Уплотнительное кольцо (O-RING)  | нет в наличии, поставок нет | 
|  42  | 3855081 |    (последний код) 0-RING                                                                            | нет в наличии, поставок нет | 
|  43  | 0323362 | Регулировочная шайба, 0.003 (SHIM, 0.003)  | нет в наличии, поставок нет | 
|  43  | 0323361 | Регулировочная шайба, 0.004 (SHIM, 0.004)  | нет в наличии, поставок нет | 
|  43  | 0314745 | Регулировочная шайба, 0.005 (SHIM, 0.005)  | нет в наличии, поставок нет | 
|  44  | 0327669 | Упорная шайба, Fwd. Шестерня (THRUST WASHER, Fwd. gear)  | нет в наличии, поставок нет | 
|  44  | 0324805 |    (последний код) THRUST-WASHE                                                                      | нет в наличии, поставок нет | 
|  45  | 0388618 | Крышка & Сальник в сборе. (COVER & SEAL ASSY.)  | нет в наличии, поставок нет | 
|  45  | 5006241 |    (последний код) COVER AY,SHIFT ROD                                                                | нет в наличии, поставок нет | 
|  46  | 0318372 | Уплотнительное кольцо, Переключающая тяга (O-RING, Shift rod)  | нет в наличии, поставок нет | 
|  47  | 0318544 | Винт дренажный & fill (SCREW, Drain & fill)  | нет в наличии, поставок нет | 
|  47  | 0912624 |    (последний код) SCREW                                                                             | нет в наличии, поставок нет | 
|  47A  | 0333572 | Уплотнительное кольцо (O-RING)  | нет в наличии, поставок нет | 
|  47A  | 3855081 |    (последний код) 0-RING                                                                            | нет в наличии, поставок нет | 
|  48  | 0302325 | Винт, Крышка (SCREW, Cover)  | нет в наличии, поставок нет | 
|  49  | 0160084 | Шарик, Detent (BALL, Detent)  | нет в наличии, поставок нет | 
|  49  | 3852023 |    (последний код) BALL                                                                              | нет в наличии, поставок нет | 
|  50  | 0908158 | Винт, Анод (SCREW, Anode)  | нет в наличии, поставок нет | 
|  50  | 3852050 |    (последний код) SCREW                                                                             | нет в наличии, поставок нет | 
|  51  | 0389042 | THRUST BRG. в сборе., Fwd. Шестерня (THRUST BRG. ASSY., Fwd. gear)  | нет в наличии, поставок нет | 
|  52  | 0431708 | Анод, Подшипник hsg. (ANODE, Bearing hsg.)  | нет в наличии, поставок нет | 
|  52  | 0397111 |    (последний код) ANODE-AY                                                                          | нет в наличии, поставок нет | 
|  53  | 0328096 | Винт, Анод (SCREW, Anode)  | нет в наличии, поставок нет | 
|  53  | 0327046 |    (последний код) SCREW                                                                             | нет в наличии, поставок нет | 
|  54  | 0393023 | Анод (ANODE)  | нет в наличии, поставок нет | 
|  54  | 0436745 |    (последний код) ANODE&INSERT AY                                                                   | нет в наличии, поставок нет | 
|  55  | 0395040 | Крыльчатка Корпус, Редуктор (IMPELLER HOUSING, Gearcase)  | нет в наличии, поставок нет | 
|  55  | 0435485 |    (последний код) HOUSING-AY,P                                                                      | нет в наличии, поставок нет | 
|  56  | 0320570 | Проставка гайки гребного винта (SPACER, Propeller nut)  | нет в наличии, поставок нет | 
|  56  | 3852163 |    (последний код) SPACER,PROP                                                                       | нет в наличии, поставок нет | 
|  57  | 0328715 | Винт, Крыльчатка Корпус. Also included in Ремкомплект водяного насоса 395062 (SCREW, Impeller housing. Also included in Water Pump Repair Kit 395062)  | нет в наличии, поставок нет | 
|  57  | 0335221 |    (последний код) SCREW                                                                             | нет в наличии, поставок нет | 
|  58  | 0314008 | Пыльник водяной трубки. Also included in Ремкомплект водяного насоса 395062 (GROMMET, Water tube. Also included in Water Pump Repair Kit 395062)  | нет в наличии, поставок нет | 
|  59  | 0321159 | Колпак крыльчатки Корпус. Also included in Ремкомплект водяного насоса 395062 (COVER, Impeller housing. Also included in Water Pump Repair Kit 395062)  | нет в наличии, поставок нет | 
|  59  | 0338893 |    (последний код) COVER,IMPELL                                                                      | нет в наличии, поставок нет | 
|  60  | 0327640 | Пластина трима, Редуктор. Also included in Ремкомплект водяного насоса 395062 (TRIM TAB, Gearcase. Also included in Water Pump Repair Kit 395062)  | нет в наличии, поставок нет | 
|  60  | 0338742 |    (последний код) TAB,TRIM-STD                                                                      | нет в наличии, поставок нет | 
|  61  | 0320943 | Пыльник, Крыльчатка Корпус. Also included in Ремкомплект водяного насоса 395062 (GROMMET, Impeller housing. Also included in Water Pump Repair Kit 395062)  | 1 шт | 300 руб. | 
|  62  | 0310585 | Уплотнительное кольцо, DriveВал to Картер двигателя. Also included in Ремкомплект водяного насоса 395062 (O-RING, Driveshaft to crankcase. Also included in Water Pump Repair Kit 395062)  | нет в наличии, поставок нет | 
|  63  | 0330379 | Cвыше, Крыльчатка. Stainless Steel Also included in Ремкомплект водяного насоса 395062 (CUP, Impeller. Stainless Steel Also included in Water Pump Repair Kit 395062)  | нет в наличии, поставок нет | 
|  63  | 0435027 |    (последний код) CUP-&-PLATE                                                                       | нет в наличии, поставок нет | 
|  63  | 0330384 | Cвыше, Крыльчатка Корпус. хромированная пластина (CUP, Impeller housing. Chrome Plated)  | нет в наличии, поставок нет | 
|  63  | 0435526 |    (последний код) CUP & PLATE AY                                                                    | нет в наличии, поставок нет | 
|  64  | 0306643 | Винт, Крышка to Крыльчатка. Also included in Ремкомплект водяного насоса 395062 (SCREW, Cover to impeller. Also included in Water Pump Repair Kit 395062)  | нет в наличии, поставок нет | 
|  64  | 3852066 |    (последний код) SCREW                                                                             | нет в наличии, поставок нет | 
|  65  | 0313715 | Винт, Пластина трима (SCREW, Trim tab)  | нет в наличии, поставок нет | 
|  66  | 0330380 | Пластина корпуса крыльчатки. Stainless Steel Also included in Ремкомплект водяного насоса 395062 (PLATE, Impeller housing. Stainless Steel Also included in Water Pump Repair Kit 395062)  | нет в наличии, поставок нет | 
|  66  | 0435027 |    (последний код) CUP-&-PLATE                                                                       | нет в наличии, поставок нет | 
|  66  | 0330383 | Пластина корпуса крыльчатки. хромированная пластина (PLATE, Impeller housing. Chrome Plated)  | нет в наличии, поставок нет | 
|  66  | 0435526 |    (последний код) CUP & PLATE AY                                                                    | нет в наличии, поставок нет | 
|  67  | 0398042 | Гайка & KEEPER, Гребной винт (NUT & KEEPER, Propeller)  | нет в наличии, поставок нет | 
|  67  | 3850984 |    (последний код) NUT&KEEPER AY,PROP                                                                | нет в наличии, поставок нет | 
|  68  | 0306394 | Шплинт, Гайка гребного винта (COTTER PIN, Propeller nut)  | нет в наличии, поставок нет | 
|  68  | 3852056 |    (последний код) PIN,COTTER                                                                        | нет в наличии, поставок нет | 
|  69  | 0330265 | Шайба, Винт, long (WASHER, Screw, long)  | нет в наличии, поставок нет | 
|  70  | 0331998 | Винт, Редуктор to Корпус (SCREW, Gearcase to housing)  | нет в наличии, поставок нет | 
|  70  | 0914535 |    (последний код) SCREW                                                                             | нет в наличии, поставок нет | 
|  71  | 0321008 | Пыльник, Exh. to hsg. to shft Тяга. Also included in Ремкомплект водяного насоса 395062 (GROMMET, Exh. to hsg. to shft rod. Also included in Water Pump Repair Kit 395062)  | нет в наличии, поставок нет | 
|  72  | 0331999 | Винт, Редуктор to Корпус (SCREW, Gearcase to housing)  | нет в наличии, поставок нет | 
|  72  | 0910457 |    (последний код) SCREW                                                                             | нет в наличии, поставок нет | 
|  73  | 0331353 | Сальник, Крыльчатка Корпус Пластина. Also included in Ремкомплект водяного насоса 395062 (SEAL, Impeller housing plate. Also included in Water Pump Repair Kit 395062)  | 1 шт | 790 руб. | 
|  74  | 0395864 | Крыльчатка & Ключ в сборе.. Also included in Ремкомплект водяного насоса 395062 (IMPELLER & KEY ASSY.. Also included in Water Pump Repair Kit 395062)  | нет в наличии, поставок нет | 
|  74  | 5001593 |    (последний код) KIT AY,IMPELLER                                                                   | нет в наличии, поставок нет | 
|  75  | 0331107 | Ключ, Крыльчатка. Also included in Ремкомплект водяного насоса 395062 (KEY, Impeller. Also included in Water Pump Repair Kit 395062)  | нет в наличии, поставок нет | 
|  76  | 0321122 | Проставка, Переключающая тяга. 25 дюйм (635 мм) Transom Models Only (SPACER, Shift rod. 25 in. (635mm) Transom Models Only)  | нет в наличии, поставок нет | 
|  77  | 0322302 | Сальник, Переключающая тяга (SEAL, Shift rod)  | нет в наличии, поставок нет | 
|  77  | 0321361 |    (последний код) SEAL                                                                              | нет в наличии, поставок нет | 
|  78  | 0126402 | Упорная втулка, 3 blade (THRUST BUSHING, 3 blade)  | нет в наличии, поставок нет | 
|  78  | 0126870 |    (последний код) BUSHING,THRUST                                                                    | нет в наличии, поставок нет | 
|  78  | 0126318 | Упорная втулка, 4 blade (THRUST BUSHING, 4 blade)  | нет в наличии, поставок нет | 
|  78  | 0128777 |    (последний код) BUSHING,THRUST                                                                    | нет в наличии, поставок нет | 
|  79  | 0324701 | Прокладка крыльчатки hsg. Пластина. Also included in Ремкомплект водяного насосаs 395062 & 395060 (GASKET, Impeller hsg. plate. Also included in Water Pump Repair Kits 395062 & 395060)  | нет в наличии, поставок нет | 
|  79  | 0338484 |    (последний код) GASKET,WTR PMP 5PK                                                                | нет в наличии, поставок нет | 
|  80  | 0330263 | Винт, Редуктор, rear (SCREW, Gearcase, rear)  | нет в наличии, поставок нет | 
|  80  | 0914534 |    (последний код) SCREW                                                                             | нет в наличии, поставок нет | 
|  81  | 0332000 | Кольцевой сальник. Also included in Ремкомплект водяного насоса 395062 (SEAL RING. Also included in Water Pump Repair Kit 395062)  | нет в наличии, поставок нет | 
|  82  | 0391536 | Гребной винт, 15 1 / 2 X 13 (PROPELLER, 15 1/2 X 13)  | нет в наличии, поставок нет | 
|  82  | 0391535 | Гребной винт, 15 1 / 2 X 15 (PROPELLER, 15 1/2 X 15)  | нет в наличии, поставок нет | 
|  82  | 0763471 |    (последний код) PROP AL 15X15                                                                     | нет в наличии, поставок нет | 
|  82  | 0391200 | Гребной винт, 15 X 17 (PROPELLER, 15 X 17)  | нет в наличии, поставок нет | 
|  82  | 0765187 |    (последний код) PROP AY,AL 14.8X17                                                                | нет в наличии, поставок нет | 
|  82  | 0391201 | Гребной винт, 14 1 / 2 X 19 (PROPELLER, 14 1/2 X 19)  | нет в наличии, поставок нет | 
|  82  | 0765188 |    (последний код) PROP AY,AL 14.5X19                                                                | нет в наличии, поставок нет | 
|  82  | 0391202 | Гребной винт, 14 1 / 4 X 21 (PROPELLER, 14 1/4 X 21)  | нет в наличии, поставок нет | 
|  82  | 0387163 | Гребной винт, 14 1 / 4 X 23 (PROPELLER, 14 1/4 X 23)  | нет в наличии, поставок нет | 
|  82  | 0177137 |    (последний код) AL PROP,14.25 X 23                                                                | нет в наличии, поставок нет | 
|  82  | 0174926 | Гребной винт, 15 X 15 ST (PROPELLER, 15 X 15 ST)  | нет в наличии, поставок нет | 
|  82  | 0390831 | Гребной винт, 15 1 / 2 X 14 SST II (PROPELLER, 15 1/2 X 14 SST II)  | нет в наличии, поставок нет | 
|  82  | 0389925 | Гребной винт, 15 X 16 SST II (PROPELLER, 15 X 16 SST II)  | нет в наличии, поставок нет | 
|  82  | 0387518 |    (последний код) SST-V-6-17"                                                                       | нет в наличии, поставок нет | 
|  82  | 0391290 | Гребной винт, 15 X 17 SST II (PROPELLER, 15 X 17 SST II)  | нет в наличии, поставок нет | 
|  82  | 0763914 |    (последний код) VIPERTBX14.75X17RH                                                                | нет в наличии, поставок нет | 
|  82  | 0389924 | Гребной винт, 14 1 / 2 X 19 SST II (PROPELLER, 14 1/2 X 19 SST II)  | нет в наличии, поставок нет | 
|  82  | 0763918 |    (последний код) VIPERTBX14.75X19RH                                                                | нет в наличии, поставок нет | 
|  82  | 0389923 | Гребной винт, 14 1 / 4 X 21 SST II (PROPELLER, 14 1/4 X 21 SST II)  | нет в наличии, поставок нет | 
|  82  | 0176619 |    (последний код) SST V6 14.75X21                                                                   | нет в наличии, поставок нет | 
|  82  | 0389019 | Гребной винт, 14 1 / 4 X 23 SST II (PROPELLER, 14 1/4 X 23 SST II)  | нет в наличии, поставок нет | 
|  82  | 0390725 | Гребной винт, 14 1 / 4 X 25 SST R (PROPELLER, 14 1/4 X 25 SST R)  | нет в наличии, поставок нет | 
|  82  | 0387995 | Гребной винт, 14 1 / 2 X 24 SST R (PROPELLER, 14 1/2 X 24 SST R)  | нет в наличии, поставок нет | 
|  82  | 0387996 | Гребной винт, 14 1 / 2 X 26 SST R (PROPELLER, 14 1/2 X 26 SST R)  | нет в наличии, поставок нет | 
|  82  | 0391863 | Гребной винт, 14 1 / 4 X 27 OMC SRX (PROPELLER, 14 1/4 X 27 OMC SRX)  | нет в наличии, поставок нет | 
|  82  | 0391864 | Гребной винт, 14 1 / 4 X 29 OMC SRX (PROPELLER, 14 1/4 X 29 OMC SRX)  | нет в наличии, поставок нет | 
|  82  | 0394752 | Гребной винт, 14 1 / 2 X 29 OMC RAKER (PROPELLER, 14 1/2 X 29 OMC RAKER)  | нет в наличии, поставок нет | 
|  82  | 0394753 | Гребной винт, 14 1 / 2 X 20 OMC RAKER (PROPELLER, 14 1/2 X 20 OMC RAKER)  | нет в наличии, поставок нет | 
|  82  | 0394754 | Гребной винт, 14 1 / 2 X 24 OMC RAKER (PROPELLER, 14 1/2 X 24 OMC RAKER)  | нет в наличии, поставок нет | 
|  82  | 0177264 |    (последний код) RAKER II TBX 22RH                                                                 | нет в наличии, поставок нет | 
|  82  | 0394755 | Гребной винт, 14 1 / 2 X 22 OMC RAKER (PROPELLER, 14 1/2 X 22 OMC RAKER)  | нет в наличии, поставок нет | 
|  82  | 0177265 |    (последний код) RAKER II TBX 24RH                                                                 | нет в наличии, поставок нет | 
|  82  | 0394756 | Гребной винт, 14 1 / 2 X 26 OMC RAKER (PROPELLER, 14 1/2 X 26 OMC RAKER)  | нет в наличии, поставок нет | 
|  82  | 0177266 |    (последний код) RAKER-2/TBX 26 RH                                                                 | нет в наличии, поставок нет | 
|  82  | 0394757 | Гребной винт, 14 1 / 2 X 28 OMC RAKER (PROPELLER, 14 1/2 X 28 OMC RAKER)  | нет в наличии, поставок нет | 
|  82  | 0177267 |    (последний код) RAKERII TBX 28                                                                    | нет в наличии, поставок нет | 
|  82  | 0431717 | PROP, 4 blade, 13 1 / 2 x 23 (PROP, 4 blade, 13 1/2 x 23)  | нет в наличии, поставок нет | 
|  82  | 0175700 |    (последний код) PROP-AY,13.5                                                                      | нет в наличии, поставок нет | 
|  82  | 0431718 | PROP, 4 blade, 13 1 / 4 x 25 (PROP, 4 blade, 13 1/4 x 25)  | нет в наличии, поставок нет | 
|  82  | 0175701 |    (последний код) PROP-AY,13.2                                                                      | нет в наличии, поставок нет | 
|  82  | 0431719 | PROP, 4 blade, 13 1 / 4 x 27 (PROP, 4 blade, 13 1/4 x 27)  | нет в наличии, поставок нет | 
|  82  | 0175702 |    (последний код) 9ROP-AY,13.2                                                                      | нет в наличии, поставок нет | 
|  82  | 0174821 | PROP, 4 blade, 13 1 / 4 x 29 (PROP, 4 blade, 13 1/4 x 29)  | нет в наличии, поставок нет | 
|  83  | 0332394 | CONVERGING Кольцо, 3 blade (CONVERGING RING, 3 blade)  | нет в наличии, поставок нет | 
|  83  | 3854241 |    (последний код) RING, CONVERGING                                                                  | нет в наличии, поставок нет | 
|  84  | 0387157 | Втулка в сборе., Prop., 3 blade (BUSHING ASSY., Prop., 3 blade)  | нет в наличии, поставок нет | 
|  84  | 0431730 | Втулка в сборе., Prop., 4 blade (BUSHING ASSY., Prop., 4 blade)  | нет в наличии, поставок нет | 
|  85  | 0313926 | Гильза, Втулка (SLEEVE, Bushing)  | нет в наличии, поставок нет | 
|  85  | 3850831 |    (последний код) SLEEVE-PROP                                                                       | нет в наличии, поставок нет | 
|  86  | 0395059 | Хромированный ремкомплект водяного насоса (Inc. imp. hsg) (CHROME PUMP KIT (Inc. imp. hsg))  | нет в наличии, поставок нет | 
|  86  | 0435526 |    (последний код) CUP & PLATE AY                                                                    | нет в наличии, поставок нет | 
|  87  | 0434516 | Комплект сальников редуктора (GEARCASE SEAL KIT)  | нет в наличии, поставок нет | 
|  87  | 5006373 |    (последний код) KIT AY,SEAL-GC                                                                    | нет в наличии, поставок нет | 
|  88  | 0395060 | Ремкомплект водяного насоса (WATER PUMP REPAIR KIT)  | нет в наличии, поставок нет | 
|  88  | 5001594 |    (последний код) KIT AY,WATER PUMP                                                                 | нет в наличии, поставок нет | 
|  88  | T-5001594 |    (не оригинальный аналог) Ремкомплект насоса охлаждения Evinrude-Johnson 5001594  | 2 шт шт | по запросу | 
|  88  | 0395062 | Ремкомплект водяного насоса. Includes Крыльчатка Корпус (WATER PUMP REPAIR KIT. Includes Impeller Housing)  | нет в наличии, поставок нет | 
|  88  | 5001594 |    (последний код) KIT AY,WATER PUMP                                                                 | нет в наличии, поставок нет | 
|  88  | T-5001594 |    (не оригинальный аналог) Ремкомплект насоса охлаждения Evinrude-Johnson 5001594  | 2 шт шт | по запросу |