вконтакте

Контактный телефон: +7 (981) 121-46-93, +7 (800) 200-90-76 , Email: parts-katalog@yandex.ru, где купить

 
 

  Логин:

Пароль:

Регистрация

www.partskatalog.ru Все каталоги Запчасти Mercury Запчасти Suzuki Запчасти Tohatsu Запчасти Honda Контакты



УВАЖАЕМЫЕ КЛИЕНТЫ!
C 31 ОКТЯБРЯ 2025 ПО 10 НОЯБРЯ 2025 ГОДА РАБОТАТЬ НЕ БУДЕМ




Все разделы каталога запчастей на этот двигатель

Раздел:   вперёд

вернуться к списку узлов и деталей

ДЕТАЛИРОВКА ДЛЯ МОДЕЛИ: EVINRUDE E3REIA 1991

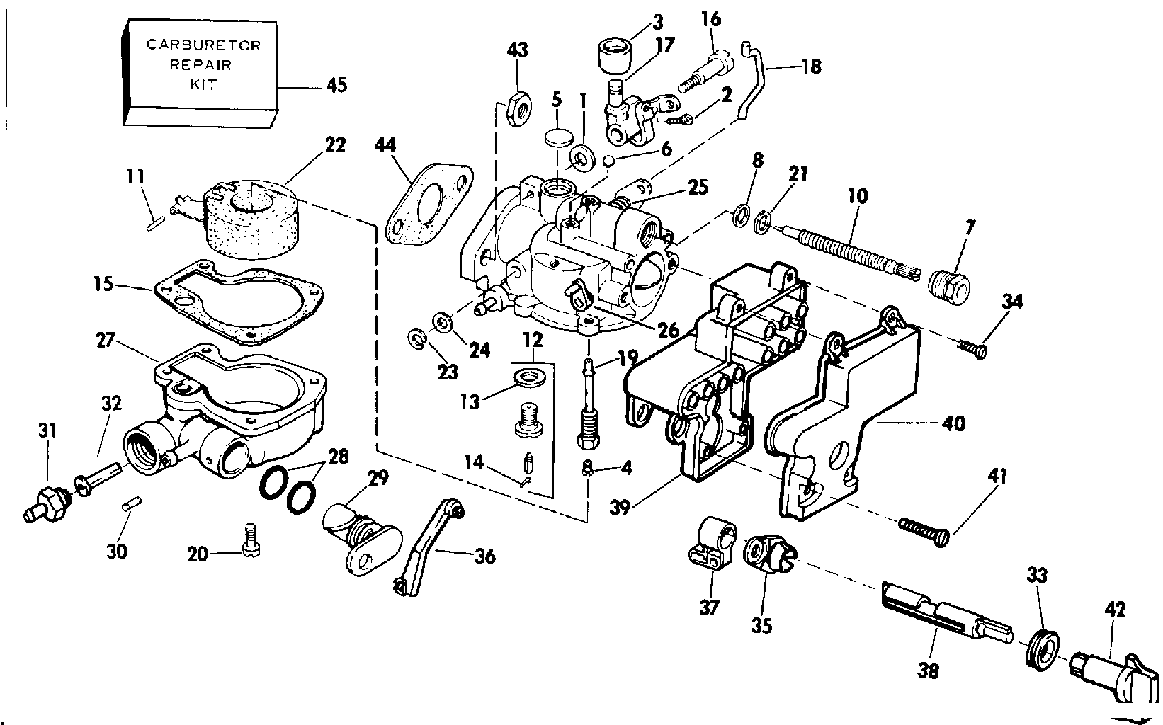
КАРБЮРАТОР | CARBURETOR;


Лодочный мотор Эвинруд E3REIA 1991  - rburetor / rburetor

Номер на
рисунке
АртикулНаименованиеКол-во
на складе
Цена
0434069 0434069

Карбюратор в сборе.. Not shown 3RE Models Only (CARBURETOR ASSY.. Not shown 3RE Models Only)

нет в наличии, поставок нет
0434070 0434070

Карбюратор в сборе.. Not shown 4RE, 4RL Models Only (CARBURETOR ASSY.. Not shown 4RE, 4RL Models Only)

нет в наличии, поставок нет
1 0330190

Шайба (WASHER)

нет в наличии, поставок нет
1 0310925

   (последний код) WASHER

нет в наличии, поставок нет
2 0330346

Винт, Cam folнижний (SCREW, Cam follower)

1 шт710 руб.
2 0324393

   (последний код) SCREW

нет в наличии, поставок нет
3 0323328

Ролик колпачка folнижний (ROLLER, Cam follower)

1 шт620 руб.
4 0320015

ORIFICE, № 33. 3RE Models Only (ORIFICE, No. 33. 3RE Models Only)

нет в наличии, поставок нет
4 0318832

ORIFICE, № 35. 4RE, 4RL Models Only (ORIFICE, No. 35. 4RE, 4RL Models Only)

нет в наличии, поставок нет
5 0202310

Заглушка, Expansion (PLUG, Expansion)

нет в наличии, поставок нет
6 0304201

LEAD SHOT (LEAD SHOT)

нет в наличии, поставок нет
7 0300179

PKG, Гайка, Adj. Игольчатый клапанs (PKG, NUT, Adj. needle valves)

нет в наличии, поставок нет
8 0307583

Прокладка клапана. Also included in Ремкомплект карбюратора 398452 (PACKING, Valve. Also included in Carburetor Repair Kit 398452)

нет в наличии, поставок нет
10 0431632

Игольчатый клапан, Slow speed (NEEDLE VALVE, Slow speed)

нет в наличии, поставок нет
10 0386417

   (последний код) NEEDLE-VALVE

нет в наличии, поставок нет
11 0302661

HINGE Стопор рычага поплавка. Also included in Ремкомплект карбюратора 398452 (HINGE PIN, Float arm. Also included in Carburetor Repair Kit 398452)

нет в наличии, поставок нет
12 0396521

Клапан поплавка. 3RE Models Only Also included in Ремкомплект карбюратора 398452 (FLOAT VALVE. 3RE Models Only Also included in Carburetor Repair Kit 398452)

нет в наличии, поставок нет
12 0678882

   (последний код) VALVE-&-SEAT

нет в наличии, поставок нет
12 0396522

Клапан поплавка. 4RE, 4RL Models Only Also included in Ремкомплект карбюратора 398452 (FLOAT VALVE. 4RE, 4RL Models Only Also included in Carburetor Repair Kit 398452)

нет в наличии, поставок нет
12 0382889

   (последний код) FLOAT-VALVE

нет в наличии, поставок нет
13 0301996

Прокладка. Also included in Ремкомплект карбюратора 398452 (GASKET. Also included in Carburetor Repair Kit 398452)

1 шт140 руб.
14 0603145

Пружина Зажим. Also included in Ремкомплект карбюратора 398452 (SPRING CLIP. Also included in Carburetor Repair Kit 398452)

нет в наличии, поставок нет
14 0336842

   (последний код) CLIP,SPRING

нет в наличии, поставок нет
15 0331477

Прокладка. 3RE Models Only Also included in Ремкомплект карбюратора 398452 (GASKET. 3RE Models Only Also included in Carburetor Repair Kit 398452)

нет в наличии, поставок нет
15 0338877

   (последний код) GASKET

нет в наличии, поставок нет
15 0331499

Прокладка. 4RE, 4RL Models Only Also included in Ремкомплект карбюратора 398452 (GASKET. 4RE, 4RL Models Only Also included in Carburetor Repair Kit 398452)

нет в наличии, поставок нет
15 0338878

   (последний код) GASKET

нет в наличии, поставок нет
16 0312831

SHOULDER Винт (SHOULDER SCREW)

нет в наличии, поставок нет
17 0323327

CAM FOLнижний (CAM FOLLOWER)

нет в наличии, поставок нет
18 0330286

Соединитель, Cam folнижний (LINK, Cam follower)

1 шт1080 руб.
18 0324065

   (последний код) LINK

1 шт840 руб.
19 0323410

NOZZLE, High speed (NOZZLE, High speed)

нет в наличии, поставок нет
20 0326821

Винт, Поплавковая камера. 3RE Models Only (SCREW, Float chamber. 3RE Models Only)

нет в наличии, поставок нет
20 0319008

Винт, Поплавковая камера. 4RE, 4RL Models Only (SCREW, Float chamber. 4RE, 4RL Models Only)

нет в наличии, поставок нет
21 0306027

Шайба, Прокладка. Also included in Ремкомплект карбюратора 398452 (WASHER, Packing. Also included in Carburetor Repair Kit 398452)

нет в наличии, поставок нет
22 0396514

Поплавок в сборе.. Also included in Ремкомплект карбюратора 398452 (FLOAT ASSY.. Also included in Carburetor Repair Kit 398452)

нет в наличии, поставок нет
22 0386149

   (последний код) FLOAT&ARM AY

нет в наличии, поставок нет
23 0202755

Фиксатор, Вал дросселя (RETAINER, Throttle shaft)

нет в наличии, поставок нет
23 0203949

   (последний код) RETAINER

нет в наличии, поставок нет
24 0330191

Шайба, Вал дросселя (WASHER, Throttle shaft)

нет в наличии, поставок нет
24 0303048

   (последний код) WASHER

нет в наличии, поставок нет
25 0320469

Пружина, Дроссель return (SPRING, Throttle return)

нет в наличии, поставок нет
26 0326222

Рычаг заслонки Вал (LEVER, Choke shaft)

нет в наличии, поставок нет
27 0398448

Поплавковая камера в сборе.. 3RE Models Only (FLOAT CHAMBER ASSY.. 3RE Models Only)

нет в наличии, поставок нет
27 0391958

   (последний код) FLOAT-BOWL

нет в наличии, поставок нет
27 0330881

Поплавковая камера в сборе.. 4RE, 4RL Models Only (FLOAT CHAMBER ASSY.. 4RE, 4RL Models Only)

нет в наличии, поставок нет
27 0319010

   (последний код) FLOAT CHAMBER

нет в наличии, поставок нет
28 0333428

Уплотнительное кольцо, Клапан. 3RE Models Only Also included in Ремкомплект карбюратора 398452 (O-RING, Valve. 3RE Models Only Also included in Carburetor Repair Kit 398452)

нет в наличии, поставок нет
29 0326226

SHUT-OFF Клапан. 3RE Models Only (SHUT-OFF VALVE. 3RE Models Only)

нет в наличии, поставок нет
30 0325762

ROLL Штифт, Shut-off Клапан. 3RE Models Only Also included in Ремкомплект карбюратора 398452 (ROLL PIN, Shut-off valve. 3RE Models Only Also included in Carburetor Repair Kit 398452)

нет в наличии, поставок нет
31 0324667

Ниппель, Поплавковая камера. 3RE Models Only (NIPPLE, Float chamber. 3RE Models Only)

нет в наличии, поставок нет
32 0324661

BLADDER (BLADDER)

нет в наличии, поставок нет
33 0336174

Пыльник ручки заслонки (GROMMET, Choke knob)

1 шт550 руб.
34 0330121

Винт, Крышка to Основание (SCREW, Cover to base)

нет в наличии, поставок нет
34 0326186

   (последний код) SCREW

нет в наличии, поставок нет
35 0326225

Рычаг заслонки Ручка (LEVER, Choke knob)

нет в наличии, поставок нет
36 0324696

Соединитель, Рычаг to Клапан. 3RE Models Only (LINK, Lever to valve. 3RE Models Only)

1 шт650 руб.
36 0326227

   (последний код) LINK

нет в наличии, поставок нет
37 0326229

Соединитель, Choke Рычаг (LINK, Choke lever)

нет в наличии, поставок нет
38 0326224

Вал, Choke & fuel shut-off (SHAFT, Choke & fuel shut-off)

нет в наличии, поставок нет
39 0336012

Основание, Air Глушитель (BASE, Air silencer)

нет в наличии, поставок нет
40 0336036

AIR Глушитель (AIR SILENCER)

нет в наличии, поставок нет
41 0329892

Винт, Глушитель to carb. (SCREW, Silencer to carb.)

нет в наличии, поставок нет
41 0313397

   (последний код) SCREW

нет в наличии, поставок нет
42 0336186

Регулятор дросселя (KNOB, Choke)

1 шт710 руб.
42 0334441

   (последний код) KNOB-CHOKE

1 шт550 руб.
43 0328742

Гайка, Carb. Шпилька. (NUT, Carb. stud.)

нет в наличии, поставок нет
43 0308133

   (последний код) NUT

нет в наличии, поставок нет
44 0323452

Прокладка. Also included in Ремкомплект карбюратора 398452 (GASKET. Also included in Carburetor Repair Kit 398452)

нет в наличии, поставок нет
45 0398451

Ремкомплект карбюратора. 3RE Models Only (CARBURETOR REPAIR KIT. 3RE Models Only)

нет в наличии, поставок нет
45 0439070

   (последний код) KIT AY,CARB REPAIR

нет в наличии, поставок нет
45 0398452

Ремкомплект карбюратора. 4RE, 4RL Models Only (CARBURETOR REPAIR KIT. 4RE, 4RL Models Only)

нет в наличии, поставок нет
45 0439072

   (последний код) KIT AY,CARB REPAIR

нет в наличии, поставок нет
evinrude

Время выполнения запроса 2.1171679496765 сек.


 
 

данный сайт носит информационный характер и не является публичной офертой

склад запчастей для водомоторной техники