Номер на рисунке | Артикул | Наименование | Кол-во на складе | Цена |
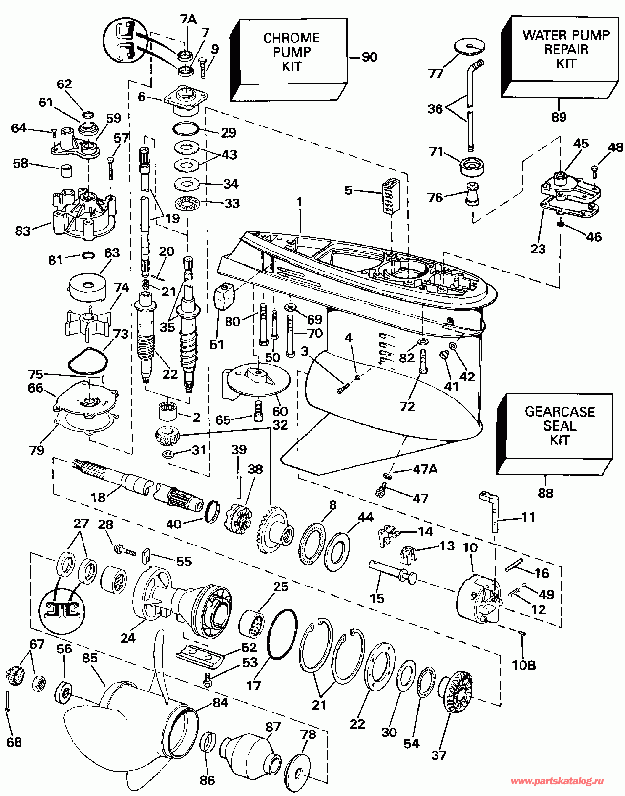
| 0433713 | 0433713 | Редуктор в сборе., комплект. Not Shown 20 дюйм (508 мм) Transom Models Only (GEARCASE ASSY., Complete. Not Shown 20 in. (508mm) Transom Models Only) | нет в наличии, поставок нет |
| 0433713 | 0434419 | (последний код) GEARCASE | нет в наличии, поставок нет |
| 0433714 | 0433714 | Редуктор в сборе., комплект. Not Shown 25 дюйм (635 мм) Transom Models Only (GEARCASE ASSY., Complete. Not Shown 25 in. (635mm) Transom Models Only) | нет в наличии, поставок нет |
| 0433714 | 0434420 | (последний код) GEARCASE94" | нет в наличии, поставок нет |
| 1 | 0431695 | Редуктор в сборе с подшипником. (GEARCASE & BEARING ASSY.) | нет в наличии, поставок нет |
| 1 | 0439973 | (последний код) CALL TECH SVC/QIPL | нет в наличии, поставок нет |
| 2 | 0387817 | Подшипник, Шестерня (BEARING, Pinion) | нет в наличии, поставок нет |
| 3 | 0324852 | Установочный винт & Сальник, Подшипник (SET SCREW & SEAL, Bearing) | нет в наличии, поставок нет |
| 4 | 0332584 | Сальник (SEAL) | нет в наличии, поставок нет |
| 5 | 0321123 | Водяной экран Система впуска (SCREEN, Water intake) | нет в наличии, поставок нет |
| 6 | 0397493 | Подшипник Корпус & Сальник (BEARING HOUSING & SEAL) | нет в наличии, поставок нет |
| 6 | 0439476 | (последний код) DS BRG HSG&SEAL AY | нет в наличии, поставок нет |
| 7 | 0329923 | Сальник, DriveВал, нижний (SEAL, Driveshaft, lower) | нет в наличии, поставок нет |
| 7A | 0329922 | Сальник, DriveВал, верхний (SEAL, Driveshaft, upper) | нет в наличии, поставок нет |
| 8 | 0389042 | THRUST BRG. в сборе., Fwd. Шестерня (THRUST BRG. ASSY., Fwd. gear) | нет в наличии, поставок нет |
| 9 | 0317624 | Винт, Корпус to Редуктор (SCREW, Housing to gearcase) | нет в наличии, поставок нет |
| 10 | 0389455 | Корпус & Подшипник в сборе. (HOUSING & BEARING ASSY.) | нет в наличии, поставок нет |
| 10B | 0331880 | Штифт, Корпус (PIN, Housing) | нет в наличии, поставок нет |
| 11 | 0323946 | DETENT, Переключательer (DETENT, Shifter) | нет в наличии, поставок нет |
| 11 | 0915954 | (последний код) DETENT | нет в наличии, поставок нет |
| 12 | 0911962 | Фиксатор пружины (SPRING, Detent) | нет в наличии, поставок нет |
| 12 | 0915955 | (последний код) SPRING | нет в наличии, поставок нет |
| 13 | 0334163 | CRADLE, Переключательer (CRADLE, Shifter) | 5 шт | 1880 руб. |
| 13 | 0322900 | (последний код) CRADLE-SHIFT | нет в наличии, поставок нет |
| 14 | 0322938 | ПереключательER (SHIFTER) | нет в наличии, поставок нет |
| 15 | 0322941 | Вал (SHAFT) | нет в наличии, поставок нет |
| 16 | 0328825 | Штифт, Рычаг переключения (PIN, Shift lever) | нет в наличии, поставок нет |
| 17 | 0321119 | Уплотнительное кольцо, Вал гребного винта (O-RING, Propeller shaft) | нет в наличии, поставок нет |
| 17 | 0305123 | (последний код) O-RING | нет в наличии, поставок нет |
| 18 | 0395209 | Вал гребного винта в сборе. (PROPELLER SHAFT ASSY.) | нет в наличии, поставок нет |
| 18 | 0391472 | (последний код) PROP-SHAFT | нет в наличии, поставок нет |
| 0433632 | 0433632 | Приводной вал.. Not Shown 25 дюйм (635 мм) Transom Models Only (DRIVESHAFT ASSY.. Not Shown 25 in. (635mm) Transom Models Only) | нет в наличии, поставок нет |
| 0433632 | 5000776 | (последний код) KIT AY,D/SHAFT-25" | нет в наличии, поставок нет |
| 19 | 0335678 | DRIVEВал, верхний 25 дюйм (635 мм) Transom Models Only (DRIVESHAFT, Upper. 25 in. (635mm) Transom Models Only) | нет в наличии, поставок нет |
| 19 | 5000626 | (последний код) KIT, UPPR D/S 25" | нет в наличии, поставок нет |
| 20 | 0311538 | ROLL Штифт, DriveВал. 25 дюйм (635 мм) Transom Models Only (ROLL PIN, Driveshaft. 25 in. (635mm) Transom Models Only) | нет в наличии, поставок нет |
| 21 | 0335684 | Пружина, DriveВал. 25 дюйм (635 мм) Transom Models Only (SPRING, Driveshaft. 25 in. (635mm) Transom Models Only) | нет в наличии, поставок нет |
| 22 | 0335677 | DRIVEВал, нижний 25 дюйм (635 мм) Transom Models Only (DRIVESHAFT, Lower. 25 in. (635mm) Transom Models Only) | нет в наличии, поставок нет |
| 22 | 0345905 | (последний код) DRIVESHAFT,LOWER | нет в наличии, поставок нет |
| 23 | 0324670 | Прокладка, Переключающая тяга Крышка (GASKET, Shift rod cover) | нет в наличии, поставок нет |
| 23 | 0352165 | (последний код) GASKET | 2 шт | 550 руб. |
| 24 | 0432688 | Подшипник HSG. Сальник в сборе. (BEARING HSG. SEAL ASSY.) | нет в наличии, поставок нет |
| 24 | 0438039 | (последний код) PROP SHAFT HSG AY | нет в наличии, поставок нет |
| 25 | 0382407 | Игольчатый подшипник в сборе. (NEEDLE BEARING ASSY.) | 1 шт | 5500 руб. |
| 26 | 0387247 | Игольчатый подшипник в сборе. (NEEDLE BEARING ASSY.) | нет в наличии, поставок нет |
| 27 | 0320862 | Сальник (SEAL) | нет в наличии, поставок нет |
| 28 | 0333955 | Винт (SCREW) | нет в наличии, поставок нет |
| 28 | 0350271 | (последний код) SCREW, BRG CARRIER | нет в наличии, поставок нет |
| 29 | 0314728 | Уплотнительное кольцо, DriveВал Подшипник (O-RING, Driveshaft bearing) | нет в наличии, поставок нет |
| 29 | 0354731 | (последний код) O-RING | 1 шт | 850 руб. |
| 30 | 0314731 | THRUST Шайба шестерни заднего хода (THRUST WASHER, Reverse gear) | нет в наличии, поставок нет |
| 31 | 0314730 | Гайка, Шестерня to driveВал (NUT, Pinion to driveshaft) | нет в наличии, поставок нет |
| 32 | 0983141 | Шестерня & Комплект шестерёнок.. Use part number 435020 для outboards, sea drives и stКольцоer S.D. Use part number 986980 для OMC cobra. (GEAR & PINION ASSY.. Use part number 435020 for outboards,sea drives and stringer S.D. Use part number 986980 for OMC cobra.) | нет в наличии, поставок нет |
| 32 | 0397564 | (последний код) GEARSET-AY | нет в наличии, поставок нет |
| 33 | 0387656 | THRUST Подшипник, Шестерня (THRUST BEARING, Pinion) | нет в наличии, поставок нет |
| 33 | 0383248 | (последний код) BEARING | нет в наличии, поставок нет |
| 34 | 0327656 | Упорная шайба шестерни Шестерня (THRUST WASHER, Pinion) | нет в наличии, поставок нет |
| 34 | 0314729 | (последний код) THRUST-WASHE | нет в наличии, поставок нет |
| 35 | 0394615 | Приводной вал.. 20 дюйм (508 мм) Transom Models Only (DRIVESHAFT ASSY.. 20 in. (508mm) Transom Models Only) | нет в наличии, поставок нет |
| 35 | 5000775 | (последний код) KIT AYD/SHAFT-20 | нет в наличии, поставок нет |
| 36 | 0329864 | Переключающая тяга. 20 дюйм (508 мм) Transom Models Only (SHIFT ROD. 20 in. (508mm) Transom Models Only) | нет в наличии, поставок нет |
| 36 | 0329865 | Переключающая тяга. 25 дюйм (635 мм) Transom Models Only (SHIFT ROD. 25 in. (635mm) Transom Models Only) | нет в наличии, поставок нет |
| 37 | 0910994 | Шестерня обратного хода (GEAR, Reverse) | нет в наличии, поставок нет |
| 38 | 0334516 | Переключатель собачки сцепления (SHIFTER, Clutch dog) | нет в наличии, поставок нет |
| 38 | 0337774 | (последний код) SHIFTER,CLUTCH DOG | нет в наличии, поставок нет |
| 39 | 0313448 | Штифт сцепления dog (PIN, Clutch dog) | нет в наличии, поставок нет |
| 40 | 0324369 | Пружина, Сцепление dog Штифт (SPRING, Clutch dog pin) | нет в наличии, поставок нет |
| 40 | 0313454 | (последний код) SPRING | нет в наличии, поставок нет |
| 41 | 0318544 | Заглушка, Fill & drain (PLUG, Fill & drain) | нет в наличии, поставок нет |
| 41 | 0912624 | (последний код) SCREW | нет в наличии, поставок нет |
| 42 | 0333572 | Уплотнительное кольцо (O-RING) | нет в наличии, поставок нет |
| 42 | 3855081 | (последний код) 0-RING | нет в наличии, поставок нет |
| 43 | 0323362 | Регулировочная шайба, 0.003" (SHIM, 0.003") | нет в наличии, поставок нет |
| 43 | 0323361 | Регулировочная шайба, 0.004" (SHIM, 0.004") | нет в наличии, поставок нет |
| 43 | 0314745 | Регулировочная шайба, 0.005" (SHIM, 0.005") | нет в наличии, поставок нет |
| 44 | 0327669 | Упорная шайба, Fwd. Шестерня (THRUST WASHER, Fwd. gear) | нет в наличии, поставок нет |
| 44 | 0324805 | (последний код) THRUST-WASHE | нет в наличии, поставок нет |
| 45 | 0388618 | Крышка & Сальник в сборе. (COVER & SEAL ASSY.) | нет в наличии, поставок нет |
| 45 | 5006241 | (последний код) COVER AY,SHIFT ROD | нет в наличии, поставок нет |
| 46 | 0318372 | Уплотнительное кольцо, Переключающая тяга (O-RING, Shift rod) | нет в наличии, поставок нет |
| 47 | 0318544 | Винт дренажный & fill (SCREW, Drain & fill) | нет в наличии, поставок нет |
| 47 | 0912624 | (последний код) SCREW | нет в наличии, поставок нет |
| 47A | 0333572 | Уплотнительное кольцо (O-RING) | нет в наличии, поставок нет |
| 47A | 3855081 | (последний код) 0-RING | нет в наличии, поставок нет |
| 48 | 0302325 | Винт, Крышка (SCREW, Cover) | нет в наличии, поставок нет |
| 49 | 0160084 | Шарик, Detent (BALL, Detent) | нет в наличии, поставок нет |
| 49 | 3852023 | (последний код) BALL | нет в наличии, поставок нет |
| 50 | 0330437 | Винт, Анод (SCREW, Anode) | нет в наличии, поставок нет |
| 50 | 3852201 | (последний код) SCREW | нет в наличии, поставок нет |
| 51 | 0393023 | Анод (ANODE) | нет в наличии, поставок нет |
| 51 | 0436745 | (последний код) ANODE&INSERT AY | нет в наличии, поставок нет |
| 52 | 0431708 | Анод, Подшипник hsg (ANODE, Bearing hsg) | нет в наличии, поставок нет |
| 52 | 0397111 | (последний код) ANODE-AY | нет в наличии, поставок нет |
| 53 | 0908158 | Винт, Анод (SCREW, Anode) | нет в наличии, поставок нет |
| 53 | 3852050 | (последний код) SCREW | нет в наличии, поставок нет |
| 54 | 0382408 | THRUST BRG., Reverse Шестерня (THRUST BRG., Reverse gear) | нет в наличии, поставок нет |
| 55 | 0333957 | TAB, Фиксатор (TAB, Retainer) | нет в наличии, поставок нет |
| 56 | 0320570 | Проставка гайки гребного винта (SPACER, Propeller nut) | нет в наличии, поставок нет |
| 56 | 3852163 | (последний код) SPACER,PROP | нет в наличии, поставок нет |
| 57 | 0328715 | Винт, Крыльчатка Корпус. Also included in contents of Ремкомплект водяного насоса #395062 (SCREW, Impeller housing. Also included in contents of Water Pump Repair Kit #395062) | нет в наличии, поставок нет |
| 57 | 0335221 | (последний код) SCREW | нет в наличии, поставок нет |
| 58 | 0314008 | Пыльник водяной трубки. Also included in contents of Ремкомплект водяного насоса #395062 (GROMMET, Water tube. Also included in contents of Water Pump Repair Kit #395062) | нет в наличии, поставок нет |
| 59 | 0321159 | Колпак крыльчатки Корпус. Also included in contents of Ремкомплект водяного насоса #395062 (COVER, Impeller housing. Also included in contents of Water Pump Repair Kit #395062) | нет в наличии, поставок нет |
| 59 | 0338893 | (последний код) COVER,IMPELL | нет в наличии, поставок нет |
| 60 | 0327640 | Пластина трима, Редуктор (TRIM TAB, Gearcase) | нет в наличии, поставок нет |
| 60 | 0338742 | (последний код) TAB,TRIM-STD | нет в наличии, поставок нет |
| 61 | 0320943 | Пыльник, Крыльчатка Корпус. Also included in contents of Ремкомплект водяного насоса #395062 (GROMMET, Impeller housing. Also included in contents of Water Pump Repair Kit #395062) | 1 шт | 300 руб. |
| 62 | 0310585 | Уплотнительное кольцо, DriveВал to Картер двигателя. Also included in contents of Ремкомплект водяного насоса #395062 (O-RING, Driveshaft to crankcase. Also included in contents of Water Pump Repair Kit #395062) | нет в наличии, поставок нет |
| 63 | 0330379 | Cвыше, Крыльчатка. Also included in contents of Ремкомплект водяного насоса #395062 Stainless Steel (CUP, Impeller. Also included in contents of Water Pump Repair Kit #395062 Stainless Steel) | нет в наличии, поставок нет |
| 63 | 0435027 | (последний код) CUP-&-PLATE | нет в наличии, поставок нет |
| 63 | 0330384 | Cвыше, Крыльчатка Корпус. хромированная пластина (CUP, Impeller housing. Chrome Plated) | нет в наличии, поставок нет |
| 63 | 0435526 | (последний код) CUP & PLATE AY | нет в наличии, поставок нет |
| 64 | 0306643 | Винт, Крышка to Крыльчатка. Also included in contents of Ремкомплект водяного насоса #395062 (SCREW, Cover to impeller. Also included in contents of Water Pump Repair Kit #395062) | нет в наличии, поставок нет |
| 64 | 3852066 | (последний код) SCREW | нет в наличии, поставок нет |
| 65 | 0313715 | Винт, Пластина трима (SCREW, Trim tab) | нет в наличии, поставок нет |
| 66 | 0330380 | Пластина корпуса крыльчатки. Also included in contents of Ремкомплект водяного насоса #395062 Stainless Steel (PLATE, Impeller housing. Also included in contents of Water Pump Repair Kit #395062 Stainless Steel) | нет в наличии, поставок нет |
| 66 | 0435027 | (последний код) CUP-&-PLATE | нет в наличии, поставок нет |
| 66 | 0330383 | Пластина корпуса крыльчатки. хромированная пластина (PLATE, Impeller housing. Chrome Plated) | нет в наличии, поставок нет |
| 66 | 0435526 | (последний код) CUP & PLATE AY | нет в наличии, поставок нет |
| 67 | 0398042 | Гайка & KEEPER, Гребной винт (NUT & KEEPER, Propeller) | нет в наличии, поставок нет |
| 67 | 3850984 | (последний код) NUT&KEEPER AY,PROP | нет в наличии, поставок нет |
| 68 | 0306394 | Шплинт, Гайка гребного винта (COTTER PIN, Propeller nut) | нет в наличии, поставок нет |
| 68 | 3852056 | (последний код) PIN,COTTER | нет в наличии, поставок нет |
| 69 | 0330265 | Шайба, Винт, long (WASHER, Screw, long) | нет в наличии, поставок нет |
| 70 | 0331998 | Винт, Редуктор to Корпус (SCREW, Gearcase to housing) | нет в наличии, поставок нет |
| 70 | 0914535 | (последний код) SCREW | нет в наличии, поставок нет |
| 71 | 0321008 | Пыльник, Exh. hsg. to Переключающая тяга. Also included in contents of Ремкомплект водяного насоса #395062 (GROMMET, Exh. hsg. to shift rod. Also included in contents of Water Pump Repair Kit #395062) | нет в наличии, поставок нет |
| 72 | 0331999 | Винт, Редуктор to Корпус (SCREW, Gearcase to housing) | нет в наличии, поставок нет |
| 72 | 0910457 | (последний код) SCREW | нет в наличии, поставок нет |
| 73 | 0331353 | Сальник, Крыльчатка Корпус Пластина. Also included in contents of Ремкомплект водяного насоса #395062 (SEAL, Impeller housing plate. Also included in contents of Water Pump Repair Kit #395062) | 1 шт | 790 руб. |
| 74 | 0395864 | Крыльчатка & Ключ в сборе.. Also included in contents of Ремкомплект водяного насоса #395062 (IMPELLER & KEY ASSY.. Also included in contents of Water Pump Repair Kit #395062) | нет в наличии, поставок нет |
| 74 | 5001593 | (последний код) KIT AY,IMPELLER | нет в наличии, поставок нет |
| 75 | 0331107 | Ключ, Крыльчатка. Also included in contents of Ремкомплект водяного насоса #395062 (KEY, Impeller. Also included in contents of Water Pump Repair Kit #395062) | нет в наличии, поставок нет |
| 76 | 0321122 | Проставка, Переключающая тяга. 25 дюйм (635 мм) Transom Models Only (SPACER, Shift rod. 25 in. (635mm) Transom Models Only) | нет в наличии, поставок нет |
| 77 | 0322302 | Сальник, Переключающая тяга (SEAL, Shift rod) | нет в наличии, поставок нет |
| 77 | 0321361 | (последний код) SEAL | нет в наличии, поставок нет |
| 78 | 0333592 | Упорная втулка, 3 blade (THRUST BUSHING, 3 blade) | нет в наличии, поставок нет |
| 78 | 0321173 | (последний код) THRUST BUSHING | нет в наличии, поставок нет |
| 78 | 0318841 | Упорная втулка, 4 blade (THRUST BUSHING, 4 blade) | нет в наличии, поставок нет |
| 78 | 0127084 | (последний код) BUSHING,THRUST | нет в наличии, поставок нет |
| 79 | 0324701 | Прокладка, Imp. hsg Пластина. Also included in contents of Ремкомплект водяного насоса #395062 Also included in contents of Комплект сальников редуктора #396353 (GASKET, Imp. hsg plate. Also included in contents of Water Pump Repair Kit #395062 Also included in contents of Gearcase Seal Kit #396353) | нет в наличии, поставок нет |
| 79 | 0338484 | (последний код) GASKET,WTR PMP 5PK | нет в наличии, поставок нет |
| 80 | 0330263 | Винт, Редуктор, rear (SCREW, Gearcase, rear) | нет в наличии, поставок нет |
| 80 | 0914534 | (последний код) SCREW | нет в наличии, поставок нет |
| 81 | 0332000 | Кольцевой сальник. Also included in contents of Ремкомплект водяного насоса #395062 (SEAL RING. Also included in contents of Water Pump Repair Kit #395062) | нет в наличии, поставок нет |
| 82 | 0330266 | Шайба, Винт (WASHER, Screw) | нет в наличии, поставок нет |
| 82 | 3852200 | (последний код) WASHER | нет в наличии, поставок нет |
| 83 | 0395040 | Крыльчатка Корпус, Редуктор (IMPELLER HOUSING, Gearcase) | нет в наличии, поставок нет |
| 83 | 0435485 | (последний код) HOUSING-AY,P | нет в наличии, поставок нет |
| 84 | 0391536 | Гребной винт, 15 1 / 2 X 13 (PROPELLER, 15 1/2 X 13) | нет в наличии, поставок нет |
| 84 | 0391535 | Гребной винт, 15 1 / 2 x 15 (PROPELLER, 15 1/2 x 15) | нет в наличии, поставок нет |
| 84 | 0763471 | (последний код) PROP AL 15X15 | нет в наличии, поставок нет |
| 84 | 0391200 | Гребной винт, 15 X 17 (PROPELLER, 15 X 17) | нет в наличии, поставок нет |
| 84 | 0765187 | (последний код) PROP AY,AL 14.8X17 | нет в наличии, поставок нет |
| 84 | 0391201 | Гребной винт, 14 1 / 2 X 19 (PROPELLER, 14 1/2 X 19) | нет в наличии, поставок нет |
| 84 | 0765188 | (последний код) PROP AY,AL 14.5X19 | нет в наличии, поставок нет |
| 84 | 0391202 | Гребной винт, 14 1 / 4 X 21 (PROPELLER, 14 1/4 X 21) | нет в наличии, поставок нет |
| 84 | 0391203 | Гребной винт, 14 1 / 4 X 23 (PROPELLER, 14 1/4 X 23) | нет в наличии, поставок нет |
| 84 | 0174926 | Гребной винт, 15 X 15 SST (PROPELLER, 15 X 15 SST) | нет в наличии, поставок нет |
| 84 | 0390831 | Гребной винт, 15 1 / 2 X 14 SST II (PROPELLER, 15 1/2 X 14 SST II) | нет в наличии, поставок нет |
| 84 | 0389925 | Гребной винт, 15 X 16 SST II (PROPELLER, 15 X 16 SST II) | нет в наличии, поставок нет |
| 84 | 0387518 | (последний код) SST-V-6-17" | нет в наличии, поставок нет |
| 84 | 0391290 | Гребной винт, 15 X 17 SST II (PROPELLER, 15 X 17 SST II) | нет в наличии, поставок нет |
| 84 | 0763914 | (последний код) VIPERTBX14.75X17RH | нет в наличии, поставок нет |
| 84 | 0389924 | Гребной винт, 14 1 / 2 X 19 SST (PROPELLER, 14 1/2 X 19 SST) | нет в наличии, поставок нет |
| 84 | 0763918 | (последний код) VIPERTBX14.75X19RH | нет в наличии, поставок нет |
| 84 | 0389923 | Гребной винт, 14 1 / 4 X 21 SST II (PROPELLER, 14 1/4 X 21 SST II) | нет в наличии, поставок нет |
| 84 | 0176619 | (последний код) SST V6 14.75X21 | нет в наличии, поставок нет |
| 84 | 0389019 | Гребной винт, 14 1 / 4 X 23 SST II (PROPELLER, 14 1/4 X 23 SST II) | нет в наличии, поставок нет |
| 84 | 0390725 | Гребной винт, 14 X 25 SST II (PROPELLER, 14 X 25 SST II) | нет в наличии, поставок нет |
| 84 | 0391863 | Гребной винт, 14 1 / 4 X 27 OMC SRX (PROPELLER, 14 1/4 X 27 OMC SRX) | нет в наличии, поставок нет |
| 84 | 0391864 | Гребной винт, 14 1 / 4 X 29 OMC SRX (PROPELLER, 14 1/4 X 29 OMC SRX) | нет в наличии, поставок нет |
| 84 | 0387995 | Гребной винт, 14 1 / 4 X 24 SST RACER (PROPELLER, 14 1/4 X 24 SST RACER) | нет в наличии, поставок нет |
| 84 | 0387996 | Гребной винт, 14 1 / 2 X 26 SST RACKER (PROPELLER, 14 1/2 X 26 SST RACKER) | нет в наличии, поставок нет |
| 84 | 0431717 | Гребной винт, 13 1 / 2 X 23, 4 blade (PROPELLER, 13 1/2 X 23, 4 blade) | нет в наличии, поставок нет |
| 84 | 0175700 | (последний код) PROP-AY,13.5 | нет в наличии, поставок нет |
| 84 | 0431718 | Гребной винт, 13 1 / 4 X 25, 4 blade (PROPELLER, 13 1/4 X 25, 4 blade) | нет в наличии, поставок нет |
| 84 | 0175701 | (последний код) PROP-AY,13.2 | нет в наличии, поставок нет |
| 84 | 0431719 | Гребной винт, 13 1 / 4 X 27, 4 blade (PROPELLER, 13 1/4 X 27, 4 blade) | нет в наличии, поставок нет |
| 84 | 0175702 | (последний код) 9ROP-AY,13.2 | нет в наличии, поставок нет |
| 84 | 0174821 | Гребной винт, 13 1 / 4 X 29, 4 blade (PROPELLER, 13 1/4 X 29, 4 blade) | нет в наличии, поставок нет |
| 85 | 0332394 | CONVERGING Кольцо, 3 blade (CONVERGING RING, 3 blade) | нет в наличии, поставок нет |
| 85 | 3854241 | (последний код) RING, CONVERGING | нет в наличии, поставок нет |
| 86 | 0313926 | Гильза, Втулка (SLEEVE, Bushing) | нет в наличии, поставок нет |
| 86 | 3850831 | (последний код) SLEEVE-PROP | нет в наличии, поставок нет |
| 87 | 0387157 | Втулка в сборе., Prop., 3 blade (BUSHING ASSY., Prop., 3 blade) | нет в наличии, поставок нет |
| 87 | 0431730 | Втулка в сборе., Prop., 4 blade (BUSHING ASSY., Prop., 4 blade) | нет в наличии, поставок нет |
| 88 | 0396353 | Комплект сальников редуктора (GEARCASE SEAL KIT) | нет в наличии, поставок нет |
| 88 | 5006373 | (последний код) KIT AY,SEAL-GC | нет в наличии, поставок нет |
| 89 | 0395060 | Ремкомплект водяного насоса (WATER PUMP REPAIR KIT) | нет в наличии, поставок нет |
| 89 | 5001594 | (последний код) KIT AY,WATER PUMP | нет в наличии, поставок нет |
| 89 | T-5001594 | (не оригинальный аналог) Ремкомплект насоса охлаждения Evinrude-Johnson 5001594 | 2 шт шт | по запросу |
| 89 | 0395062 | Ремкомплект водяного насоса, (Includes Крыльчатка Корпус) (WATER PUMP REPAIR KIT, (Includes impeller housing)) | нет в наличии, поставок нет |
| 89 | 5001594 | (последний код) KIT AY,WATER PUMP | нет в наличии, поставок нет |
| 89 | T-5001594 | (не оригинальный аналог) Ремкомплект насоса охлаждения Evinrude-Johnson 5001594 | 2 шт шт | по запросу |
| 90 | 0395059 | Хромированный ремкомплект водяного насоса, (Includes Крыльчатка hsg.) (CHROME PUMP KIT, (Includes impeller hsg.)) | нет в наличии, поставок нет |
| 90 | 0435526 | (последний код) CUP & PLATE AY | нет в наличии, поставок нет |