вконтакте

Контактный телефон: +7 (981) 121-46-93, +7 (800) 200-90-76 , Email: parts-katalog@yandex.ru, где купить

 
 

  Логин:

Пароль:

Регистрация

www.partskatalog.ru Все каталоги Запчасти Mercury Запчасти Suzuki Запчасти Tohatsu Запчасти Honda Контакты


Все разделы каталога запчастей на этот двигатель

назад Раздел:   вперёд

вернуться к списку узлов и деталей

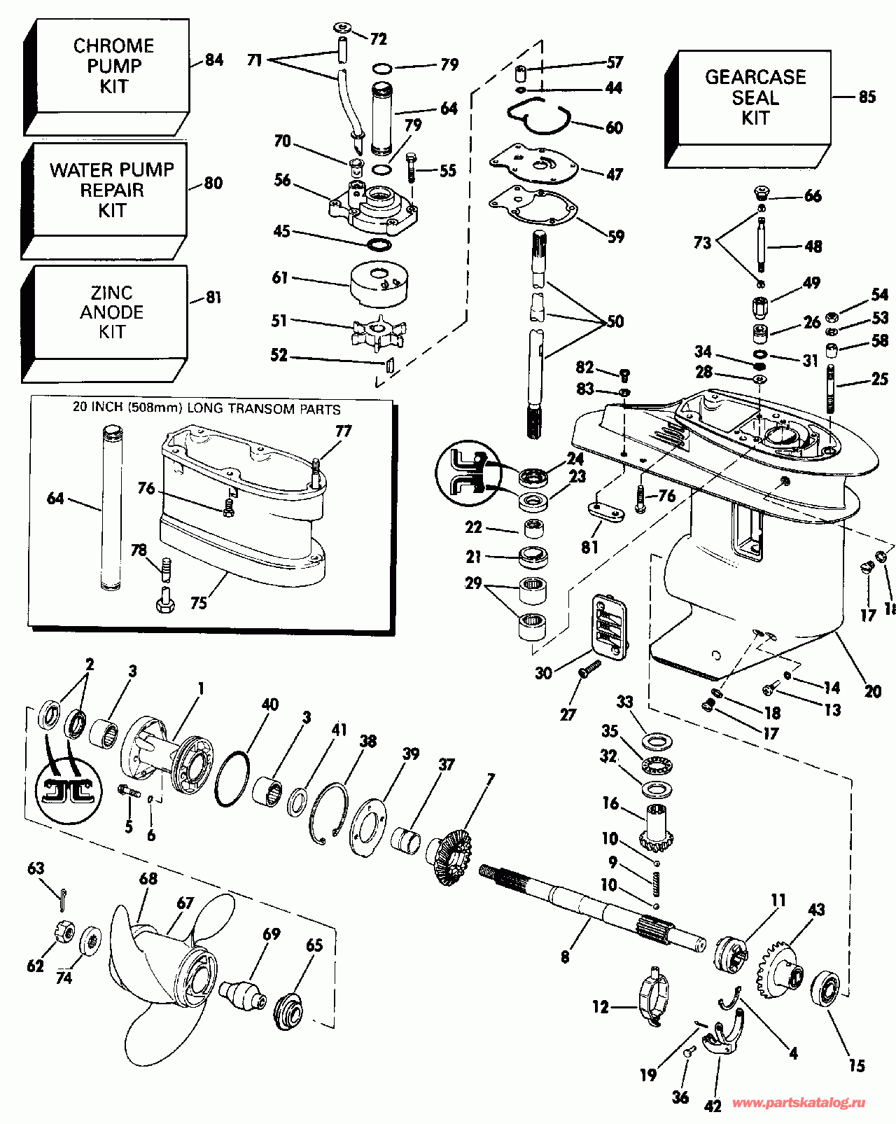
ДЕТАЛИРОВКА ДЛЯ МОДЕЛИ: EVINRUDE E35RLESS 1990

РЕДУКТОР | GEARCASE;


Подвесной лодочный мотор EVINRUDE E35RLESS 1990  - arcase - arcase

Номер на
рисунке
АртикулНаименованиеКол-во
на складе
Цена
0433431 0433431

Редуктор в сборе., комплект. Not Shown All 20 / 25 / 30 / 35 Except 15" Length Шнур Start 20 / 25 Models Dose Not Include DriveВал (GEARCASE ASSY., Complete. Not Shown All 20/25/30/35 Except 15" Length Rope Start 20/25 Models Dose Not Include Driveshaft)

нет в наличии, поставок нет
0433431 0434763

   (последний код) GEARCASE AY,COMPL

нет в наличии, поставок нет
0433430 0433430

Редуктор в сборе., комплект. Not Shown All 20 / 25 15" Length Шнур Start Models Dose Not Include DriveВал (GEARCASE ASSY., Complete. Not Shown All 20/25 15" Length Rope Start Models Dose Not Include Driveshaft)

нет в наличии, поставок нет
0433430 0434763

   (последний код) GEARCASE AY,COMPL

нет в наличии, поставок нет
1 0433428

Подшипник Корпус & Сальник (BEARING HOUSING & SEAL)

нет в наличии, поставок нет
1 0387023

   (последний код) BRG-HSG&SEAL

нет в наличии, поставок нет
2 0321453

Сальник, Гребной винт., Prop Вал (SEAL, Propeller., Prop shaft)

нет в наличии, поставок нет
2 0317843

   (последний код) OIL RETAINER

нет в наличии, поставок нет
3 0376856

Подшипник в сборе., Prop Вал (BEARING ASSY., Prop shaft)

нет в наличии, поставок нет
4 0328311

CRADLE, Сцепление dog (CRADLE, Clutch dog)

нет в наличии, поставок нет
5 0319743

Винт, Prop, Вал brg. hsg. (SCREW, Prop, shaft brg. hsg.)

нет в наличии, поставок нет
6 0332584

Шайба, Кольцевой сальник (WASHER, Seal ring)

нет в наличии, поставок нет
7 0327655

Шестерня обратного хода (GEAR, Reverse)

нет в наличии, поставок нет
8 0390268

Вал гребного винта (PROPELLER SHAFT)

нет в наличии, поставок нет
8 0439143

   (последний код) SHAFT AY,PROPELLER

нет в наличии, поставок нет
9 0327070

Фиксатор пружины, prop. Вал (SPRING, Detent, prop. shaft)

нет в наличии, поставок нет
10 0316506

Шарик, Detent, prop. Вал (BALL, Detent, prop. shaft)

нет в наличии, поставок нет
11 0328318

Переключатель собачки сцепления (SHIFTER, Clutch dog)

нет в наличии, поставок нет
11 0434765

   (последний код) LEVER&SHIFTER

нет в наличии, поставок нет
12 0390023

YOKE и Коннектор в сборе. (YOKE AND CONNECTOR ASSY.)

нет в наличии, поставок нет
12 0386744

   (последний код) YOKE

нет в наличии, поставок нет
13 0308376

Стержень Штифт переключателя Рычаг (PIVOT PIN, Shifter lever)

нет в наличии, поставок нет
13 0303358

   (последний код) PIVOT-PIN

нет в наличии, поставок нет
14 0332584

Шайба, Кольцевой сальник, Стержень Штифт (WASHER, Seal ring, pivot pin)

нет в наличии, поставок нет
15 0386186

Роликовый подшипник, Fwd. Шестерня (ROLLER BEARING, Fwd. gear)

нет в наличии, поставок нет
16 0328313

Шестерня, driveВал (GEAR, Pinion, driveshaft)

нет в наличии, поставок нет
17 0307551

Винт, (SCREW,)

нет в наличии, поставок нет
17 0982851

   (последний код) SCREW-PLUG

нет в наличии, поставок нет
18 0333572

Уплотнительное кольцо (O-RING)

нет в наличии, поставок нет
18 3855081

   (последний код) 0-RING

нет в наличии, поставок нет
19 0303049

Шплинт, Переключательer Рычаг (COTTER PIN, Shifter lever)

нет в наличии, поставок нет
20 0432637

Редуктор. All 20 / 25 / 30 / 35 Except 15" Length Шнур Start 20 / 25 Models Dose Not Include DriveВал (GEARCASE. All 20/25/30/35 Except 15" Length Rope Start 20/25 Models Dose Not Include Driveshaft)

нет в наличии, поставок нет
20 0434030

   (последний код) KIT, G-CASE HSG

нет в наличии, поставок нет
20 0432402

Редуктор. All 20 / 25 15" Length Шнур Start Models Dose Not Include DriveВал (GEARCASE. All 20/25 15" Length Rope Start Models Dose Not Include Driveshaft)

нет в наличии, поставок нет
21 0322018

Корпус, Brg. (HOUSING, Brg.)

нет в наличии, поставок нет
22 0386473

Подшипник в сборе. (BEARING ASSY.)

нет в наличии, поставок нет
23 0321928

Фиксатор, Oil, dВал, нижний (RETAINER, Oil, dshaft, lower)

нет в наличии, поставок нет
24 0332261

Сальник, dВал, верхний (SEAL, Oil, dshaft, upper)

3 шт720 руб.
25 0320173

Шпилька (STUD)

нет в наличии, поставок нет
26 0326361

Втулка, Переключающая тяга, нижний (BUSHING, Shift rod, lower)

нет в наличии, поставок нет
27 0325539

Винт, Screen to Редуктор (SCREW, Screen to gearcase)

нет в наличии, поставок нет
27 0312270

   (последний код) SCREW

нет в наличии, поставок нет
28 0321738

Шайба, Переключающая тяга Втулка (WASHER, Shift rod bushing)

нет в наличии, поставок нет
29 0376856

Подшипник в сборе., DВал Шестерня (BEARING ASSY., Dshaft pinion)

нет в наличии, поставок нет
30 0328261

SCREEN, Система впуска (SCREEN, Intake)

нет в наличии, поставок нет
30 0325538

   (последний код) SCREEN

нет в наличии, поставок нет
31 0303347

Уплотнительное кольцо, Scraper (O-RING, Scraper)

нет в наличии, поставок нет
32 0330441

Нижняя упорная шайба (THRUST WASHER, Lower)

нет в наличии, поставок нет
32 0327717

   (последний код) THRUST-WASHE

нет в наличии, поставок нет
33 0327716

Верхняя упорная шайба (THRUST WASHER, Upper)

нет в наличии, поставок нет
34 0301877

Уплотнительное кольцо, Втулка (O-RING, Bushing)

нет в наличии, поставок нет
35 0388027

THRUST Подшипник, Шестерня (THRUST BEARING, Pinion)

нет в наличии, поставок нет
36 0302504

Штифт, Yoke & conn. to Переключательer Рычаг (PIN, Yoke & conn. to shifter lever)

нет в наличии, поставок нет
37 0319635

Втулка, Reverse Шестерня (BUSHING, Reverse gear)

нет в наличии, поставок нет
38 0319747

Стопорное кольцо (RETAINING RING)

нет в наличии, поставок нет
39 0319746

Фиксатор Пластина, Корпус (RETAINER PLATE, Housing)

нет в наличии, поставок нет
40 0313893

Уплотнительное кольцо, Подшипник Корпус (O-RING, Bearing housing)

нет в наличии, поставок нет
40 0338518

   (последний код) O-RING

5 шт100 руб.
41 0319684

Упорная шайба (THRUST WASHER)

нет в наличии, поставок нет
42 0328771

Рычаг переключателяer (LEVER, Shifter)

нет в наличии, поставок нет
42 0434765

   (последний код) LEVER&SHIFTER

нет в наличии, поставок нет
43 0392475

Шестерня & Втулка в сборе., Fwd. (GEAR & BUSHING ASSY., Fwd.)

нет в наличии, поставок нет
44 0301877

Уплотнительное кольцо, Крыльчатка hsg.. Also included in Ремкомплект водяного насоса 393630 (O-RING, Impeller hsg.. Also included in Water Pump Repair Kit 393630)

нет в наличии, поставок нет
45 0554545

Уплотнительное кольцо, Cвыше to Крыльчатка hsg.. Also included in Ремкомплект водяного насосаs 393630 & 393509 (O-RING, Cup to impeller hsg.. Also included in Water Pump Repair Kits 393630 & 393509)

нет в наличии, поставок нет
47 0328755

Пластина корпуса крыльчатки. Also included in Ремкомплект водяного насоса 393630 (PLATE, Impeller housing. Also included in Water Pump Repair Kit 393630)

1 шт1180 руб.
48 0331479

Переключающая тяга, нижний (SHIFT ROD, Lower)

нет в наличии, поставок нет
49 0331465

Гайка, Переключающая тяга Коннектор (NUT, Shift rod connector)

нет в наличии, поставок нет
50 0328316

DRIVEВал, Std. (DRIVESHAFT, Std.)

нет в наличии, поставок нет
50 0341636

   (последний код) DRIVESHAFT,15"

нет в наличии, поставок нет
51 0395289

Крыльчатка в сборе. & Ключ. Also included in Ремкомплект водяного насоса 393630 (IMPELLER ASSY. & KEY. Also included in Water Pump Repair Kit 393630)

2 шт2060 руб.
51 0395265

   (последний код) IMP AY

2 шт1580 руб.
52 0330619

Ключ, Крыльчатка. Also included in Ремкомплект водяного насоса 393630 (KEY, Impeller. Also included in Water Pump Repair Kit 393630)

нет в наличии, поставок нет
52 0344470

   (последний код) KEY,IMPELLER-BLK

нет в наличии, поставок нет
53 0301250

LOCKШайба, Exh. hsg. to Шпилька (LOCKWASHER, Exh. hsg. to stud)

нет в наличии, поставок нет
53 0911009

   (последний код) WASHER

нет в наличии, поставок нет
54 0306422

Гайка, Шпилька. 20 INCH (508 мм) LONG TRANSOM PARTS (NUT, Stud. 20 INCH (508MM) LONG TRANSOM PARTS)

нет в наличии, поставок нет
55 0324960

Винт, Крыльчатка Корпус. Also included in Ремкомплект водяного насоса 393630 (SCREW, Impeller housing. Also included in Water Pump Repair Kit 393630)

нет в наличии, поставок нет
55 0323310

   (последний код) SCREW-IMP-HS

нет в наличии, поставок нет
56 0393632

Крыльчатка Корпус & Втулка (IMPELLER HOUSING & BUSHING)

нет в наличии, поставок нет
57 0328754

Втулка, Крыльчатка hsg. (BUSHING, Impeller hsg.)

нет в наличии, поставок нет
58 0319785

Втулка, Шпилька. 20 INCH (508 мм) LONG TRANSOM PARTS (BUSHING, Stud. 20 INCH (508MM) LONG TRANSOM PARTS)

нет в наличии, поставок нет
59 0325537

Прокладка, Пластина to Редуктор. Also included in Ремкомплект водяного насосаs 393630 & 393509 (GASKET, Plate to gearcase. Also included in Water Pump Repair Kits 393630 & 393509)

нет в наличии, поставок нет
60 0328753

Сальник, Крыльчатка hsg. to Пластина. Also included in Ремкомплект водяного насосаs 393630 & 393509 (SEAL, Impeller hsg. to plate. Also included in Water Pump Repair Kits 393630 & 393509)

нет в наличии, поставок нет
61 0328751

Cвыше, Крыльчатка Корпус. Also included in Ремкомплект водяного насоса 393630 (CUP, Impeller housing. Also included in Water Pump Repair Kit 393630)

нет в наличии, поставок нет
61 0323008

   (последний код) CUP,IMPELLER HSG

нет в наличии, поставок нет
62 0319891

Гайка гребного винта (NUT, Propeller)

нет в наличии, поставок нет
63 0320785

Шплинт (COTTER PIN)

нет в наличии, поставок нет
64 0326692

Проставка, Крыльчатка hsg., std. (SPACER, Impeller hsg., std.)

нет в наличии, поставок нет
64 0322408

   (последний код) SPACER

нет в наличии, поставок нет
65 0335420

Упорная втулка, Prop. (THRUST BUSHING, Prop.)

нет в наличии, поставок нет
66 0325624

Коннектор переключающей тяги (CONNECTOR, Shift rod)

нет в наличии, поставок нет
67 0387320

Гребной винт 11 1 / 4 X 7 AL (PROPELLER 11 1/4 X 7 AL)

нет в наличии, поставок нет
67 0391064

Гребной винт 10 X 17 AL (PROPELLER 10 X 17 AL)

нет в наличии, поставок нет
67 0386637

Гребной винт 10 1 / 2 X 11 AL (PROPELLER 10 1/2 X 11 AL)

нет в наличии, поставок нет
67 0763459

   (последний код) PROP AL 10.5 X 11

нет в наличии, поставок нет
67 0386933

Гребной винт 10 X 13 AL (PROPELLER 10 X 13 AL)

нет в наличии, поставок нет
67 0778863

   (последний код) PROP,AL/10.3X13

нет в наличии, поставок нет
67 0386317

Гребной винт 11 X 9 AL (PROPELLER 11 X 9 AL)

нет в наличии, поставок нет
67 0763487

   (последний код) PROP, AL 11 X 9

нет в наличии, поставок нет
67 0390728

Гребной винт 10 1 / 2 X 11 SST. (PROPELLER 10 1/2 X 11 SST.)

нет в наличии, поставок нет
67 0765176

   (последний код) PROP,SS-10X11 3BLD

нет в наличии, поставок нет
67 0390727

Гребной винт 11 X 9 SST. (PROPELLER 11 X 9 SST.)

нет в наличии, поставок нет
67 0390380

Гребной винт 10 X 15 AL. (PROPELLER 10 X 15 AL.)

нет в наличии, поставок нет
67 0763486

   (последний код) PROP, AL 10 X 15

1 шт12590 руб.
67 0390729

Гребной винт 10 X 13 SST. (PROPELLER 10 X 13 SST.)

нет в наличии, поставок нет
67 0765178

   (последний код) PROP,SST 10X13

нет в наличии, поставок нет
67 0390730

Гребной винт 10 X 15 SST. (PROPELLER 10 X 15 SST.)

нет в наличии, поставок нет
67 0390731

Гребной винт 10 X 17 SST. (PROPELLER 10 X 17 SST.)

нет в наличии, поставок нет
68 0332542

CONVERGING Кольцо (CONVERGING RING)

нет в наличии, поставок нет
68 0322101

   (последний код) CONVERGING RING

нет в наличии, поставок нет
69 0392881

Втулка в сборе., Prop. (SST) (BUSHING ASSY., Prop. (SST))

нет в наличии, поставок нет
69 0386638

Втулка в сборе., Prop. (ALUM) (BUSHING ASSY., Prop. (ALUM))

нет в наличии, поставок нет
70 0302497

Нижний пыльник трубки водяного насоса. Also included in Ремкомплект водяного насоса 393630 (GROMMET, Water tube, lower. Also included in Water Pump Repair Kit 393630)

2 шт250 руб.
71 0395339

Водяная трубка & Шайба, стандарт (WATER TUBE & WASHER, Standard)

нет в наличии, поставок нет
72 0330658

Шайба. 20 INCH (508 мм) LONG TRANSOM PARTS (WASHER. 20 INCH (508MM) LONG TRANSOM PARTS)

нет в наличии, поставок нет
73 0325625

KEEPER, Переключающая тяга, верхний to нижний (KEEPER, Shift rod, upper to lower)

нет в наличии, поставок нет
74 0323943

Проставка, Prop Гайка (SPACER, Prop nut)

нет в наличии, поставок нет
74 0319892

   (последний код) SPACER

нет в наличии, поставок нет
76 0328333

Винт, Редуктор to Корпус (SCREW, Gearcase to housing)

нет в наличии, поставок нет
79 0311338

Уплотнительное кольцо. Also included in Ремкомплект водяного насосаs 393630 & 393509 (O-RING. Also included in Water Pump Repair Kits 393630 & 393509)

нет в наличии, поставок нет
0396707 0396707

Удлинитель KIT в сборе.. Not Shown 20 INCH (508 мм) LONG TRANSOM PARTS (EXTENSION KIT ASSY.. Not Shown 20 INCH (508MM) LONG TRANSOM PARTS)

нет в наличии, поставок нет
0325541 0325541

Переключающая тяга, верхний long. Not Shown 20 INCH (508 мм) LONG TRANSOM PARTS (SHIFT ROD, Upper long. Not Shown 20 INCH (508MM) LONG TRANSOM PARTS)

нет в наличии, поставок нет
50 0328317

DRIVEВал, Long. 20 INCH (508 мм) LONG TRANSOM PARTS (DRIVESHAFT, Long. 20 INCH (508MM) LONG TRANSOM PARTS)

нет в наличии, поставок нет
50 0341637

   (последний код) DRIVESHAFT,20"

нет в наличии, поставок нет
53 0306470

LOCKШайба. 20 INCH (508 мм) LONG TRANSOM PARTS (LOCKWASHER. 20 INCH (508MM) LONG TRANSOM PARTS)

нет в наличии, поставок нет
53 3852061

   (последний код) LOCKWASHER

нет в наличии, поставок нет
54 0306422

Гайка. 20 INCH (508 мм) LONG TRANSOM PARTS (NUT. 20 INCH (508MM) LONG TRANSOM PARTS)

нет в наличии, поставок нет
58 0319785

Втулка. 20 INCH (508 мм) LONG TRANSOM PARTS (BUSHING. 20 INCH (508MM) LONG TRANSOM PARTS)

нет в наличии, поставок нет
64 0326693

Проставка, Imp. Корпус, long. 20 INCH (508 мм) LONG TRANSOM PARTS (SPACER, Imp. housing, long. 20 INCH (508MM) LONG TRANSOM PARTS)

нет в наличии, поставок нет
64 0322409

   (последний код) SPACER

нет в наличии, поставок нет
71 0395340

Водяная трубка & Шайба, Long. 20 INCH (508 мм) LONG TRANSOM PARTS (WATER TUBE & WASHER, Long. 20 INCH (508MM) LONG TRANSOM PARTS)

нет в наличии, поставок нет
72 0330658

Шайба. 20 INCH (508 мм) LONG TRANSOM PARTS (WASHER. 20 INCH (508MM) LONG TRANSOM PARTS)

нет в наличии, поставок нет
75 0392967

Удлинитель, Шпилька & Винт в сборе.. 20 INCH (508 мм) LONG TRANSOM PARTS (EXTENSION, STUD & SCREW ASSY.. 20 INCH (508MM) LONG TRANSOM PARTS)

нет в наличии, поставок нет
76 0327973

Винт, Редуктор to Корпус. 20 INCH (508 мм) LONG TRANSOM PARTS (SCREW, Gearcase to housing. 20 INCH (508MM) LONG TRANSOM PARTS)

нет в наличии, поставок нет
76 0339823

   (последний код) SCREW

нет в наличии, поставок нет
77 0320173

Шпилька, Редуктор Удлинитель. 20 INCH (508 мм) LONG TRANSOM PARTS (STUD, Gearcase extension. 20 INCH (508MM) LONG TRANSOM PARTS)

нет в наличии, поставок нет
78 0305283

Винт, Удлинитель. 20 INCH (508 мм) LONG TRANSOM PARTS (SCREW, Extension. 20 INCH (508MM) LONG TRANSOM PARTS)

нет в наличии, поставок нет
79 0311338

Уплотнительное кольцо. Also included in Ремкомплект водяного насосаs 393630 & 393509 (O-RING. Also included in Water Pump Repair Kits 393630 & 393509)

нет в наличии, поставок нет
0325975 0325975

Крепление, Rubber, нижний Not Shown 20 INCH (508 мм) LONG TRANSOM PARTS (MOUNT, Rubber, lower. Not Shown 20 INCH (508MM) LONG TRANSOM PARTS)

нет в наличии, поставок нет
0325974 0325974

Крепление, Rubber, верхний Not Shown 20 INCH (508 мм) LONG TRANSOM PARTS (MOUNT, Rubber, upper. Not Shown 20 INCH (508MM) LONG TRANSOM PARTS)

нет в наличии, поставок нет
0325974 0332810

   (последний код) RUBBER MOUNT

нет в наличии, поставок нет
80 0393509

Ремкомплект водяного насоса (WATER PUMP REPAIR KIT)

нет в наличии, поставок нет
80 0393630

   (последний код) REPAIR KIT

нет в наличии, поставок нет
80 T-0393630

   (не оригинальный аналог) Ремкомплект насоса охлаждения Johnson/Evinrude 0393630

под заказ штпо запросу
80 0393630

Ремкомплект водяного насоса, (Includes Крыльчатка Корпус) (WATER PUMP REPAIR KIT, (Includes impeller housing))

нет в наличии, поставок нет
80 0393509

   (последний код) PUMP KIT

нет в наличии, поставок нет
80 T-0393630

   (не оригинальный аналог) Ремкомплект насоса охлаждения Johnson/Evinrude 0393630

под заказ штпо запросу
81 0173029

ZINC Анод KIT (ZINC ANODE KIT)

нет в наличии, поставок нет
81 0123009

   (последний код) ANODE

нет в наличии, поставок нет
82 0306643

Винт крепления анода (SCREW, Anode mounting)

нет в наличии, поставок нет
82 3852066

   (последний код) SCREW

нет в наличии, поставок нет
82 0332226

Винт крепления анода. Опции (SCREW, Anode mounting. Optional)

нет в наличии, поставок нет
82 3852207

   (последний код) SCREW

нет в наличии, поставок нет
83 0304454

LOCKШайба, Анод (LOCKWASHER, Anode)

нет в наличии, поставок нет
84 0394415

Хромированный ремкомплект водяного насоса (CHROME PUMP KIT)

нет в наличии, поставок нет
84 0390287

   (последний код) CUP & PLATE

нет в наличии, поставок нет
85 0396351

Комплект сальников редуктора (GEARCASE SEAL KIT)

нет в наличии, поставок нет
evinrude

Время выполнения запроса 3.5990030765533 сек.


 
 

данный сайт носит информационный характер и не является публичной офертой

склад запчастей для водомоторной техники