вконтакте

Контактный телефон: +7 (981) 121-46-93, +7 (800) 200-90-76 , Email: parts-katalog@yandex.ru, где купить

 
 

  Логин:

Пароль:

Регистрация

www.partskatalog.ru Все каталоги Запчасти Mercury Запчасти Suzuki Запчасти Tohatsu Запчасти Honda Контакты



УВАЖАЕМЫЕ КЛИЕНТЫ!
C 19 ДЕКАБРЯ 2025 ПО 02 МАРТА 2026 ГОДА ОТДЕЛ ЗАПЧАСТЕЙ И СЕРВИС РАБОТАТЬ НЕ БУДУТ
ПРОДАЖА ЛОДОЧНЫХ МОТОРОВ В ШТАТНОМ РЕЖИМЕ
ОБ ИЗМЕНЕНИЯХ В ГРАФИКЕ РАБОТЫ ЧИТАЙТЕ НА САЙТА




Все разделы каталога запчастей на этот двигатель

назад Раздел:   вперёд

вернуться к списку узлов и деталей

ДЕТАЛИРОВКА ДЛЯ МОДЕЛИ: EVINRUDE E30TELESS 1990

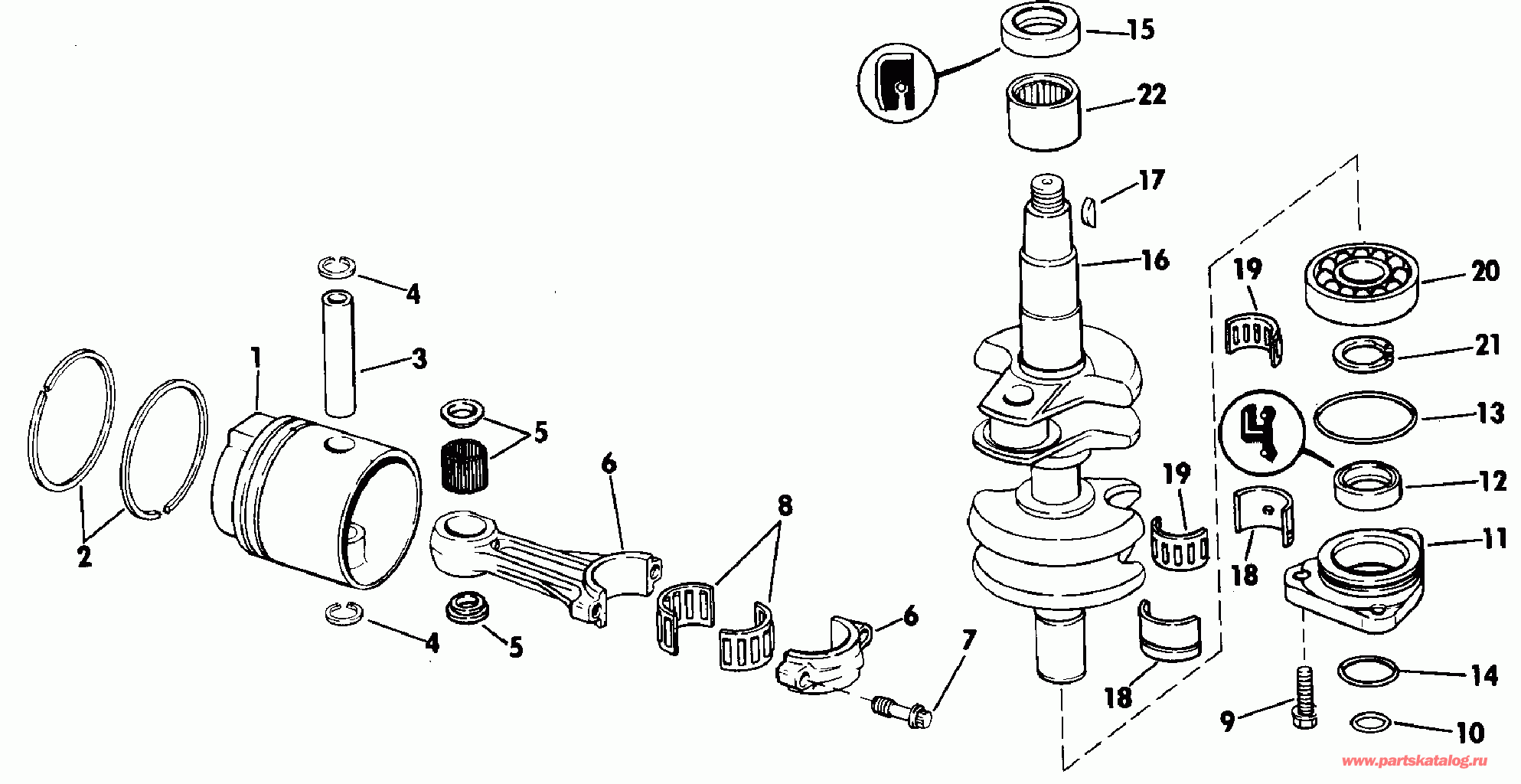
КОЛЕНВАЛ & ПОРШЕНЬ | CRANKSHAFT & PISTON;


Лодочный подвесной мотор EVINRUDE E30TELESS 1990  - ankshaft & Piston / ankВал & Поршень

Номер на
рисунке
АртикулНаименованиеКол-во
на складе
Цена
1 0392621

Поршень, стандарт (PISTON, Standard)

нет в наличии, поставок нет
1 5006657

   (последний код) PISTON & RING KIT

нет в наличии, поставок нет
1 0396576

Поршень & Кольцо в сборе., 0.030 o.s.. Includes Поршневые кольцаs (PISTON & RING ASSY., 0.030 o.s.. Includes Piston Rings)

нет в наличии, поставок нет
1 0392910

   (последний код) PISTON

нет в наличии, поставок нет
2 0396377

Кольцо SET, стандарт (RING SET, Standard)

нет в наличии, поставок нет
2 0385807

   (последний код) RING SET

нет в наличии, поставок нет
2 0396379

Кольцо SET, 0.030 o.s. (RING SET, 0.030 o.s.)

нет в наличии, поставок нет
2 0385809

   (последний код) RING SET

нет в наличии, поставок нет
3 0320954

WRIST Штифт (WRIST PIN)

нет в наличии, поставок нет
4 0317831

Стопорное кольцо (RETAINING RING)

2 шт220 руб.
5 0395627

Подшипник, Wrist Штифт (BEARING, Wrist pin)

1 шт2860 руб.
5 0394226

   (последний код) ROLLER-BRG.C

нет в наличии, поставок нет
6 0433509

Шатун в сборе. (CONNECTING ROD ASSY.)

нет в наличии, поставок нет
6 0395855

   (последний код) CONNECTING ROD

нет в наличии, поставок нет
7 0308186

Винт, Тяга Колпачок (SCREW, Rod cap)

нет в наличии, поставок нет
7 0318760

   (последний код) SCREW

нет в наличии, поставок нет
8 0388344

Подшипник в сборе. (BEARING ASSY.)

нет в наличии, поставок нет
8 0437088

   (последний код) KIT AY,BEARING

нет в наличии, поставок нет
9 0328694

Винт (SCREW)

нет в наличии, поставок нет
9 0911122

   (последний код) SCREW

нет в наличии, поставок нет
10 0326649

Уплотнительное кольцо, Коленвал (O-RING, Crankshaft)

нет в наличии, поставок нет
10 0553127

   (последний код) O RING

нет в наличии, поставок нет
11 0433470

Головка картера двигателя & Сальник (CRANKCASE HEAD & SEAL)

нет в наличии, поставок нет
11 0398050

   (последний код) C-CASE-HEAD

нет в наличии, поставок нет
12 0398051

Сальник (SEAL)

нет в наличии, поставок нет
12 0333096

   (последний код) SEAL

нет в наличии, поставок нет
13 0319662

Уплотнительное кольцо, Головка картера двигателя (O-RING, Crankcase head)

нет в наличии, поставок нет
13 0320527

   (последний код) O-RING

нет в наличии, поставок нет
14 0554545

Уплотнительное кольцо, Головка картера двигателя (O-RING, Crankcase head)

нет в наличии, поставок нет
15 0328603

Сальник (SEAL)

нет в наличии, поставок нет
16 0328376

Коленвал (CRANKSHAFT)

нет в наличии, поставок нет
16 0328212

   (последний код) CRANKSHAFT

нет в наличии, поставок нет
17 0307480

Ключ, Коленвал (KEY, Crankshaft)

нет в наличии, поставок нет
18 0331451

Гильза, Split (SLEEVE, Split)

нет в наличии, поставок нет
19 0389613

Фиксатор & иголка, Center Подшипник (RETAINER & NEEDLE, Center bearing)

нет в наличии, поставок нет
19 0332356

   (последний код) BEARING-NEEDLE

нет в наличии, поставок нет
20 0330854

Роликовый подшипник в сборе. (ROLLER BEARING ASSY.)

нет в наличии, поставок нет
20 0986172

   (последний код) BEARING-ASSE

нет в наличии, поставок нет
21 0305160

Стопорное кольцо (RETAINING RING)

нет в наличии, поставок нет
22 0393896

Подшипник в сборе., иголка (BEARING ASSY., Needle)

нет в наличии, поставок нет
evinrude

Время выполнения запроса 0.62787699699402 сек.


 
 

данный сайт носит информационный характер и не является публичной офертой

склад запчастей для водомоторной техники