вконтакте

Контактный телефон: +7 (981) 121-46-93, +7 (800) 200-90-76 , Email: parts-katalog@yandex.ru, где купить

 
 

  Логин:

Пароль:

Регистрация

www.partskatalog.ru Все каталоги Запчасти Mercury Запчасти Suzuki Запчасти Tohatsu Запчасти Honda Контакты



УВАЖАЕМЫЕ КЛИЕНТЫ!
C 19 ДЕКАБРЯ 2025 ПО 02 МАРТА 2026 ГОДА ОТДЕЛ ЗАПЧАСТЕЙ И СЕРВИС РАБОТАТЬ НЕ БУДУТ
ПРОДАЖА ЛОДОЧНЫХ МОТОРОВ В ШТАТНОМ РЕЖИМЕ
ОБ ИЗМЕНЕНИЯХ В ГРАФИКЕ РАБОТЫ ЧИТАЙТЕ НА САЙТА




запчастиsuzuki

Узнать наличие и цену запчасти:

Вернуться к началу выбора

Поиск модели по серийному номеру


РЕЖИМЫ ПРОСМОТРА

Все узлы и детали

Двигатель

Трансмиссия

Электрика

Внешние части

Дополнительные опции

Тип двигателя: 4x - тактный

Модель двигателя: Suzuki DF200

Модификация Вашего двигателя:   Suzuki DF-200 ATL / ATX (E11 023)
Двигатели с серийным номером после 20003F-340001
Код модели двигателя: Suzuki DF200A TL / TX FROM 20003F-340001~ (E11) - 2023
Год выпуска двигателя: 2023
Регион: Россия, Европа


Поиск запчастей по коду или названию


   Выберите раздел

найти расходники на лодочные моторы Suzuki

Начните вводить запрос

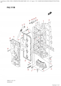
111B - Cylinder  Head ((Df200At,Df200Az,Df175At,Df175Az):023) (111B - Головка блока цилиндра ( (Df200At, Df200Az, Df175At, Df175Az) : 023))

111B - Cylinder Head ((Df200At,Df200Az,Df175At,Df175Az):023) (111B - Головка блока цилиндра ( (Df200At, Df200Az, Df175At, Df175Az) : 023))

113B - Cylinder Block (023) (113B - Блок цилиндра (023))

113B - Cylinder Block (023) (113B - Блок цилиндра (023))

116A - Crankshaft (116A - Коленвал)

116A - Crankshaft (116A - Коленвал)

118A - Balancer

118A - Balancer

119A - Timing Chain (119A - Распределяющая цепь)

119A - Timing Chain (119A - Распределяющая цепь)

121B - Camshaft  ((Df200At,Df200Az):(022,023)) (121B - Распределительный вал ( (Df200At, Df200Az) : (022, 023) ))

121B - Camshaft ((Df200At,Df200Az):(022,023)) (121B - Распределительный вал ( (Df200At, Df200Az) : (022, 023) ))

123C - Intake Manifold / Throttle Body (023) (123C - Впускной коллектор / Дроссель газа (023))

123C - Intake Manifold / Throttle Body (023) (123C - Впускной коллектор / Дроссель газа (023))

135A - Silencer / Ring Gear Cover (135A - Глушитель / Крышка механизма маховика)

135A - Silencer / Ring Gear Cover (135A - Глушитель / Крышка механизма маховика)

140B - Exhaust Cover (023) (140B - Кожух выхлопной трубы (023))

140B - Exhaust Cover (023) (140B - Кожух выхлопной трубы (023))

143A  -  Fuel  Vapor  Separator  ((E01,E03):020,E11:021,(E03,E11): (143A - Отделитель паров топлива ( (E01, E03) : 020, E11: 021, (E03, E11) :)

143A - Fuel Vapor Separator ((E01,E03):020,E11:021,(E03,E11): (143A - Отделитель паров топлива ( (E01, E03) : 020, E11: 021, (E03, E11) :)

144A - Fuel Injector  ((E01,E03):020,E11:021,(E03,E11):(022,023)) (144A - Топливный инжектор ( (E01, E03) : 020, E11: 021, (E03, E11) : (022, 023) ))

144A - Fuel Injector ((E01,E03):020,E11:021,(E03,E11):(022,023)) (144A - Топливный инжектор ( (E01, E03) : 020, E11: 021, (E03, E11) : (022, 023) ))

146A - Fuel Pump  ((E01,E03):020,E11:021,(E03,E11):(022,023)) (146A - Топливный насос ( (E01, E03) : 020, E11: 021, (E03, E11) : (022, 023) ))

146A - Fuel Pump ((E01,E03):020,E11:021,(E03,E11):(022,023)) (146A - Топливный насос ( (E01, E03) : 020, E11: 021, (E03, E11) : (022, 023) ))

160A - Water Pump (160A - Водяной насос)

160A - Water Pump (160A - Водяной насос)

162A - Thermostat (162A - Термостат)

162A - Thermostat (162A - Термостат)

164A - Throttle Rod (164A - Тяга дросселя)

164A - Throttle Rod (164A - Тяга дросселя)

175A - Oil Pump (175A - Масляный насос)

175A - Oil Pump (175A - Масляный насос)

178A - Oil Filter (178A - Масляный фильтр)

178A - Oil Filter (178A - Масляный фильтр)

180A - Oil Pan (180A - Масляный поддон)

180A - Oil Pan (180A - Масляный поддон)

204A - Clutch Shaft (204A - Сцепление Вал)

204A - Clutch Shaft (204A - Сцепление Вал)

220D  -  Transmission ((Df200Az,Df175Az,Df150Az):(022,023)) (220D - Трансмиссия ( (Df200Az, Df175Az, Df150Az) : (022, 023) ))

220D - Transmission ((Df200Az,Df175Az,Df150Az):(022,023)) (220D - Трансмиссия ( (Df200Az, Df175Az, Df150Az) : (022, 023) ))

301A - Starting Motor (301A - Двигатель электростартера)

301A - Starting Motor (301A - Двигатель электростартера)

303A - Magneto  (Df200At,Df200Az,Df175At,Df175Az) (303A - Магнето (Df200At, Df200Az, Df175At, Df175Az))

303A - Magneto (Df200At,Df200Az,Df175At,Df175Az) (303A - Магнето (Df200At, Df200Az, Df175At, Df175Az))

310A - Rectifier / Ignition Coil (310A - Выпрямитель / Катушка зажигания)

310A - Rectifier / Ignition Coil (310A - Выпрямитель / Катушка зажигания)

315A - Sensor (315A - Датчик)

315A - Sensor (315A - Датчик)

322A - Harness  (Df200At,Df200Az,Df175At,Df175Az) (322A - Жгут проводов (Df200At, Df200Az, Df175At, Df175Az))

322A - Harness (Df200At,Df200Az,Df175At,Df175Az) (322A - Жгут проводов (Df200At, Df200Az, Df175At, Df175Az))

326A  -  Ptt  Switch  /  Engine  Control  Unit (Df200At, (326A - Переключатель гидроподъёма / Блок управления двигателем (Df200At,)

326A - Ptt Switch / Engine Control Unit (Df200At, (326A - Переключатель гидроподъёма / Блок управления двигателем (Df200At,)

331B  -  Key  Less  Start  ((Df200At,Df175At,Df150At):E11:023, (331B - Ключ Less Start ( (Df200At, Df175At, Df150At) : E11: 023,)

331B - Key Less Start ((Df200At,Df175At,Df150At):E11:023, (331B - Ключ Less Start ( (Df200At, Df175At, Df150At) : E11: 023,)

335A - Clamp Bracket (335A - Кронштейн транца)

335A - Clamp Bracket (335A - Кронштейн транца)

336B - Swivel Bracket (023) (336B - Поворотный кронштейн (023))

336B - Swivel Bracket (023) (336B - Поворотный кронштейн (023))

337A - Trim Cylinder (337A - Цилиндр трима)

337A - Trim Cylinder (337A - Цилиндр трима)

340A - Ptt Motor (340A - Двигатель гидроподъёма)

340A - Ptt Motor (340A - Двигатель гидроподъёма)

401A - Engine Holder (401A - Основание двигателя)

401A - Engine Holder (401A - Основание двигателя)

405A - Drive Shaft Housing (405A - Корпус вала передачи)

405A - Drive Shaft Housing (405A - Корпус вала передачи)

407B - Gear Case (Df200At:023) (407B - Картер коробки передач (Df200At: 023))

407B - Gear Case (Df200At:023) (407B - Картер коробки передач (Df200At: 023))

410A - Side Cover (410A - Боковая крышка)

410A - Side Cover (410A - Боковая крышка)

420B - Engine Cover  ((Df200At,Df200Az):(021,022,023)) (420B - Крышка двигателя (капот) ( (Df200At, Df200Az) : (021, 022, 023) ))

420B - Engine Cover ((Df200At,Df200Az):(021,022,023)) (420B - Крышка двигателя (капот) ( (Df200At, Df200Az) : (021, 022, 023) ))

430A - Fuel Hose (430A - Топливный шланг)

430A - Fuel Hose (430A - Топливный шланг)

475A - Squeeze Pump (E03,E11) (475A - Ручная сжимная помпа (E03, E11))

475A - Squeeze Pump (E03,E11) (475A - Ручная сжимная помпа (E03, E11))

501A - Opt:meter (501A - Опции: приборы)

501A - Opt:meter (501A - Опции: приборы)

509B - Opt:remote  Control (1)  (022,023) (509B - Опции: дистанционное управление (1) (022, 023))

509B - Opt:remote Control (1) (022,023) (509B - Опции: дистанционное управление (1) (022, 023))

510A - Opt:remote  Control (2) (E01,E03,E11) (510A - Опции: дистанционное управление (2) (E01, E03, E11))

510A - Opt:remote Control (2) (E01,E03,E11) (510A - Опции: дистанционное управление (2) (E01, E03, E11))

517A - Opt:concealed Remocon (1) (517A - Опции: дистанционное управление, скрытая установка (1))

517A - Opt:concealed Remocon (1) (517A - Опции: дистанционное управление, скрытая установка (1))

518A - Opt:concealed Remocon (2) (518A - Опции: дистанционное управление, скрытая установка (2))

518A - Opt:concealed Remocon (2) (518A - Опции: дистанционное управление, скрытая установка (2))

521B - Opt:harness (022,023) (521B - Опции: жгут проводов (022, 023))

521B - Opt:harness (022,023) (521B - Опции: жгут проводов (022, 023))

522A - Opt:harness (1) (023) (522A - Опции: жгут проводов (1) (023))

522A - Opt:harness (1) (023) (522A - Опции: жгут проводов (1) (023))

530B - Opt:switch ((022,023):(E03,E11)) (530B - Опции: переключатели ( (022, 023) : (E03, E11) ))

530B - Opt:switch ((022,023):(E03,E11)) (530B - Опции: переключатели ( (022, 023) : (E03, E11) ))

535C - Opt:key Less Start (023) (535C - Опции: Ключ Less Start (023))

535C - Opt:key Less Start (023) (535C - Опции: Ключ Less Start (023))

541A - Opt:remote  Control  Assy  Dual  (1) (541A - Опции: дистанционное управление в сборе Dual (1))

541A - Opt:remote Control Assy Dual (1) (541A - Опции: дистанционное управление в сборе Dual (1))

542A - Opt:remote  Control  Assy  Dual  (2) (542A - Опции: дистанционное управление в сборе Dual (2))

542A - Opt:remote Control Assy Dual (2) (542A - Опции: дистанционное управление в сборе Dual (2))

544A - Opt:remote  Control  Assy  Single  (1) (544A - Дистанционное управление в сборе, одинарное (1))

544A - Opt:remote Control Assy Single (1) (544A - Дистанционное управление в сборе, одинарное (1))

545A - Opt:remote  Control  Assy  Single  (2) (545A - Дистанционное управление в сборе, одинарное (2))

545A - Opt:remote Control Assy Single (2) (545A - Дистанционное управление в сборе, одинарное (2))

573A - Opt:tie Rod (573A - Опции: tie Тяга)

573A - Opt:tie Rod (573A - Опции: tie Тяга)

575A - Opt:drag Link (575A - Опции: рулевая тяга)

575A - Opt:drag Link (575A - Опции: рулевая тяга)

585A - Opt:gasket Set (585A - Опции: комплект прокладок)

585A - Opt:gasket Set (585A - Опции: комплект прокладок)

601C - Opt:multi  Function  Gauge  (1)  (023) (601C - Опции: multi Function Gauge (1) (023))

601C - Opt:multi Function Gauge (1) (023) (601C - Опции: multi Function Gauge (1) (023))

602B - Opt:multi  Function Gauge  (2)  (023) (602B - Опции: multi Function Gauge (2) (023))

602B - Opt:multi Function Gauge (2) (023) (602B - Опции: multi Function Gauge (2) (023))

206A - Clutch Rod (206A - Тяга сцепления)

206A - Clutch Rod (206A - Тяга сцепления)




 
 

данный сайт носит информационный характер и не является публичной офертой

склад запчастей для водомоторной техники