вконтакте

Контактный телефон: +7 (981) 121-46-93, +7 (800) 200-90-76 , Email: parts-katalog@yandex.ru, где купить

 
 

  Логин:

Пароль:

Регистрация

www.partskatalog.ru Все каталоги Запчасти Mercury Запчасти Suzuki Запчасти Tohatsu Запчасти Honda Контакты



УВАЖАЕМЫЕ КЛИЕНТЫ!
C 19 ДЕКАБРЯ 2025 ПО 02 МАРТА 2026 ГОДА ОТДЕЛ ЗАПЧАСТЕЙ И СЕРВИС РАБОТАТЬ НЕ БУДУТ
ПРОДАЖА ЛОДОЧНЫХ МОТОРОВ В ШТАТНОМ РЕЖИМЕ
ОБ ИЗМЕНЕНИЯХ В ГРАФИКЕ РАБОТЫ ЧИТАЙТЕ НА САЙТА




Выбрать другую модель

назад Раздел:   вперёд

вернуться к списку узлов и деталей

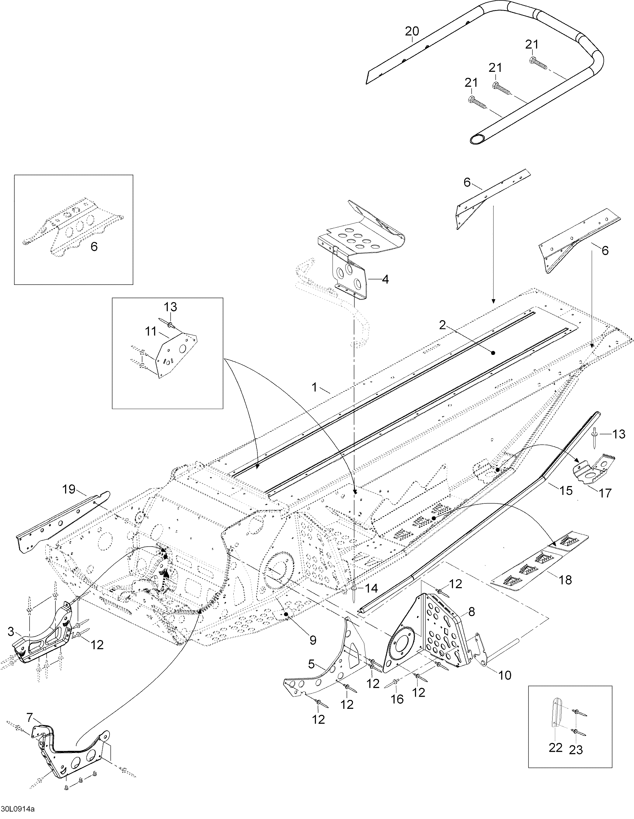
ДЕТАЛИРОВКА ДЛЯ МОДЕЛИ: LYNX Xtrim 550, 2009


Snowmobiles Lynx  - Frame

Номер на
рисунке
АртикулНаименованиеКол-во
на складе
Цена
1 605154738

Рама в сборе. Includes 1 to 23 (Frame assy. Includes 1 to 23)

под заказ264900 руб.
2 605253375

Tunnel Крышка (Tunnel cover)

под заказпо запросу
3 518323346

Stiffener (Stiffener)

под заказ1210 руб.
3 518322235

(последний код) SUPP-ENGINE

под заказ950 руб.
4 605353980

R.H. Toe hold (R.H. Toe hold)

под заказ2660 руб.
4 605353981

L.H. Toe hold (L.H. Toe hold)

под заказ2660 руб.
5 605350345

Inner reinдляcement (Inner reinforcement)

под заказ1280 руб.
6 -XXX-

L.H. reinдляcement, rear (L.H. reinforcement, rear)

6 -XXX-

R.H. reinдляcement, rear (R.H. reinforcement, rear)

7 605451826

Двигатель sвышеport (Engine support)

под заказ1280 руб.
8 518323805

R.H. footrest reinдляcement (R.H. footrest reinforcement)

под заказ2720 руб.
8 518323369

(последний код) RENF.REP.-PI.DR*REINF.-FOOTREST RH

под заказ2130 руб.
8 518324527

L.H. footrest reinдляcement (L.H. footrest reinforcement)

под заказ1590 руб.
8 518323765

(последний код) RENFORT GAUCHE *REINFORCEMENT

под заказ1240 руб.
9 605451590

Заклёпка Пластина (Rivet plate)

под заказ210 руб.
10 605453453

L.H. Sвышеport Пластина (L.H. Support plate)

под заказ2020 руб.
10 605453454

R.H. Sвышеport Пластина (R.H. Support plate)

под заказ2020 руб.
11 -XXX-

R.H. Кронштейн (R.H. Bracket)

11 -XXX-

L.H. Кронштейн (L.H. Bracket)

12 36007

Заклёпка (Rivet)

под заказ50 руб.
13 36108

Заклёпка (Rivet)

под заказ40 руб.
13

(последний код)

под заказпо запросу
14 36489

Заклёпка (Rivet)

под заказ80 руб.
14

(последний код)

под заказпо запросу
15 605353808

L.H. Ролик (L.H. Roller)

под заказ3670 руб.
15 605353809

R.H. Ролик (R.H. Roller)

под заказ3670 руб.
16 36006

Заклёпка (Rivet)

под заказ340 руб.
16 293150096

(последний код) RIVET-HEMLOCK 1/4

под заказ430 руб.
17 605353945

L.H. Sвышеport (L.H. Support)

под заказ1170 руб.
17 605353946

R.H. Sвышеport (R.H. Support)

под заказ1170 руб.
18 -XXX-

L.H. footrest reinдляcement (L.H. footrest reinforcement)

18 -XXX-

R.H. footrest reinдляcement (R.H. footrest reinforcement)

19 605353544

Stiffener (Stiffener)

под заказ1820 руб.
20 605253597

Rear Бампер (Rear bumper)

под заказпо запросу
21 40351

Винт M8 x 20 (Screw M8 x 20)

под заказ160 руб.
22 518317504

Кабели Защита (Cable protector)

под заказ180 руб.
23 36489

Заклёпка (Rivet)

под заказ80 руб.
23

(последний код)

под заказпо запросу
lynx

 
 

данный сайт носит информационный характер и не является публичной офертой

склад запчастей для водомоторной техники