вконтакте

Контактный телефон: +7 (981) 121-46-93, +7 (800) 200-90-76 , Email: parts-katalog@yandex.ru, где купить

 
 

  Логин:

Пароль:

Регистрация

www.partskatalog.ru Все каталоги Запчасти Mercury Запчасти Suzuki Запчасти Tohatsu Запчасти Honda Контакты


Выбрать другую модель

назад Раздел:   вперёд

вернуться к списку узлов и деталей

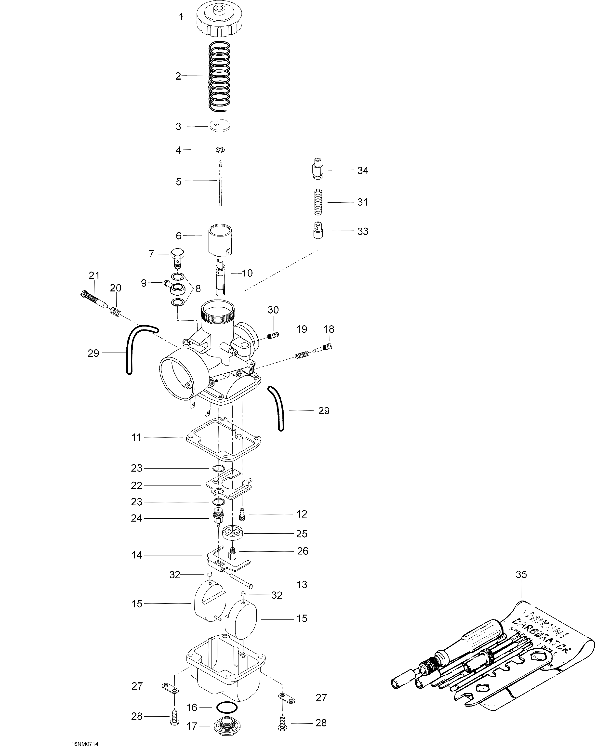
ДЕТАЛИРОВКА ДЛЯ МОДЕЛИ: LYNX Forest Fox 440 El, 2007


Снегоходы lynx  - Carburetor / Карбюратор

Номер на
рисунке
АртикулНаименованиеКол-во
на складе
Цена
1 404103700

Крышка (Cover)

под заказ2360 руб.
2 404154800

Дроссель vale Пружина (Throttle vale spring)

под заказ1850 руб.
3 404103800

Fitting Коннектор (Fitting connector)

под заказ700 руб.
4 404152400

Уплотнительное кольцо (E-ring)

под заказ580 руб.
5 404161978

Игла жиклёра 6DGY12-3 (Jet needle 6DGY12-3)

под заказ3030 руб.
6 420963932

Клапан дросселя CA 3.0 (Throttle valve CA 3.0)

под заказ11030 руб.
6 963932

(последний код) PISTON VALVE

под заказ6420 руб.
7 -XXX-

Banjo-Винт (Banjo-screw)

8 270500025

Шайба (Washer)

под заказ290 руб.
8 404158200

(последний код) RONDELLE *WASHER

под заказ260 руб.
9 404130000

Banjo-fitting (Banjo-fitting)

под заказ1210 руб.
10 404130200

Игла распылителя NJ159O-0 (Needle jet NJ159O-0)

под заказ1240 руб.
10 963951

(последний код) NEULASUUTIN 159/0-0

под заказ1140 руб.
11 404104200

Прокладка pan (Gasket pan)

под заказ490 руб.
11 420831895

(последний код) GASKET

под заказпо запросу
12 404109500

Pilot jet PJ 50 (Pilot jet PJ 50)

под заказ400 руб.
12 404162126

(последний код) GICLEUR RALENTI*JET-PILOT 50

под заказ240 руб.
13 404103300

Рычаг Штифт (Lever pin)

под заказ430 руб.
14 404107600

Поплавок Рычаг (Float lever)

под заказ1780 руб.
15 404107100

Поплавок (Float)

под заказ2140 руб.
15 SM-07243

     (не оригинальная запчасть) Поплавок карбюратора BRP SM-07243

под заказ830 руб.
16 404107300

Шайба (Washer)

под заказ590 руб.
17 404107400

Drain Заглушка винта (Drain plug screw)

под заказ1780 руб.
18 404149000

Air Винт (Air screw)

под заказ2320 руб.
19 404139800

Пружина (Spring)

под заказ590 руб.
20 404101700

Пружина (Spring)

под заказ300 руб.
20 420938940

(последний код) SPRING

под заказ240 руб.
21 404125200

Дроссель Стопорный винт (Throttle stop screw)

под заказ1060 руб.
22 404109600

Baffle (Baffle)

под заказпо запросу
23 404101600

Шайба-Седло (Washer-seat)

под заказ240 руб.
24 605353825

Игольчатый клапан 1.5 (Needle valve 1.5)

под заказ6740 руб.
25 404110900

Винт Направляющая (Screw guide)

под заказ3260 руб.
26 404119500

Главный жиклёр MJ 185 (Main jet MJ 185)

под заказ400 руб.
27 404103000

Трубка Фиксатор Пластина (Tube retainer plate)

под заказ800 руб.
28 404102000

Винт и Шайба с блокировкой (Screw and lock washer)

под заказ240 руб.
29 404161880

Air Vent Трубка (Air Vent tube)

под заказ4340 руб.
29 404161814

(последний код) DURITE *HOSE

под заказ3390 руб.
30 404153400

Ниппель (Nipple)

под заказ860 руб.
30 404159100

(последний код) RACCORD *NIPPLE

под заказ680 руб.
31 404127400

Пружина (Spring)

под заказ800 руб.
32 404105800

Колпачок (Cap)

под заказ490 руб.
32 420960990

(последний код) FOAT FIXATION CAP

под заказпо запросу
32 SM-07243

     (не оригинальная запчасть) Поплавок карбюратора BRP SM-07243

под заказ830 руб.
33 404161000

Плунжер в сборе (Plunger assy)

под заказ1850 руб.
34 404161100

Sвышеport Направляющая (Support guide)

под заказ2620 руб.
35 404112000

Набор инструмента (Tool kit)

под заказ7330 руб.
35 876960

(последний код) SPECIAL TOOL KIT

под заказ5730 руб.
lynx

 
 

данный сайт носит информационный характер и не является публичной офертой

склад запчастей для водомоторной техники