вконтакте

Контактный телефон: +7 (981) 121-46-93, +7 (800) 200-90-76 , Email: parts-katalog@yandex.ru, где купить

 
 

  Логин:

Пароль:

Регистрация

www.partskatalog.ru Все каталоги Запчасти Mercury Запчасти Suzuki Запчасти Tohatsu Запчасти Honda Контакты



УВАЖАЕМЫЕ КЛИЕНТЫ!
C 19 ДЕКАБРЯ 2025 ПО 02 МАРТА 2026 ГОДА ОТДЕЛ ЗАПЧАСТЕЙ И СЕРВИС РАБОТАТЬ НЕ БУДУТ
ПРОДАЖА ЛОДОЧНЫХ МОТОРОВ В ШТАТНОМ РЕЖИМЕ
ОБ ИЗМЕНЕНИЯХ В ГРАФИКЕ РАБОТЫ ЧИТАЙТЕ НА САЙТА




Вернуться к началу выбора


Мощность Вашего двигателя: 225 л.с.

Год выпуска: 1999 год

Тип двигателя: 1307

Модификация двигателя: Evinrude E225FPLEEN 1999

   Выберите раздел

найти расходники на лодочные моторы Evinrude


Выберите раздел

Accessory Transom Пластина -- Опции (Accessory Transom Plate -- Optional)

Accessory Transom Пластина -- Опции (Accessory Transom Plate -- Optional)

Коленвал & Поршень (Crankshaft & Piston)

Коленвал & Поршень (Crankshaft & Piston)

Цилиндр & Картер двигателя (Cylinder & Crankcase)

Цилиндр & Картер двигателя (Cylinder & Crankcase)

Dual Рулевая система Коннектор Kit -- Опции (Dual Steering Connector Kit -- Optional)

Dual Рулевая система Коннектор Kit -- Опции (Dual Steering Connector Kit -- Optional)

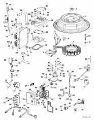
Электрика System (Electrical System)

Электрика System (Electrical System)

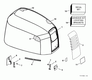
Крышка двигателя (капот) (Engine Cover)

Крышка двигателя (капот) (Engine Cover)

Двигатель Кабели (Engine Cable)

Двигатель Кабели (Engine Cable)

Удлинитель корпуса (Exhaust Housing)

Удлинитель корпуса (Exhaust Housing)

Fuel Components (Fuel Components)

Fuel Components (Fuel Components)

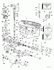
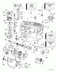
Редуктор -- стандарт Rotation -- Fpl, Fsl Models (Gearcase -- Standard Rotation -- Fpl, Fsl Models)

Редуктор -- стандарт Rotation -- Fpl, Fsl Models (Gearcase -- Standard Rotation -- Fpl, Fsl Models)

Редуктор -- стандарт Rotation -- Fpx, Fpz Models (Gearcase -- Standard Rotation -- Fpx, Fpz Models)

Редуктор -- стандарт Rotation -- Fpx, Fpz Models (Gearcase -- Standard Rotation -- Fpx, Fpz Models)

Редуктор -- Counter-rotation -- Fcx, Fcz Models (Gearcase -- Counter-rotation -- Fcx, Fcz Models)

Редуктор -- Counter-rotation -- Fcx, Fcz Models (Gearcase -- Counter-rotation -- Fcx, Fcz Models)

Induction System (Induction System)

Induction System (Induction System)

Литература (Literature)

Литература (Literature)

Нижняя крышка двигателя (Lower Engine Cover)

Нижняя крышка двигателя (Lower Engine Cover)

Oil Components (Oil Components)

Oil Components (Oil Components)

Краска (Paint)

Краска (Paint)

Механизированный дифферент наклона Hydraulic Assembly (Power Trim/tilt Hydraulic Assembly)

Механизированный дифферент наклона Hydraulic Assembly (Power Trim/tilt Hydraulic Assembly)

Двигатель стартера (Starter Motor)

Двигатель стартера (Starter Motor)

Рулевая система Соединитель Kit (Steering Link Kit)

Рулевая система Соединитель Kit (Steering Link Kit)

Stern & Поворотный кронштейн (Stern & Swivel Bracket)

Stern & Поворотный кронштейн (Stern & Swivel Bracket)

evinrude

Время выполнения запроса 0.28534507751465 сек.


 
 

данный сайт носит информационный характер и не является публичной офертой

склад запчастей для водомоторной техники