вконтакте

Контактный телефон: +7 (981) 121-46-93, +7 (800) 200-90-76 , Email: parts-katalog@yandex.ru, где купить

 
 

  Логин:

Пароль:

Регистрация

www.partskatalog.ru Все каталоги Запчасти Mercury Запчасти Suzuki Запчасти Tohatsu Запчасти Honda Контакты



УВАЖАЕМЫЕ КЛИЕНТЫ!
C 19 ДЕКАБРЯ 2025 ПО 02 МАРТА 2026 ГОДА ОТДЕЛ ЗАПЧАСТЕЙ И СЕРВИС РАБОТАТЬ НЕ БУДУТ
ПРОДАЖА ЛОДОЧНЫХ МОТОРОВ В ШТАТНОМ РЕЖИМЕ
ОБ ИЗМЕНЕНИЯХ В ГРАФИКЕ РАБОТЫ ЧИТАЙТЕ НА САЙТА




Вернуться к началу выбора


Мощность Вашего двигателя: 30 л.с.

Год выпуска: 1998 год

Тип двигателя: 1349

Модификация двигателя: Evinrude E30ELECS 1998

   Выберите раздел

найти расходники на лодочные моторы Evinrude


Выберите раздел

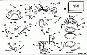
Кабель аккумулятора (Battery Cable)

Кабель аккумулятора (Battery Cable)

Карбюратор 20se, 20sel, 25e, 25el (Carburetor 20se, 20sel, 25e, 25el)

Карбюратор 20se, 20sel, 25e, 25el (Carburetor 20se, 20sel, 25e, 25el)

Карбюратор 30e, 30el (Carburetor 30e, 30el)

Карбюратор 30e, 30el (Carburetor 30e, 30el)

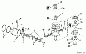
Коленвал & Поршень (Crankshaft & Piston)

Коленвал & Поршень (Crankshaft & Piston)

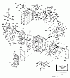
Цилиндр & Картер двигателя (Cylinder & Crankcase)

Цилиндр & Картер двигателя (Cylinder & Crankcase)

Электростартер & Solenoid (Electric Starter & Solenoid)

Электростартер & Solenoid (Electric Starter & Solenoid)

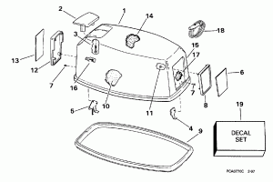
Крышка двигателя (капот) -- Evinrude (Engine Cover -- Evinrude)

Крышка двигателя (капот) -- Evinrude (Engine Cover -- Evinrude)

Крышка двигателя (капот) -- Johnson (Engine Cover -- Johnson)

Крышка двигателя (капот) -- Johnson (Engine Cover -- Johnson)

Топливный шланг & Топливная груша -- 5 / 16 дюйм I.d. (Fuel Hose & Primer Bulb -- 5/16 In. I.d.)

Топливный шланг & Топливная груша -- 5 / 16 дюйм I.d. (Fuel Hose & Primer Bulb -- 5/16 In. I.d.)

Топливный насос (Fuel Pump)

Топливный насос (Fuel Pump)

Топливный бак -- 6 галлон (Fuel Tank -- 6 Gallon)

Топливный бак -- 6 галлон (Fuel Tank -- 6 Gallon)

Редуктор (Gearcase)

Редуктор (Gearcase)

Ignition (Ignition)

Ignition (Ignition)

Впускной коллектор (Intake Manifold)

Впускной коллектор (Intake Manifold)

Литература (Literature)

Литература (Literature)

Нижняя крышка двигателя (Lower Engine Cover)

Нижняя крышка двигателя (Lower Engine Cover)

Midsection (Midsection)

Midsection (Midsection)

Motor Кабели Assembly (Motor Cable Assembly)

Motor Кабели Assembly (Motor Cable Assembly)

Краска (Paint)

Краска (Paint)

Рулевая система Соединитель Kit (Steering Link Kit)

Рулевая система Соединитель Kit (Steering Link Kit)

evinrude

Время выполнения запроса 0.31124305725098 сек.


 
 

данный сайт носит информационный характер и не является публичной офертой

склад запчастей для водомоторной техники