вконтакте

Контактный телефон: +7 (981) 121-46-93, +7 (800) 200-90-76 , Email: parts-katalog@yandex.ru, где купить

 
 

  Логин:

Пароль:

Регистрация

www.partskatalog.ru Все каталоги Запчасти Mercury Запчасти Suzuki Запчасти Tohatsu Запчасти Honda Контакты



УВАЖАЕМЫЕ КЛИЕНТЫ!
C 31 ОКТЯБРЯ 2025 ПО 10 НОЯБРЯ 2025 ГОДА РАБОТАТЬ НЕ БУДЕМ




Вернуться к началу выбора


Мощность Вашего двигателя: 150 л.с.

Год выпуска: 1997 год

Тип двигателя: 1368

Модификация двигателя: Evinrude E150SLEUE 1997

   Выберите раздел

найти расходники на лодочные моторы Evinrude


Выберите раздел

Карбюратор & Впускной коллектор - 150 H.p. (Carburetor & Intake Manifold - 150 H.p.)

Карбюратор & Впускной коллектор - 150 H.p. (Carburetor & Intake Manifold - 150 H.p.)

Карбюратор & Впускной коллектор - 175 H.p. (Carburetor & Intake Manifold - 175 H.p.)

Карбюратор & Впускной коллектор - 175 H.p. (Carburetor & Intake Manifold - 175 H.p.)

Коленвал & Поршни (Crankshaft & Pistons)

Коленвал & Поршни (Crankshaft & Pistons)

Цилиндр & Картер двигателя (Cylinder & Crankcase)

Цилиндр & Картер двигателя (Cylinder & Crankcase)

Dual Рулевая система Коннектор Kit - 150gl, Sl - 175gl, Sl Only (Dual Steering Connector Kit - 150gl, Sl - 175gl, Sl Only)

Dual Рулевая система Коннектор Kit - 150gl, Sl - 175gl, Sl Only (Dual Steering Connector Kit - 150gl, Sl - 175gl, Sl Only)

Электростартер & Solenoid (Electric Starter & Solenoid)

Электростартер & Solenoid (Electric Starter & Solenoid)

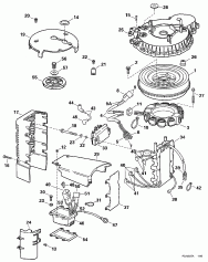
Крышка двигателя (капот) - Evinrude (Engine Cover - Evinrude)

Крышка двигателя (капот) - Evinrude (Engine Cover - Evinrude)

Крышка двигателя (капот) - Johnson (Engine Cover - Johnson)

Крышка двигателя (капот) - Johnson (Engine Cover - Johnson)

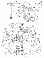
Удлинитель корпуса (Exhaust Housing)

Удлинитель корпуса (Exhaust Housing)

Fuel Кронштейн & Components (Fuel Bracket & Components)

Fuel Кронштейн & Components (Fuel Bracket & Components)

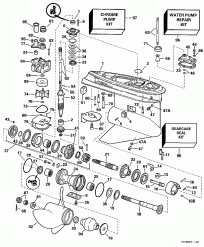
Редуктор-стандарт Rotation - 20

Редуктор-стандарт Rotation - 20" 150sl, El, 175sl & All 25" (Gearcase-standard Rotation - 20" 150sl, El, 175sl & All 25")

Редуктор - Counter-rotation (Gearcase - Counter-rotation)

Редуктор - Counter-rotation (Gearcase - Counter-rotation)

Редуктор - стандарт Rotation - Gl Models (Gearcase - Standard Rotation - Gl Models)

Редуктор - стандарт Rotation - Gl Models (Gearcase - Standard Rotation - Gl Models)

Ignition System (Ignition System)

Ignition System (Ignition System)

Jet Drive Unit (Jet Drive Unit)

Jet Drive Unit (Jet Drive Unit)

Нижняя крышка двигателя (Lower Engine Cover)

Нижняя крышка двигателя (Lower Engine Cover)

Midsection (Midsection)

Midsection (Midsection)

Motor Жгут проводов (Motor Harness)

Motor Жгут проводов (Motor Harness)

Краска (Paint)

Краска (Paint)

Механизированный дифферент наклона Электрика (Power Trim/tilt Electrical)

Механизированный дифферент наклона Электрика (Power Trim/tilt Electrical)

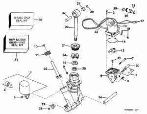
Механизированный дифферент наклона Hydraulic Assembly (Power Trim/tilt Hydraulic Assembly)

Механизированный дифферент наклона Hydraulic Assembly (Power Trim/tilt Hydraulic Assembly)

Рулевая система Соединитель Kit (Steering Link Kit)

Рулевая система Соединитель Kit (Steering Link Kit)

Соединитель дросселяage (Throttle Linkage)

Соединитель дросселяage (Throttle Linkage)

evinrude

Время выполнения запроса 0.27528309822083 сек.


 
 

данный сайт носит информационный характер и не является публичной офертой

склад запчастей для водомоторной техники