вконтакте

Контактный телефон: +7 (981) 121-46-93, +7 (800) 200-90-76 , Email: parts-katalog@yandex.ru, где купить

 
 

  Логин:

Пароль:

Регистрация

www.partskatalog.ru Все каталоги Запчасти Mercury Запчасти Suzuki Запчасти Tohatsu Запчасти Honda Контакты



УВАЖАЕМЫЕ КЛИЕНТЫ!
C 31 ОКТЯБРЯ 2025 ПО 10 НОЯБРЯ 2025 ГОДА РАБОТАТЬ НЕ БУДЕМ




Все разделы каталога запчастей на этот двигатель

назад Раздел:   вперёд

вернуться к списку узлов и деталей

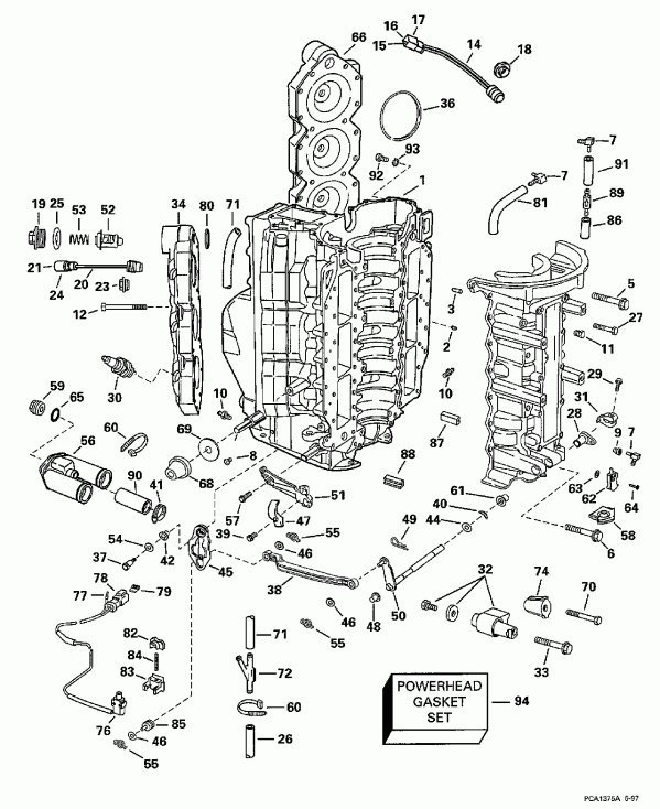
ДЕТАЛИРОВКА ДЛЯ МОДЕЛИ: EVINRUDE E175FCXECS 1998

ЦИЛИНДР & КАРТЕР ДВИГАТЕЛЯ | CYLINDER & CRANKCASE;


Лодочный подвесной мотор Evinrude E175FCXECS 1998  - linder & Crankcase / linder & Картер двигателя

Номер на
рисунке
АртикулНаименованиеКол-во
на складе
Цена
1 0439631

Цилиндр & Картер двигателя в сборе., 150 (CYLINDER & CRANKCASE ASSY., 150)

нет в наличии, поставок нет
1 0437590

   (последний код) CYL&CRKC FICHT

нет в наличии, поставок нет
1 0439524

Цилиндр & Картер двигателя в сборе., 175 (CYLINDER & CRANKCASE ASSY., 175)

нет в наличии, поставок нет
2 0304178

Шпонка Подшипник (PIN, Dowel bearing)

нет в наличии, поставок нет
3 0305070

Штифт, конус (PIN, Taper)

нет в наличии, поставок нет
4 0336630

Штифт, Roll (PIN, Roll)

нет в наличии, поставок нет
5 0336166

Винт, Цилиндр to Картер двигателя (SCREW, Cylinder to crankcase)

нет в наличии, поставок нет
6 0335611

Винт, Цилиндр to Картер двигателя (SCREW, Cylinder to crankcase)

нет в наличии, поставок нет
6 0908738

   (последний код) STUD-EXH--MA

нет в наличии, поставок нет
7 0335369

Ниппель, Drain (NIPPLE, Drain)

нет в наличии, поставок нет
8 0343929

Винт, Emission (SCREW, Emission)

нет в наличии, поставок нет
8 0343928

   (последний код) WASHER

нет в наличии, поставок нет
9 0437773

Обратный клапан в сборе., верхний & center (CHECK VALVE ASSY., Upper & center)

нет в наличии, поставок нет
9 0437613

   (последний код) VALVE AY,CHECK

нет в наличии, поставок нет
10 0303492

Ниппель, Water sвышеply & Дискharge (NIPPLE, Water supply & discharge)

нет в наличии, поставок нет
11 0321164

Заглушка, Pulse port (PLUG, Pulse port)

нет в наличии, поставок нет
11 0307544

   (последний код) PLUG

нет в наличии, поставок нет
0343928 0343928

Шайба (WASHER)

нет в наличии, поставок нет
0343928 0343929

   (последний код) SCREW AY

нет в наличии, поставок нет
12 0332135

Заглушка, Accy. water pressure (PLUG, Accy. water pressure)

нет в наличии, поставок нет
12 0340808

   (последний код) PLUG

нет в наличии, поставок нет
13 0306500

Винт, Головка блока цилиндра (SCREW, Cylinder head)

нет в наличии, поставок нет
14 0586140

температура Датчик, Port (TEMPERATURE SENSOR, Port)

нет в наличии, поставок нет
15 0514697

LOCK WEDGE (LOCK WEDGE)

нет в наличии, поставок нет
16 0514679

Клемма, Штифт (TERMINAL, Pin)

нет в наличии, поставок нет
17 0514696

Коннектор, 2-Штифт (CONNECTOR, 2-pin)

нет в наличии, поставок нет
18 0329562

Крышка (COVER)

нет в наличии, поставок нет
19 0338632

Крышка термостата (COVER, Thermostat)

нет в наличии, поставок нет
20 0585184

температура Переключатель, Stbd. (TEMPERATURE SWITCH, Stbd.)

нет в наличии, поставок нет
20 0586094

   (последний код) SWITCH AY,TEMP

нет в наличии, поставок нет
21 0511469

Клемма, Штифт (TERMINAL, Pin)

нет в наличии, поставок нет
21 3852229

   (последний код) TERMINAL,PIN

нет в наличии, поставок нет
23 0329562

Крышка (COVER)

нет в наличии, поставок нет
24 0513357

Коннектор (CONNECTOR)

нет в наличии, поставок нет
24 3854845

   (последний код) CONNECTOR 513357

нет в наличии, поставок нет
25 0331188

Уплотнительное кольцо крышки термостата. Included in Powerhead Комплект прокладок (O-RING, Thermostat cover. Included in Powerhead Gasket Set)

5 шт370 руб.
26 0

Шланг, Tee to block, 2 дюйм (50 мм) сокращёная длина from 25 фут (7, 6m) Roll, 333341 (HOSE, Tee to block, 2 in. (50mm). Cut to Length from 25 Ft. (7,6m) Roll, 333341)

нет в наличии, поставок нет
27 0328744

Винт, Цилиндр to Картер двигателя (SCREW, Cylinder to crankcase)

нет в наличии, поставок нет
27 0308741

   (последний код) SCREW

нет в наличии, поставок нет
28 0330935

Втулка, Рычаг переключения (BUSHING, Shift lever)

нет в наличии, поставок нет
29 0328725

Винт, Рычаг тяги переключения (SCREW, Shift rod lever)

нет в наличии, поставок нет
29 3852187

   (последний код) SCREW

нет в наличии, поставок нет
30 0439831

Свеча зажигания (SPARK PLUG)

нет в наличии, поставок нет
30 5000547

   (последний код) SPARK PLUG

нет в наличии, поставок нет
31 0433817

Рычаг в сборе., Переключающая тяга (LEVER ASSY., Shift rod)

нет в наличии, поставок нет
32 0436853

KIT, Монтажная резинка в сборе., верхний (KIT, Rubber mount assy., upper)

нет в наличии, поставок нет
32 0436603

   (последний код) MOUNT AY,UPPER

нет в наличии, поставок нет
33 0344277

Винт, верхний Крепление (SCREW, Upper mount)

нет в наличии, поставок нет
33 0343024

   (последний код) SCREW

нет в наличии, поставок нет
34 0439563

Головка блока цилиндра, Stbd., 150 (CYLINDER HEAD, Stbd., 150)

нет в наличии, поставок нет
34 0344043

   (последний код) HEAD,CYLINDER STBD

нет в наличии, поставок нет
34 0344611

Головка блока цилиндра, Stbd., 175. Use 5001212 и if 5001212 installed use 5001251. Use 5001212 и if 5001212 installed use 5001251 (CYLINDER HEAD, Stbd., 175. Use 5001212 and if 5001212 installed use 5001251. Use 5001212 and if 5001212 installed use 5001251)

нет в наличии, поставок нет
36 0335523

Уплотнительное кольцо, Головка блока цилиндра. Included in Powerhead Комплект прокладок (O-RING, Cylinder head. Included in Powerhead Gasket Set)

1 шт770 руб.
37 0330933

Винт, Рычаг переключения to block (SCREW, Shift arm to block)

нет в наличии, поставок нет
38 0343118

Переключающая тяга Рычаг to Рычаг переключения (LINK, Shift lever to shift arm)

нет в наличии, поставок нет
38 0335382

   (последний код) LINK,SHIFT-LEVE

нет в наличии, поставок нет
39 0328725

Винт, Крышка, trunnion (SCREW, Cover, trunnion)

нет в наличии, поставок нет
39 3852187

   (последний код) SCREW

нет в наличии, поставок нет
40 0306012

Шайба вала переключения (WASHER, Shift shaft)

нет в наличии, поставок нет
41 0336136

Струбцина, Пыльник, Выхлоп (CLAMP, Grommet, exhaust)

нет в наличии, поставок нет
42 0311015

Втулка, Рычаг переключения (BUSHING, Shift lever)

нет в наличии, поставок нет
42 3852094

   (последний код) BUSHING

нет в наличии, поставок нет
44 0202026

Шайба, Рычаг переключения (WASHER, Shift arm)

нет в наличии, поставок нет
45 0439333

Рычаг переключения (SHIFT LEVER)

нет в наличии, поставок нет
45 0435518

   (последний код) LEVER-AY,SHI

нет в наличии, поставок нет
46 0328702

Шайба, Соединитель to Рычаг переключения (WASHER, Link to shift arm)

нет в наличии, поставок нет
46 3852183

   (последний код) WASHER

нет в наличии, поставок нет
47 0335528

Крышка, Trunnion (COVER, Trunnion)

нет в наличии, поставок нет
47 0349060

   (последний код) COVER,TRUNNION

нет в наличии, поставок нет
48 0340734

Втулка, Переключающий вал в сборе. (BUSHING, Shift shaft assy.)

нет в наличии, поставок нет
49 0330941

Штифт, Рычаг переключения (PIN, Shift arm)

нет в наличии, поставок нет
50 0436822

Переключающий вал & Рычаг в сборе. (SHIFT SHAFT & ARM ASSY.)

нет в наличии, поставок нет
50 5000470

   (последний код) ARM&SHAFT AY,SHIFT

нет в наличии, поставок нет
51 0340761

TRUNNION BLOCK (TRUNNION BLOCK)

нет в наличии, поставок нет
51 0349061

   (последний код) BLOCK,TRUNNION

нет в наличии, поставок нет
52 0435491

Термостат в сборе. (THERMOSTAT ASSY.)

нет в наличии, поставок нет
53 0338174

Пружина, Термостат (SPRING, Thermostat)

нет в наличии, поставок нет
54 0328733

Пружинная шайба, Рычаг переключения (SPRING WASHER, Shift lever)

нет в наличии, поставок нет
55 0333774

Зажим, Переключатель Рычаг переключателя Рычаг (CLIP, Shift lever, shift arm)

нет в наличии, поставок нет
56 0437827

Пыльник & INSERT, Выхлоп relief (GROMMET & INSERT, Exhaust relief)

нет в наличии, поставок нет
56 0439953

   (последний код) GROMMET AY,EXH REL

нет в наличии, поставок нет
57 0328744

Винт, Trunnion to block (SCREW, Trunnion to block)

нет в наличии, поставок нет
57 0308741

   (последний код) SCREW

нет в наличии, поставок нет
58 0335316

Сальник, Переключающая тяга (SEAL, Shift rod)

нет в наличии, поставок нет
59 0436857

Заглушка & NOZZLE, Overboard Индикатор (PLUG & NOZZLE, Overboard indicator)

нет в наличии, поставок нет
59 0336217

   (последний код) NOZZLE,OVBD DRAIN

нет в наличии, поставок нет
60 0320107

Крепёжный хомут (TIE STRAP)

нет в наличии, поставок нет
60 5035626

   (последний код) BAND,REM CON

нет в наличии, поставок нет
61 0335521

Втулка, Рычаг переключения to block (BUSHING, Shift lever to block)

нет в наличии, поставок нет
62 0343881

Ниппель, нижний drain (NIPPLE, Lower drain)

нет в наличии, поставок нет
63 0324677

Уплотнительное кольцо, Ниппель, нижний drain (O-RING, Nipple, lower drain)

нет в наличии, поставок нет
64 0328649

Винт, нижний Дренажный ниппель (SCREW, Lower drain nipple)

нет в наличии, поставок нет
64 0337541

   (последний код) SCREW

нет в наличии, поставок нет
65 0301967

Уплотнительное кольцо, Overboard Индикатор (O-RING, Overboard indicator)

нет в наличии, поставок нет
66 0439562

Головка блока цилиндра, Port, 150 (CYLINDER HEAD, Port, 150)

нет в наличии, поставок нет
66 0344042

   (последний код) HEAD,CYLINDER PORT

нет в наличии, поставок нет
66 0344610

Головка блока цилиндра, Port, 175. Use 5001212 и if 5001212 installed use 5001250. Use 5001212 и if 5001212 installed use 5001250 (CYLINDER HEAD, Port, 175. Use 5001212 and if 5001212 installed use 5001250. Use 5001212 and if 5001212 installed use 5001250)

нет в наличии, поставок нет
68 0328584

Крепление (MOUNT)

нет в наличии, поставок нет
68 0349557

   (последний код) MOUNT

нет в наличии, поставок нет
69 0329749

Шайба, Крепление (WASHER, Mount)

нет в наличии, поставок нет
69 0349556

   (последний код) WASHER

нет в наличии, поставок нет
70 0330263

Винт, верхний Крепление retention (SCREW, Upper mount retention)

нет в наличии, поставок нет
70 0914534

   (последний код) SCREW

нет в наличии, поставок нет
71 0

Шланг, Блок цилиндра vent, 18 дюйм (457 мм) сокращёная длина from 25 фут (7, 6m) Roll, 327228 (HOSE, Cylinder block vent, 18 in. (457mm). Cut to Length from 25 Ft. (7,6m) Roll, 327228)

нет в наличии, поставок нет
72 0330474

TEE, Water return Шлангs (TEE, Water return hoses)

нет в наличии, поставок нет
73 0328724

Винт, Battery Заземление (SCREW, Battery ground)

нет в наличии, поставок нет
73 3852186

   (последний код) SCREW

нет в наличии, поставок нет
74 0340418

Фиксатор, верхний Крепление (RETAINER, Upper mount)

нет в наличии, поставок нет
75 0328701

Шайба с блокировкой, Заземление Винт (LOCK WASHER, Ground screw)

нет в наличии, поставок нет
75 3852182

   (последний код) WASHER,LOCK

нет в наличии, поставок нет
76 0586130

Переключатель & Кабели (SWITCH & CABLE)

нет в наличии, поставок нет
77 0514679

Клемма, Штифт (TERMINAL, Pin)

нет в наличии, поставок нет
78 0514696

Коннектор (CONNECTOR)

нет в наличии, поставок нет
79 0514697

LOCK WEDGE (LOCK WEDGE)

нет в наличии, поставок нет
80 0335981

Сальник термостата (SEAL, Thermostat)

нет в наличии, поставок нет
81 0

Шланг, верхний stbd. brg. vent to stbd. Система впуска mold., 9 дюйм (229 мм) сокращёная длина from 25 фут (7, 6m) Roll, 340848 (HOSE, Upper stbd. brg. vent to stbd. intake mold., 9 in. (229mm). Cut to Length from 25 Ft. (7,6m) Roll, 340848)

нет в наличии, поставок нет
82 0513811

Кронштейн, Slider (BRACKET, Slider)

нет в наличии, поставок нет
82 0513132

   (последний код) BRACKET

нет в наличии, поставок нет
83 0513134

Кронштейн, Защелка (BRACKET, Snap)

нет в наличии, поставок нет
84 0333749

Пружина переключателя assist (SPRING, Shift assist)

нет в наличии, поставок нет
85 0338990

Штифт, Переключатель assist (PIN, Shift assist)

нет в наличии, поставок нет
86 0

Шланг, нижний Подшипник vent to Обратный клапан, 4 1 / дюйм (114 мм) сокращёная длина from 25 фут (7, 6m) Roll, 327228 (HOSE, Lower bearing vent to check valve, 4 1/ in. (114mm). Cut to Length from 25 Ft. (7,6m) Roll, 327228)

нет в наличии, поставок нет
87 0335499

Сальник, Block to Нижняя часть корпуса, port. Included in Powerhead Комплект прокладок (SEAL, Block to lower cover, port. Included in Powerhead Gasket Set)

нет в наличии, поставок нет
88 0335500

Сальник, Block to Нижняя часть корпуса, stbd.. Included in Powerhead Комплект прокладок (SEAL, Block to lower cover, stbd.. Included in Powerhead Gasket Set)

нет в наличии, поставок нет
89 0434927

Обратный клапан (CHECK VALVE)

нет в наличии, поставок нет
90 0343398

Шланг, Выхлоп Пыльник to block (HOSE, Exhaust grommet to block)

нет в наличии, поставок нет
91 0

Шланг, верхний Подшипник vent to Обратный клапан, 9 in (229 мм) сокращёная длина from 25 фут (7, 6m) Roll, 340848 (HOSE, Upper bearing vent to check valve, 9 in (229mm). Cut to Length from 25 Ft. (7,6m) Roll, 340848)

нет в наличии, поставок нет
92 0328724

Винт, Заземление (SCREW, Ground)

нет в наличии, поставок нет
92 3852186

   (последний код) SCREW

нет в наличии, поставок нет
93 0328701

Шайба с блокировкой, Заземление (LOCK WASHER, Ground)

нет в наличии, поставок нет
93 3852182

   (последний код) WASHER,LOCK

нет в наличии, поставок нет
94 0439202

POWERHEAD Комплект прокладок (POWERHEAD GASKET SET)

нет в наличии, поставок нет
evinrude

Время выполнения запроса 1.3763148784637 сек.


 
 

данный сайт носит информационный характер и не является публичной офертой

склад запчастей для водомоторной техники