вконтакте

Контактный телефон: +7 (981) 121-46-93, +7 (800) 200-90-76 , Email: parts-katalog@yandex.ru, где купить

 
 

  Логин:

Пароль:

Регистрация

www.partskatalog.ru Все каталоги Запчасти Mercury Запчасти Suzuki Запчасти Tohatsu Запчасти Honda Контакты



УВАЖАЕМЫЕ КЛИЕНТЫ!
C 31 ОКТЯБРЯ 2025 ПО 10 НОЯБРЯ 2025 ГОДА РАБОТАТЬ НЕ БУДЕМ




Все разделы каталога запчастей на этот двигатель

назад Раздел:   вперёд

вернуться к списку узлов и деталей

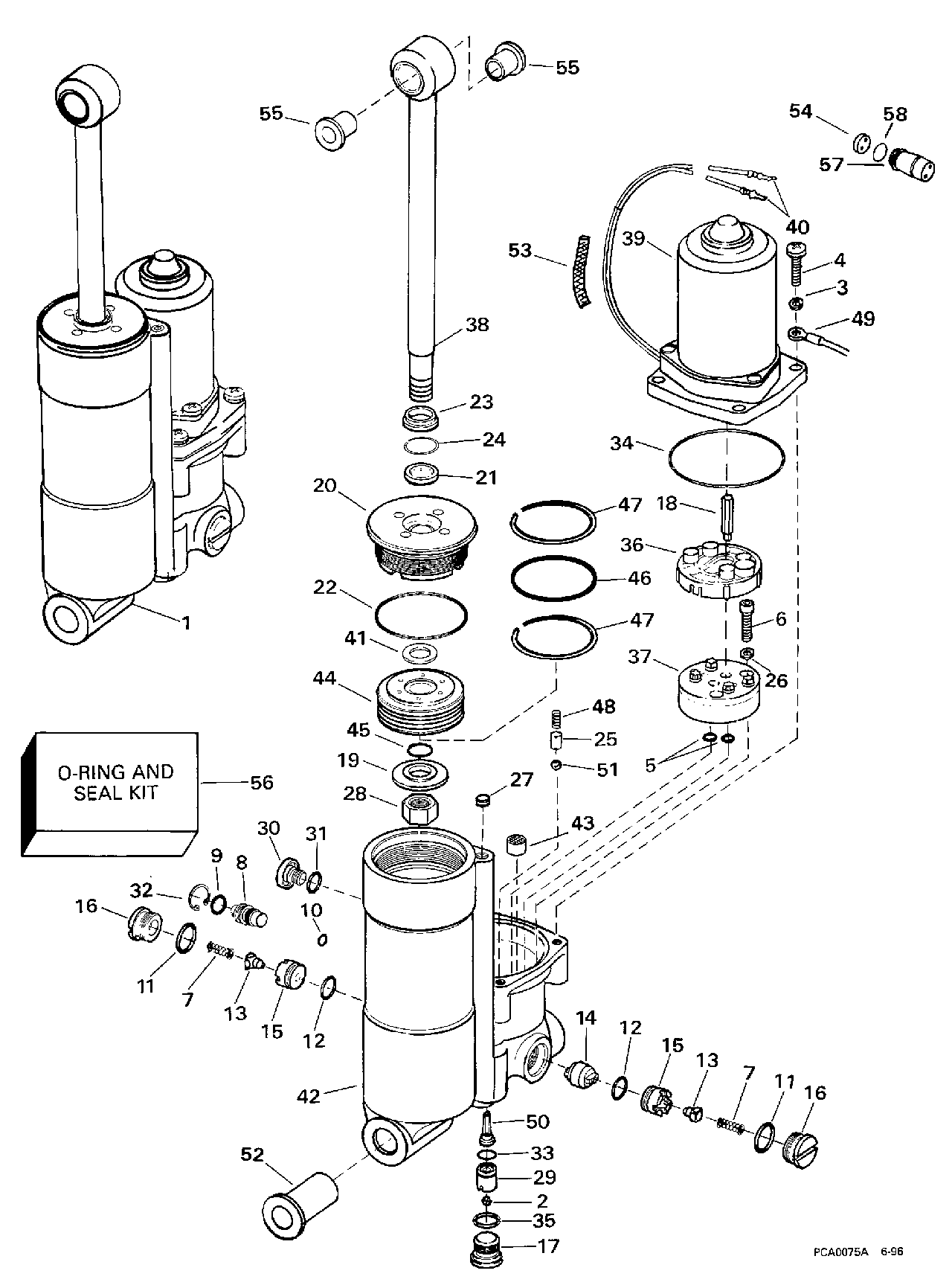
ДЕТАЛИРОВКА ДЛЯ МОДЕЛИ: EVINRUDE BE40TLECR 1998

МЕХАНИЗИРОВАННЫЙ ДИФФЕРЕНТ НАКЛОНА | POWER TRIM/TILT;


 Эвинруд BE40TLECR 1998  - wer Trim / tilt / wer Trim/tilt

Номер на
рисунке
АртикулНаименованиеКол-во
на складе
Цена
1 0438135

HYDRAULIC LIFT в сборе. (HYDRAULIC LIFT ASSY.)

нет в наличии, поставок нет
1 0435903

   (последний код) LIFT AY,HYDRAULIC

нет в наличии, поставок нет
2 0160084

Шарик, Седло клапана (BALL, Valve seat)

нет в наличии, поставок нет
2 3852023

   (последний код) BALL

нет в наличии, поставок нет
3 0302290

Шайба, Винт, motor to Коллектор (WASHER, Screw, motor to manifold)

нет в наличии, поставок нет
3 0338307

   (последний код) WASHER,LOCK

нет в наличии, поставок нет
4 0320780

Винт, Tilt & trim motor (SCREW, Tilt & trim motor)

нет в наличии, поставок нет
5 0911522

Уплотнительное кольцо масляного насоса to Коллектор (O-RING, Oil pump to manifold)

нет в наличии, поставок нет
6 0321942

Винт, Масляный насос to Коллектор, short (SCREW, Oil pump to manifold, short)

нет в наличии, поставок нет
6 0335646

Винт, Масляный насос to Коллектор, long (SCREW, Oil pump to manifold, long)

нет в наличии, поставок нет
7 0333496

Пружина, Корпус to poppet (SPRING, Housing to poppet)

нет в наличии, поставок нет
8 0436606

Клапан HSG. в сборе., ручной release (VALVE HSG. ASSY., Manual release)

нет в наличии, поставок нет
8 0337930

   (последний код) BODY,VALVE

нет в наличии, поставок нет
9 0335143

Уплотнительное кольцо, Release Клапан (O-RING, Release valve)

нет в наличии, поставок нет
10 0339849

Уплотнительное кольцо, Release Клапан (O-RING, Release valve)

нет в наличии, поставок нет
10 0337928

   (последний код) SEAL

нет в наличии, поставок нет
11 0335132

Уплотнительное кольцо, Коллектор to Корпус (O-RING, Manifold to housing)

нет в наличии, поставок нет
12 0335133

Уплотнительное кольцо, Седло клапана (O-RING, Valve seat)

нет в наличии, поставок нет
13 0335134

POPPET, Обратный клапан (POPPET, Check valve)

нет в наличии, поставок нет
14 0335136

Золотник, Shuttle (SPOOL, Shuttle)

нет в наличии, поставок нет
15 0335137

Седло, Poppet Клапан (SEAT, Poppet valve)

нет в наличии, поставок нет
16 0335138

Заглушка, Фиксатор (PLUG, Retainer)

нет в наличии, поставок нет
17 0335140

Заглушка, Фиксатор (PLUG, Retainer)

нет в наличии, поставок нет
18 0335141

DRIVE Соединение (DRIVE COUPLING)

нет в наличии, поставок нет
19 0335142

Шайба, Поршень to tilt Тяга (WASHER, Piston to tilt rod)

нет в наличии, поставок нет
20 0435566

Колпачок в сборе (CAP ASSY.)

нет в наличии, поставок нет
20 0433815

   (последний код) CAP,O-RING&S

нет в наличии, поставок нет
21 0335148

Сальник, Tilt Тяга (SEAL, Tilt rod)

нет в наличии, поставок нет
22 0335149

Уплотнительное кольцо, End Колпачок (O-RING, End cap)

нет в наличии, поставок нет
23 0335154

WIPER (WIPER)

нет в наличии, поставок нет
24 0335155

Резервное кольцо (RING, Backup)

нет в наличии, поставок нет
25 0335156

Направляющая, Шарик (GUIDE, Ball)

нет в наличии, поставок нет
26 0306311

Шайба с блокировкой, Помпа to Коллектор (LOCK WASHER, Pump to manifold)

нет в наличии, поставок нет
27 0335130

Заглушка, Коллектор (PLUG, Manifold)

нет в наличии, поставок нет
28 0335159

Гайка, Tilt Тяга (NUT, Tilt rod)

нет в наличии, поставок нет
29 0335171

Седло клапана (VALVE SEAT)

нет в наличии, поставок нет
30 0335657

FILL Заглушка (FILL PLUG)

нет в наличии, поставок нет
31 0335658

Уплотнительное кольцо, Fill Заглушка (O-RING, Fill plug)

нет в наличии, поставок нет
32 0914069

Стопорное кольцо, ручной release (RETAINING RING, Manual release)

нет в наличии, поставок нет
32 3852997

   (последний код) RETAINING RING

нет в наличии, поставок нет
33 0335660

Уплотнительное кольцо, Седло клапана (O-RING, Valve seat)

нет в наличии, поставок нет
34 0335661

Сальник, Коллектор (SEAL, Manifold)

нет в наличии, поставок нет
35 0335129

Уплотнительное кольцо, Заглушка (O-RING, Plug)

нет в наличии, поставок нет
36 0335663

Фильтр, Масляный насос (FILTER, Oil pump)

нет в наличии, поставок нет
37 0389836

Масляный насос в сборе. (OIL PUMP ASSY.)

нет в наличии, поставок нет
38 0433225

Тяга & EYE в сборе. (ROD & EYE ASSY.)

нет в наличии, поставок нет
39 0437801

MOTOR & Кабели в сборе. (MOTOR & CABLE ASSY.)

нет в наличии, поставок нет
39 0435532

   (последний код) MOTOR&CABLE AY

нет в наличии, поставок нет
40 0513667

Клемма (TERMINAL)

нет в наличии, поставок нет
40 3852253

   (последний код) TERMINAL,RCP

нет в наличии, поставок нет
41 0335152

Шайба, Поршень (WASHER, Piston)

нет в наличии, поставок нет
42 0435899

Коллектор в сборе. (MANIFOLD ASSY.)

нет в наличии, поставок нет
42 0438135

   (последний код) HYDRAULIC AY,45X

нет в наличии, поставок нет
43 0340174

Фильтр, ручной relief (FILTER, Manual relief)

нет в наличии, поставок нет
44 0433814

Поршень в сборе. (PISTON ASSY.)

нет в наличии, поставок нет
45 0335143

Уплотнительное кольцо поршня (O-RING, Piston)

нет в наличии, поставок нет
46 0335145

Кольцо, Quad (RING, Quad)

нет в наличии, поставок нет
47 0335144

Резервное кольцо (RING, Backup)

нет в наличии, поставок нет
48 0335153

Пружина освобождения клапана (SPRING, Relief valve)

нет в наличии, поставок нет
49 0582499

BONDING Хомут (BONDING STRAP)

нет в наличии, поставок нет
49 0583960

   (последний код) LEAD-AY

нет в наличии, поставок нет
50 0335131

Фильтр, Резервуар (FILTER, Reservoir)

нет в наличии, поставок нет
51 0912298

Шарик, Relief Клапан (BALL, Relief valve)

нет в наличии, поставок нет
51 3852590

   (последний код) BALL

нет в наличии, поставок нет
52 0332434

Втулка, Коллектор to Тяга (BUSHING, Manifold to rod)

нет в наличии, поставок нет
53 0512259

Гильза, Кабели (SLEEVE, Cable)

нет в наличии, поставок нет
54 0513665

Сальник, Коннектор (SEAL, Connector)

нет в наличии, поставок нет
54 3852251

   (последний код) PLUG,CONN SEAL

нет в наличии, поставок нет
55 0332436

Втулка, Цилиндр наклона to Кронштейн (BUSHING, Tilt cylinder to bracket)

нет в наличии, поставок нет
56 0435567

Уплотнительное кольцо & Комплект сальников (O-RING & SEAL KIT)

нет в наличии, поставок нет
56 0433816

   (последний код) O-RING-KIT,M

нет в наличии, поставок нет
57 0513664

Коннектор, Tilt motor (CONNECTOR, Tilt motor)

нет в наличии, поставок нет
57 3852250

   (последний код) CONN,2-CONT

нет в наличии, поставок нет
58 0911729

Уплотнительное кольцо, Коннектор (O-RING, Connector)

нет в наличии, поставок нет
evinrude

Время выполнения запроса 0.8146858215332 сек.


 
 

данный сайт носит информационный характер и не является публичной офертой

склад запчастей для водомоторной техники