вконтакте

Контактный телефон: +7 (981) 121-46-93, +7 (800) 200-90-76 , Email: parts-katalog@yandex.ru, где купить

 
 

  Логин:

Пароль:

Регистрация

www.partskatalog.ru Все каталоги Запчасти Mercury Запчасти Suzuki Запчасти Tohatsu Запчасти Honda Контакты



УВАЖАЕМЫЕ КЛИЕНТЫ!
C 31 ОКТЯБРЯ 2025 ПО 10 НОЯБРЯ 2025 ГОДА РАБОТАТЬ НЕ БУДЕМ




Все разделы каталога запчастей на этот двигатель

назад Раздел:   вперёд

вернуться к списку узлов и деталей

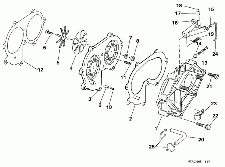
ДЕТАЛИРОВКА ДЛЯ МОДЕЛИ: EVINRUDE BE30BALECS 1998

ВПУСКНОЙ КОЛЛЕКТОР | INTAKE MANIFOLD;


Мотор EVINRUDE BE30BALECS 1998  - take Manifold

Номер на
рисунке
АртикулНаименованиеКол-во
на складе
Цена
1 0431628

Впускной коллектор. 20SR Only (MANIFOLD, Intake. 20SR Only)

нет в наличии, поставок нет
1 0396788

Впускной коллектор. 25R, 25BA, 25JR (MANIFOLD, Intake. 25R, 25BA, 25JR)

нет в наличии, поставок нет
1 0396786

   (последний код) MANIFOLD 396788

нет в наличии, поставок нет
1 0396790

Впускной коллектор. 25RD, 30 (All) (MANIFOLD, Intake. 25RD, 30 (All))

нет в наличии, поставок нет
1 0395626

   (последний код) INTAKE-MANIF

нет в наличии, поставок нет
2 0326260

Прокладка коллектора. Included in Powerhead Комплект прокладок (GASKET, Manifold. Included in Powerhead Gasket Set)

нет в наличии, поставок нет
2 0321573

   (последний код) GASKET

нет в наличии, поставок нет
0437712 0437712

LEAF Пластина ASSEMBLY. Not Shown (LEAF PLATE ASSEMBLY. Not Shown)

нет в наличии, поставок нет
0437712 0398489

   (последний код) PLATE-AY

нет в наличии, поставок нет
3 0324318

Пластина, Leaf (PLATE, Leaf)

нет в наличии, поставок нет
3 0320155

   (последний код) LEAFPLATE

нет в наличии, поставок нет
4 0342054

LEAF Клапан (LEAF VALVE)

нет в наличии, поставок нет
4 0327221

   (последний код) LEAF-VALVE

нет в наличии, поставок нет
5 0336752

STOP, Leaf (STOP, Leaf)

нет в наличии, поставок нет
5 0331573

   (последний код) LEAF-STOP

нет в наличии, поставок нет
6 0301858

Винт, Leaf to Пластина (SCREW, Leaf to plate)

нет в наличии, поставок нет
7 0306546

Шайба с блокировкой, Leaf Винт (LOCK WASHER, Leaf screw)

нет в наличии, поставок нет
8 0306556

Гайка, Leaf Винт (NUT, Leaf screw)

нет в наличии, поставок нет
8 3852064

   (последний код) NUT

нет в наличии, поставок нет
9 0309466

Клапан, Drain (VALVE, Drain)

нет в наличии, поставок нет
10 0332612

Винт, Клапан (SCREW, Valve)

нет в наличии, поставок нет
11 0307609

Винт, Пластина to Картер двигателя (SCREW, Plate to crankcase)

нет в наличии, поставок нет
12 0321479

Прокладка, Пластина to Картер двигателя. Included in Powerhead Комплект прокладок (GASKET, Plate to crankcase. Included in Powerhead Gasket Set)

нет в наличии, поставок нет
13 0331449

Штифт, Cam folнижний (PIN, Cam follower)

нет в наличии, поставок нет
14 0315101

Втулка, Folнижний Штифт (BUSHING, Follower pin)

нет в наличии, поставок нет
14 0910272

   (последний код) BEARING

нет в наличии, поставок нет
15 0313329

Фиксатор, Соединитель to cam folнижний (RETAINER, Link to cam follower)

нет в наличии, поставок нет
16 0396154

CAM FOLнижний (CAM FOLLOWER)

нет в наличии, поставок нет
17 0305232

Ролик колпачка folнижний (ROLLER, Cam follower)

нет в наличии, поставок нет
18 0307529

Уплотнительное кольцо, Ролик to cam folнижний (O-RING, Roller to cam follower)

нет в наличии, поставок нет
19 0320157

Пружина, Cam folнижний (SPRING, Cam follower)

нет в наличии, поставок нет
20 0

Шланг, Коллектор to bypass Крышка, 12 дюйм (305 мм 30. сокращёная длина from P / N 327229 -- 0.0575 дюйм I.D. 25 фут (7, 6m) Roll (HOSE, Manifold to bypass cover, 12 in. (305mm 30. Cut to Length from P/N 327229 -- 0.0575 in. I.D. 25 ft. (7,6m) Roll)

нет в наличии, поставок нет
21 0304294

Винт, Коллектор to Картер двигателя (SCREW, Manifold to crankcase)

нет в наличии, поставок нет
22 0303459

Винт, Коллектор to Картер двигателя (SCREW, Manifold to crankcase)

нет в наличии, поставок нет
22 3852048

   (последний код) SCREW

нет в наличии, поставок нет
23 0330151

Струбцина, AC lighting leads (CLAMP, AC lighting leads)

нет в наличии, поставок нет
23 3852199

   (последний код) CLAMP,"J"

нет в наличии, поставок нет
24 0330227

Соединитель, Карбюратор to cam folнижний (LINK, Carburetor to cam follower)

нет в наличии, поставок нет
25 0317893

Крепёжный хомут (TIE STRAP)

нет в наличии, поставок нет
25 3852149

   (последний код) TIE-STRAP

нет в наличии, поставок нет
26 0330151

Струбцина, AC models only (CLAMP, AC models only)

нет в наличии, поставок нет
26 3852199

   (последний код) CLAMP,"J"

нет в наличии, поставок нет
evinrude

Время выполнения запроса 1.6494190692902 сек.


 
 

данный сайт носит информационный характер и не является публичной офертой

склад запчастей для водомоторной техники