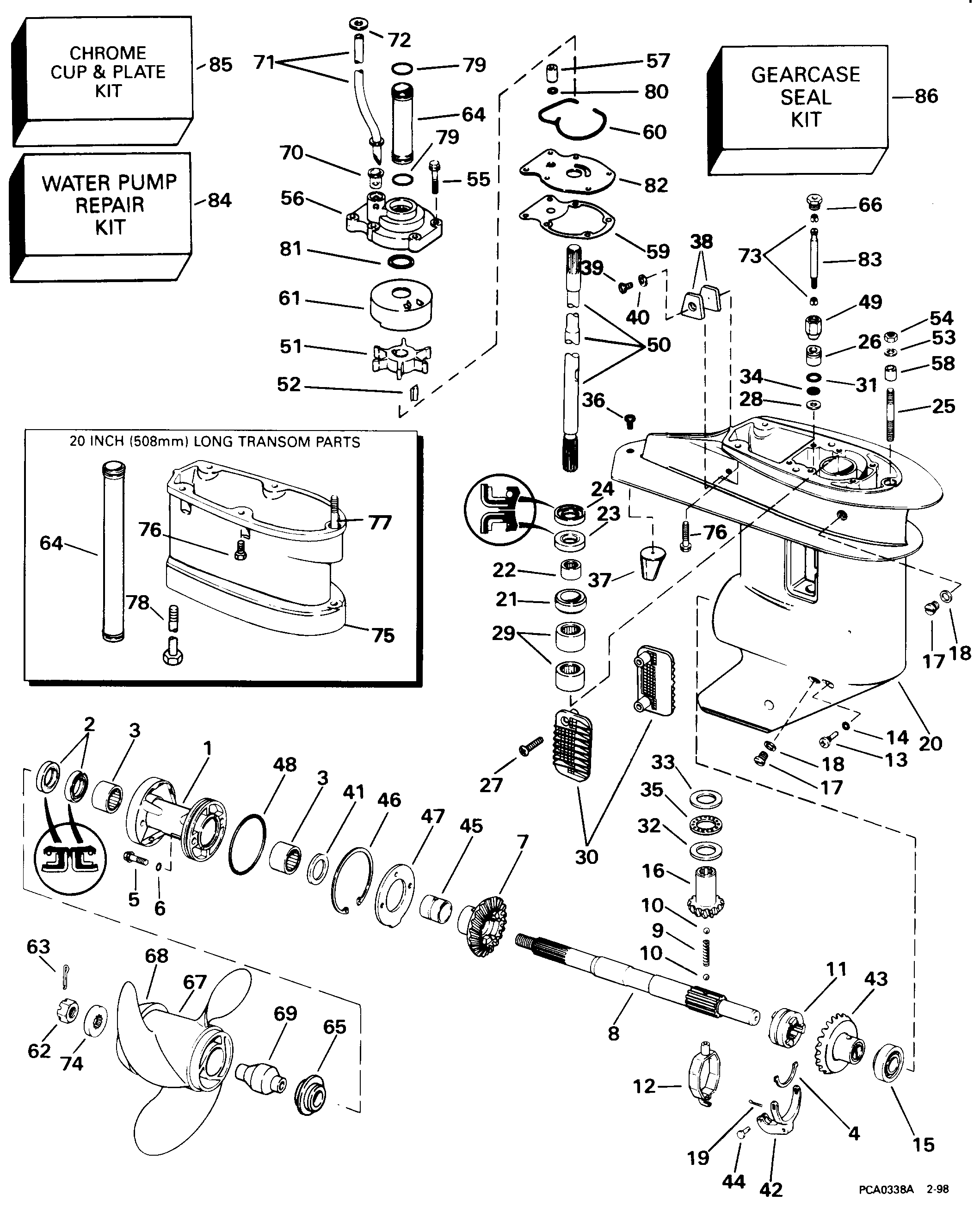
Номер на рисунке | Артикул | Наименование | Кол-во на складе | Цена |
| 0434763 | 0434763 | Редуктор в сборе., комплект. Not Shown Does not Include DriveВал (GEARCASE ASSY., Complete. Not Shown Does not Include Driveshaft) | нет в наличии, поставок нет |
| 0434763 | 0434764 | (последний код) GEARCASE AY,COMPL | нет в наличии, поставок нет |
| 1 | 0433428 | Подшипник Корпус & Сальник (BEARING HOUSING & SEAL) | нет в наличии, поставок нет |
| 1 | 0387023 | (последний код) BRG-HSG&SEAL | нет в наличии, поставок нет |
| 2 | 0321453 | Сальник, Вал гребного винта (SEAL, Propeller shaft) | нет в наличии, поставок нет |
| 2 | 0317843 | (последний код) OIL RETAINER | нет в наличии, поставок нет |
| 3 | 0437288 | Подшипник в сборе., Вал гребного винта (BEARING ASSY., Propeller shaft) | нет в наличии, поставок нет |
| 4 | 0328311 | CRADLE, Сцепление dog (CRADLE, Clutch dog) | нет в наличии, поставок нет |
| 5 | 0319743 | Винт, Вал гребного винта brg. hsg. (SCREW, Propeller shaft brg. hsg.) | нет в наличии, поставок нет |
| 6 | 0332584 | Шайба, Кольцевой сальник (WASHER, Seal ring) | нет в наличии, поставок нет |
| 7 | 0327655 | Шестерня обратного хода (GEAR, Reverse) | нет в наличии, поставок нет |
| 8 | 0439143 | Вал гребного винта (PROPELLER SHAFT) | нет в наличии, поставок нет |
| 8 | 0390268 | (последний код) PROP SHAFT | нет в наличии, поставок нет |
| 9 | 0327070 | Фиксатор пружины, Вал гребного винта (SPRING, Detent, propeller shaft) | нет в наличии, поставок нет |
| 10 | 0316506 | Шарик, Detent, Вал гребного винта (BALL, Detent, propeller shaft) | нет в наличии, поставок нет |
| 11 | 0337020 | Переключатель собачки сцепления (SHIFTER, Clutch dog) | нет в наличии, поставок нет |
| 12 | 0390023 | YOKE и Коннектор в сборе. (YOKE AND CONNECTOR ASSY.) | нет в наличии, поставок нет |
| 12 | 0386744 | (последний код) YOKE | нет в наличии, поставок нет |
| 13 | 0308376 | Стержень Штифт переключателя Рычаг (PIVOT PIN, Shifter lever) | нет в наличии, поставок нет |
| 13 | 0303358 | (последний код) PIVOT-PIN | нет в наличии, поставок нет |
| 14 | 0332584 | Шайба, Кольцевой сальник, Стержень Штифт (WASHER, Seal ring, pivot pin) | нет в наличии, поставок нет |
| 15 | 0386186 | Роликовый подшипник, дляward Шестерня (ROLLER BEARING, Forward gear) | нет в наличии, поставок нет |
| 16 | 0328313 | Шестерня, driveВал (GEAR, Pinion, driveshaft) | нет в наличии, поставок нет |
| 17 | 0307551 | Винт (SCREW) | нет в наличии, поставок нет |
| 17 | 0982851 | (последний код) SCREW-PLUG | нет в наличии, поставок нет |
| 18 | 0311598 | Шайба (WASHER) | нет в наличии, поставок нет |
| 18 | 3852105 | (последний код) WASHER | нет в наличии, поставок нет |
| 19 | 0303049 | Шплинт, Переключательer Рычаг (COTTER PIN, Shifter lever) | нет в наличии, поставок нет |
| 20 | 0434030 | Редуктор. Does not Include DriveВал (GEARCASE. Does not Include Driveshaft) | нет в наличии, поставок нет |
| 20 | 0432637 | (последний код) GEARCASE-AY | нет в наличии, поставок нет |
| 21 | 0322018 | Корпус подшипника (HOUSING, Bearing) | нет в наличии, поставок нет |
| 22 | 0386473 | Подшипник в сборе. (BEARING ASSY.) | нет в наличии, поставок нет |
| 23 | 0321928 | Фиксатор, Oil, dВал, нижний (RETAINER, Oil, dshaft, lower) | нет в наличии, поставок нет |
| 24 | 0332261 | Сальник, driveВал, верхний (SEAL, Oil, driveshaft, upper) | 3 шт | 720 руб. |
| 25 | 0320173 | Шпилька (STUD) | нет в наличии, поставок нет |
| 26 | 0326361 | Втулка, Переключающая тяга, нижний (BUSHING, Shift rod, lower) | нет в наличии, поставок нет |
| 27 | 0325539 | Винт, Screen to Редуктор (SCREW, Screen to gearcase) | нет в наличии, поставок нет |
| 27 | 0312270 | (последний код) SCREW | нет в наличии, поставок нет |
| 28 | 0321738 | Шайба, Переключающая тяга Втулка (WASHER, Shift rod bushing) | нет в наличии, поставок нет |
| 29 | 0437288 | Подшипник в сборе., DВал Шестерня (BEARING ASSY., Dshaft pinion) | нет в наличии, поставок нет |
| 30 | 0336206 | SCREEN, Система впуска (SCREEN, Intake) | нет в наличии, поставок нет |
| 30 | 0353692 | (последний код) SCREEN,INLET | нет в наличии, поставок нет |
| 30 | 0336202 | SCREEN, HD weedless. Опции (SCREEN, HD weedless. Optional) | нет в наличии, поставок нет |
| 31 | 0303347 | Уплотнительное кольцо, Scraper (O-RING, Scraper) | нет в наличии, поставок нет |
| 32 | 0330441 | Нижняя упорная шайба (THRUST WASHER, Lower) | нет в наличии, поставок нет |
| 32 | 0327717 | (последний код) THRUST-WASHE | нет в наличии, поставок нет |
| 33 | 0327716 | Верхняя упорная шайба (THRUST WASHER, Upper) | нет в наличии, поставок нет |
| 34 | 0301877 | Уплотнительное кольцо, Втулка (O-RING, Bushing) | нет в наличии, поставок нет |
| 35 | 0388027 | THRUST Подшипник, Шестерня (THRUST BEARING, Pinion) | нет в наличии, поставок нет |
| 36 | 0329217 | Винт, Пластина трима (SCREW, Trim tab) | нет в наличии, поставок нет |
| 36 | 0333707 | (последний код) SCREW | нет в наличии, поставок нет |
| 37 | 0336203 | Пластина трима (TRIM TAB) | нет в наличии, поставок нет |
| 38 | 0434029 | Анод KIT в сборе. (ANODE KIT ASSY.) | нет в наличии, поставок нет |
| 38 | 5007582 | (последний код) KIT AY,ANODE | нет в наличии, поставок нет |
| 39 | 0333677 | Винт крепления анода (SCREW, Anode mounting) | нет в наличии, поставок нет |
| 39 | 3852208 | (последний код) SCREW | нет в наличии, поставок нет |
| 40 | 0304454 | Шайба с блокировкой (LOCK WASHER) | нет в наличии, поставок нет |
| 41 | 0319684 | Упорная шайба (THRUST WASHER) | нет в наличии, поставок нет |
| 42 | 0337019 | Рычаг переключателяer (LEVER, Shifter) | нет в наличии, поставок нет |
| 43 | 0392475 | Шестерня & Втулка в сборе., дляward (GEAR & BUSHING ASSY., Forward) | нет в наличии, поставок нет |
| 44 | 0302504 | Штифт, Yoke & conn. to Переключательer Рычаг (PIN, Yoke & conn. to shifter lever) | нет в наличии, поставок нет |
| 45 | 0319635 | Втулка, Reverse Шестерня (BUSHING, Reverse gear) | нет в наличии, поставок нет |
| 46 | 0319747 | Стопорное кольцо (RETAINING RING) | нет в наличии, поставок нет |
| 47 | 0319746 | Фиксатор Пластина, Корпус (RETAINER PLATE, Housing) | нет в наличии, поставок нет |
| 48 | 0338518 | Уплотнительное кольцо, Подшипник Корпус (O-RING, Bearing housing) | 5 шт | 100 руб. |
| 48 | 0313893 | (последний код) O-RING | нет в наличии, поставок нет |
| 49 | 0331465 | Гайка, Переключающая тяга Коннектор (NUT, Shift rod connector) | нет в наличии, поставок нет |
| 50 | 0341635 | DRIVEВал, Std. (DRIVESHAFT, Std.) | нет в наличии, поставок нет |
| 51 | 0395289 | Крыльчатка в сборе. & Ключ (IMPELLER ASSY. & KEY) | 2 шт | 2060 руб. |
| 51 | 0395265 | (последний код) IMP AY | 2 шт | 1580 руб. |
| 52 | 0344470 | Ключ, Крыльчатка (KEY, Impeller) | нет в наличии, поставок нет |
| 52 | 0330619 | (последний код) KEY | нет в наличии, поставок нет |
| 53 | 0301250 | Шайба с блокировкой, Exh. hsg. to Шпилька (LOCK WASHER, Exh. hsg. to stud) | нет в наличии, поставок нет |
| 53 | 0911009 | (последний код) WASHER | нет в наличии, поставок нет |
| 54 | 0306422 | Гайка, Шпилька. 20 INCH (508 мм) LONG PARTS (NUT, Stud. 20 INCH (508mm) LONG PARTS) | нет в наличии, поставок нет |
| 55 | 0328725 | Винт, Крыльчатка Корпус (SCREW, Impeller housing) | нет в наличии, поставок нет |
| 55 | 3852187 | (последний код) SCREW | нет в наличии, поставок нет |
| 56 | 0393632 | Крыльчатка Корпус & Втулка (IMPELLER HOUSING & BUSHING) | нет в наличии, поставок нет |
| 57 | 0328754 | Втулка, Крыльчатка Корпус (BUSHING, Impeller housing) | нет в наличии, поставок нет |
| 58 | 0319785 | Втулка, Шпилька. 20 INCH (508 мм) LONG PARTS (BUSHING, Stud. 20 INCH (508mm) LONG PARTS) | нет в наличии, поставок нет |
| 59 | 0325537 | Прокладка, Пластина to Редуктор. Also included in kit 393630 (GASKET, Plate to gearcase. Also included in kit 393630) | нет в наличии, поставок нет |
| 60 | 0328753 | Сальник, Крыльчатка hsg. to Пластина. Also included in kit 393630 (SEAL, Impeller hsg. to plate. Also included in kit 393630) | нет в наличии, поставок нет |
| 61 | 0328773 | Cвыше, Крыльчатка Корпус, chrome (CUP, Impeller housing, chrome) | нет в наличии, поставок нет |
| 61 | 0323537 | (последний код) CUP | нет в наличии, поставок нет |
| 61 | 0328751 | Cвыше, Крыльчатка Корпус (CUP, Impeller housing) | нет в наличии, поставок нет |
| 61 | 0323008 | (последний код) CUP,IMPELLER HSG | нет в наличии, поставок нет |
| 62 | 0319891 | Гайка гребного винта (NUT, Propeller) | нет в наличии, поставок нет |
| 63 | 0320785 | Шплинт (COTTER PIN) | нет в наличии, поставок нет |
| 64 | 0326692 | Проставка, Крыльчатка Корпус, std. (SPACER, Impeller housing, std.) | нет в наличии, поставок нет |
| 64 | 0322408 | (последний код) SPACER | нет в наличии, поставок нет |
| 65 | 0335420 | Упорная втулка, Гребной винт (THRUST BUSHING, Propeller) | нет в наличии, поставок нет |
| 66 | 0325624 | Коннектор переключающей тяги (CONNECTOR, Shift rod) | нет в наличии, поставок нет |
| 67 | 0387320 | Гребной винт 11 1 / 4 X 7 AL (PROPELLER 11 1/4 X 7 AL) | нет в наличии, поставок нет |
| 67 | 0391064 | Гребной винт 10 X 17 AL (PROPELLER 10 X 17 AL) | нет в наличии, поставок нет |
| 67 | 0175190 | Гребной винт 10 1 / 2 X 11 AL (PROPELLER 10 1/2 X 11 AL) | нет в наличии, поставок нет |
| 67 | 0763459 | (последний код) PROP AL 10.5 X 11 | нет в наличии, поставок нет |
| 67 | 0175191 | Гребной винт 10 X 13 AL (Std. 20, 25, 30) (PROPELLER 10 X 13 AL (Std. 20,25,30)) | нет в наличии, поставок нет |
| 67 | 0177185 | (последний код) PROP AY,10 X 13 | нет в наличии, поставок нет |
| 67 | 0386317 | Гребной винт 11 X 9 AL (PROPELLER 11 X 9 AL) | нет в наличии, поставок нет |
| 67 | 0763487 | (последний код) PROP, AL 11 X 9 | нет в наличии, поставок нет |
| 67 | 0390728 | Гребной винт 10 1 / 2 X 11 SST (PROPELLER 10 1/2 X 11 SST) | нет в наличии, поставок нет |
| 67 | 0765176 | (последний код) PROP,SS-10X11 3BLD | нет в наличии, поставок нет |
| 67 | 0390727 | Гребной винт 11 X 9 SST (PROPELLER 11 X 9 SST) | нет в наличии, поставок нет |
| 67 | 0390380 | Гребной винт 10 X 15 AL (PROPELLER 10 X 15 AL) | нет в наличии, поставок нет |
| 67 | 0763486 | (последний код) PROP, AL 10 X 15 | 1 шт | 12590 руб. |
| 67 | 0390729 | Гребной винт 10 X 13 SST (PROPELLER 10 X 13 SST) | нет в наличии, поставок нет |
| 67 | 0765178 | (последний код) PROP,SST 10X13 | нет в наличии, поставок нет |
| 67 | 0390730 | Гребной винт 10 X 15 SST (PROPELLER 10 X 15 SST) | нет в наличии, поставок нет |
| 67 | 0390731 | Гребной винт 10 X 17 SST (PROPELLER 10 X 17 SST) | нет в наличии, поставок нет |
| 68 | 0332542 | CONVERGING Кольцо (CONVERGING RING) | нет в наличии, поставок нет |
| 68 | 0322101 | (последний код) CONVERGING RING | нет в наличии, поставок нет |
| 69 | 0392881 | Втулка в сборе., Prop. (SST) (BUSHING ASSY., Prop. (SST)) | нет в наличии, поставок нет |
| 69 | 0386638 | Втулка в сборе., Prop. (ALUM) (BUSHING ASSY., Prop. (ALUM)) | нет в наличии, поставок нет |
| 70 | 0302497 | Нижний пыльник трубки водяного насоса (GROMMET, Water tube, lower) | 2 шт | 250 руб. |
| 71 | 0395339 | Водяная трубка & Шайба, стандарт (WATER TUBE & WASHER, Standard) | нет в наличии, поставок нет |
| 72 | 0330658 | Шайба. 20 INCH (508 мм) LONG PARTS (WASHER. 20 INCH (508mm) LONG PARTS) | нет в наличии, поставок нет |
| 73 | 0325625 | KEEPER, Переключающая тяга, верхний to нижний (KEEPER, Shift rod, upper to lower) | нет в наличии, поставок нет |
| 74 | 0323943 | Проставка гайки гребного винта (SPACER, Propeller nut) | нет в наличии, поставок нет |
| 74 | 0319892 | (последний код) SPACER | нет в наличии, поставок нет |
| 76 | 0328333 | Винт, Редуктор to Корпус (SCREW, Gearcase to housing) | нет в наличии, поставок нет |
| 79 | 0311338 | Уплотнительное кольцо. Also included in kit 393630 (O-RING. Also included in kit 393630) | нет в наличии, поставок нет |
| 80 | 0301877 | Уплотнительное кольцо, Крыльчатка Корпус (O-RING, Impeller housing) | нет в наличии, поставок нет |
| 81 | 0554545 | Уплотнительное кольцо, Cвыше to Крыльчатка hsg.. Also included in kit 393630 (O-RING, Cup to impeller hsg.. Also included in kit 393630) | нет в наличии, поставок нет |
| 82 | 0328772 | Пластина корпуса крыльчатки, chrome (PLATE, Impeller housing, chrome) | нет в наличии, поставок нет |
| 82 | 0328755 | Пластина корпуса крыльчатки (PLATE, Impeller housing) | 1 шт | 1180 руб. |
| 83 | 0331479 | Переключающая тяга, нижний (SHIFT ROD, Lower) | нет в наличии, поставок нет |
| 0396707 | 0396707 | Удлинитель KIT в сборе.. Not Shown 20 INCH (508 мм) LONG PARTS (EXTENSION KIT ASSY.. Not Shown 20 INCH (508mm) LONG PARTS) | нет в наличии, поставок нет |
| 0325541 | 0325541 | Переключающая тяга, верхний long. Not Shown 20 INCH (508 мм) LONG PARTS (SHIFT ROD, Upper long. Not Shown 20 INCH (508mm) LONG PARTS) | нет в наличии, поставок нет |
| 50 | 0341638 | DRIVEВал, Long. 20 INCH (508 мм) LONG PARTS (DRIVESHAFT, Long. 20 INCH (508mm) LONG PARTS) | нет в наличии, поставок нет |
| 50 | 0341637 | (последний код) DRIVESHAFT,20" | нет в наличии, поставок нет |
| 53 | 0306470 | Шайба с блокировкой. 20 INCH (508 мм) LONG PARTS (LOCK WASHER. 20 INCH (508mm) LONG PARTS) | нет в наличии, поставок нет |
| 53 | 3852061 | (последний код) LOCKWASHER | нет в наличии, поставок нет |
| 54 | 0306422 | Гайка. 20 INCH (508 мм) LONG PARTS (NUT. 20 INCH (508mm) LONG PARTS) | нет в наличии, поставок нет |
| 58 | 0319785 | Втулка. 20 INCH (508 мм) LONG PARTS (BUSHING. 20 INCH (508mm) LONG PARTS) | нет в наличии, поставок нет |
| 64 | 0326693 | Проставка, Крыльчатка Корпус, long. 20 INCH (508 мм) LONG PARTS (SPACER, Impeller housing, long. 20 INCH (508mm) LONG PARTS) | нет в наличии, поставок нет |
| 64 | 0322409 | (последний код) SPACER | нет в наличии, поставок нет |
| 71 | 0395340 | Водяная трубка & Шайба, Long. 20 INCH (508 мм) LONG PARTS (WATER TUBE & WASHER, Long. 20 INCH (508mm) LONG PARTS) | нет в наличии, поставок нет |
| 72 | 0330658 | Шайба. 20 INCH (508 мм) LONG PARTS (WASHER. 20 INCH (508mm) LONG PARTS) | нет в наличии, поставок нет |
| 75 | 0392967 | Удлинитель, Шпилька & Винт в сборе.. 20 INCH (508 мм) LONG PARTS (EXTENSION, STUD & SCREW ASSY.. 20 INCH (508mm) LONG PARTS) | нет в наличии, поставок нет |
| 76 | 0327973 | Винт, Редуктор to Корпус. 20 INCH (508 мм) LONG PARTS (SCREW, Gearcase to housing. 20 INCH (508mm) LONG PARTS) | нет в наличии, поставок нет |
| 76 | 0339823 | (последний код) SCREW | нет в наличии, поставок нет |
| 77 | 0320173 | Шпилька, Редуктор Удлинитель. 20 INCH (508 мм) LONG PARTS (STUD, Gearcase extension. 20 INCH (508mm) LONG PARTS) | нет в наличии, поставок нет |
| 78 | 0305283 | Винт, Удлинитель. 20 INCH (508 мм) LONG PARTS (SCREW, Extension. 20 INCH (508mm) LONG PARTS) | нет в наличии, поставок нет |
| 79 | 0311338 | Уплотнительное кольцо. Also included in kit 393630 (O-RING. Also included in kit 393630) | нет в наличии, поставок нет |
| 0325975 | 0325975 | Крепление, Rubber, нижний Not Shown 20 INCH (508 мм) LONG PARTS (MOUNT, Rubber, lower. Not Shown 20 INCH (508mm) LONG PARTS) | нет в наличии, поставок нет |
| 0325974 | 0325974 | Крепление, Rubber, верхний Not Shown 20 INCH (508 мм) LONG PARTS (MOUNT, Rubber, upper. Not Shown 20 INCH (508mm) LONG PARTS) | нет в наличии, поставок нет |
| 0325974 | 0332810 | (последний код) RUBBER MOUNT | нет в наличии, поставок нет |
| 0330621 | 0330621 | Прокладка, Powerhead Основание. Not Shown 20 INCH (508 мм) LONG PARTS (GASKET, Powerhead base. Not Shown 20 INCH (508mm) LONG PARTS) | нет в наличии, поставок нет |
| 0330621 | 0324332 | (последний код) GASKET | нет в наличии, поставок нет |
| 84 | 0393630 | Ремкомплект водяного насоса, (Includes Крыльчатка hou ing) (WATER PUMP REPAIR KIT, (Includes impeller hou ing)) | нет в наличии, поставок нет |
| 84 | 0393509 | (последний код) PUMP KIT | нет в наличии, поставок нет |
| 84 | T-0393630 | (не оригинальный аналог) Ремкомплект насоса охлаждения Johnson/Evinrude 0393630 | под заказ шт | по запросу |
| 85 | 0393262 | CHROME Cвыше & Пластина KIT (CHROME CUP & PLATE KIT) | нет в наличии, поставок нет |
| 86 | 0396351 | Комплект сальников редуктора (GEARCASE SEAL KIT) | нет в наличии, поставок нет |