вконтакте

Контактный телефон: +7 (981) 121-46-93, +7 (800) 200-90-76 , Email: parts-katalog@yandex.ru, где купить

 
 

  Логин:

Пароль:

Регистрация

www.partskatalog.ru Все каталоги Запчасти Mercury Запчасти Suzuki Запчасти Tohatsu Запчасти Honda Контакты



УВАЖАЕМЫЕ КЛИЕНТЫ!
C 31 ОКТЯБРЯ 2025 ПО 10 НОЯБРЯ 2025 ГОДА РАБОТАТЬ НЕ БУДЕМ




Все разделы каталога запчастей на этот двигатель

назад Раздел:   вперёд

вернуться к списку узлов и деталей

ДЕТАЛИРОВКА ДЛЯ МОДЕЛИ: EVINRUDE E8FRXECA 1998

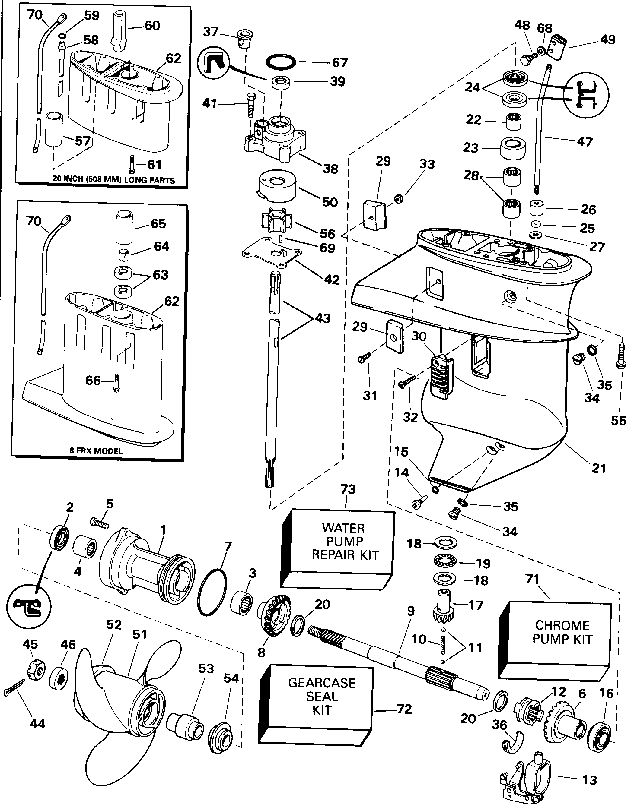
РЕДУКТОР | GEARCASE;


Подвесной мотор Evinrude E8FRXECA 1998  - arcase - arcase

Номер на
рисунке
АртикулНаименованиеКол-во
на складе
Цена
0438617 0438617

Редуктор в сборе., (Less driveВал и Помпа) Not Shown (GEARCASE ASSY., (Less driveshaft and pump). Not Shown)

нет в наличии, поставок нет
0438617 0435712

   (последний код) GEARCASE-AY

нет в наличии, поставок нет
1 0437774

Подшипник Корпус подшипника & Сальник assembly (BEARING HOUSING, Bearing & seal assembly)

нет в наличии, поставок нет
1 0433403

   (последний код) HOUSING-AY,P

нет в наличии, поставок нет
2 0342247

Сальник, Brg. hsg. to prop. Вал (SEAL, Brg. hsg. to prop. shaft)

нет в наличии, поставок нет
3 0386125

Подшипник, Reverse Шестерня (BEARING, Reverse gear)

нет в наличии, поставок нет
4 0386231

Подшипник (BEARING)

нет в наличии, поставок нет
5 0333706

Винт, Brg. hsg. to Редуктор (SCREW, Brg. hsg. to gearcase)

нет в наличии, поставок нет
6 0394823

Шестерня & Втулка в сборе., дляward (GEAR & BUSHING ASSY., Forward)

нет в наличии, поставок нет
7 0308627

Уплотнительное кольцо, Brg. hsg. to Редуктор (O-RING, Brg. hsg. to gearcase)

2 шт100 руб.
8 0330201

Шестерня обратного хода (GEAR, Reverse)

нет в наличии, поставок нет
9 0343491

Вал гребного винта (PROPELLER SHAFT)

нет в наличии, поставок нет
9 0438578

   (последний код) KIT AY,PROPSHAFT

нет в наличии, поставок нет
10 0316505

Фиксатор пружины (SPRING, Detent)

нет в наличии, поставок нет
11 0316506

Шарик, Detent (BALL, Detent)

нет в наличии, поставок нет
12 0325263

Переключатель собачки сцепления (SHIFTER, Clutch dog)

нет в наличии, поставок нет
13 0388416

ПереключательER Рычаг & Обойма (SHIFTER LEVER & YOKE ASSY.)

нет в наличии, поставок нет
13 0386148

   (последний код) SHIFTER LEVER

нет в наличии, поставок нет
14 0308376

Стержень Штифт переключателя Рычаг (PIVOT PIN, Shifter lever)

нет в наличии, поставок нет
14 0303358

   (последний код) PIVOT-PIN

нет в наличии, поставок нет
15 0332584

Опорная шайба Штифт (WASHER, Pivot pin)

нет в наличии, поставок нет
16 0386186

Роликовый подшипник, дляward Шестерня (ROLLER BEARING, Forward gear)

нет в наличии, поставок нет
17 0338190

Шестерня, DriveВал (PINION, Driveshaft)

нет в наличии, поставок нет
18 0336296

Нижняя упорная шайба Шестерня Подшипник (THRUST WASHER, Lower pinion bearing)

нет в наличии, поставок нет
19 0388000

THRUST Подшипник, Шестерня (THRUST BEARING, Pinion)

нет в наличии, поставок нет
20 0343251

Упорная шайба, дляward & reverse Шестерня (THRUST WASHER, Forward & reverse gear)

нет в наличии, поставок нет
21 0435393

Редуктор, BRG. & Сальник в сборе. (GEARCASE, BRG. & SEAL ASSY.)

нет в наличии, поставок нет
21 0438617

   (последний код) G-CASE AY,LESS D/S

нет в наличии, поставок нет
22 0386014

Подшипник ASSEMBLY, DriveВал (BEARING ASSEMBLY, Driveshaft)

нет в наличии, поставок нет
23 0318874

Гильза, Подшипник driveВал (SLEEVE, Bearing driveshaft)

нет в наличии, поставок нет
24 0321480

Сальник, Редуктор to driveВал (SEAL, Gearcase to driveshaft)

нет в наличии, поставок нет
24 0318973

   (последний код) SEAL

нет в наличии, поставок нет
25 0301877

Уплотнительное кольцо, Втулка to Переключающая тяга (O-RING, Bushing to shift rod)

нет в наличии, поставок нет
26 0304765

Втулка, Переключающая тяга (BUSHING, Shift rod)

нет в наличии, поставок нет
27 0321738

Шайба уплотнения, Переключающая тяга (WASHER, Seal, shift rod)

нет в наличии, поставок нет
28 0386071

Подшипник в сборе., Шестерня to Редуктор (BEARING ASSY., Pinion to gearcase)

нет в наличии, поставок нет
29 0338635

Анод (ANODE)

нет в наличии, поставок нет
30 0338443

SCREEN, вход (SCREEN, Inlet)

нет в наличии, поставок нет
31 0304013

Винт, Анод (SCREW, Anode)

нет в наличии, поставок нет
32 0325539

Винт, Screen (SCREW, Screen)

нет в наличии, поставок нет
32 0312270

   (последний код) SCREW

нет в наличии, поставок нет
33 0121470

Гайка, Винт, Анод (NUT, Screw, anode)

нет в наличии, поставок нет
34 0307551

Заглушка & Шайба (PLUG & WASHER)

нет в наличии, поставок нет
34 0982851

   (последний код) SCREW-PLUG

нет в наличии, поставок нет
35 0311598

Шайба (WASHER)

нет в наличии, поставок нет
35 3852105

   (последний код) WASHER

нет в наличии, поставок нет
36 0325014

CRADLE, Сцепление dog (CRADLE, Clutch dog)

нет в наличии, поставок нет
37 0327035

Нижний пыльник водяной трубки (GROMMET, Water tube lower)

1 шт460 руб.
38 0435390

Крыльчатка HSG. & Сальник в сборе. (IMPELLER HSG. & SEAL ASSY.)

1 шт1700 руб.
38 0391571

   (последний код) IMP-HSG&SEAL

1 шт1320 руб.
39 0318972

Сальник, Крыльчатка hsg. to dВал. Also included in kit 394711 (SEAL, Impeller hsg. to dshaft. Also included in kit 394711)

2 шт790 руб.
41 0302325

Винт, Imp. hsg. to Редуктор (SCREW, Imp. hsg. to gearcase)

нет в наличии, поставок нет
42 0318995

Пластина корпуса крыльчатки (PLATE, Impeller housing)

нет в наличии, поставок нет
42 0319988

   (последний код) PLATE IMP HSG

нет в наличии, поставок нет
42 0319988

Пластина корпуса крыльчатки (PLATE, Impeller housing)

нет в наличии, поставок нет
42 0318995

   (последний код) PLATE-IMP-HS

нет в наличии, поставок нет
43 0341590

DRIVEВал, стандарт (DRIVESHAFT, Standard)

нет в наличии, поставок нет
43 0329510

   (последний код) DRIVESHAFT-S

нет в наличии, поставок нет
44 0328522

Шплинт, Гайка гребного винта to Вал (COTTER PIN, Propeller nut to shaft)

25 шт60 руб.
45 0318971

Гайка гребного винта (NUT, Propeller)

нет в наличии, поставок нет
46 0323942

Упорная шайба, Prop. Вал, rear (THRUST WASHER, Prop. shaft, rear)

нет в наличии, поставок нет
46 0318959

   (последний код) THRUST-WASHE

нет в наличии, поставок нет
47 0318992

Переключающая тяга, нижний , стандарт (SHIFT ROD, Lower, Standard)

нет в наличии, поставок нет
48 0304024

Винт, Переключающая тяга Коннектор. 20 INCH (508 мм) LONG PARTS (SCREW, Shift rod connector. 20 INCH (508mm) LONG PARTS)

нет в наличии, поставок нет
48 0323636

   (последний код) SCREW

нет в наличии, поставок нет
49 0303794

Коннектор переключающей тяги. 20 INCH (508 мм) LONG PARTS (CONNECTOR, Shift rod. 20 INCH (508mm) LONG PARTS)

нет в наличии, поставок нет
50 0324097

Cвыше, Крыльчатка Корпус (CUP, Impeller housing)

1 шт1440 руб.
50 0322087

   (последний код) CUP

1 шт1110 руб.
50 0323535

Cвыше, Крыльчатка Корпус (CUP, Impeller housing)

нет в наличии, поставок нет
51 0174938

Гребной винт, 9.25 x 8. Refer to OMC Genuine Parts Гребной винт Chart (PROPELLER, 9.25 x 8. Refer to OMC Genuine Parts Propeller Chart)

нет в наличии, поставок нет
51 0177158

   (последний код) PROPELLER AL Винт 9.25 X 8

нет в наличии, поставок нет
52 0332395

CONVERGING Кольцо (CONVERGING RING)

нет в наличии, поставок нет
52 0319484

   (последний код) CONVERGING RING

нет в наличии, поставок нет
53 0386119

Втулка, Гребной винт (BUSHING, Propeller)

нет в наличии, поставок нет
54 0334590

Упорная втулка, Гребной винт (THRUST BUSHING, Propeller)

нет в наличии, поставок нет
55 0341206

Винт, Редуктор to Выхлоп hsg. (SCREW, Gearcase to exhaust hsg.)

нет в наличии, поставок нет
56 0386084

Крыльчатка ASSEMBLY (IMPELLER ASSEMBLY)

нет в наличии, поставок нет
67 0319085

Сальник, Крыльчатка Корпус. 20 INCH (508 мм) LONG PARTS (SEAL, Impeller housing. 20 INCH (508mm) LONG PARTS)

4 шт120 руб.
68 0301551

Шайба, Винт, Коннектор. 20 INCH (508 мм) LONG PARTS (WASHER, Screw, connector. 20 INCH (508mm) LONG PARTS)

нет в наличии, поставок нет
69 0300611

Шпонка крыльчатки to driveВал (PIN, Impeller to driveshaft)

нет в наличии, поставок нет
0449517 0449517

Удлинитель KIT в сборе.. Not Shown 20 INCH (508 мм) LONG PARTS (EXTENSION KIT ASSY.. Not Shown 20 INCH (508mm) LONG PARTS)

нет в наличии, поставок нет
43 0341591

DRIVEВал, Long. 20 INCH (508 мм) LONG PARTS (DRIVESHAFT, Long. 20 INCH (508mm) LONG PARTS)

нет в наличии, поставок нет
43 0329511

   (последний код) DRIVESHAFT

нет в наличии, поставок нет
48 0304024

Винт, Коннектор. 20 INCH (508 мм) LONG PARTS (SCREW, Connector. 20 INCH (508mm) LONG PARTS)

нет в наличии, поставок нет
48 0323636

   (последний код) SCREW

нет в наличии, поставок нет
49 0303794

Коннектор переключающей тяги. 20 INCH (508 мм) LONG PARTS (CONNECTOR, Shift rod. 20 INCH (508mm) LONG PARTS)

нет в наличии, поставок нет
57 0319340

Удлинитель, Imp. hsg. to exh. hsg.. 20 INCH (508 мм) LONG PARTS (EXTENSION, Imp. hsg. to exh. hsg.. 20 INCH (508mm) LONG PARTS)

нет в наличии, поставок нет
58 0320025

Удлинитель, Водяная трубка. 20 INCH (508 мм) LONG PARTS (EXTENSION, Water tube. 20 INCH (508mm) LONG PARTS)

нет в наличии, поставок нет
59 0202893

Уплотнительное кольцо, Водяная трубка Удлинитель. 20 INCH (508 мм) LONG PARTS (O-RING, Water tube extension. 20 INCH (508mm) LONG PARTS)

нет в наличии, поставок нет
59 3852033

   (последний код) O-RING

нет в наличии, поставок нет
60 0326922

Выхлоп Сальник, Редуктор ext.. 20 INCH (508 мм) LONG PARTS (EXHAUST SEAL, Gearcase ext.. 20 INCH (508mm) LONG PARTS)

нет в наличии, поставок нет
61 0341206

Винт, Удлинитель. 20 INCH (508 мм) LONG PARTS (SCREW, Extension. 20 INCH (508mm) LONG PARTS)

нет в наличии, поставок нет
62 0331152

Удлинитель, Редуктор. 20 INCH (508 мм) LONG PARTS (EXTENSION, Gearcase. 20 INCH (508mm) LONG PARTS)

нет в наличии, поставок нет
62 0319314

   (последний код) GRCASE-EXT

нет в наличии, поставок нет
67 0319085

Сальник, Крыльчатка hsg. to ext.. 20 INCH (508 мм) LONG PARTS (SEAL, Impeller hsg. to ext.. 20 INCH (508mm) LONG PARTS)

4 шт120 руб.
68 0301551

Шайба с блокировкой, Conn. Винт. 20 INCH (508 мм) LONG PARTS (LOCK WASHER, Conn. screw. 20 INCH (508mm) LONG PARTS)

нет в наличии, поставок нет
70 0446089

Переключающая тяга, верхний , long. 20 INCH (508 мм) LONG PARTS (SHIFT ROD, Upper, long. 20 INCH (508mm) LONG PARTS)

нет в наличии, поставок нет
43 0328299

DRIVEВал. 8FRX MODELS ONLY (DRIVESHAFT. 8FRX MODELS ONLY)

нет в наличии, поставок нет
43 0329509

   (последний код) DRIVESHAFT--

нет в наличии, поставок нет
62 0395894

Удлинитель, Редуктор. 8FRX MODELS ONLY (EXTENSION, Gearcase. 8FRX MODELS ONLY)

нет в наличии, поставок нет
62 0393203

   (последний код) GEARCASE EXT AY

нет в наличии, поставок нет
63 0328301

Гильза, Удлинитель. 8FRX MODELS ONLY (SLEEVE, Extension. 8FRX MODELS ONLY)

нет в наличии, поставок нет
64 0328302

Втулка, Удлинитель. 8FRX MODELS ONLY (BUSHING, Extension. 8FRX MODELS ONLY)

нет в наличии, поставок нет
65 0319340

Удлинитель, Exh. hsg. to Удлинитель. 8FRX MODELS ONLY (EXTENSION, Exh. hsg. to extension. 8FRX MODELS ONLY)

нет в наличии, поставок нет
66 0341206

Винт, Удлинитель to exh. hsg.. 8FRX MODELS ONLY (SCREW, Extension to exh. hsg.. 8FRX MODELS ONLY)

нет в наличии, поставок нет
70 0446090

Переключающая тяга, верхний 8FRX MODELS ONLY (SHIFT ROD, Upper. 8FRX MODELS ONLY)

нет в наличии, поставок нет
0445081 0445081

Водяная трубка. 8FRX MODELS ONLY Not Shown (WATER TUBE. 8FRX MODELS ONLY Not Shown)

нет в наличии, поставок нет
71 0389114

Хромированный ремкомплект водяного насоса (CHROME PUMP KIT)

нет в наличии, поставок нет
71 0394711

   (последний код) REPAIR-KIT

нет в наличии, поставок нет
72 0396350

Комплект сальников редуктора (GEARCASE SEAL KIT)

1 шт5300 руб.
73 0394711

Ремкомплект водяного насоса, (Includes Крыльчатка Корпус) (WATER PUMP REPAIR KIT, (Includes impeller housing))

нет в наличии, поставок нет
73 0393560

   (последний код) WATERPUMP KIT

нет в наличии, поставок нет
evinrude

Время выполнения запроса 2.1041970252991 сек.


 
 

данный сайт носит информационный характер и не является публичной офертой

склад запчастей для водомоторной техники