вконтакте

Контактный телефон: +7 (981) 121-46-93, +7 (800) 200-90-76 , Email: parts-katalog@yandex.ru, где купить

 
 

  Логин:

Пароль:

Регистрация

www.partskatalog.ru Все каталоги Запчасти Mercury Запчасти Suzuki Запчасти Tohatsu Запчасти Honda Контакты



УВАЖАЕМЫЕ КЛИЕНТЫ!
C 19 ДЕКАБРЯ 2025 ПО 02 МАРТА 2026 ГОДА ОТДЕЛ ЗАПЧАСТЕЙ И СЕРВИС РАБОТАТЬ НЕ БУДУТ
ПРОДАЖА ЛОДОЧНЫХ МОТОРОВ В ШТАТНОМ РЕЖИМЕ
ОБ ИЗМЕНЕНИЯХ В ГРАФИКЕ РАБОТЫ ЧИТАЙТЕ НА САЙТА




Все разделы каталога запчастей на этот двигатель

назад Раздел:   вперёд

вернуться к списку узлов и деталей

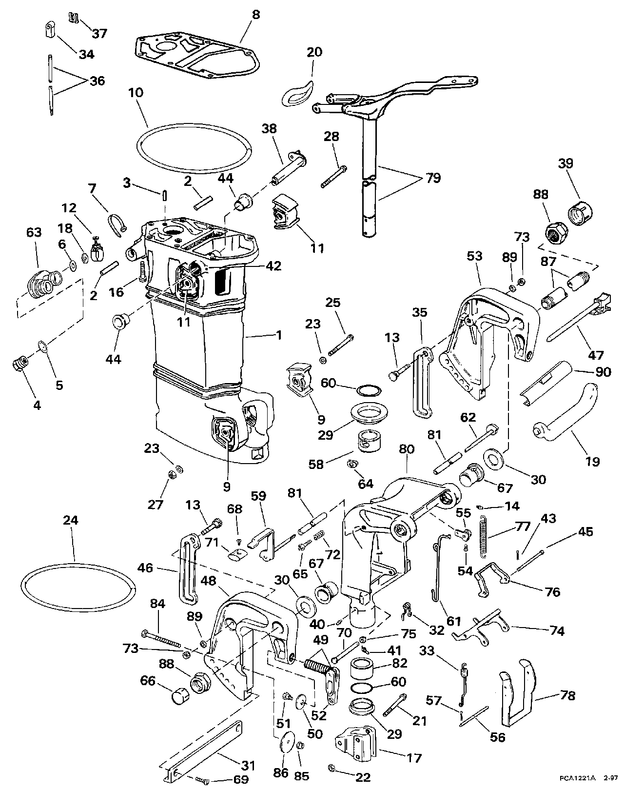
ДЕТАЛИРОВКА ДЛЯ МОДЕЛИ: EVINRUDE E25RMLEUR 1997

MIDSECTION - РУЧНОЙ TILT | MIDSECTION - MANUAL TILT;


 Evinrude E25RMLEUR 1997  - ручной Tilt - Manual Tilt

Номер на
рисунке
АртикулНаименованиеКол-во
на складе
Цена
1 0436133

Удлинитель корпуса в сборе. (EXHAUST HOUSING ASSY.)

нет в наличии, поставок нет
2 0332406

Штифт, нижний pan Крепление (PIN, Lower pan mount)

нет в наличии, поставок нет
3 0325762

ROLL Штифт, Прокладка aligning (ROLL PIN, Gasket aligning)

нет в наличии, поставок нет
4 0436857

Заглушка & NOZZLE в сборе. (PLUG & NOZZLE ASSY.)

нет в наличии, поставок нет
4 0336217

   (последний код) NOZZLE,OVBD DRAIN

нет в наличии, поставок нет
5 0301967

Уплотнительное кольцо, Overboard Индикатор (O-RING, Overboard indicator)

нет в наличии, поставок нет
6 0304376

Шайба (WASHER)

нет в наличии, поставок нет
7 0320107

Крепёжный хомут (TIE STRAP)

нет в наличии, поставок нет
7 5035626

   (последний код) BAND,REM CON

нет в наличии, поставок нет
8 0339331

Прокладка, Powerhead to Нижний модуль (GASKET, Powerhead to lower unit)

нет в наличии, поставок нет
9 0436039

Крепление нижнее (MOUNT, Lower)

нет в наличии, поставок нет
10 0339390

Удлинитель корпуса Сальник, верхний (EXHAUST HOUSING SEAL, Upper)

нет в наличии, поставок нет
11 0438299

Верхнее крепление (MOUNT, Upper)

нет в наличии, поставок нет
12 0336136

Струбцина (CLAMP)

нет в наличии, поставок нет
13 0342507

Винт, Tilt lock (SCREW, Tilt lock)

нет в наличии, поставок нет
14 0313607

FITTING, Lube, tilt Трубка & lock (FITTING, Lube, tilt tube & lock)

нет в наличии, поставок нет
14 3852121

   (последний код) FITTING,LUB

нет в наличии, поставок нет
16 0337378

Винт, Корпус to cyl. & ccase, M8 (SCREW, Housing to cyl. & ccase, M8)

нет в наличии, поставок нет
17 0339657

Нижний кронштейн Крепление (BRACKET, Lower mount)

нет в наличии, поставок нет
18 0335530

Язычковый клапан (REED VALVE)

нет в наличии, поставок нет
19 0339992

Ручка для переноски (CARRYING HANDLE)

нет в наличии, поставок нет
20 0340819

Сальник, Рулевая система Рычаг (SEAL, Steering arm)

нет в наличии, поставок нет
21 0339388

Винт, Кронштейн to Стержень Вал, M8 (SCREW, Bracket to pivot shaft, M8)

нет в наличии, поставок нет
22 0338935

LOCKГайка, M8 (LOCKNUT, M8)

нет в наличии, поставок нет
23 0341053

Шайба, M8 (WASHER, M8)

нет в наличии, поставок нет
24 0340800

Удлинитель корпуса Сальник, нижний (EXHAUST HOUSING SEAL, Lower)

нет в наличии, поставок нет
25 0339741

Винт, Крепление нижнее, M8 (SCREW, Mount, lower, M8)

нет в наличии, поставок нет
27 0338935

Гайка, нижний Крепление Винт, M8 (NUT, Lower mount screw, M8)

нет в наличии, поставок нет
28 0343168

Винт, верхний mnt. to Рулевая система Рычаг, M10 (SCREW, Upper mnt. to steering arm, M10)

нет в наличии, поставок нет
29 0330137

Сальник, Стержень Вал (SEAL, Pivot shaft)

17 шт3700 руб.
29 0321668

   (последний код) SEAL-CRNKSHF

нет в наличии, поставок нет
29 T-0330137

   (не оригинальный аналог) Сальник редуктора OMC/Johnson/Evinrude 0330137

под заказ штпо запросу
30 0319699

Шайба (WASHER)

нет в наличии, поставок нет
31 0319709

TIE BAR, Кронштейн транцаs (TIE BAR, Stern brackets)

нет в наличии, поставок нет
31 0351247

   (последний код) BAR,TIE

нет в наличии, поставок нет
32 0322946

Пружина системы движения по мелководью (SPRING, Shallow water drive)

нет в наличии, поставок нет
33 0319697

Пружина блокировки задней передачи (SPRING, Reverse lock)

нет в наличии, поставок нет
34 0334119

Коннектор переключающей тяги (CONNECTOR, Shift rod)

нет в наличии, поставок нет
35 0437876

LOCK в сборе., Tilt, port (LOCK ASSY., Tilt, port)

нет в наличии, поставок нет
35 0387667

   (последний код) TILTLOCK

нет в наличии, поставок нет
36 0339568

Переключающая тяга, верхний (Std.) (SHIFT ROD, Upper (Std.))

нет в наличии, поставок нет
36 0339569

Переключающая тяга, верхний (Long) (SHIFT ROD, Upper (Long))

нет в наличии, поставок нет
37 0338630

Зажим, Переключающая тяга Коннектор (CLIP, Shift rod connector)

нет в наличии, поставок нет
38 0436938

Рычаг & Вал в сборе. (LEVER & SHAFT ASSY.)

нет в наличии, поставок нет
38 0439560

   (последний код) KIT AY,SHIFT LE

нет в наличии, поставок нет
39 0337586

WIPER Гайка (WIPER NUT)

нет в наличии, поставок нет
39 0983678

   (последний код) NUT & WIPER

нет в наличии, поставок нет
40 0313607

FITTING, Lube, Поворотный кронштейн, нижний (FITTING, Lube, swivel bracket, lower)

нет в наличии, поставок нет
40 3852121

   (последний код) FITTING,LUB

нет в наличии, поставок нет
41 0333774

Зажим, Штифт, Соединитель блокировки задней передачи to Кронштейн (CLIP, Pin, reverse lock link to bracket)

нет в наличии, поставок нет
42 0313607

FITTING, Lube, Переключающий вал (FITTING, Lube, shift shaft)

нет в наличии, поставок нет
42 3852121

   (последний код) FITTING,LUB

нет в наличии, поставок нет
43 0305650

Шплинт, Соединитель блокировки задней передачи to locking Рычаг (COTTER PIN,Reverse lock link to locking lever)

нет в наличии, поставок нет
43 3852052

   (последний код) PIN,COTTER

нет в наличии, поставок нет
44 0340923

Втулка, Переключающий вал (BUSHING, Shift shaft)

нет в наличии, поставок нет
45 0326943

Штифт тяги to locking Рычаг (PIN, Link to locking lever)

нет в наличии, поставок нет
46 0437875

LOCK в сборе., Tilt, stbd. (LOCK ASSY., Tilt, stbd.)

нет в наличии, поставок нет
46 0387668

   (последний код) TILTLOCK

нет в наличии, поставок нет
47 0436387

TILT Штифт (TILT PIN)

нет в наличии, поставок нет
47 0391271

   (последний код) TILT-PIN

нет в наличии, поставок нет
48 0342723

Кронштейн транца, Stbd. (STERN BRACKET, Stbd.)

нет в наличии, поставок нет
49 0433672

Винт струбцины в сборе., Aluminum (CLAMP SCREW ASSY., Aluminum)

нет в наличии, поставок нет
49 0433675

   (последний код) KIT-AY,CLAMP

нет в наличии, поставок нет
49 0391421

Винт струбцины в сборе., Stainless st.. Опции (CLAMP SCREW ASSY., Stainless st.. Optional)

нет в наличии, поставок нет
49 0389959

   (последний код) CLAMPSCREW

нет в наличии, поставок нет
50 0337017

Пластина, Swivel (PLATE, Swivel)

нет в наличии, поставок нет
50 0307561

   (последний код) SWIVEL PLATE

нет в наличии, поставок нет
51 0321922

Винт, Shoulder (SCREW, Shoulder)

нет в наличии, поставок нет
52 0398001

REPLACEMENT HANDLE в сборе. (REPLACEMENT HANDLE ASSY.)

нет в наличии, поставок нет
53 0342722

Кронштейн транца, Port (STERN BRACKET, Port)

нет в наличии, поставок нет
54 0319108

Винт, BellКривошип, Блокировка задней передачи (SCREW, Bellcrank, reverse lock)

нет в наличии, поставок нет
54 0311512

   (последний код) SCREW

нет в наличии, поставок нет
55 0319695

BELLКривошип (BELLCRANK)

нет в наличии, поставок нет
56 0322945

Штифт, Shallow water drive (PIN, Shallow water drive)

нет в наличии, поставок нет
56 0319053

   (последний код) PIN

нет в наличии, поставок нет
57 0305650

Шплинт, Shallow water drive (COTTER PIN, Shallow water drive)

нет в наличии, поставок нет
57 3852052

   (последний код) PIN,COTTER

нет в наличии, поставок нет
58 0342914

Втулка, Поворотный кронштейн, верхний (BUSHING, Swivel bracket, upper)

нет в наличии, поставок нет
58 0342428

   (последний код) BUSHING

нет в наличии, поставок нет
59 0436897

Рычаг & Вал в сборе., Tilt lock (LEVER & SHAFT ASSY., Tilt lock)

нет в наличии, поставок нет
60 0318295

Упорная шайба (WASHER, Thrust)

нет в наличии, поставок нет
61 0319696

Тяга, Блокировка задней передачи release (ROD, Reverse lock release)

нет в наличии, поставок нет
62 0388661

CAM & Вал в сборе., Tilt lock (CAM & SHAFT ASSY., Tilt lock)

нет в наличии, поставок нет
62 0386501

   (последний код) FF-CAM&SHAFT

нет в наличии, поставок нет
63 0436223

Пыльник, Выхлоп, relief (GROMMET, Exhaust, relief)

нет в наличии, поставок нет
64 0342397

FRICTION BLOCK (FRICTION BLOCK)

нет в наличии, поставок нет
65 0341170

Фрикционный винт adjustment (SCREW, Friction adjustment)

нет в наличии, поставок нет
65 5000639

   (последний код) KIT AY, STRG FRTN

нет в наличии, поставок нет
66 0317894

Колпачок, Tilt Трубка (CAP, Tilt tube)

нет в наличии, поставок нет
66 3852150

   (последний код) CAP

нет в наличии, поставок нет
67 0319787

Втулка, Tilt Трубка (BUSHING, Tilt tube)

нет в наличии, поставок нет
67 0317789

   (последний код) BUSHING

нет в наличии, поставок нет
68 0319227

Винт, Ручка to tilt lock Рычаг (SCREW, Knob to tilt lock lever)

нет в наличии, поставок нет
69 0324579

Винт, Tie bar (SCREW, Tie bar)

нет в наличии, поставок нет
69 0341352

   (последний код) SCREW

нет в наличии, поставок нет
70 0322947

Штифт, Соединитель блокировки задней передачи to Кронштейн (PIN, Reverse lock link to bracket)

нет в наличии, поставок нет
71 0328048

Ручка наклона lock (KNOB, Tilt lock)

нет в наличии, поставок нет
71 0319051

   (последний код) KNOB

нет в наличии, поставок нет
72 0551113

Пружина, Рулевая система friction adjustment (SPRING, Steering friction adjustment)

нет в наличии, поставок нет
73 0313990

Гайка, Tilt Замок винта (NUT, Tilt lock screw)

нет в наличии, поставок нет
74 0322949

Соединитель, Блокировка задней передачи (LINK, Reverse lock)

нет в наличии, поставок нет
74 0319054

   (последний код) LINK

нет в наличии, поставок нет
75 0303887

Шайба, Соединитель Штифтs (WASHER, Link pins)

нет в наличии, поставок нет
76 0322950

Рычаг, Блокировка задней передачи (LEVER, Reverse lock)

нет в наличии, поставок нет
77 0315078

Пружина блокировки задней передачи (SPRING, Reverse lock)

нет в наличии, поставок нет
78 0338657

Соединитель, Shallow water drive (LINK, Shallow water drive)

нет в наличии, поставок нет
78 0320426

   (последний код) LINK

нет в наличии, поставок нет
79 0438298

Рулевая система Рычаг & Вал в сборе. (STEERING ARM & SHAFT ASSY.)

нет в наличии, поставок нет
80 0437878

Поворотный кронштейн (BRACKET, Swivel)

нет в наличии, поставок нет
80 5000697

   (последний код) BRACKET AY, SWIVEL

нет в наличии, поставок нет
81 0342525

Втулка, Tilt lock (BUSHING, Tilt lock)

нет в наличии, поставок нет
82 0339489

Втулка, Поворотный кронштейн, нижний (BUSHING, Swivel bracket, lower)

нет в наличии, поставок нет
82 0342914

   (последний код) BUSHING

нет в наличии, поставок нет
0432294 0432294

Винт & Гайка в сборе., Transom Крепление. Not Shown (SCREW & NUT ASSY., Transom mount. Not Shown)

нет в наличии, поставок нет
0432294 0313966

   (последний код) SCREW

нет в наличии, поставок нет
84 0334427

Винт, Кронштейн транца to transom (SCREW, Stern bracket to transom)

нет в наличии, поставок нет
84 0318512

   (последний код) SCREW

нет в наличии, поставок нет
85 0310702

Гайка (NUT)

нет в наличии, поставок нет
86 0315776

Шайба (WASHER)

нет в наличии, поставок нет
87 0321511

TILT Трубка, Кронштейн транца (TILT TUBE, Stern bracket)

нет в наличии, поставок нет
87 0351896

   (последний код) TUBE, TILT SST

нет в наличии, поставок нет
88 0335554

LOCKГайка, Tilt Трубка, port & stbd. (LOCKNUT, Tilt tube, port & stbd.)

нет в наличии, поставок нет
89 0303884

Шайба, Tilt Замок винта (WASHER, Tilt lock screw)

нет в наличии, поставок нет
90 0342908

SHIELD, Tilt Трубка (SHIELD, Tilt tube)

нет в наличии, поставок нет
evinrude

Время выполнения запроса 1.3660521507263 сек.


 
 

данный сайт носит информационный характер и не является публичной офертой

склад запчастей для водомоторной техники