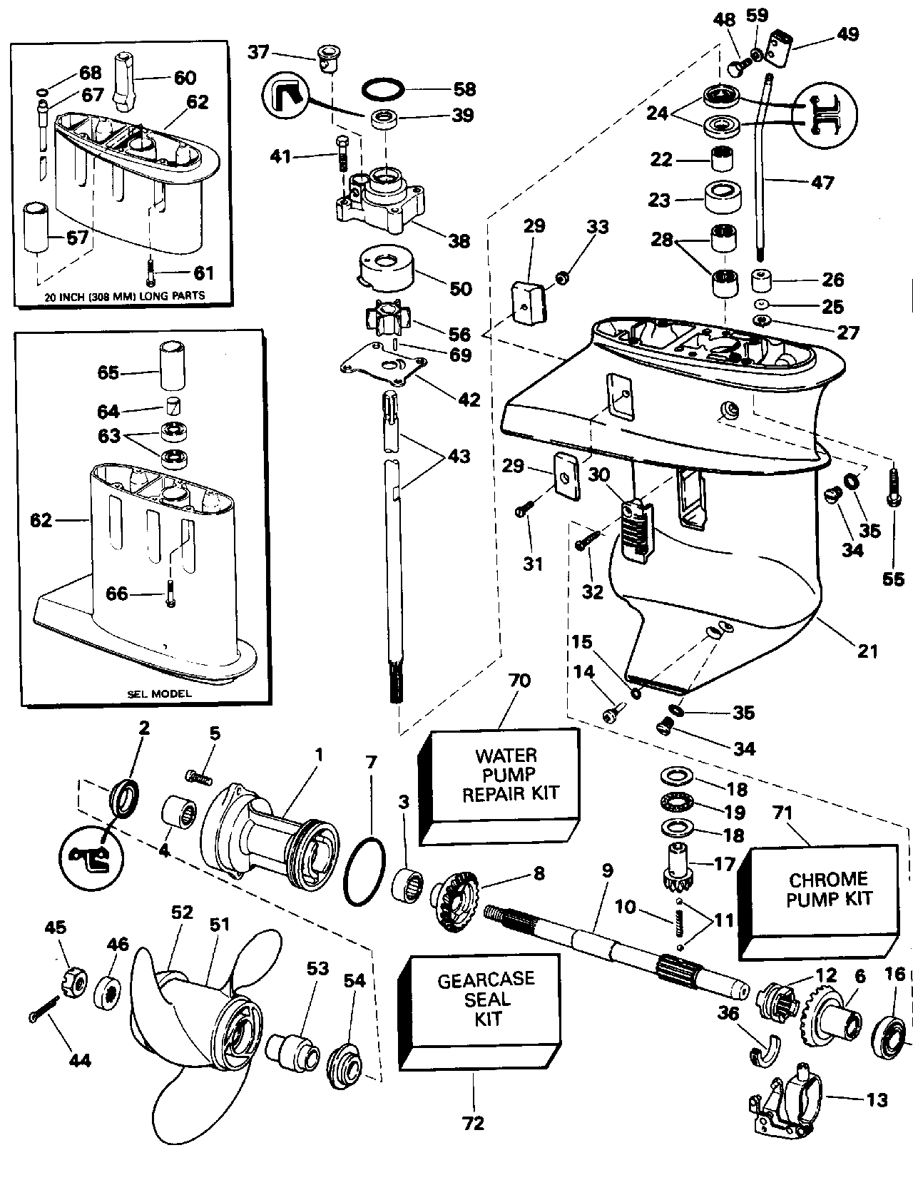
Номер на рисунке | Артикул | Наименование | Кол-во на складе | Цена |
| 0435712 | 0435712 | Редуктор в сборе. (Less driveВал и Помпа) Not Shown (GEARCASE ASSY. (Less driveshaft and pump). Not Shown) | нет в наличии, поставок нет |
| 0435712 | 0438617 | (последний код) G-CASE AY,LESS D/S | нет в наличии, поставок нет |
| 1 | 0437774 | Подшипник Корпус подшипника & Сальник assembly (BEARING HOUSING, Bearing & seal assembly) | нет в наличии, поставок нет |
| 1 | 0433403 | (последний код) HOUSING-AY,P | нет в наличии, поставок нет |
| 2 | 0342247 | Сальник, Brg. hsg. to prop Вал (SEAL, Brg. hsg. to prop shaft) | нет в наличии, поставок нет |
| 3 | 0386125 | Подшипник, Reverse Шестерня (BEARING, Reverse gear) | нет в наличии, поставок нет |
| 4 | 0386231 | Подшипник (BEARING) | нет в наличии, поставок нет |
| 5 | 0333706 | Винт, Brg. hsg. to gcase (SCREW, Brg. hsg. to gcase) | нет в наличии, поставок нет |
| 6 | 0394823 | Шестерня & Втулка в сборе., дляward (GEAR & BUSHING ASSY., Forward) | нет в наличии, поставок нет |
| 7 | 0308627 | Уплотнительное кольцо, Brg. hsg. to gcase (O-RING, Brg. hsg. to gcase) | 2 шт | 100 руб. |
| 8 | 0330201 | Шестерня обратного хода (GEAR, Reverse) | нет в наличии, поставок нет |
| 9 | 0342144 | Вал гребного винта (PROPELLER SHAFT) | нет в наличии, поставок нет |
| 9 | 0438578 | (последний код) KIT AY,PROPSHAFT | нет в наличии, поставок нет |
| 10 | 0316505 | Фиксатор пружины (SPRING, Detent) | нет в наличии, поставок нет |
| 11 | 0316506 | Шарик, Detent (BALL, Detent) | нет в наличии, поставок нет |
| 12 | 0325263 | Переключатель собачки сцепления (SHIFTER, Clutch dog) | нет в наличии, поставок нет |
| 13 | 0388416 | ПереключательER Рычаг & Обойма (SHIFTER LEVER & YOKE ASSY.) | нет в наличии, поставок нет |
| 13 | 0386148 | (последний код) SHIFTER LEVER | нет в наличии, поставок нет |
| 14 | 0308376 | Стержень Штифт переключателя Рычаг (PIVOT PIN, Shifter lever) | нет в наличии, поставок нет |
| 14 | 0303358 | (последний код) PIVOT-PIN | нет в наличии, поставок нет |
| 15 | 0332584 | Опорная шайба Штифт (WASHER, Pivot pin) | нет в наличии, поставок нет |
| 16 | 0386186 | Роликовый подшипник, дляward Шестерня (ROLLER BEARING, Forward gear) | нет в наличии, поставок нет |
| 17 | 0338190 | Шестерня, DriveВал (PINION, Driveshaft) | нет в наличии, поставок нет |
| 18 | 0336296 | Нижняя упорная шайба Шестерня Подшипник (THRUST WASHER, Lower pinion bearing) | нет в наличии, поставок нет |
| 19 | 0388000 | THRUST Подшипник, Шестерня (THRUST BEARING, Pinion) | нет в наличии, поставок нет |
| 21 | 0435393 | Редуктор, BRG. & Сальник в сборе. (GEARCASE, BRG. & SEAL ASSY.) | нет в наличии, поставок нет |
| 21 | 0438617 | (последний код) G-CASE AY,LESS D/S | нет в наличии, поставок нет |
| 22 | 0386014 | Подшипник ASSEMBLY, DriveВал (BEARING ASSEMBLY, Driveshaft) | нет в наличии, поставок нет |
| 23 | 0318874 | Гильза, Подшипник driveВал (SLEEVE, Bearing driveshaft) | нет в наличии, поставок нет |
| 24 | 0321480 | Сальник, Редуктор to driveВал (SEAL, Gearcase to driveshaft) | нет в наличии, поставок нет |
| 24 | 0318973 | (последний код) SEAL | нет в наличии, поставок нет |
| 25 | 0301877 | Уплотнительное кольцо, Втулка to Переключающая тяга (O-RING, Bushing to shift rod) | нет в наличии, поставок нет |
| 26 | 0304765 | Втулка, Переключающая тяга (BUSHING, Shift rod) | нет в наличии, поставок нет |
| 27 | 0321738 | Шайба уплотнения, Переключающая тяга (WASHER, Seal, shift rod) | нет в наличии, поставок нет |
| 28 | 0386071 | Подшипник в сборе., Шестерня to Редуктор (BEARING ASSY., Pinion to gearcase) | нет в наличии, поставок нет |
| 29 | 0338635 | Анод (ANODE) | нет в наличии, поставок нет |
| 30 | 0338443 | SCREEN, вход (SCREEN, Inlet) | нет в наличии, поставок нет |
| 31 | 0304013 | Винт, Анод (SCREW, Anode) | нет в наличии, поставок нет |
| 32 | 0325539 | Винт, Screen (SCREW, Screen) | нет в наличии, поставок нет |
| 32 | 0312270 | (последний код) SCREW | нет в наличии, поставок нет |
| 33 | 0121470 | Гайка, Винт, Анод (NUT, Screw, anode) | нет в наличии, поставок нет |
| 34 | 0307551 | Заглушка & Шайба (PLUG & WASHER) | нет в наличии, поставок нет |
| 34 | 0982851 | (последний код) SCREW-PLUG | нет в наличии, поставок нет |
| 35 | 0311598 | Шайба (WASHER) | нет в наличии, поставок нет |
| 35 | 3852105 | (последний код) WASHER | нет в наличии, поставок нет |
| 36 | 0325014 | CRADLE, Сцепление dog (CRADLE, Clutch dog) | нет в наличии, поставок нет |
| 37 | 0327035 | Нижний пыльник водяной трубки. 15 Inch (231 мм) (GROMMET, Water tube lower. 15 Inch (231mm)) | 1 шт | 460 руб. |
| 37 | 0302497 | Нижний пыльник водяной трубки. 20 Inch (308 мм) & SEL Models (GROMMET, Water tube lower. 20 Inch (308mm) & SEL Models) | 2 шт | 250 руб. |
| 38 | 0435390 | Крыльчатка HSG. & Сальник в сборе. (IMPELLER HSG. & SEAL ASSY.) | 1 шт | 1700 руб. |
| 38 | 0391571 | (последний код) IMP-HSG&SEAL | 1 шт | 1320 руб. |
| 39 | 0318972 | Сальник, Крыльчатка hsg. to dВал. Also included in kit 394711 (SEAL, Impeller hsg. to dshaft. Also included in kit 394711) | 2 шт | 790 руб. |
| 41 | 0302325 | Винт, Крыльчатка Корпус to Редуктор (SCREW, Impeller housing to gearcase) | нет в наличии, поставок нет |
| 42 | 0318995 | Пластина корпуса крыльчатки (PLATE, Impeller housing) | нет в наличии, поставок нет |
| 42 | 0319988 | (последний код) PLATE IMP HSG | нет в наличии, поставок нет |
| 42 | 0319988 | Пластина корпуса крыльчатки (PLATE, Impeller housing) | нет в наличии, поставок нет |
| 42 | 0318995 | (последний код) PLATE-IMP-HS | нет в наличии, поставок нет |
| 43 | 0341590 | DRIVEВал, стандарт (DRIVESHAFT, Standard) | нет в наличии, поставок нет |
| 43 | 0329510 | (последний код) DRIVESHAFT-S | нет в наличии, поставок нет |
| 44 | 0328522 | Шплинт, Гайка гребного винта to Вал (COTTER PIN, Propeller nut to shaft) | 25 шт | 60 руб. |
| 45 | 0318971 | Гайка гребного винта (NUT, Propeller) | нет в наличии, поставок нет |
| 46 | 0323942 | Упорная шайба, Prop. Вал, rear (THRUST WASHER, Prop. shaft, rear) | нет в наличии, поставок нет |
| 46 | 0318959 | (последний код) THRUST-WASHE | нет в наличии, поставок нет |
| 47 | 0318992 | Переключающая тяга нижний , стандарт (SHIFT ROD LOWER, Standard) | нет в наличии, поставок нет |
| 48 | 0304024 | Винт, Переключающая тяга Коннектор (SCREW, Shift rod connector) | нет в наличии, поставок нет |
| 48 | 0323636 | (последний код) SCREW | нет в наличии, поставок нет |
| 49 | 0303794 | Коннектор переключающей тяги (CONNECTOR, Shift rod) | нет в наличии, поставок нет |
| 50 | 0324097 | Cвыше, Крыльчатка Корпус (CUP, Impeller housing) | 1 шт | 1440 руб. |
| 50 | 0322087 | (последний код) CUP | 1 шт | 1110 руб. |
| 50 | 0323535 | Cвыше, Крыльчатка Корпус (CUP, Impeller housing) | нет в наличии, поставок нет |
| 51 | 0174950 | Гребной винт, 9.5 x 10, 9.9 models. Refer to OMC SysteMatched Parts & Аксессуары Catalog для Гребной винт Chart. (PROPELLER, 9.5 x 10, 9.9 models. Refer to OMC SysteMatched Parts & Accessories Catalog for Propeller Chart.) | нет в наличии, поставок нет |
| 51 | 0778772 | (последний код) PROP,AL 9.25X10 | нет в наличии, поставок нет |
| 51 | 0398126 | Гребной винт, 10 x 7, 9.9 Sail. Refer to OMC SysteMatched Parts & Аксессуары Catalog для Гребной винт Chart. (PROPELLER, 10 x 7, 9.9 Sail. Refer to OMC SysteMatched Parts & Accessories Catalog for Propeller Chart.) | нет в наличии, поставок нет |
| 51 | 0763456 | (последний код) PROP,AL 9.25 X 7 | нет в наличии, поставок нет |
| 51 | 0174817 | Гребной винт, 9 x 11, 15 models. Refer to OMC SysteMatched Parts & Аксессуары Catalog для Гребной винт Chart. (PROPELLER, 9 x 11, 15 models. Refer to OMC SysteMatched Parts & Accessories Catalog for Propeller Chart.) | нет в наличии, поставок нет |
| 51 | 0778773 | (последний код) PROP,AL 9.25X11 | нет в наличии, поставок нет |
| 52 | 0332395 | CONVERGING Кольцо (CONVERGING RING) | нет в наличии, поставок нет |
| 52 | 0319484 | (последний код) CONVERGING RING | нет в наличии, поставок нет |
| 53 | 0386119 | Втулка, Гребной винт (BUSHING, Propeller) | нет в наличии, поставок нет |
| 54 | 0334590 | Упорная втулка, Гребной винт (THRUST BUSHING, Propeller) | нет в наличии, поставок нет |
| 55 | 0341206 | Винт, Редуктор to Выхлоп hsg. (SCREW, Gearcase to exhaust hsg.) | нет в наличии, поставок нет |
| 56 | 0386084 | Крыльчатка ASSEMBLY (IMPELLER ASSEMBLY) | нет в наличии, поставок нет |
| 58 | 0319085 | Сальник, Крыльчатка Корпус. Also included in kit 394711 (SEAL, Impeller housing. Also included in kit 394711) | 4 шт | 120 руб. |
| 59 | 0301551 | Шайба, Коннектор to Переключающая тяга (WASHER, Connector to shift rod) | нет в наличии, поставок нет |
| 69 | 0300611 | Шпонка крыльчатки to driveВал (PIN, Impeller to driveshaft) | нет в наличии, поставок нет |
| | 0 | 20 INCH (308 мм) LONG PARTS (20 INCH (308 MM)LONG PARTS) | нет в наличии, поставок нет |
| 0434135 | 0434135 | Удлинитель KIT в сборе.. Not Shown (EXTENSION KIT ASSY.. Not Shown) | нет в наличии, поставок нет |
| 43 | 0341591 | DRIVEВал, Long (DRIVESHAFT, Long) | нет в наличии, поставок нет |
| 43 | 0329511 | (последний код) DRIVESHAFT | нет в наличии, поставок нет |
| 47 | 0319298 | Переключающая тяга, нижний , long (SHIFT ROD, Lower, long) | нет в наличии, поставок нет |
| 48 | 0304024 | Винт, Коннектор (SCREW, Connector) | нет в наличии, поставок нет |
| 48 | 0323636 | (последний код) SCREW | нет в наличии, поставок нет |
| 49 | 0303794 | Коннектор переключающей тяги (CONNECTOR, Shift rod) | нет в наличии, поставок нет |
| 57 | 0319340 | Удлинитель, Крыльчатка Корпус to Выхлоп housi g (EXTENSION, Impeller housing to exhaust housi g) | нет в наличии, поставок нет |
| 58 | 0319085 | Сальник, Крыльчатка Корпус to ext.. Also included in kit 394711 (SEAL, Impeller housing to ext.. Also included in kit 394711) | 4 шт | 120 руб. |
| 59 | 0301551 | Шайба с блокировкой, Коннектор Винт (LOCK WASHER, Connector screw) | нет в наличии, поставок нет |
| 60 | 0326922 | Выхлоп Сальник, Редуктор Удлинитель (EXHAUST SEAL, Gearcase extension) | нет в наличии, поставок нет |
| 61 | 0341206 | Винт, Удлинитель (SCREW, Extension) | нет в наличии, поставок нет |
| 62 | 0331152 | Удлинитель, Редуктор (EXTENSION, Gearcase) | нет в наличии, поставок нет |
| 62 | 0319314 | (последний код) GRCASE-EXT | нет в наличии, поставок нет |
| 67 | 0320025 | Удлинитель, Водяная трубка (EXTENSION, Water tube) | нет в наличии, поставок нет |
| 68 | 0202893 | Уплотнительное кольцо, Водяная трубка Удлинитель line SEL MODELS ONLY (O-RING, Water tube extension line SEL MODELS ONLY) | нет в наличии, поставок нет |
| 68 | 3852033 | (последний код) O-RING | нет в наличии, поставок нет |
| 43 | 0341589 | DRIVEВал (DRIVESHAFT) | нет в наличии, поставок нет |
| 47 | 0328300 | Переключающая тяга, нижний (SHIFT ROD, Lower) | нет в наличии, поставок нет |
| 62 | 0395894 | Удлинитель, Редуктор (EXTENSION, Gearcase) | нет в наличии, поставок нет |
| 62 | 0393203 | (последний код) GEARCASE EXT AY | нет в наличии, поставок нет |
| 63 | 0328301 | Гильза, Удлинитель (SLEEVE, Extension) | нет в наличии, поставок нет |
| 64 | 0328302 | Втулка, Удлинитель (BUSHING, Extension) | нет в наличии, поставок нет |
| 65 | 0319340 | Удлинитель, Exh. hsg. to Удлинитель (EXTENSION, Exh. hsg. to extension) | нет в наличии, поставок нет |
| 66 | 0341206 | Винт, Удлинитель to exh. hsg. (SCREW, Extension to exh. hsg.) | нет в наличии, поставок нет |
| 67 | 0395124 | Водяная трубка line (WATER TUBE line) | нет в наличии, поставок нет |
| 67 | 0328304 | (последний код) WATER TUBE | нет в наличии, поставок нет |
| 70 | 0394711 | Ремкомплект водяного насоса, (Includes Крыльчатка hou ing) (WATER PUMP REPAIR KIT, (Includes impeller hou ing)) | нет в наличии, поставок нет |
| 70 | 0393560 | (последний код) WATERPUMP KIT | нет в наличии, поставок нет |
| 71 | 0389114 | Хромированный ремкомплект водяного насоса (CHROME PUMP KIT) | нет в наличии, поставок нет |
| 71 | 0394711 | (последний код) REPAIR-KIT | нет в наличии, поставок нет |
| 72 | 0396350 | Комплект сальников редуктора (GEARCASE SEAL KIT) | 1 шт | 5300 руб. |