вконтакте

Контактный телефон: +7 (981) 121-46-93, +7 (800) 200-90-76 , Email: parts-katalog@yandex.ru, где купить

 
 

  Логин:

Пароль:

Регистрация

www.partskatalog.ru Все каталоги Запчасти Mercury Запчасти Suzuki Запчасти Tohatsu Запчасти Honda Контакты



УВАЖАЕМЫЕ КЛИЕНТЫ!
C 19 ДЕКАБРЯ 2025 ПО 02 МАРТА 2026 ГОДА ОТДЕЛ ЗАПЧАСТЕЙ И СЕРВИС РАБОТАТЬ НЕ БУДУТ
ПРОДАЖА ЛОДОЧНЫХ МОТОРОВ В ШТАТНОМ РЕЖИМЕ
ОБ ИЗМЕНЕНИЯХ В ГРАФИКЕ РАБОТЫ ЧИТАЙТЕ НА САЙТА




Все разделы каталога запчастей на этот двигатель

Раздел:   вперёд

вернуться к списку узлов и деталей

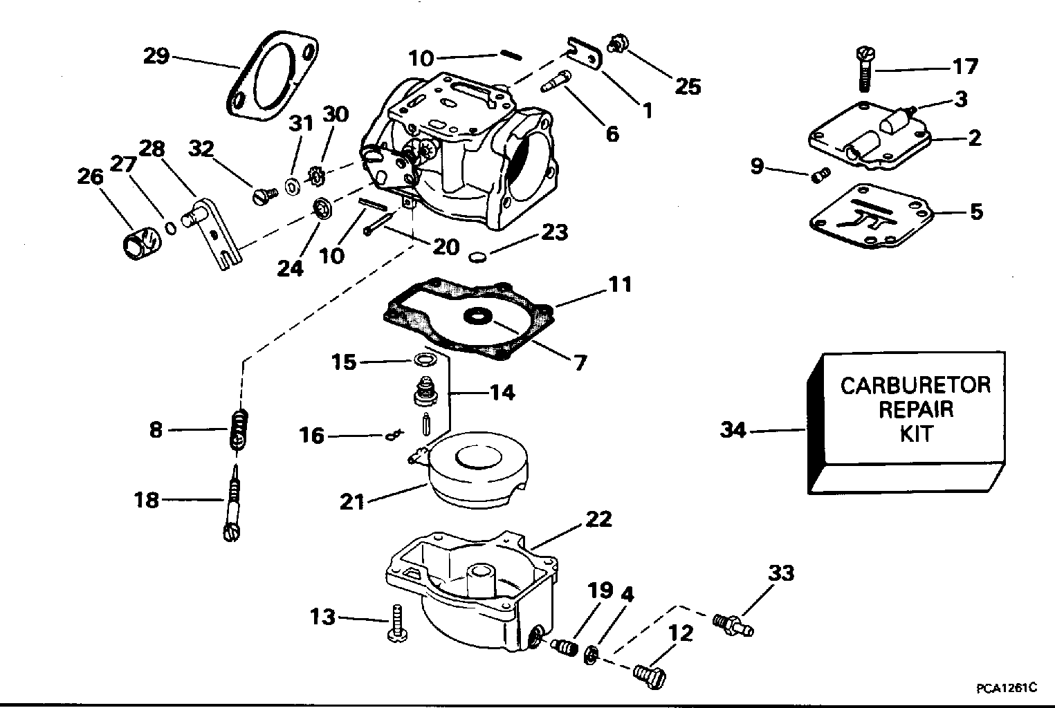
ДЕТАЛИРОВКА ДЛЯ МОДЕЛИ: EVINRUDE E50BELEOD 1995

КАРБЮРАТОР - ALL 25-40 MODELS | CARBURETOR - ALL 25-40 MODELS;


 Эвинруд E50BELEOD 1995  - All 25-40 Models / All 25-40 Models

Номер на
рисунке
АртикулНаименованиеКол-во
на складе
Цена
0437523 0437523

Карбюратор в сборе.. Not Shown (CARBURETOR ASSY.. Not Shown)

нет в наличии, поставок нет
0437523 0439458

   (последний код) CARBURETOR AY 40HP

нет в наличии, поставок нет
1 0329860

Зажим (CLIP)

нет в наличии, поставок нет
2 0436951

Крышка, Карбюратор (COVER, Carburetor)

нет в наличии, поставок нет
2 0340167

   (последний код) COVER,CARBURETOR

нет в наличии, поставок нет
3 0327706

Ниппель, Primer (NIPPLE, Primer)

нет в наличии, поставок нет
4 0303630

Шайба (WASHER)

нет в наличии, поставок нет
5 0337808

Прокладка крышки (GASKET, Cover)

нет в наличии, поставок нет
6 0314513

Ниппель, Fuel (NIPPLE, Fuel)

нет в наличии, поставок нет
7 0338881

Прокладка, Nozzle (GASKET, Nozzle)

нет в наличии, поставок нет
7 0343512

   (последний код) GASKET, CARB

нет в наличии, поставок нет
8 0340768

Пружина, Игольчатый клапан (SPRING, Needle valve)

нет в наличии, поставок нет
9 0328556

ORIFICE, Intermediate № 71 (ORIFICE, Intermediate No. 71)

нет в наличии, поставок нет
10 0314575

ROLL Штифт (ROLL PIN)

нет в наличии, поставок нет
11 0338880

Прокладка, Поплавок bowl (GASKET, Float bowl)

нет в наличии, поставок нет
11 0332696

   (последний код) GASKET,-DLR

нет в наличии, поставок нет
12 0330057

Сливной винт (SCREW PLUG)

нет в наличии, поставок нет
13 0333430

Винт, Поплавок bowl (SCREW, Float bowl)

нет в наличии, поставок нет
14 0396522

Клапан поплавка & Седло в сборе. (FLOAT VALVE & SEAT ASSY.)

нет в наличии, поставок нет
14 0382889

   (последний код) FLOAT-VALVE

нет в наличии, поставок нет
15 0301996

Шайба, Клапан поплавка (WASHER, Float valve)

1 шт140 руб.
16 0336842

Пружина Зажим (SPRING CLIP)

нет в наличии, поставок нет
16 0603145

   (последний код) CLIP

нет в наличии, поставок нет
17 0908045

Винт, Крышка (SCREW, Cover)

нет в наличии, поставок нет
18 0341673

Игольчатый клапан, Slow speed (NEEDLE VALVE, Slow speed)

нет в наличии, поставок нет
19 0324020

ORIFICE Заглушка, № 49D (ORIFICE PLUG, No. 49D)

нет в наличии, поставок нет
19 0309681

   (последний код) PLUG

нет в наличии, поставок нет
20 0302661

Стопор поплавка hinge (PIN, Float hinge)

нет в наличии, поставок нет
21 0382363

Поплавок в сборе. (FLOAT ASSY.)

нет в наличии, поставок нет
22 0330195

Поплавковая камера в сборе. (FLOAT CHAMBER ASSY.)

нет в наличии, поставок нет
22 0344271

   (последний код) CHAMBER,FLOAT

нет в наличии, поставок нет
23 0307542

CORE Заглушка (CORE PLUG)

нет в наличии, поставок нет
24 0313973

Фиксатор (RETAINER)

нет в наличии, поставок нет
25 0329859

Винт (SCREW)

нет в наличии, поставок нет
25 3852197

   (последний код) SCREW

нет в наличии, поставок нет
26 0432639

Гильза & Ролик в сборе. (SLEEVE & ROLLER ASSY.)

нет в наличии, поставок нет
27 0324678

Стопорное кольцо, нижний (RETAINING RING, Lower)

нет в наличии, поставок нет
28 0432638

Рычаг & Штифт в сборе. (LEVER & PIN ASSY.)

нет в наличии, поставок нет
29 0325092

Прокладка карбюратора Креплениеing (GASKET, Carburetor mounting)

нет в наличии, поставок нет
29 0314477

   (последний код) GASKET

нет в наличии, поставок нет
30 0303701

Шайба с блокировкой, Рычаг (LOCK WASHER, Lever)

нет в наличии, поставок нет
31 0328735

Шайба, Винт (WASHER, Screw)

нет в наличии, поставок нет
31 3852188

   (последний код) WASHER

нет в наличии, поставок нет
32 0328714

Винт, Cam folнижний (SCREW, Cam follower)

нет в наличии, поставок нет
32 0204027

   (последний код) SCREW

нет в наличии, поставок нет
33 0326467

Ниппель, Primer. Шнур Models (NIPPLE, Primer. Rope Models)

нет в наличии, поставок нет
33 0335235

   (последний код) NIPPLE

нет в наличии, поставок нет
34 0396701

Ремкомплект карбюратора (CARBURETOR REPAIR KIT)

нет в наличии, поставок нет
34 0398729

   (последний код) KIT AY,CARB REPAIR

нет в наличии, поставок нет
evinrude

Время выполнения запроса 2.2464761734009 сек.


 
 

данный сайт носит информационный характер и не является публичной офертой

склад запчастей для водомоторной техники