вконтакте

Контактный телефон: +7 (981) 121-46-93, +7 (800) 200-90-76 , Email: parts-katalog@yandex.ru, где купить

 
 

  Логин:

Пароль:

Регистрация

www.partskatalog.ru Все каталоги Запчасти Mercury Запчасти Suzuki Запчасти Tohatsu Запчасти Honda Контакты



УВАЖАЕМЫЕ КЛИЕНТЫ!
C 31 ОКТЯБРЯ 2025 ПО 10 НОЯБРЯ 2025 ГОДА РАБОТАТЬ НЕ БУДЕМ




Все разделы каталога запчастей на этот двигатель

назад Раздел:   вперёд

вернуться к списку узлов и деталей

ДЕТАЛИРОВКА ДЛЯ МОДЕЛИ: EVINRUDE E10EETM 1993

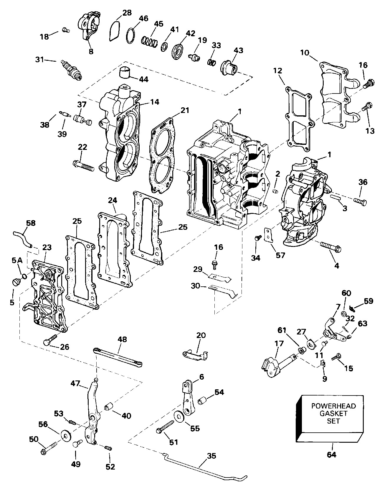
ЦИЛИНДР & КАРТЕР ДВИГАТЕЛЯ | CYLINDER & CRANKCASE;


Подвесной мотор Evinrude E10EETM 1993  - linder & Crankcase / linder & Картер двигателя

Номер на
рисунке
АртикулНаименованиеКол-во
на складе
Цена
1 0435233

Цилиндр & CCASE в сборе. (CYLINDER & CCASE ASSY.)

нет в наличии, поставок нет
1 0437983

   (последний код) CYL&CRKC AY

нет в наличии, поставок нет
2 0304178

DOWEL, Подшипник (DOWEL, Bearing)

нет в наличии, поставок нет
3 0300402

конус Штифт (TAPER PIN)

нет в наличии, поставок нет
4 0318622

Винт, Цилиндр to Картер двигателя (SCREW, Cylinder to crankcase)

нет в наличии, поставок нет
5 0307551

Заглушка, Flushing (PLUG, Flushing)

нет в наличии, поставок нет
5 0982851

   (последний код) SCREW-PLUG

нет в наличии, поставок нет
5A 0311598

Шайба (WASHER)

нет в наличии, поставок нет
5A 3852105

   (последний код) WASHER

нет в наличии, поставок нет
6 0338216

Рычаг переключения. Remote Electric Models Only (SHIFT LEVER. Remote Electric Models Only)

нет в наличии, поставок нет
6 0340722

   (последний код) LEVER,SHIFT

нет в наличии, поставок нет
7 0338208

BELLКривошип, Переключающая тяга (BELLCRANK, Shift rod)

нет в наличии, поставок нет
8 0338234

Крышка термостата (COVER, Thermostat)

нет в наличии, поставок нет
9 0319537

Зажим, BellКривошип (CLIP, Bellcrank)

нет в наличии, поставок нет
10 0336637

BYPASS Крышка (BYPASS COVER)

1 шт3280 руб.
10 0333733

   (последний код) COVER

нет в наличии, поставок нет
11 0302504

Штифт, BellКривошип to Переключающая тяга (PIN, Bellcrank to shift rod)

нет в наличии, поставок нет
12 0319332

Прокладка, Bypass Крышка (GASKET, Bypass cover)

нет в наличии, поставок нет
13 0300646

Винт, Bypass Крышка (SCREW, Bypass cover)

нет в наличии, поставок нет
14 0338221

Головка блока цилиндра (CYLINDER HEAD)

нет в наличии, поставок нет
15 0308017

Винт, BellКривошип to Переключающая тяга (SCREW, Bellcrank to shift rod)

нет в наличии, поставок нет
16 0332203

Винт, Bypass Крышка (SCREW, Bypass cover)

нет в наличии, поставок нет
16 0328724

Винт, Фиксатор пружины (SCREW, Detent spring)

нет в наличии, поставок нет
16 3852186

   (последний код) SCREW

нет в наличии, поставок нет
17 0435226

Вал & Рычаг переключателя (SHAFT & LEVER, Shift)

нет в наличии, поставок нет
18 0333706

Винт, Крышка (SCREW, Cover)

нет в наличии, поставок нет
19 0394411

Термостат & Седло в сборе. (THERMOSTAT & SEAT ASSY.)

2 шт2490 руб.
20 0336532

Стопор пружины, Кабелиs to Рычагs. Remote Electric Models Only (PIN, Spring, cables to levers. Remote Electric Models Only)

нет в наличии, поставок нет
20 0437838

   (последний код) KIT AY,PINS

нет в наличии, поставок нет
21 0338222

Прокладка головки блока цилиндра (GASKET, Cylinder head)

нет в наличии, поставок нет
22 0319226

Винт, Головка блока цилиндра (SCREW, Cylinder head)

нет в наличии, поставок нет
23 0435266

Кожух выхлопной трубы, Outer (EXHAUST COVER, Outer)

нет в наличии, поставок нет
24 0328497

Кожух выхлопной трубы, Inner (EXHAUST COVER, Inner)

нет в наличии, поставок нет
25 0318925

Прокладка кожуха выхлопной трубы (GASKET, Exhaust cover)

нет в наличии, поставок нет
26 0302288

Винт, Кожух выхлопной трубы (SCREW, Exhaust cover)

нет в наличии, поставок нет
26 3852043

   (последний код) SCREW

нет в наличии, поставок нет
27 0339208

Проставка, Переключающий вал (SPACER, Shift shaft)

нет в наличии, поставок нет
28 0336947

Сальник, Крышка (SEAL, Cover)

нет в наличии, поставок нет
29 0330212

SPРезервное кольцо, Сдвижной переключатель (SPRING, Backup, shift detent)

нет в наличии, поставок нет
30 0330913

Пружина переключателя detent (SPRING, Shift detent)

нет в наличии, поставок нет
30 0329246

   (последний код) SPRING

нет в наличии, поставок нет
31 0387633

Свеча зажигания, Champion QL77J4. Radio Noise Sвышеpressor Заглушка (SPARK PLUG, Champion QL77J4. Radio Noise Suppressor Plug)

нет в наличии, поставок нет
31 0502180

   (последний код) Champion SPARK PLUG QL77JC4 MAR4

нет в наличии, поставок нет
31 0386941

Свеча зажигания, Champion L77J4. Опции (SPARK PLUG, Champion L77J4. Optional)

нет в наличии, поставок нет
31 4002080

   (последний код) SP-PLUG L77J

нет в наличии, поставок нет
31 0432424

Свеча зажигания, Champion QL16V. Опции (SPARK PLUG, Champion QL16V. Optional)

нет в наличии, поставок нет
31 0502178

   (последний код) Champion SPARK PLUG QL16V MAR4

нет в наличии, поставок нет
31 0433627

Свеча зажигания, Champion L16V. Опции (SPARK PLUG, Champion L16V. Optional)

нет в наличии, поставок нет
31 0502894

   (последний код) Champion SPARK PLUG L16V MAR4 (CS12209)

нет в наличии, поставок нет
32 0305650

Шплинт, BellКривошип (COTTER PIN, Bellcrank)

нет в наличии, поставок нет
32 3852052

   (последний код) PIN,COTTER

нет в наличии, поставок нет
33 0336179

Пружина, Термостат (SPRING, Thermostat)

нет в наличии, поставок нет
34 0316134

Винт зажима. Remote Electric Models Only (SCREW, Clamp. Remote Electric Models Only)

нет в наличии, поставок нет
35 0338239

Соединитель, Рычаг to Рычаг переключения. Remote Electric Models Only (LINK, Lever to shift lever. Remote Electric Models Only)

нет в наличии, поставок нет
36 0306049

Винт, Цилиндр to Картер двигателя (SCREW, Cylinder to crankcase)

нет в наличии, поставок нет
37 0584728

температура Переключатель. Remote Electric Models Only (TEMPERATURE SWITCH. Remote Electric Models Only)

нет в наличии, поставок нет
38 0512947

Клемма, Bullet. Remote Electric Models Only (TERMINAL, Bullet. Remote Electric Models Only)

нет в наличии, поставок нет
38 0910462

   (последний код) TERM.-60766-

нет в наличии, поставок нет
39 0513185

Гильза. Remote Electric Models Only (SLEEVE. Remote Electric Models Only)

нет в наличии, поставок нет
39 0512948

   (последний код) SLEEVE

нет в наличии, поставок нет
40 0338250

Проставка, Рычаг дросселя (SPACER, Throttle lever)

нет в наличии, поставок нет
41 0336183

Cвыше, Термостат (CUP, Thermostat)

нет в наличии, поставок нет
42 0336184

Диафрагма, Термостат (DIAPHRAGM, Thermostat)

нет в наличии, поставок нет
43 0336178

Корпус, Термостат (HOUSING, Thermostat)

нет в наличии, поставок нет
44 0339692

Гильза (SLEEVE)

нет в наличии, поставок нет
45 0336211

Пружина, Термостат (SPRING, Thermostat)

нет в наличии, поставок нет
46 0336185

Шайба, Крышка to Диафрагма (WASHER, Cover to diaphragm)

нет в наличии, поставок нет
47 0435714

Рычаг дросселя (THROTTLE LEVER)

нет в наличии, поставок нет
48 0338295

SHELL, Рычаг дросселя (SHELL, Throttle lever)

нет в наличии, поставок нет
49 0338237

Штифт кабеля дросселя to Рычаг (PIN, Throttle cable to lever)

нет в наличии, поставок нет
50 0305652

Винт дросселя Рычаг (SCREW, Throttle lever)

нет в наличии, поставок нет
50 0310743

   (последний код) SCREW

нет в наличии, поставок нет
51 0333976

Винт, Рычаг переключения. Remote Electric Models Only (SCREW, Shift lever. Remote Electric Models Only)

нет в наличии, поставок нет
52 0330838

Винт стопора, W.O.T. (SCREW, Stop, W.O.T.)

нет в наличии, поставок нет
52 0329268

   (последний код) SCREW

нет в наличии, поставок нет
53 0330838

Винт стопора, idle (SCREW, Stop, idle)

нет в наличии, поставок нет
53 0329268

   (последний код) SCREW

нет в наличии, поставок нет
54 0338250

Проставка, Рычаг переключения. Remote Electric Models Only (SPACER, Shift lever. Remote Electric Models Only)

нет в наличии, поставок нет
55 0331249

Шайба, Винт, Проставка. Remote Electric Models Only (WASHER, Screw, spacer. Remote Electric Models Only)

нет в наличии, поставок нет
55 0330155

   (последний код) WASHER

нет в наличии, поставок нет
56 0511421

Шайба, Рычаг дросселя (WASHER, Throttle lever)

нет в наличии, поставок нет
57 0328059

Струбцина кабеля дросселя. Remote Electric Models Only (CLAMP, Throttle cable. Remote Electric Models Only)

нет в наличии, поставок нет
58 0339713

Шланг, Overboard Индикатор (HOSE, Overboard indicator)

нет в наличии, поставок нет
59 0333774

Зажим, Переключатель Соединитель to bellКривошип. Electric Start Models Only Шнур Start Models Only (CLIP, Shift link to bellcrank. Electric Start Models Only Rope Start Models Only)

нет в наличии, поставок нет
60 0304380

Шайба, BellКривошип, Соединитель. Electric Start Models Only Шнур Start Models Only (WASHER, Bellcrank, link. Electric Start Models Only Rope Start Models Only)

нет в наличии, поставок нет
61 0335521

Втулка, Рычаг переключения (BUSHING, Shift lever)

нет в наличии, поставок нет
63 0316128

Втулка, Стартер Соединитель (BUSHING, Starter link)

нет в наличии, поставок нет
64 0436358

POWERHEAD Комплект прокладок (POWERHEAD GASKET SET)

нет в наличии, поставок нет
evinrude

Время выполнения запроса 3.927747964859 сек.


 
 

данный сайт носит информационный характер и не является публичной офертой

склад запчастей для водомоторной техники