| |
Все разделы каталога запчастей на этот двигатель
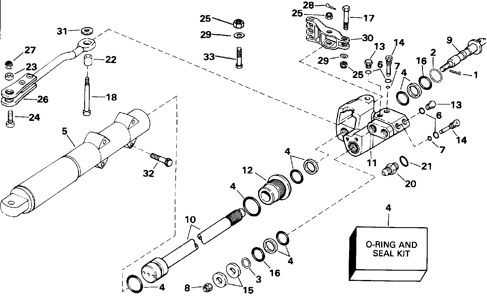
вернуться к списку узлов и деталей ДЕТАЛИРОВКА ДЛЯ МОДЕЛИ: EVINRUDE E225PLENR 1992
ЦИЛИНДР КЛАПАН ASSEMBLY | CYLINDER VALVE ASSEMBLY;
Номер на рисунке | Артикул | Наименование | Кол-во на складе | Цена |
| 0987033 | 0987033 | Цилиндр & Клапан в сборе. Not Shown (CYLINDER & VALVE ASSY. Not Shown) | нет в наличии, поставок нет |
| 1 | 0300723 | Шплинт (COTTER PIN) | нет в наличии, поставок нет |
| 2 | 0913360 | Регулировочная шайба, Золотник Клапан, large end (SHIM, Spool valve, large end) | нет в наличии, поставок нет |
| 3 | 0913359 | Регулировочная шайба, Золотник Клапан, small end (SHIM, Spool valve, small end) | нет в наличии, поставок нет |
| 4 | 0987034 | Уплотнительное кольцо & Комплект сальников (O-RING & SEAL KIT) | нет в наличии, поставок нет |
| 4 | 0985528 | (последний код) O-RING-KIT | нет в наличии, поставок нет |
| 5 | 0915120 | Цилиндр, Starboard (CYLINDER, Starboard) | нет в наличии, поставок нет |
| 6 | 0911522 | Уплотнительное кольцо, Заглушка (O-RING, Plug) | нет в наличии, поставок нет |
| 7 | 0913326 | Уплотнительное кольцо, Заглушка (O-RING, Plug) | нет в наличии, поставок нет |
| 8 | 0307160 | LOCKГайка (LOCKNUT) | нет в наличии, поставок нет |
| 9 | 0915121 | Золотник Клапан (SPOOL VALVE) | нет в наличии, поставок нет |
| 10 | 0985881 | Поршень, Цилиндр & Тяга (PISTON, Cylinder & rod) | нет в наличии, поставок нет |
| 10 | 0913330 | (последний код) TUBE-CYLINDE | нет в наличии, поставок нет |
| 11 | 0985527 | Корпус & Заглушка в сборе., Stbd. (HOUSING & PLUG ASSY., Stbd.) | нет в наличии, поставок нет |
| 12 | 0985763 | END Колпачок, Цилиндр (END CAP, Cylinder) | нет в наличии, поставок нет |
| 13 | 0912302 | Заглушка, Корпус. See Сервис ручной для correct assembly procedure (PLUG, Housing. See Service Manual for correct assembly procedure) | нет в наличии, поставок нет |
| 14 | 0913329 | Заглушка, Корпус. See Сервис ручной для correct assembly procedure (PLUG, Housing. See Service Manual for correct assembly procedure) | нет в наличии, поставок нет |
| 15 | 0913324 | Шайба, Золотник Клапан (WASHER, Spool valve) | нет в наличии, поставок нет |
| 16 | 0912357 | Уплотнительное кольцо (O-RING) | нет в наличии, поставок нет |
| 17 | 0912078 | Болт, BellКривошип (BOLT, Bellcrank) | нет в наличии, поставок нет |
| 18 | 0913320 | Болт, Рулевая система conn. (BOLT, Steering conn.) | нет в наличии, поставок нет |
| 20 | 0910959 | FITTING, Oil (FITTING, Oil) | нет в наличии, поставок нет |
| 21 | 0911012 | Уплотнительное кольцо, Fitting (O-RING, Fitting) | нет в наличии, поставок нет |
| 21 | 3852517 | (последний код) O-RING | нет в наличии, поставок нет |
| 22 | 0913321 | Проставка, Рулевая система conn. (SPACER, Steering conn.) | нет в наличии, поставок нет |
| 23 | 0912055 | Проставка, Рулевая система Рычаг (SPACER, Steering arm) | нет в наличии, поставок нет |
| 24 | 0913396 | Винт, Рулевая система Рычаг (SCREW, Steering arm) | нет в наличии, поставок нет |
| 24 | 0912054 | (последний код) SCREW | нет в наличии, поставок нет |
| 25 | 0327969 | LOCKГайка (LOCKNUT) | нет в наличии, поставок нет |
| 25 | 0316854 | (последний код) LOCKNUT | нет в наличии, поставок нет |
| 26 | 0987030 | Рулевая система CONN. в сборе. (STEERING CONN. ASSY.) | нет в наличии, поставок нет |
| 27 | 0315077 | Гайка, Рулевая система Коннектор (NUT, Steering connector) | нет в наличии, поставок нет |
| 27 | 3852132 | (последний код) NUT,LOCK | нет в наличии, поставок нет |
| 82 | 0302858 | Шплинт, Рулевая система conn. (COTTER PIN, Steering conn.) | нет в наличии, поставок нет |
| 82 | 3854480 | (последний код) PIN,COTTER | нет в наличии, поставок нет |
| 29 | 0309020 | Пружинная шайба, BellКривошип (SPRING WASHER, Bellcrank) | нет в наличии, поставок нет |
| 30 | 0915115 | BELLКривошип (BELLCRANK) | нет в наличии, поставок нет |
| 31 | 0121252 | Шайба, Рулевая система conn. (WASHER, Steering conn.) | нет в наличии, поставок нет |
| 32 | 0335221 | Винт, Цилиндр to Кронштейн (SCREW, Cylinder to bracket) | нет в наличии, поставок нет |
| 32 | 0328715 | (последний код) SCREW | нет в наличии, поставок нет |
| 33 | 0915116 | Винт, BellКривошип (SCREW, Bellcrank) | нет в наличии, поставок нет |

Время выполнения запроса 0.78958797454834 сек.
|
|