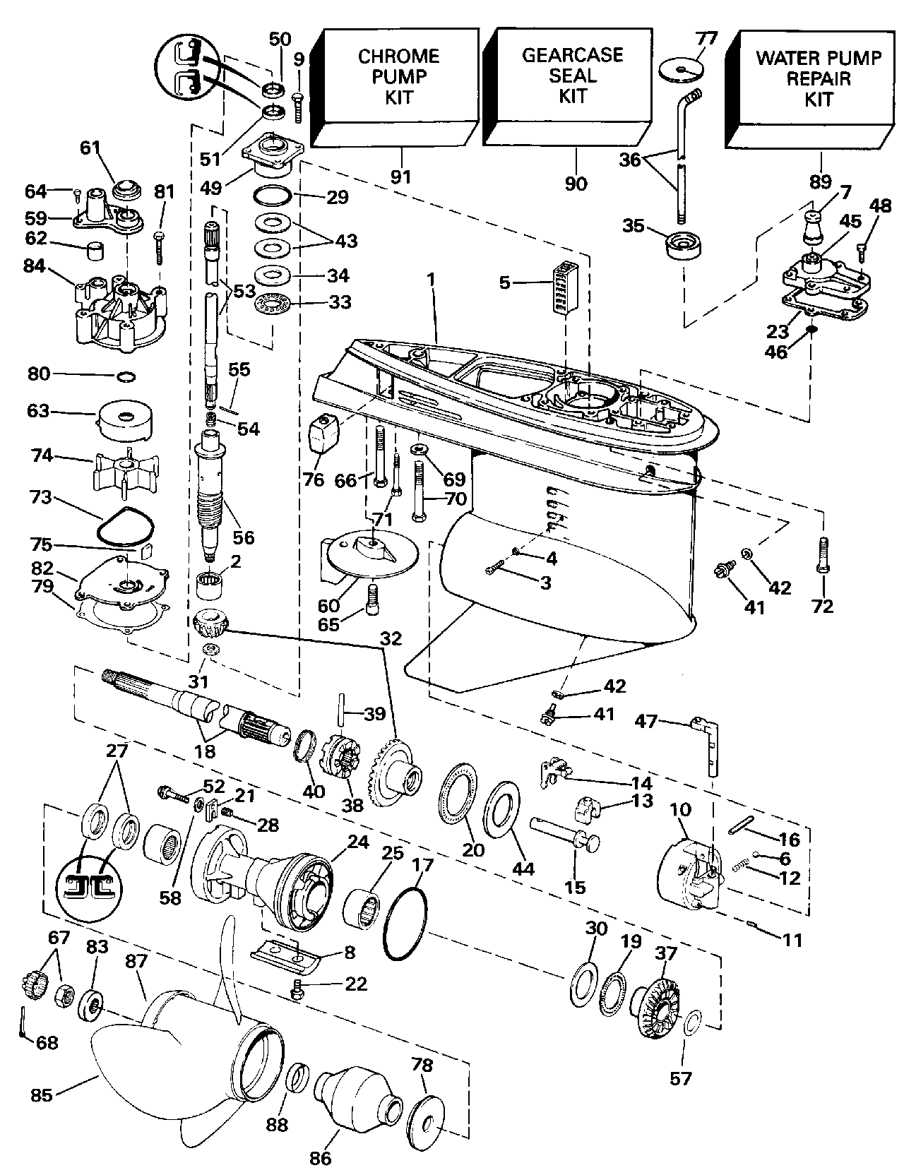
Номер на рисунке | Артикул | Наименование | Кол-во на складе | Цена |
| 0435501 | 0435501 | Редуктор в сборе., комплект. Replaced by 435470 gcase & 435765 верхний Корпус вала передачи ay и if requiкрасный 332122 Переключающая тяга. (GEARCASE ASSY., Complete. Replaced by 435470 gcase & 435765 upper drive shaft ay and if required 332122 shift rod.) | нет в наличии, поставок нет |
| 0435502 | 0435502 | Редуктор в сборе., комплект. Replaced by 435470 gcase & 435766 верхний Корпус вала передачи ay и if requiкрасный 332293 Переключающая тяга. (GEARCASE ASSY., Complete. Replaced by 435470 gcase & 435766 upper drive shaft ay and if required 332293 shift rod.) | нет в наличии, поставок нет |
| 1 | 0431695 | Редуктор в сборе с подшипником. (GEARCASE & BEARING ASSY.) | нет в наличии, поставок нет |
| 1 | 0439973 | (последний код) CALL TECH SVC/QIPL | нет в наличии, поставок нет |
| 2 | 0387817 | Подшипник, Шестерня (BEARING, Pinion) | нет в наличии, поставок нет |
| 3 | 0324852 | Установочный винт & Сальник, Подшипник (SET SCREW & SEAL, Bearing) | нет в наличии, поставок нет |
| 4 | 0332584 | Сальник (SEAL) | нет в наличии, поставок нет |
| 5 | 0321123 | Водяной экран Система впуска (SCREEN, Water intake) | нет в наличии, поставок нет |
| 6 | 0160084 | Шарик, Detent (BALL, Detent) | нет в наличии, поставок нет |
| 6 | 3852023 | (последний код) BALL | нет в наличии, поставок нет |
| 7 | 0321122 | Проставка, Переключающая тяга. 25 дюйм (635 мм) Transom Models (SPACER, Shift rod. 25 in. (635mm) Transom Models) | нет в наличии, поставок нет |
| 8 | 0431708 | Анод (ANODE) | нет в наличии, поставок нет |
| 8 | 0397111 | (последний код) ANODE-AY | нет в наличии, поставок нет |
| 9 | 0317624 | Винт, Корпус to Редуктор (SCREW, Housing to gearcase) | нет в наличии, поставок нет |
| 10 | 0389455 | Корпус & Подшипник в сборе. (HOUSING & BEARING ASSY.) | нет в наличии, поставок нет |
| 11 | 0331880 | Штифт, Корпус (PIN, Housing) | нет в наличии, поставок нет |
| 12 | 0911961 | Фиксатор пружины (SPRING, Detent) | нет в наличии, поставок нет |
| 13 | 0334163 | CRADLE, Переключательer (CRADLE, Shifter) | 5 шт | 1880 руб. |
| 13 | 0322900 | (последний код) CRADLE-SHIFT | нет в наличии, поставок нет |
| 14 | 0322938 | Рычаг переключателя (LEVER, Shift) | нет в наличии, поставок нет |
| 15 | 0322941 | Вал (SHAFT) | нет в наличии, поставок нет |
| 16 | 0328825 | Штифт, Рычаг переключения (PIN, Shift lever) | нет в наличии, поставок нет |
| 17 | 0305123 | Уплотнительное кольцо, Вал гребного винта (O-RING, Propeller shaft) | нет в наличии, поставок нет |
| 17 | 0321119 | (последний код) O-RING,-DLR | нет в наличии, поставок нет |
| 18 | 0433017 | Вал гребного винта в сборе. (PROPELLER SHAFT ASSY.) | нет в наличии, поставок нет |
| 18 | 5004765 | (последний код) PROPSHAFT AY,SERV | нет в наличии, поставок нет |
| 19 | 0382408 | THRUST BRG. в сборе., Reverse Шестерня (THRUST BRG. ASSY., Reverse gear) | нет в наличии, поставок нет |
| 20 | 0389042 | THRUST BRG. в сборе., Fwd. Шестерня (THRUST BRG. ASSY., Fwd. gear) | нет в наличии, поставок нет |
| 21 | 0333957 | Фиксатор (RETAINER) | нет в наличии, поставок нет |
| 22 | 0908158 | Винт, Анод (SCREW, Anode) | нет в наличии, поставок нет |
| 22 | 3852050 | (последний код) SCREW | нет в наличии, поставок нет |
| 23 | 0324670 | Прокладка, Переключающая тяга Крышка (GASKET, Shift rod cover) | нет в наличии, поставок нет |
| 23 | 0352165 | (последний код) GASKET | 2 шт | 550 руб. |
| 24 | 0434400 | Подшипник HSG. Сальник в сборе. (BEARING HSG. SEAL ASSY.) | нет в наличии, поставок нет |
| 24 | 5004257 | (последний код) HSG AY, PROPSHAFT | нет в наличии, поставок нет |
| 25 | 0382407 | Игольчатый подшипник в сборе. (NEEDLE BEARING ASSY.) | 1 шт | 5500 руб. |
| 26 | 0434467 | Игольчатый подшипник в сборе. (NEEDLE BEARING ASSY.) | нет в наличии, поставок нет |
| 27 | 0334950 | Сальник (SEAL) | нет в наличии, поставок нет |
| 28 | 0910901 | INSERT (INSERT) | нет в наличии, поставок нет |
| 28 | 3852513 | (последний код) INSERT | нет в наличии, поставок нет |
| 29 | 0314728 | Уплотнительное кольцо, DriveВал Подшипник (O-RING, Driveshaft bearing) | нет в наличии, поставок нет |
| 29 | 0354731 | (последний код) O-RING | 1 шт | 850 руб. |
| 30 | 0314731 | THRUST Шайба шестерни заднего хода (THRUST WASHER, Reverse gear) | нет в наличии, поставок нет |
| 31 | 0314730 | Гайка, Шестерня to driveВал (NUT, Pinion to driveshaft) | нет в наличии, поставок нет |
| 32 | 0433841 | Шестерня & Комплект шестерёнок (GEAR & PINION ASSY) | нет в наличии, поставок нет |
| 32 | 0435123 | (последний код) GEARSET,FWD&PIN V4 | нет в наличии, поставок нет |
| 33 | 0387656 | THRUST Подшипник, Шестерня (THRUST BEARING, Pinion) | нет в наличии, поставок нет |
| 33 | 0383248 | (последний код) BEARING | нет в наличии, поставок нет |
| 34 | 0327656 | Упорная шайба шестерни Шестерня (THRUST WASHER, Pinion) | нет в наличии, поставок нет |
| 34 | 0314729 | (последний код) THRUST-WASHE | нет в наличии, поставок нет |
| 35 | 0321008 | Пыльник, Exh. hsg. to Переключающая тяга. Also included in Ремкомплект водяного насоса 395060 (GROMMET, Exh. hsg. to shift rod. Also included in Water Pump Repair Kit 395060) | нет в наличии, поставок нет |
| 36 | 0332122 | Переключающая тяга. 20 дюйм (508 мм) Transom Models (SHIFT ROD. 20 in. (508mm) Transom Models) | нет в наличии, поставок нет |
| 36 | 0332293 | Переключающая тяга. 25 дюйм (635 мм) Transom Models (SHIFT ROD. 25 in. (635mm) Transom Models) | нет в наличии, поставок нет |
| 37 | 0336574 | Шестерня обратного хода (GEAR, Reverse) | нет в наличии, поставок нет |
| 38 | 0336562 | Переключатель собачки сцепления (SHIFTER, Clutch dog) | нет в наличии, поставок нет |
| 38 | 0337774 | (последний код) SHIFTER,CLUTCH DOG | нет в наличии, поставок нет |
| 39 | 0313448 | Штифт сцепления dog (PIN, Clutch dog) | нет в наличии, поставок нет |
| 40 | 0324369 | Пружина, Сцепление dog Штифт (SPRING, Clutch dog pin) | нет в наличии, поставок нет |
| 40 | 0313454 | (последний код) SPRING | нет в наличии, поставок нет |
| 41 | 0318544 | Заглушка, Fill & drain (PLUG, Fill & drain) | нет в наличии, поставок нет |
| 41 | 0912624 | (последний код) SCREW | нет в наличии, поставок нет |
| 42 | 0333572 | Уплотнительное кольцо (O-RING) | нет в наличии, поставок нет |
| 42 | 3855081 | (последний код) 0-RING | нет в наличии, поставок нет |
| 43 | 0323362 | Регулировочная шайба, 0.003 (0, 07 мм) (SHIM, 0.003 (0,07mm)) | нет в наличии, поставок нет |
| 43 | 0323361 | Регулировочная шайба, 0.004 (0, 10 мм) (SHIM, 0.004 (0,10mm)) | нет в наличии, поставок нет |
| 43 | 0314745 | Регулировочная шайба, 0.005 (0, 12 мм) (SHIM, 0.005 (0,12mm)) | нет в наличии, поставок нет |
| 44 | 0327669 | Упорная шайба, Fwd. Шестерня (THRUST WASHER, Fwd. gear) | нет в наличии, поставок нет |
| 44 | 0324805 | (последний код) THRUST-WASHE | нет в наличии, поставок нет |
| 45 | 0388618 | Крышка & Сальник в сборе. (COVER & SEAL ASSY.) | нет в наличии, поставок нет |
| 45 | 5006241 | (последний код) COVER AY,SHIFT ROD | нет в наличии, поставок нет |
| 46 | 0318372 | Уплотнительное кольцо, Переключающая тяга (O-RING, Shift rod) | нет в наличии, поставок нет |
| 47 | 0323946 | DETENT, Переключательer (DETENT, Shifter) | нет в наличии, поставок нет |
| 47 | 0915954 | (последний код) DETENT | нет в наличии, поставок нет |
| 48 | 0302325 | Винт, Крышка (SCREW, Cover) | нет в наличии, поставок нет |
| 49 | 0397493 | Подшипник Корпус & Сальник (BEARING HOUSING & SEAL) | нет в наличии, поставок нет |
| 49 | 0439476 | (последний код) DS BRG HSG&SEAL AY | нет в наличии, поставок нет |
| 50 | 0329922 | Сальник, верхний (SEAL, Upper) | нет в наличии, поставок нет |
| 51 | 0329923 | Сальник, нижний (SEAL, Lower) | нет в наличии, поставок нет |
| 52 | 0333955 | Винт, Фиксатор (SCREW, Retainer) | нет в наличии, поставок нет |
| 52 | 0350271 | (последний код) SCREW, BRG CARRIER | нет в наличии, поставок нет |
| 53 | 0337058 | Корпус вала передачи, верхний 20 дюйм (508 мм) Transom Models (DRIVE SHAFT, Upper. 20 in. (508mm) Transom Models) | нет в наличии, поставок нет |
| 53 | 5007671 | (последний код) UPPER D/S KIT 20" | нет в наличии, поставок нет |
| 53 | 0337059 | Корпус вала передачи, верхний 25 дюйм (635 мм) Transom Models (DRIVE SHAFT, Upper. 25 in. (635mm) Transom Models) | нет в наличии, поставок нет |
| 53 | 5007672 | (последний код) KIT,UPPER D/S-25" | нет в наличии, поставок нет |
| 54 | 0335684 | Пружина, DriveВал (SPRING, Driveshaft) | нет в наличии, поставок нет |
| 55 | 0311538 | Штифт, DriveВал (PIN, Driveshaft) | нет в наличии, поставок нет |
| 56 | 0335677 | DRIVEВал, нижний (DRIVESHAFT, Lower) | нет в наличии, поставок нет |
| 56 | 0345905 | (последний код) DRIVESHAFT,LOWER | нет в наличии, поставок нет |
| 57 | 0336565 | Шайба, Вал гребного винта to Шестерня (WASHER, Propshaft to gear) | нет в наличии, поставок нет |
| 58 | 0328743 | Шайба, Фиксатор tab (WASHER, Retainer tab) | нет в наличии, поставок нет |
| 58 | 3852191 | (последний код) WASHER | нет в наличии, поставок нет |
| 59 | 0321159 | Колпак крыльчатки Корпус. Also included in Ремкомплект водяного насоса 395060 (COVER, Impeller housing. Also included in Water Pump Repair Kit 395060) | нет в наличии, поставок нет |
| 59 | 0338893 | (последний код) COVER,IMPELL | нет в наличии, поставок нет |
| 60 | 0337348 | Пластина трима, Редуктор (TRIM TAB, Gearcase) | нет в наличии, поставок нет |
| 60 | 0127466 | (последний код) TAB,TRIM | нет в наличии, поставок нет |
| 61 | 0320943 | Пыльник, Крыльчатка Корпус. Also included in Ремкомплект водяного насоса 395060 (GROMMET, Impeller housing. Also included in Water Pump Repair Kit 395060) | 1 шт | 300 руб. |
| 62 | 0314008 | Пыльник водяной трубки. Also included in Ремкомплект водяного насоса 395060 (GROMMET, Water tube. Also included in Water Pump Repair Kit 395060) | нет в наличии, поставок нет |
| 63 | 0330379 | Cвыше, Крыльчатка. Also included in Ремкомплект водяного насоса 395060 Stainless Steel (CUP, Impeller. Also included in Water Pump Repair Kit 395060 Stainless Steel) | нет в наличии, поставок нет |
| 63 | 0435027 | (последний код) CUP-&-PLATE | нет в наличии, поставок нет |
| 63 | 0330384 | Cвыше, Крыльчатка. хромированная пластина (CUP, Impeller. Chrome Plated) | нет в наличии, поставок нет |
| 63 | 0435526 | (последний код) CUP & PLATE AY | нет в наличии, поставок нет |
| 64 | 0306643 | Винт, Крышка to Крыльчатка. Also included in Ремкомплект водяного насоса 395060 (SCREW, Cover to impeller. Also included in Water Pump Repair Kit 395060) | нет в наличии, поставок нет |
| 64 | 3852066 | (последний код) SCREW | нет в наличии, поставок нет |
| 65 | 0313715 | Винт, Пластина трима (SCREW, Trim tab) | нет в наличии, поставок нет |
| 66 | 0330263 | Винт, Редуктор to Задний корпус (SCREW, Gearcase to housing, rear) | нет в наличии, поставок нет |
| 66 | 0914534 | (последний код) SCREW | нет в наличии, поставок нет |
| 67 | 0398042 | Гайка гребного винта & Фиксатор (PROPELLER NUT & RETAINER) | нет в наличии, поставок нет |
| 67 | 3850984 | (последний код) NUT&KEEPER AY,PROP | нет в наличии, поставок нет |
| 68 | 0306394 | Шплинт, Гайка гребного винта (COTTER PIN, Propeller nut) | нет в наличии, поставок нет |
| 68 | 3852056 | (последний код) PIN,COTTER | нет в наличии, поставок нет |
| 69 | 0306314 | Шайба (WASHER) | нет в наличии, поставок нет |
| 70 | 0331998 | Винт, Редуктор to Корпус (SCREW, Gearcase to housing) | нет в наличии, поставок нет |
| 70 | 0914535 | (последний код) SCREW | нет в наличии, поставок нет |
| 71 | 0328096 | Винт, Анод (SCREW, Anode) | нет в наличии, поставок нет |
| 71 | 0327046 | (последний код) SCREW | нет в наличии, поставок нет |
| 72 | 0331999 | Винт, Редуктор to Корпус, short (SCREW, Gearcase to housing, short) | нет в наличии, поставок нет |
| 72 | 0910457 | (последний код) SCREW | нет в наличии, поставок нет |
| 73 | 0331353 | Сальник, Крыльчатка to Корпус Пластина. Also included in Ремкомплект водяного насоса 395060 (SEAL, Impeller to housing plate. Also included in Water Pump Repair Kit 395060) | 1 шт | 790 руб. |
| 74 | 0395864 | Крыльчатка в сборе.. Also included in Ремкомплект водяного насоса 395060 (IMPELLER ASSY.. Also included in Water Pump Repair Kit 395060) | нет в наличии, поставок нет |
| 74 | 5001593 | (последний код) KIT AY,IMPELLER | нет в наличии, поставок нет |
| 75 | 0331107 | Ключ, DriveВал to Крыльчатка. Also included in Ремкомплект водяного насоса 395060 (KEY, Driveshaft to impeller. Also included in Water Pump Repair Kit 395060) | нет в наличии, поставок нет |
| 76 | 0393023 | Анод (ANODE) | нет в наличии, поставок нет |
| 76 | 0436745 | (последний код) ANODE&INSERT AY | нет в наличии, поставок нет |
| 77 | 0322302 | Сальник, Переключающая тяга (SEAL, Shift rod) | нет в наличии, поставок нет |
| 77 | 0321361 | (последний код) SEAL | нет в наличии, поставок нет |
| 78 | 0126870 | Упорная втулка (THRUST BUSHING) | нет в наличии, поставок нет |
| 78 | 3852020 | (последний код) BUSHING,THRUST | нет в наличии, поставок нет |
| 79 | 0324701 | Прокладка, Imp. hsg. Пластина. Also included in Ремкомплект водяного насоса 395060 Also included in Комплект сальников редуктора 434516 (GASKET, Imp. hsg. plate. Also included in Water Pump Repair Kit 395060 Also included in Gearcase Seal Kit 434516) | нет в наличии, поставок нет |
| 79 | 0338484 | (последний код) GASKET,WTR PMP 5PK | нет в наличии, поставок нет |
| 80 | 0332000 | Кольцевой сальник, Крыльчатка Корпус. Also included in Ремкомплект водяного насоса 395060 (SEAL RING, Impeller housing. Also included in Water Pump Repair Kit 395060) | нет в наличии, поставок нет |
| 81 | 0302325 | Винт, Крыльчатка Корпус, 1" (SCREW, Impeller housing, 1") | нет в наличии, поставок нет |
| 81 | 0328715 | Винт, Крыльчатка Корпус, 1 7 / 8". Also included in Ремкомплект водяного насоса 395060 (SCREW, Impeller housing, 1 7/8". Also included in Water Pump Repair Kit 395060) | нет в наличии, поставок нет |
| 81 | 0335221 | (последний код) SCREW | нет в наличии, поставок нет |
| 82 | 0330380 | Пластина корпуса крыльчатки. Also included in Ремкомплект водяного насоса 395060 Stainless Steel (PLATE, Impeller housing. Also included in Water Pump Repair Kit 395060 Stainless Steel) | нет в наличии, поставок нет |
| 82 | 0435027 | (последний код) CUP-&-PLATE | нет в наличии, поставок нет |
| 82 | 0330383 | Пластина корпуса крыльчатки. хромированная пластина (PLATE, Impeller housing. Chrome Plated) | нет в наличии, поставок нет |
| 82 | 0435526 | (последний код) CUP & PLATE AY | нет в наличии, поставок нет |
| 83 | 0320570 | Проставка гайки гребного винта (SPACER, Propeller nut) | нет в наличии, поставок нет |
| 83 | 3852163 | (последний код) SPACER,PROP | нет в наличии, поставок нет |
| 84 | 0395040 | Крыльчатка Корпус, Редуктор. Also included in Ремкомплект водяного насоса 395060 (IMPELLER HOUSING, Gearcase. Also included in Water Pump Repair Kit 395060) | нет в наличии, поставок нет |
| 84 | 0435485 | (последний код) HOUSING-AY,P | нет в наличии, поставок нет |
| 85 | 0391536 | Гребной винт, 15 1 / 2 x 13 Aluminum (PROPELLER, 15 1/2 x 13 Aluminum) | нет в наличии, поставок нет |
| 85 | 0391535 | Гребной винт, 15 1 / 2 x 15 Aluminum (PROPELLER, 15 1/2 x 15 Aluminum) | нет в наличии, поставок нет |
| 85 | 0763471 | (последний код) PROP AL 15X15 | нет в наличии, поставок нет |
| 85 | 0391200 | Гребной винт, 15 x 17 Aluminum (PROPELLER, 15 x 17 Aluminum) | нет в наличии, поставок нет |
| 85 | 0765187 | (последний код) PROP AY,AL 14.8X17 | нет в наличии, поставок нет |
| 85 | 0391201 | Гребной винт, 14 1 / 2 x 19 Aluminum (PROPELLER, 14 1/2 x 19 Aluminum) | нет в наличии, поставок нет |
| 85 | 0765188 | (последний код) PROP AY,AL 14.5X19 | нет в наличии, поставок нет |
| 85 | 0391202 | Гребной винт, 14 1 / 4 x 21 Aluminum (PROPELLER, 14 1/4 x 21 Aluminum) | нет в наличии, поставок нет |
| 85 | 0391203 | Гребной винт, 14 1 / 4 x 23 Aluminum (PROPELLER, 14 1/4 x 23 Aluminum) | нет в наличии, поставок нет |
| 85 | 0390831 | Гребной винт, 15 1 / 2 X 14 SST II (PROPELLER, 15 1/2 X 14 SST II) | нет в наличии, поставок нет |
| 85 | 0174926 | Гребной винт, 15 X 15 SST II (PROPELLER, 15 X 15 SST II) | нет в наличии, поставок нет |
| 85 | 0389925 | Гребной винт, 15 X 16 SST (PROPELLER, 15 X 16 SST) | нет в наличии, поставок нет |
| 85 | 0387518 | (последний код) SST-V-6-17" | нет в наличии, поставок нет |
| 85 | 0391290 | Гребной винт, 15 X 17 SST II (PROPELLER, 15 X 17 SST II) | нет в наличии, поставок нет |
| 85 | 0763914 | (последний код) VIPERTBX14.75X17RH | нет в наличии, поставок нет |
| 85 | 0389924 | Гребной винт, 14 1 / 2 X 19 SST II (PROPELLER, 14 1/2 X 19 SST II) | нет в наличии, поставок нет |
| 85 | 0763918 | (последний код) VIPERTBX14.75X19RH | нет в наличии, поставок нет |
| 85 | 0389923 | Гребной винт, 14 1 / 4 X 21 SST II (PROPELLER, 14 1/4 X 21 SST II) | нет в наличии, поставок нет |
| 85 | 0176619 | (последний код) SST V6 14.75X21 | нет в наличии, поставок нет |
| 85 | 0389019 | Гребной винт, 14 1 / 4 X 23 SST II (PROPELLER, 14 1/4 X 23 SST II) | нет в наличии, поставок нет |
| 85 | 0394752 | Гребной винт, 14 1 / 2 X 18 OMC Raker (PROPELLER, 14 1/2 X 18 OMC Raker) | нет в наличии, поставок нет |
| 85 | 0394753 | Гребной винт, 14 1 / 2 X 20 OMC Raker (PROPELLER, 14 1/2 X 20 OMC Raker) | нет в наличии, поставок нет |
| 85 | 0394754 | Гребной винт, 14 1 / 2 X 22 OMC Raker (PROPELLER, 14 1/2 X 22 OMC Raker) | нет в наличии, поставок нет |
| 85 | 0177264 | (последний код) RAKER II TBX 22RH | нет в наличии, поставок нет |
| 85 | 0394755 | Гребной винт, 14 1 / 2 X 24 OMC Raker (PROPELLER, 14 1/2 X 24 OMC Raker) | нет в наличии, поставок нет |
| 85 | 0177265 | (последний код) RAKER II TBX 24RH | нет в наличии, поставок нет |
| 85 | 0394756 | Гребной винт, 14 1 / 2 X 26 OMC Raker (PROPELLER, 14 1/2 X 26 OMC Raker) | нет в наличии, поставок нет |
| 85 | 0177266 | (последний код) RAKER-2/TBX 26 RH | нет в наличии, поставок нет |
| 85 | 0394757 | Гребной винт, 14 1 / 2 X 28 OMC Raker (PROPELLER, 14 1/2 X 28 OMC Raker) | нет в наличии, поставок нет |
| 85 | 0177267 | (последний код) RAKERII TBX 28 | нет в наличии, поставок нет |
| 86 | 0387157 | Втулка в сборе., Prop. (BUSHING ASSY., Prop.) | нет в наличии, поставок нет |
| 87 | 0332394 | CONVERGING Кольцо, Std. prop (CONVERGING RING, Std. prop) | нет в наличии, поставок нет |
| 87 | 3854241 | (последний код) RING, CONVERGING | нет в наличии, поставок нет |
| 88 | 0313926 | Гильза (SLEEVE) | нет в наличии, поставок нет |
| 88 | 3850831 | (последний код) SLEEVE-PROP | нет в наличии, поставок нет |
| 89 | 0395060 | Ремкомплект водяного насоса (WATER PUMP REPAIR KIT) | нет в наличии, поставок нет |
| 89 | 5001594 | (последний код) KIT AY,WATER PUMP | нет в наличии, поставок нет |
| 89 | T-5001594 | (не оригинальный аналог) Ремкомплект насоса охлаждения Evinrude-Johnson 5001594 | 2 шт шт | по запросу |
| 89 | 0395062 | Ремкомплект водяного насоса, (Includes Крыльчатка Корпус) (WATER PUMP REPAIR KIT, (Includes impeller housing)) | нет в наличии, поставок нет |
| 89 | 5001594 | (последний код) KIT AY,WATER PUMP | нет в наличии, поставок нет |
| 89 | T-5001594 | (не оригинальный аналог) Ремкомплект насоса охлаждения Evinrude-Johnson 5001594 | 2 шт шт | по запросу |
| 90 | 0434516 | Комплект сальников редуктора (GEARCASE SEAL KIT) | нет в наличии, поставок нет |
| 90 | 5006373 | (последний код) KIT AY,SEAL-GC | нет в наличии, поставок нет |
| 91 | 0395059 | Хромированный ремкомплект водяного насоса (Inc. imp. hsg) (CHROME PUMP KIT (Inc. imp. hsg)) | нет в наличии, поставок нет |
| 91 | 0435526 | (последний код) CUP & PLATE AY | нет в наличии, поставок нет |