вконтакте

Контактный телефон: +7 (981) 121-46-93, +7 (800) 200-90-76 , Email: parts-katalog@yandex.ru, где купить

 
 

  Логин:

Пароль:

Регистрация

www.partskatalog.ru Все каталоги Запчасти Mercury Запчасти Suzuki Запчасти Tohatsu Запчасти Honda Контакты



УВАЖАЕМЫЕ КЛИЕНТЫ!
C 19 ДЕКАБРЯ 2025 ПО 02 МАРТА 2026 ГОДА ОТДЕЛ ЗАПЧАСТЕЙ И СЕРВИС РАБОТАТЬ НЕ БУДУТ
ПРОДАЖА ЛОДОЧНЫХ МОТОРОВ В ШТАТНОМ РЕЖИМЕ
ОБ ИЗМЕНЕНИЯХ В ГРАФИКЕ РАБОТЫ ЧИТАЙТЕ НА САЙТА




Все разделы каталога запчастей на этот двигатель

назад Раздел:   вперёд

вернуться к списку узлов и деталей

ДЕТАЛИРОВКА ДЛЯ МОДЕЛИ: EVINRUDE VE175TXEID 1991

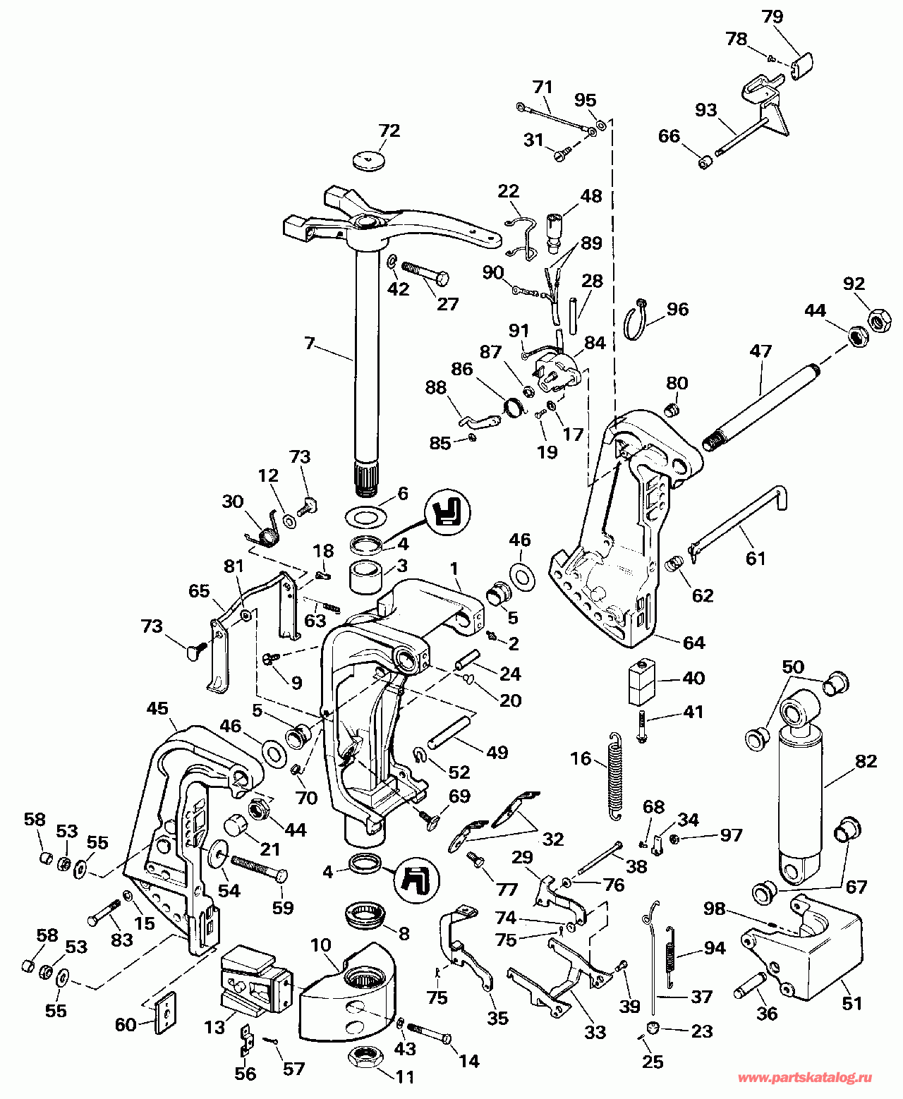
ЦИЛИНДР & КАРТЕР ДВИГАТЕЛЯ | CYLINDER & CRANKCASE;


Лодочный подвесной мотор EVINRUDE VE175TXEID 1991  - linder & Картер двигателя

Номер на
рисунке
АртикулНаименованиеКол-во
на складе
Цена
1 0434158

Цилиндр & CCASE в сборе., 175 (CYLINDER & CCASE ASSY.,175)

нет в наличии, поставок нет
1 0432159

   (последний код) CYL,CRKC&PLU

нет в наличии, поставок нет
1 0432153

Цилиндр & CCASE в сборе., 150 (CYLINDER & CCASE ASSY., 150)

нет в наличии, поставок нет
1 0397381

   (последний код) CYL,C-CASE-A

нет в наличии, поставок нет
2 0304178

Шпонка Подшипник (PIN, Dowel bearing)

нет в наличии, поставок нет
3 0314616

Шпилька (STUD)

нет в наличии, поставок нет
3 0324811

   (последний код) STUD-CYL

нет в наличии, поставок нет
4 0305070

Штифт, конус (PIN, Taper)

нет в наличии, поставок нет
5 0320808

Шпилька, Рычаг переключения (STUD, Shift lever)

нет в наличии, поставок нет
5 0338653

   (последний код) STUD

нет в наличии, поставок нет
6 0316988

Винт, Главный подшипник (SCREW, Main bearing)

нет в наличии, поставок нет
6 3852145

   (последний код) SCREW

нет в наличии, поставок нет
7 0322411

DEFLECTOR, Water passage (DEFLECTOR, Water passage)

нет в наличии, поставок нет
8 0320744

Шайба, Шпилька (WASHER, Stud)

нет в наличии, поставок нет
8 0306124

   (последний код) WASHER

нет в наличии, поставок нет
9 0309577

LOCKПластина, 175 (LOCKPLATE, 175)

нет в наличии, поставок нет
10 0324565

Винт, 175 (SCREW, 175)

нет в наличии, поставок нет
11 0332135

Заглушка, Pulse, 150 (PLUG, Pulse, 150)

нет в наличии, поставок нет
11 0340808

   (последний код) PLUG

нет в наличии, поставок нет
12 0303492

FITTING, 150 (FITTING, 150)

нет в наличии, поставок нет
13 0394884

Обратный клапан, Drain system (CHECK VALVE, Drain system)

нет в наличии, поставок нет
14 0328004

Крышка, Bypass (COVER, Bypass)

нет в наличии, поставок нет
14 0320940

   (последний код) HH-COVER-BY

нет в наличии, поставок нет
15 0328324

Цилиндр HEAT, Port 150 (CYLINDER HEAT, Port 150)

нет в наличии, поставок нет
15 0332136

Головка блока цилиндра, Port, 175 (CYLINDER HEAD, Port, 175)

нет в наличии, поставок нет
17 0328701

LOCKШайба, Заземление Хомут (LOCKWASHER, Ground strap)

нет в наличии, поставок нет
17 3852182

   (последний код) WASHER,LOCK

нет в наличии, поставок нет
18 0376349

Хомут, Заземление (STRAP, Ground)

нет в наличии, поставок нет
19 0306049

Винт, Bypass Крышка (SCREW, Bypass cover)

нет в наличии, поставок нет
21 0335360

Прокладка головки блока цилиндра, 150 (GASKET, Cylinder head, 150)

нет в наличии, поставок нет
21 0320745

   (последний код) HH-GASKET-CY

нет в наличии, поставок нет
21 0335361

Прокладка, Цилиндр, head, 175 (GASKET, Cylinder, head, 175)

нет в наличии, поставок нет
21 0325647

   (последний код) GASKET

нет в наличии, поставок нет
22 0328325

Головка блока цилиндра, Stbd. 150 (CYLINDER HEAD, Stbd. 150)

нет в наличии, поставок нет
22 0332137

Головка блока цилиндра, Stbd. 175 (CYLINDER HEAD, Stbd. 175)

нет в наличии, поставок нет
23 0321028

Прокладка крышки (GASKET, Cover)

нет в наличии, поставок нет
24 0320840

Крышка головки цилиндра (COVER, Cylinder head)

нет в наличии, поставок нет
25 0300646

Винт, Крышка головки цилиндра (SCREW, Cylinder head cover)

нет в наличии, поставок нет
26 0307267

Винт, Головка блока цилиндра (SCREW, Cylinder head)

нет в наличии, поставок нет
27 0387633

Свеча зажигания, Champion QL77JC4. Radio Noise Sвышеpression Заглушка (SPARK PLUG, Champion QL77JC4. Radio Noise Suppression Plug)

нет в наличии, поставок нет
27 0502180

   (последний код) Champion SPARK PLUG QL77JC4 MAR4

нет в наличии, поставок нет
27 0386941

Свеча зажигания, Champion L77JC4. Опции (SPARK PLUG, Champion L77JC4. Optional)

нет в наличии, поставок нет
27 4002080

   (последний код) SP-PLUG L77J

нет в наличии, поставок нет
27 0432424

Свеча зажигания, Champion QL16V. Опции (SPARK PLUG, Champion QL16V. Optional)

нет в наличии, поставок нет
27 0502178

   (последний код) Champion SPARK PLUG QL16V MAR4

нет в наличии, поставок нет
28 0583441

температура Переключатель, 150 (TEMPERATURE SWITCH, 150)

нет в наличии, поставок нет
28 0584592

   (последний код) SWITCH,TEMP-TAN

нет в наличии, поставок нет
28 0583441

температура Переключатель, Port, 175 (TEMPERATURE SWITCH, Port, 175)

нет в наличии, поставок нет
28 0584592

   (последний код) SWITCH,TEMP-TAN

нет в наличии, поставок нет
28 0583789

температура Переключатель, Stbd., 175 (TEMPERATURE SWITCH, Stbd., 175)

нет в наличии, поставок нет
28 0583422

   (последний код) TEMP-SWITCH

нет в наличии, поставок нет
29 0512947

Клемма, Bullet (TERMINAL, Bullet)

нет в наличии, поставок нет
29 0910462

   (последний код) TERM.-60766-

нет в наличии, поставок нет
30 0513185

Гильза, Клемма (SLEEVE, Terminal)

нет в наличии, поставок нет
30 0512948

   (последний код) SLEEVE

нет в наличии, поставок нет
31 0336432

Кожух выхлопной трубы Inner, 175 (EXHAUST COVER Inner, 175)

нет в наличии, поставок нет
31 0329379

   (последний код) MANIFOLD AY,EXHAUST

нет в наличии, поставок нет
32 0328005

Крышка, Bypass, верхний (COVER, Bypass, upper)

нет в наличии, поставок нет
32 0325968

   (последний код) COVER

нет в наличии, поставок нет
33 0329381

Уплотнительное кольцо, Коллектор, 175 (O-RING, Manifold, 175)

нет в наличии, поставок нет
34 0336430

Прокладка кожуха выхлопной трубы, 175 (GASKET, Exhaust cover, 175)

нет в наличии, поставок нет
34 0323217

   (последний код) GASKET

нет в наличии, поставок нет
35 0329380

Уплотнительное кольцо, Коллектор, 175 (O-RING, Manifold, 175)

нет в наличии, поставок нет
36 0306422

Гайка, Powerhead (NUT, Powerhead)

нет в наличии, поставок нет
37 0336429

Сальник, Выхлопной патрубок, 175 (SEAL, Exhaust manifold, 175)

нет в наличии, поставок нет
37 0323625

   (последний код) SEAL

нет в наличии, поставок нет
38 0329494

Выхлопная крышка outer, 150 (COVER, Exhaust outer, 150)

нет в наличии, поставок нет
38 0323360

   (последний код) COVER-EXHAUS

нет в наличии, поставок нет
38 0336433

Выхлопная крышка outer, 175 (COVER, Exhaust outer, 175)

нет в наличии, поставок нет
38 0329495

   (последний код) COVER-EXHAUS

нет в наличии, поставок нет
39 0321182

Прокладка, Inner Крышка, 150 (GASKET, Inner cover, 150)

нет в наличии, поставок нет
39 0393561

Прокладка, Inner Крышка, 175 (GASKET, Inner cover, 175)

нет в наличии, поставок нет
39 0329378

   (последний код) GASKET

нет в наличии, поставок нет
40 0323218

Винт, Выхлопной патрубок, 5 дюйм (127 мм), 175 (SCREW, Exhaust manifold, 5 in. (127mm), 175)

нет в наличии, поставок нет
40 0328725

Винт, Выхлопной патрубок, 1 дюйм (25 мм), 175 (SCREW, Exhaust manifold, 1 in. (25mm), 175)

нет в наличии, поставок нет
40 3852187

   (последний код) SCREW

нет в наличии, поставок нет
40 0335220

Винт, Выхлопной патрубок, 1 3 / 8 дюйм (35 мм), 175 (SCREW, Exhaust manifold, 1 3/8 in. (35mm), 175)

нет в наличии, поставок нет
40 0335221

Винт, Выхлопной патрубок, 1 7 / 8 дюйм (28 мм), 175 (SCREW, Exhaust manifold, 1 7/8 in. (28mm), 175)

нет в наличии, поставок нет
40 0328715

   (последний код) SCREW

нет в наличии, поставок нет
40 0335222

Винт, Выхлопной патрубок 41 / 4 дюйм (108 мм), 175 (SCREW, Exhaust manifold 41/4 in. (108mm), 175)

нет в наличии, поставок нет
40 0317972

   (последний код) SCREW

нет в наличии, поставок нет
40 0335223

Винт, Выхлопной патрубок, 25 / 8 дюйм (67 мм), 175 (SCREW, Exhaust manifold, 25/8 in. (67mm), 175)

нет в наличии, поставок нет
41 0327720

Шланг, Elbow to Ниппель. 20" Transom Models (HOSE, Elbow to nipple. 20" Transom Models)

нет в наличии, поставок нет
42 0330151

Струбцина, Индикатор Шланг / leads (CLAMP, Indicator hose/leads)

нет в наличии, поставок нет
42 3852199

   (последний код) CLAMP,"J"

нет в наличии, поставок нет
43 0320521

Пыльник, Aspirator Шланг. 25" Transom Models Also Used on AE / AJ 175TL Models (GROMMET, Aspirator hose. 25" Transom Models Also Used on AE/AJ 175TL Models)

нет в наличии, поставок нет
44 0310441

Струбцина, Статор leads (CLAMP, Stator leads)

нет в наличии, поставок нет
44 0316385

   (последний код) CLAMP

нет в наличии, поставок нет
46 0306643

Винт, Сальник to Клапан (SCREW, Seal to valve)

нет в наличии, поставок нет
46 3852066

   (последний код) SCREW

нет в наличии, поставок нет
47 0321221

Сальник, Pressure release Клапан (SEAL, Pressure release valve)

нет в наличии, поставок нет
48 0321220

Фиксатор пружины Клапан (RETAINER, Spring valve)

нет в наличии, поставок нет
49 0321013

Крышка термостата (COVER, Thermostat)

нет в наличии, поставок нет
50 0306778

Винт (SCREW)

нет в наличии, поставок нет
51 0321184

Прокладка крышки термостата (GASKET, Thermostat cover)

нет в наличии, поставок нет
52 0393659

Термостат в сборе. (THERMOSTAT ASSY.)

нет в наличии, поставок нет
52 5005440

   (последний код) THERMOSTAT AY

нет в наличии, поставок нет
53 0310058

Пыльник, Термостат (GROMMET, Thermostat)

нет в наличии, поставок нет
54 0321222

Cвыше, Седло клапана (CUP, Valve seat)

нет в наличии, поставок нет
55 0320880

Седло, Клапан (SEAT, Valve)

нет в наличии, поставок нет
56 0321027

Клапан давления release (VALVE, Pressure release)

нет в наличии, поставок нет
57 0317245

Пружина давления release Клапан (SPRING, Pressure release valve)

нет в наличии, поставок нет
58 0308751

Винт, Sвышеport brkt. to bypass Крышка (SCREW, Support brkt. to bypass cover)

нет в наличии, поставок нет
58 0331025

   (последний код) SCREW

нет в наличии, поставок нет
59 0301250

LOCKШайба (LOCKWASHER)

нет в наличии, поставок нет
59 0911009

   (последний код) WASHER

нет в наличии, поставок нет
61 0313581

Бампер, Sвышеport brace (BUMPER, Support brace)

нет в наличии, поставок нет
62 0319218

SвышеPORT BRACE, Starboard (SUPPORT BRACE, Starboard)

нет в наличии, поставок нет
63 0319217

SвышеPORT BRACE, Port (SUPPORT BRACE, Port)

нет в наличии, поставок нет
64 0321886

ELBOW, Индикатор (ELBOW, Indicator)

нет в наличии, поставок нет
64 0321686

   (последний код) ELBOW

нет в наличии, поставок нет
65 0305284

Винт зажима (SCREW, Clamp)

нет в наличии, поставок нет
65 0908158

   (последний код) SCREW

нет в наличии, поставок нет
66 0307133

Прокладка, Bypass Крышка (GASKET, Bypass cover)

нет в наличии, поставок нет
67 0303398

Винт, Заземление (SCREW, Ground)

нет в наличии, поставок нет
67 0330119

   (последний код) SCREW

нет в наличии, поставок нет
68 0335224

Винт, Выхлопной патрубок, 1 1 / 4 дюйм (32 мм) 150 (SCREW, Exhaust manifold, 1 1/4 in. (32mm) 150)

нет в наличии, поставок нет
68 0454937

   (последний код) BOLT

нет в наличии, поставок нет
69 0326308

Кожух выхлопной трубы, Inner, 150 (EXHAUST COVER, Inner, 150)

нет в наличии, поставок нет
69 0320938

   (последний код) HH-COVER-INN

нет в наличии, поставок нет
70 0911118

Шланг, Elbow to tee. 25" Transom Models Also Used on AE / AJ 175TL Models (HOSE, Elbow to tee. 25" Transom Models Also Used on AE/AJ 175TL Models)

нет в наличии, поставок нет
71 0911120

Шланг, Tee to Пыльник. 25" Transom Models Also Used on AE / AJ 175TL Models (HOSE, Tee to grommet. 25" Transom Models Also Used on AE/AJ 175TL Models)

нет в наличии, поставок нет
71 0912022

   (последний код) HOSE

нет в наличии, поставок нет
72 0912749

Шланг, Tee to Крышка двигателя (капот). 25" Transom Models Also Used on AE / AJ 175TL Models (HOSE, Tee to engine cover. 25" Transom Models Also Used on AE/AJ 175TL Models)

нет в наличии, поставок нет
72 0911119

   (последний код) HOSE

нет в наличии, поставок нет
73 0318322

Крепёжный хомут Tee. 25" Transom Models Also Used on AE / AJ 175TL Models (TIE STRAP Tee. 25" Transom Models Also Used on AE/AJ 175TL Models)

нет в наличии, поставок нет
74 0911103

TEE, 30. 25" Transom Models Also Used on AE / AJ 175TL Models (TEE, 30. 25" Transom Models Also Used on AE/AJ 175TL Models)

нет в наличии, поставок нет
75 0391988

POWERHEAD Комплект прокладок, 150 (POWERHEAD GASKET SET, 150)

нет в наличии, поставок нет
75 0394885

POWERHEAD Комплект прокладок, 175 (POWERHEAD GASKET SET, 175)

нет в наличии, поставок нет
75 0434381

   (последний код) GASKET SET, PWHD

нет в наличии, поставок нет
76 0392001

Выхлоп FILLER BLOCK REPLACEMENT KIT, 175 only (EXHAUST FILLER BLOCK REPLACEMENT KIT, 175 only)

нет в наличии, поставок нет
77 0394621

LOW COMPRESSION CYL. HEAD KIT, 150 (LOW COMPRESSION CYL. HEAD KIT, 150)

нет в наличии, поставок нет
77 0389489

   (последний код) LOW-COMP-HEA

нет в наличии, поставок нет
evinrude

Время выполнения запроса 3.722629070282 сек.


 
 

данный сайт носит информационный характер и не является публичной офертой

склад запчастей для водомоторной техники