вконтакте

Контактный телефон: +7 (981) 121-46-93, +7 (800) 200-90-76 , Email: parts-katalog@yandex.ru, где купить

 
 

  Логин:

Пароль:

Регистрация

www.partskatalog.ru Все каталоги Запчасти Mercury Запчасти Suzuki Запчасти Tohatsu Запчасти Honda Контакты



УВАЖАЕМЫЕ КЛИЕНТЫ!
C 19 ДЕКАБРЯ 2025 ПО 02 МАРТА 2026 ГОДА ОТДЕЛ ЗАПЧАСТЕЙ И СЕРВИС РАБОТАТЬ НЕ БУДУТ
ПРОДАЖА ЛОДОЧНЫХ МОТОРОВ В ШТАТНОМ РЕЖИМЕ
ОБ ИЗМЕНЕНИЯХ В ГРАФИКЕ РАБОТЫ ЧИТАЙТЕ НА САЙТА



назад Раздел:   вперёд

Модификация Вашего двигателя:   Honda BF8B LGD
Модели с серийным номером двигателя от BACE-1200001 до BACE-9999999
Модели с серийным номером рамы от BAKL-1000001 до BAKL-1399999

Вернуться к выбору узлов мотора

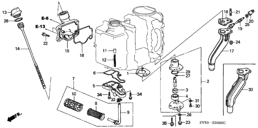
   Масляный насос / Выхлопная труба (bf6b / bx / d6,bf8ax / b / bx)
Oil Pump / Exhaust Pipe (bf6b / Bx / D6,bf8ax / B / Bx)      


ДЕТАЛИРОВКА ДЛЯ МОДЕЛИ: HONDA BF8B

Подвесной четырёхтактный двигатель BF8B - Масляный насос / Выхлопная труба (bf6b / bx / d6,bf8ax / b / bx)
Номер на
рисунке
АртикулНаименованиеКол-во
на складе
Цена
115112-881-000

Прокладка корпуса помпы (Packing, pump body)

под заказ230 руб. 
215200-881-003

Масляный насос, в сборе (Pump assy., oil)

под заказ20240 руб. 
315331-881-000

Ротор внутри масляного насоса (Rotor, oil pump inner)

под заказ2200 руб. 
415332-881-000

Наружный ротор масляного насоса (Rotor, oil pump outer)

под заказ2970 руб. 
515410-881-000

Фланец масляного фильтра (Flange comp., oil filter)

под заказ4360 руб. 
615412-881-000

Прокладка масляного фильтра (Packing, oil filter)

под заказ1030 руб. 
715420-881-010

Масляный фильтр, в сборе (Filter assy., oil)

под заказпо запросу 
815421-881-000

Фильтр comp., oil (Filter comp., oil)

под заказ3010 руб. 
915422-881-010

Масляная трубка (Tube, oil)

под заказпо запросу 
1015423-881-000

Крепление масляного фильтра (Holder, oil filter)

под заказпо запросу 
1115473-881-000

Контрольный клапан (Valve, check)

под заказ550 руб. 
1215474-881-000

Пружина контрольного клапана (Spring, check valve)

под заказ380 руб. 
1315611-921-000

Крышка заливной горловины масла (жёлтый) (Cap, oil (yellow))

под заказ1030 руб. 
1415612-921-000

Gauge, oil level (Gauge, oil level)

под заказ1840 руб. 
1515620-881-000

Корпус масляного фильтра (Body comp., oil filter)

под заказпо запросу 
1615622-881-000

Прокладка корпуса масляного фильтра (Packing, oil filler body)

под заказ900 руб. 
1718200-881-C41

Выхлопная труба (Pipe comp., ex)

под заказпо запросу 
1818211-881-850

Прокладка выхлопной трубы (Packing, ex. pipe)

под заказ760 руб. 
1918455-ZV5-680

Pipe, sampling probe (Pipe, sampling probe)

под заказпо запросу 
2018458-881-C40

Колпачок контрольного датчика (Cap, sampling probe)

под заказ4500 руб. 
2190009-881-741

Болт под шпильку, 6x22 (Bolt, stud, 6x22)

под заказпо запросу 
2290121-881-000

Фланцевый болт, 6x22 (Bolt, flange, 6x22)

под заказ250 руб. 
2390123-881-000

Фланцевый болт, 6x28 (Bolt, flange, 6x28)

под заказпо запросу 
2490202-ZV0-000

Гайка с колпачком, 6 мм (Nut, cap, 6mm)

под заказ630 руб. 
2590441-035-000

Шайба уплотнения, 14 мм (Washer, sealing, 14mm)

под заказ190 руб. 
2690478-700-000

Шайба a, 6 мм (Washer a, 6mm)

под заказ120 руб. 
2791301-027-000

Уплотнительное кольцо, 6.8x1.9 (O-ring, 6.8x1.9)

под заказ340 руб. 
2791306-PJ4-000

Уплотнительное кольцо (O-ring)

под заказ280 руб. 
2891301-805-000

Уплотнительное кольцо, 26x2.7 (O-ring, 26x2.7)

под заказ380 руб. 
2991315-935-003

Уплотнительное кольцо, 25x1.0 (O-ring, 25x1.0)

под заказпо запросу 
3093500-050-101-A

Винт (Screw)

под заказ90 руб. 
3093500-050-100-A

Винт (Screw)

под заказ90 руб. 
3194101-05000

Шайба (Washer)

под заказ90 руб. 
3295002-410-500-8

Струбцина (Clamp)

под заказ150 руб. 

Время выполнения запроса 6.6421430110931 сек.

 
 

данный сайт носит информационный характер и не является публичной офертой

склад запчастей для водомоторной техники