вконтакте

Контактный телефон: +7 (981) 121-46-93, +7 (800) 200-90-76 , Email: parts-katalog@yandex.ru, где купить

 
 

  Логин:

Пароль:

Регистрация

www.partskatalog.ru Все каталоги Запчасти Mercury Запчасти Suzuki Запчасти Tohatsu Запчасти Honda Контакты



УВАЖАЕМЫЕ КЛИЕНТЫ!
C 19 ДЕКАБРЯ 2025 ПО 02 МАРТА 2026 ГОДА ОТДЕЛ ЗАПЧАСТЕЙ И СЕРВИС РАБОТАТЬ НЕ БУДУТ
ПРОДАЖА ЛОДОЧНЫХ МОТОРОВ В ШТАТНОМ РЕЖИМЕ
ОБ ИЗМЕНЕНИЯХ В ГРАФИКЕ РАБОТЫ ЧИТАЙТЕ НА САЙТА




Вернуться к началу выбора


Год выпуска: 2004 год

Семейство или модельный ряд: Quest

Модификация квадроцикла: Quest XT, 2004

   Выберите раздел

найти расходники на квадроциклы BRP


Выберите раздел

01- Двигатель и Двигатель Sвышеport (01- Engine And Engine Support)

01- Двигатель и Двигатель Sвышеport (01- Engine And Engine Support)

01- Выхлопная система (01- Exhaust System)

01- Выхлопная система (01- Exhaust System)

01- Охлаждение System (01- Cooling System)

01- Охлаждение System (01- Cooling System)

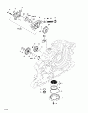
01- Картер двигателя (01- Crankcase)

01- Картер двигателя (01- Crankcase)

01- Смазка двигателя (01- Engine Lubrication)

01- Смазка двигателя (01- Engine Lubrication)

01- Охлаждение двигателя (01- Engine Cooling)

01- Охлаждение двигателя (01- Engine Cooling)

01- Головка блока цилиндра (01- Cylinder Head)

01- Головка блока цилиндра (01- Cylinder Head)

01- Коленвал и Цилиндр (01- Crankshaft And Cylinder)

01- Коленвал и Цилиндр (01- Crankshaft And Cylinder)

02- Топливный бак (02- Fuel Tank)

02- Топливный бак (02- Fuel Tank)

02- Air Впуск глушителя (02- Air Intake Silencer)

02- Air Впуск глушителя (02- Air Intake Silencer)

02- Карбюратор (02- Carburetor)

02- Карбюратор (02- Carburetor)

03- Магнето (03- Magneto)

03- Магнето (03- Magneto)

04- Электростартер (04- Electric Starter)

04- Электростартер (04- Electric Starter)

05- Шестерня Переключатель (05- Gear Shift)

05- Шестерня Переключатель (05- Gear Shift)

05- Belt и Двигатель Шкив (05- Belt And Engine Pulley)

05- Belt и Двигатель Шкив (05- Belt And Engine Pulley)

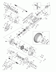
05- Drive System, Front (05- Drive System, Front)

05- Drive System, Front (05- Drive System, Front)

05- Drive System, Rear (05- Drive System, Rear)

05- Drive System, Rear (05- Drive System, Rear)

06- Hydraulic Front тормоз (06- Hydraulic Front Brake)

06- Hydraulic Front тормоз (06- Hydraulic Front Brake)

06- Hydraulic Rear тормоз (06- Hydraulic Rear Brake)

06- Hydraulic Rear тормоз (06- Hydraulic Rear Brake)

07- Рулевая система System (07- Steering System)

07- Рулевая система System (07- Steering System)

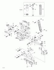
07- Передняя подвеска (07- Front Suspension)

07- Передняя подвеска (07- Front Suspension)

08- Задняя подвеска (08- Rear Suspension)

08- Задняя подвеска (08- Rear Suspension)

09- Седло (09- Seat)

09- Седло (09- Seat)

09- Front Tray (09- Front Tray)

09- Front Tray (09- Front Tray)

09- Рама и Luggage Racks (09- Frame And Luggage Racks)

09- Рама и Luggage Racks (09- Frame And Luggage Racks)

09- Корпус и Аксессуары, Front View (09- Body And Accessories, Front View)

09- Корпус и Аксессуары, Front View (09- Body And Accessories, Front View)

09- Корпус и Аксессуары, Rear View (09- Body And Accessories, Rear View)

09- Корпус и Аксессуары, Rear View (09- Body And Accessories, Rear View)

09- Рама и Корпус (09- Frame And Body)

09- Рама и Корпус (09- Frame And Body)

10- Battery и Электрика Аксессуары (10- Battery And Electrical Accessories)

10- Battery и Электрика Аксессуары (10- Battery And Electrical Accessories)

10- Электрика Аксессуары (10- Electrical Accessories)

10- Электрика Аксессуары (10- Electrical Accessories)

10- Электрика Аксессуары (quest Xt) (10- Electrical Accessories (quest Xt))

10- Электрика Аксессуары (quest Xt) (10- Electrical Accessories (quest Xt))

10- Main Жгут проводов (10- Main Harness)

10- Main Жгут проводов (10- Main Harness)

brp atv

Время выполнения запроса 5.6749110221863 сек.


 
 

данный сайт носит информационный характер и не является публичной офертой

склад запчастей для водомоторной техники