вконтакте

Контактный телефон: +7 (981) 121-46-93, +7 (800) 200-90-76 , Email: parts-katalog@yandex.ru, где купить

 
 

  Логин:

Пароль:

Регистрация

www.partskatalog.ru Все каталоги Запчасти Mercury Запчасти Suzuki Запчасти Tohatsu Запчасти Honda Контакты



УВАЖАЕМЫЕ КЛИЕНТЫ!
C 19 ДЕКАБРЯ 2025 ПО 02 МАРТА 2026 ГОДА ОТДЕЛ ЗАПЧАСТЕЙ И СЕРВИС РАБОТАТЬ НЕ БУДУТ
ПРОДАЖА ЛОДОЧНЫХ МОТОРОВ В ШТАТНОМ РЕЖИМЕ
ОБ ИЗМЕНЕНИЯХ В ГРАФИКЕ РАБОТЫ ЧИТАЙТЕ НА САЙТА




Выбрать другую модель

назад Раздел:   вперёд

вернуться к списку узлов и деталей

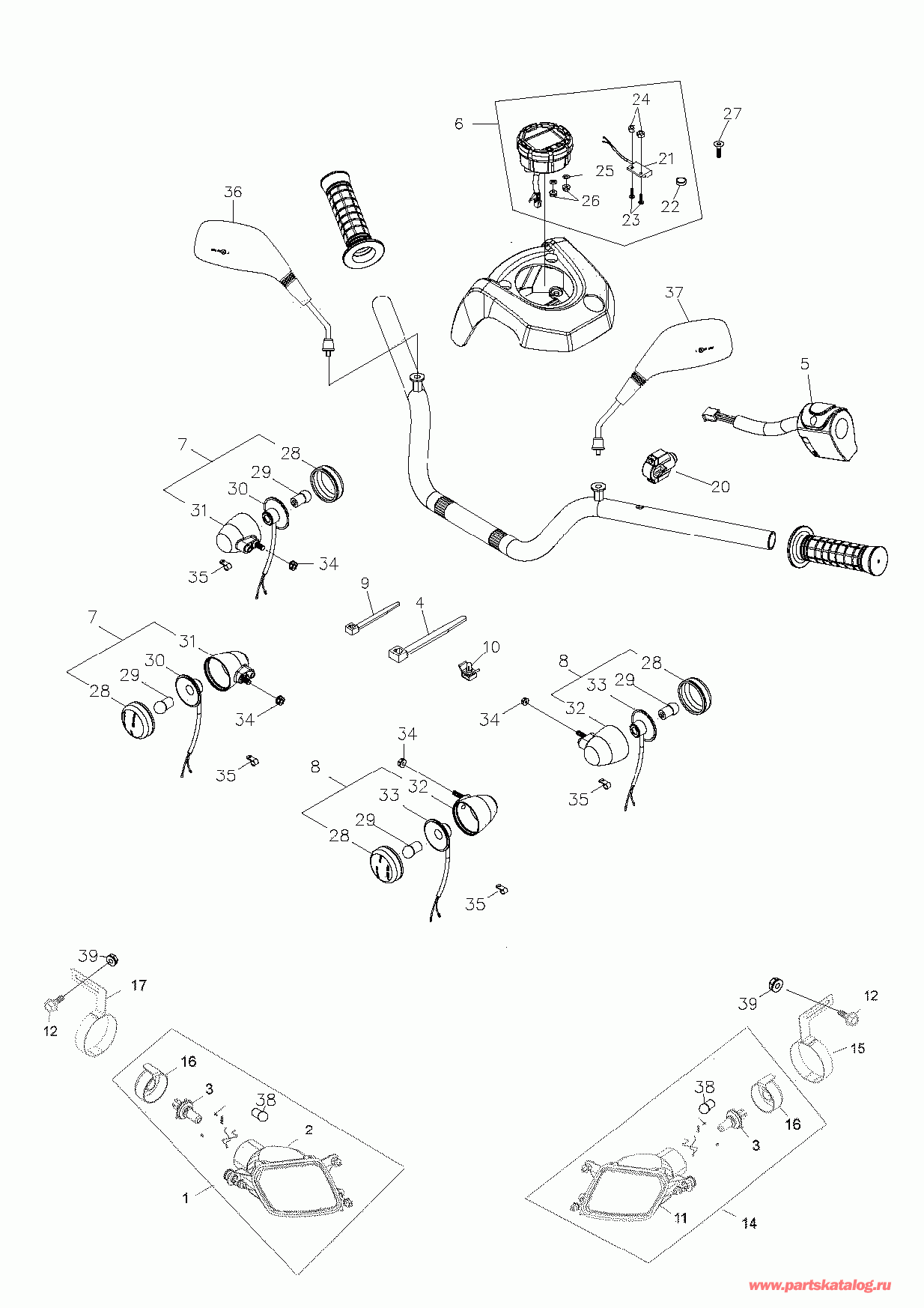
ДЕТАЛИРОВКА ДЛЯ МОДЕЛИ: BRP ATV Rally 175, 2007

Раздел: Электрика Аксессуары Европа | Electrical Accessories Europe


ATV - Electrical Accessories Europe

Номер на
рисунке
АртикулНаименованиеКол-во
на складе
Цена
1 A3310017900A

RH Front Light в сборе (RH Front Light Assy)

под заказ8050 руб.
2 XXX

RH Lamp Корпус (RH Lamp Housing)

3 A34901179000

Лампочка (Bulb)

под заказ2600 руб.
4 414115200

Tie-Rap 180 mm (Tie-Rap 180 mm)

под заказ130 руб.
4 414587300

(последний код) Tie-Rap 180 mm (Tie-Rap 180 mm)

под заказ110 руб.
5 A3520017900A

LH Переключатель (LH Switch)

под заказ11170 руб.
6 A37200179000

Спидометр (Speedometer)

под заказ33000 руб.
7 A3340015900A

RH Turn Signal Light (RH Turn Signal Light)

под заказ3560 руб.
8 A3345015900A

LH Turn Signal Light (LH Turn Signal Light)

под заказ3740 руб.
9 414115200

Tie-Rap 180 mm (Tie-Rap 180 mm)

под заказ130 руб.
9 414587300

(последний код) Tie-Rap 180 mm (Tie-Rap 180 mm)

под заказ110 руб.
10 293730018

Крепление Dart (Mount Dart)

под заказ120 руб.
10 293730040

(последний код) Крепление Dart (Mount Dart)

под заказ290 руб.
11 XXX

LH Lamp Корпус (LH Lamp Housing)

12 A901120601610

Фланецd Шестигранный винт M6 X 16 (Flanged Hex. Screw M6 X 16)

под заказ580 руб.
14 A3320017900A

LH Front Light в сборе (LH Front Light Assy)

под заказ8640 руб.
15 A33154179000

LH Head Light Кронштейн (LH Head Light Bracket)

под заказ2300 руб.
16 A33109179000

Lamp Rubber (Lamp Rubber)

под заказпо запросу
17 A33155179000

RH Head Light Кронштейн (RH Head Light Bracket)

под заказ2010 руб.
20 A35115179000

Переключатель (Switch)

под заказ2730 руб.
21 A37218169000

Датчик (Sensor)

под заказпо запросу
22 A37217169000

Magnet (Magnet)

под заказ850 руб.
23 A9350003010

Phillips Винт (Phillips Screw)

под заказ310 руб.
24 A9400103000

Гайка Hex. (Nut Hex.)

под заказ310 руб.
25 A941010615010

Шайба (Washer)

под заказ290 руб.
26 233261414

Hex Фланецd Elastic Гайка M6 (Hex Flanged Elastic Nut M6)

под заказ290 руб.
26 M33200

(последний код)

под заказпо запросу
27 A9370106015G

Phillips Винт M6 X 15 (Phillips Screw M6 X 15)

под заказ580 руб.
28 XXX

Signal Крышка (Signal Cover)

29 A3490511800A

Лампочка (Bulb)

под заказ1150 руб.
30 XXX

Socket Signal (Socket Signal)

31 XXX

RH Socket Signal (RH Socket Signal)

32 XXX

LH Socket Signal (LH Socket Signal)

33 XXX

Socket Signal (Socket Signal)

34 A9370106012G

Phillips Винт M6 X 12 (Phillips Screw M6 X 12)

под заказ580 руб.
35 A90667179000

Зажим (Clip)

под заказ150 руб.
36 A88120145000

RH Mirror (RH Mirror)

под заказ2150 руб.
37 A88110145000

LH Mirror (LH Mirror)

под заказ2150 руб.
38 A34909179000

Лампочка (Bulb)

под заказ1150 руб.
39 233261414

Hex Фланецd Elastic Гайка M6 (Hex Flanged Elastic Nut M6)

под заказ290 руб.
39 M33200

(последний код)

под заказпо запросу
brp atv

Время выполнения запроса 1.8423240184784 сек.


 
 

данный сайт носит информационный характер и не является публичной офертой

склад запчастей для водомоторной техники