вконтакте

Контактный телефон: +7 (981) 121-46-93, +7 (800) 200-90-76 , Email: parts-katalog@yandex.ru, где купить

 
 

  Логин:

Пароль:

Регистрация

www.partskatalog.ru Все каталоги Запчасти Mercury Запчасти Suzuki Запчасти Tohatsu Запчасти Honda Контакты



УВАЖАЕМЫЕ КЛИЕНТЫ!
C 31 ОКТЯБРЯ 2025 ПО 10 НОЯБРЯ 2025 ГОДА РАБОТАТЬ НЕ БУДЕМ




Все разделы каталога запчастей на этот двигатель

назад Раздел:   вперёд

вернуться к списку узлов и деталей

ДЕТАЛИРОВКА ДЛЯ МОДЕЛИ: EVINRUDE E300DPXAAB

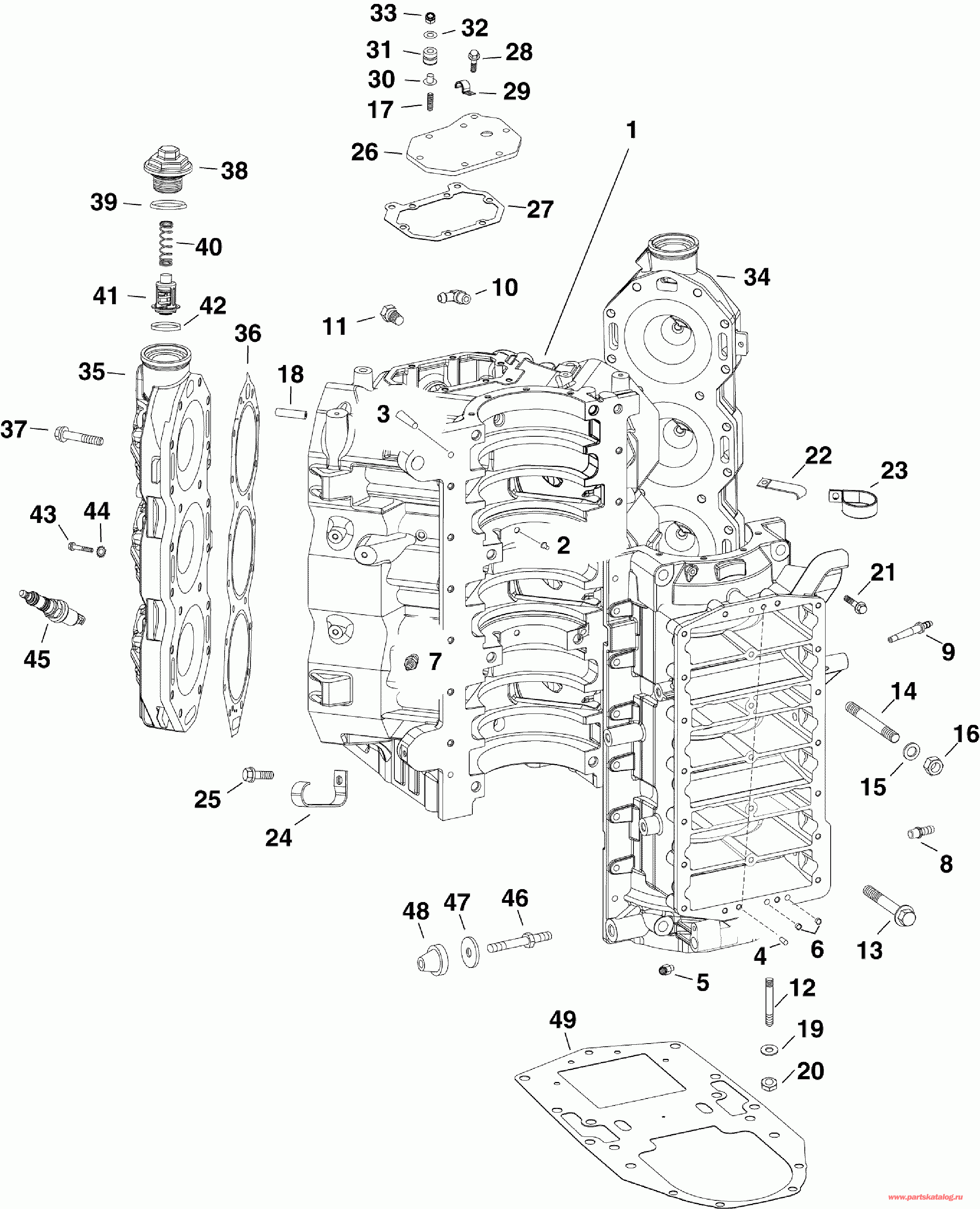
05-3 ЦИЛИНДР & КАРТЕР ДВИГАТЕЛЯ | 05-3 CYLINDER & CRANKCASE;


Лодочный подвесной мотор EVINRUDE E300DPXAAB  - cylinder & Crankcase - Цилиндр & Картер двигателя

Номер на
рисунке
АртикулНаименованиеКол-во
на складе
Цена
1 5007976

Цилиндр / Картер двигателя в сборе. 3.3 L – 200HP (CYLINDER / CRANKCASE Assembly. 3.3 L – 200HP)

нет в наличии, поставок нет
1 5007977

Цилиндр / Картер двигателя в сборе. 3.3 L – 225 & 250HP (CYLINDER / CRANKCASE Assembly. 3.3 L – 225 & 250HP)

нет в наличии, поставок нет
1 5008426

Цилиндр / Картер двигателя в сборе. 3.4 L (CYLINDER / CRANKCASE Assembly. 3.4 L)

нет в наличии, поставок нет
2 0304178

*Шпонка (PIN,DOWEL)

нет в наличии, поставок нет
3 0331095

*Штифт кривошипаcase конус (PIN, Crankcase Taper)

нет в наличии, поставок нет
4 0331880

*Штифт, Reed Пластина to Картер двигателя (PIN, Reed plate to crankcase)

нет в наличии, поставок нет
5 0319253

*FITTING, Lubrication - Переключатель сцепления (FITTING, Lubrication - shift linkage)

нет в наличии, поставок нет
5 0909517

   (последний код) LUBE-FITTING

нет в наличии, поставок нет
6 0435681

*Обратный клапан, нижний to верхний Главный подшипник drain (CHECK VALVE, Lower to upper main bearing drain)

нет в наличии, поставок нет
6 0435386

   (последний код) VALVE AY,CHECK

нет в наличии, поставок нет
7 5000477

*Обратный клапан, Transfer port drain. See "Cистема рециркуляции масла" (CHECK VALVE, Transfer port drain. See "Oil Recirculation System")

нет в наличии, поставок нет
NS 0321598

*Ниппель, верхний Подшипник oil. See "Cистема рециркуляции масла" (NIPPLE, Upper bearing oil. See "Oil Recirculation System")

нет в наличии, поставок нет
NS 0348471

*Ниппель, нижний Подшипник oil. See "Cистема рециркуляции масла" (NIPPLE, Lower bearing oil. See "Oil Recirculation System")

нет в наличии, поставок нет
NS 0437784

*Обратный клапан, Картер двигателя drain. See "Cистема рециркуляции масла" (CHECK VALVE, Crankcase drain. See "Oil Recirculation System")

нет в наличии, поставок нет
NS 0348478

*Обратный клапан, Recirculation Шланг. See "Cистема рециркуляции масла" (CHECK VALVE, Recirculation hose. See "Oil Recirculation System")

нет в наличии, поставок нет
NS 0313537

*FITTING, Tee - Recirculation Шланг. See "Cистема рециркуляции масла" (FITTING, Tee - Recirculation hose. See "Oil Recirculation System")

нет в наличии, поставок нет
NS 0353862

*Ниппель, Цилиндр # 2 Recirculation Шланг. See "Cистема рециркуляции масла" (NIPPLE, cylinder # 2 Recirculation hose. See "Oil Recirculation System")

нет в наличии, поставок нет
NS 0772569

*Шланг, Recirculation. 3 / 32 дюйм (2.38 мм) diaПрибор, Bulk Шланг – 25 фут (7.62 m) See "Recirculation Шлангs" (HOSE, Recirculation. 3/32 in. (2.38 mm) diameter, Bulk Hose – 25 ft. (7.62 m). See "Recirculation Hoses")

нет в наличии, поставок нет
NS 0351744

   (последний код) HOSE

нет в наличии, поставок нет
NS 0772571

*Шланг, Recirculation. 5 / 32 дюйм (3.96 мм) diaПрибор, Bulk Шланг – 25 фут (7.62 m) See "Recirculation Шлангs" (HOSE, Recirculation. 5/32 in. (3.96 mm) diameter, Bulk Hose – 25 ft. (7.62 m). See "Recirculation Hoses")

нет в наличии, поставок нет
NS 0348562

   (последний код) HOSE

нет в наличии, поставок нет
8 0345702

*Ниппель, Топливный насос pulse Шланг. 3.3 L Models (NIPPLE, Fuel pump pulse hose. 3.3 L Models)

нет в наличии, поставок нет
8 0345702

*Ниппель, Топливный насос pulse Шланг. 3.4 L Models (NIPPLE, Fuel pump pulse hose. 3.4 L Models)

нет в наличии, поставок нет
9 0344821

*Ниппель, Картер двигателя oil вход (NIPPLE, Crankcase oil inlet)

нет в наличии, поставок нет
NS 0346137

*Ниппель, Цилиндр oil вход (NIPPLE, cylinder oil inlet)

нет в наличии, поставок нет
10 0331894

*ELBOW, Adapter Трубка охлаждения. 3.3 L Models (ELBOW, Adapter cooling hose. 3.3 L Models)

нет в наличии, поставок нет
11 0332135

*Заглушка, Accessory water pressure port (PLUG, Accessory water pressure port)

нет в наличии, поставок нет
11 0340808

   (последний код) PLUG

нет в наличии, поставок нет
12 0314616

*Шпилька (STUD)

нет в наличии, поставок нет
12 0324811

   (последний код) STUD-CYL

нет в наличии, поставок нет
13 0914024

*Винт, Картер двигателя to block (SCREW, Crankcase to block)

нет в наличии, поставок нет
14 0348843

*Шпилька, Картер двигателя to block (STUD, Crankcase to block)

нет в наличии, поставок нет
15 0330265

*Шайба, Картер двигателя to block Шпилька (WASHER, Crankcase to block stud)

нет в наличии, поставок нет
16 0332291

*Гайка, Картер двигателя to block Шпилька (NUT, Crankcase to block stud)

нет в наличии, поставок нет
17 0344402

*Шпилька, Pressure Клапан Кронштейн (STUD, Pressure valve bracket)

нет в наличии, поставок нет
17 0343932

   (последний код) BOLT,DOUBLE ENDED

нет в наличии, поставок нет
18 0346237

*DAM, Картер двигателя Water (DAM, Crankcase Water)

нет в наличии, поставок нет
19 0301250

Шайба, Картер двигателя Крепление Шпилька (WASHER, Crankcase mount stud)

нет в наличии, поставок нет
19 0911009

   (последний код) WASHER

нет в наличии, поставок нет
20 0306422

Гайка, Картер двигателя Крепление (NUT, Crankcase mount)

нет в наличии, поставок нет
21 0324334

Винт, Картер двигателя to block (SCREW, Crankcase to block)

нет в наличии, поставок нет
21 0302820

   (последний код) SCREW

нет в наличии, поставок нет
22 0316487

Фиксатор, Жгут проводов (RETAINER, Harness)

нет в наличии, поставок нет
23 0512066

Струбцина масляного шлангаs to block (CLAMP, Oil hoses to block)

нет в наличии, поставок нет
24 0351745

Струбцина под жгут проводов to block (CLAMP, Harness to block)

нет в наличии, поставок нет
25 0335200

Винт зажима (SCREW, Clamp)

нет в наличии, поставок нет
25 3852212

   (последний код) SCREW

нет в наличии, поставок нет
26 0347318

Крышка, Water (COVER, Water)

нет в наличии, поставок нет
27 0344472

Прокладка, Water Крышка. Included in Powerhead Прокладка & Комплект сальников (GASKET, Water cover. Included in Powerhead Gasket & Seal Kit)

нет в наличии, поставок нет
27 0330412

   (последний код) GASKET

нет в наличии, поставок нет
28 0335687

Винт, Крышка (SCREW, Cover)

нет в наличии, поставок нет
28 3852213

   (последний код) SCREW

нет в наличии, поставок нет
29 0352767

Струбцина, Fuel return rail (CLAMP, Fuel return rail)

нет в наличии, поставок нет
30 0338558

Проставка ФланецD (SPACER FLANGED)

нет в наличии, поставок нет
31 0333040

ISOLATOR (ISOLATOR)

нет в наличии, поставок нет
32 0328703

Шайба (WASHER)

нет в наличии, поставок нет
32 3852184

   (последний код) WASHER

нет в наличии, поставок нет
33 0313022

Гайка, Шпилька (NUT, Stud)

нет в наличии, поставок нет
33 3852118

   (последний код) NUT,LOCK

нет в наличии, поставок нет
34 5007606

Головка цилиндра head - Port. 3.3 L – 200HP (HEAD, Cylinder head - Port. 3.3 L – 200HP)

нет в наличии, поставок нет
34 5007298

Головка цилиндра head - Port. 3.3 L – 225 & 250HP (HEAD, Cylinder head - Port. 3.3 L – 225 & 250HP)

нет в наличии, поставок нет
34 5007606

Головка цилиндра head - Port. 3.4 L (HEAD, Cylinder head - Port. 3.4 L)

нет в наличии, поставок нет
NS 0352881

*Штифт, Fuel deflector (PIN, Fuel deflector)

нет в наличии, поставок нет
35 5007607

Головка цилиндра head - Starboard. 3.3 L – 200HP (HEAD, Cylinder head - Starboard. 3.3 L – 200HP)

нет в наличии, поставок нет
35 5007299

Головка цилиндра head - Starboard. 3.3 L – 225 & 250HP (HEAD, Cylinder head - Starboard. 3.3 L – 225 & 250HP)

нет в наличии, поставок нет
35 5007607

Головка цилиндра head - Starboard. 3.4 L (HEAD, Cylinder head - Starboard. 3.4 L)

нет в наличии, поставок нет
NS 0352881

*Штифт, Fuel deflector (PIN, Fuel deflector)

нет в наличии, поставок нет
36 0346007

Прокладка головки блока цилиндра. Included in Powerhead Прокладка & Комплект сальников (GASKET, Cylinder head. Included in Powerhead Gasket & Seal Kit)

нет в наличии, поставок нет
37 0352913

Винт, Головка блока цилиндра (SCREW, Cylinder head)

нет в наличии, поставок нет
37 0345943

   (последний код) SCREW

нет в наличии, поставок нет
38 0344771

Крышка термостата (COVER, Thermostat)

нет в наличии, поставок нет
39 0301917

Уплотнительное кольцо крышки термостата. Included in Powerhead Прокладка & Комплект сальников (O-RING, Thermostat cover. Included in Powerhead Gasket & Seal Kit)

нет в наличии, поставок нет
40 0345171

Пружина, Термостат (SPRING, Thermostat)

нет в наличии, поставок нет
41 5005440

Термостат Assembly (THERMOSTAT Assembly)

нет в наличии, поставок нет
41 0437414

   (последний код) THERMOSTAT AY

нет в наличии, поставок нет
42 0339299

Сальник термостата to Головка блока цилиндра. Included in Powerhead Прокладка & Комплект сальников (SEAL, Thermostat to cylinder head. Included in Powerhead Gasket & Seal Kit)

нет в наличии, поставок нет
43 0335200

Винт, Провод заземления to Головка блока цилиндра (SCREW, Ground wire to cylinder head)

нет в наличии, поставок нет
43 3852212

   (последний код) SCREW

нет в наличии, поставок нет
44 0328701

Шайба, Провод заземления Винт (WASHER, Ground wire screw)

нет в наличии, поставок нет
44 3852182

   (последний код) WASHER,LOCK

нет в наличии, поставок нет
45 5007597

Свеча зажигания - QC8WEP (SPARK PLUG - QC8WEP)

нет в наличии, поставок нет
46 0329743

Шпилька, Крышка Крепление (STUD, Cover mount)

нет в наличии, поставок нет
47 0349557

Крепление, Крышка двигателя (капот) (MOUNT, Engine cover)

нет в наличии, поставок нет
47 0328584

   (последний код) MOUNT

нет в наличии, поставок нет
48 0349556

Шайба, Крепление (WASHER, Mount)

нет в наличии, поставок нет
49 0351535

Прокладка картера двигателя to adapter. 3.3 L Models. Included in Powerhead Прокладка & Комплект сальников (GASKET, Crankcase to adapter. 3.3 L Models. Included in Powerhead Gasket & Seal Kit)

нет в наличии, поставок нет
49 0347205

   (последний код) GASKET,PWHD-ADPTR

нет в наличии, поставок нет
49 0353224

Прокладка картера двигателя to adapter. 3.4 L Models. Included in Powerhead Прокладка & Комплект сальников (GASKET, Crankcase to adapter. 3.4 L Models. Included in Powerhead Gasket & Seal Kit)

нет в наличии, поставок нет
evinrude

Время выполнения запроса 1.8087339401245 сек.


 
 

данный сайт носит информационный характер и не является публичной офертой

склад запчастей для водомоторной техники