Номер на   рисунке | Артикул | Наименование | Кол-во   на складе | Цена | 
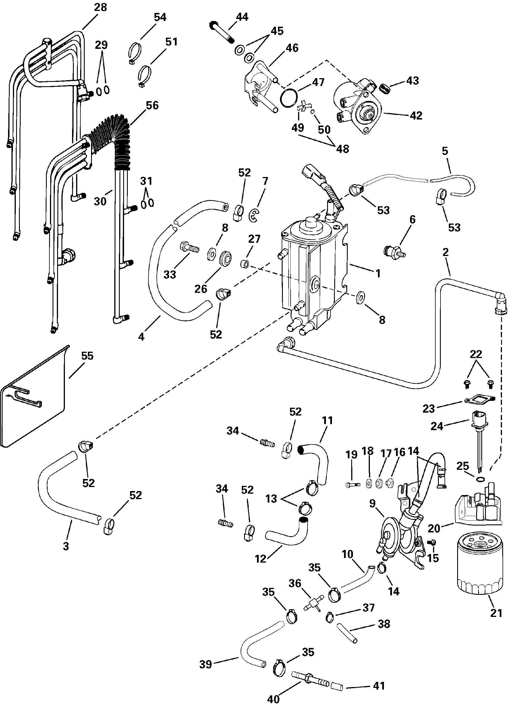
|  1  | 5004428 | Пароотделитель / Топливный насос (VAPOR SEPARATOR/FUEL PUMP)  | нет в наличии, поставок нет | 
|  1  | 5000800 |    (последний код) RSVR&PUMP AY,FUEL                                                                 | нет в наличии, поставок нет | 
|  2  | 5000202 | FUEL SвышеPLY Трубка в сборе, Фильтр to Пароотделитель (FUEL SUPPLY TUBE Assy, Filter to vapor separator)  | нет в наличии, поставок нет | 
|  3  | 0350135 | Водяной шланг, block to Пароотделитель (HOSE, Water, block to vapor separator)  | нет в наличии, поставок нет | 
|  4  | 0345109 | Водяной шланг, vapor sep to EMM (HOSE, Water, vapor sep to EMM)  | нет в наличии, поставок нет | 
|  5  | 0345529 | Шланг, Пароотделитель to Система впуска, Port (HOSE, Vapor separator to intake, Port)  | нет в наличии, поставок нет | 
|  6  | 0344848 | Шпилька, Пароотделитель to block (STUD, Vapor separator to block)  | нет в наличии, поставок нет | 
|  7  | 0510487 | Стопорное кольцо (RETAINING RING)  | нет в наличии, поставок нет | 
|  8  | 0328700 | Шайба, Пароотделитель Креплениеing (WASHER, Vapor separator mounting)  | нет в наличии, поставок нет | 
|  8  | 0331250 |    (последний код) WASHER                                                                            | нет в наличии, поставок нет | 
|  9  | 5004460 | FUEL, Lift Помпа в сборе (FUEL, Lift Pump Assy)  | нет в наличии, поставок нет | 
|  10  | 0 | *Топливный шланг tee to Помпа. (сокращёная длина from P / N 772565.) (HOSE, Fuel tee to pump. (Cut to length from P/N 772565.))  | нет в наличии, поставок нет | 
|  11  | 0336224 | *Шланг, pulse - верхний  case fitting (HOSE, pulse - upper case fitting)  | нет в наличии, поставок нет | 
|  12  | 0346337 | *Шланг, pulse - нижний  case fitting (HOSE, pulse - lower case fitting)  | нет в наличии, поставок нет | 
|  13  | 0346786 | *Струбцина, 15.7 мм (CLAMP, 15.7mm)  | нет в наличии, поставок нет | 
|  14  | 0348839 | *Струбцина, 17 мм (CLAMP, 17mm)  | нет в наличии, поставок нет | 
|  15  | 0124341 | Винт, Кронштейн to Помпа (SCREW, Bracket to pump)  | нет в наличии, поставок нет | 
|  15  | 0338305 |    (последний код) SCREW                                                                             | нет в наличии, поставок нет | 
|  16  | 0338558 | Проставка, Fuel Кронштейн. (Quantity of one is included in P / N 5004459 (#9) ) (SPACER, Fuel bracket. (Quantity of one is included in P/N 5004459 (#9).))  | нет в наличии, поставок нет | 
|  17  | 0333040 | ISOLATOR, Кронштейн Креплениеing. (Quantity of one is included in P / N 5004459 (#9) ) (ISOLATOR, Bracket mounting. (Quantity of one is included in P/N 5004459 (#9).))  | нет в наличии, поставок нет | 
|  18  | 0328703 | Шайба (WASHER)  | нет в наличии, поставок нет | 
|  18  | 3852184 |    (последний код) WASHER                                                                            | нет в наличии, поставок нет | 
|  19  | 0333710 | Винт, (SCREW,)  | нет в наличии, поставок нет | 
|  19  | 0332012 |    (последний код) SCREW                                                                             | нет в наличии, поставок нет | 
|  20  | 5001252 | Корпус в сборе (HOUSING Assy)  | нет в наличии, поставок нет | 
|  21  | 0502906 | *Топливный фильтр в сборе (FILTER Assy, FUEL)  | нет в наличии, поставок нет | 
|  21  | 5009676 |    (последний код) FILTER AY,FUEL                                                                    | нет в наличии, поставок нет | 
|  22  | 0336481 | *Винт (SCREW)  | нет в наличии, поставок нет | 
|  23  | 0344609 | *Фиксатор (RETAINER)  | нет в наличии, поставок нет | 
|  24  | 5001502 | **Датчик, Water (SENSOR, Water)  | нет в наличии, поставок нет | 
|  24  | 0439926 |    (последний код) SENSOR AY                                                                         | нет в наличии, поставок нет | 
|  25  | 3850819 | ***Уплотнительное кольцо, Water Датчик (O-RING, Water sensor)  | нет в наличии, поставок нет | 
|  25  | 0915352 |    (последний код) O-RING                                                                            | нет в наличии, поставок нет | 
|  26  | 0329518 | Пыльник пароотделителя Крепление (GROMMET, Vapor separator mount)  | нет в наличии, поставок нет | 
|  26  | 3852195 |    (последний код) GROMMET                                                                           | нет в наличии, поставок нет | 
|  27  | 0335328 | Проставка, Пароотделитель (SPACER, Vapor separator)  | нет в наличии, поставок нет | 
|  28  | 5000205 | FUEL Коллектор в сборе, Sвышеply (FUEL MANIFOLD Assy, Supply)  | нет в наличии, поставок нет | 
|  29  | 0344828 | *Уплотнительное кольцо (O-RING)  | нет в наличии, поставок нет | 
|  30  | 5005407 | FUEL Коллектор в сборе, Return. New P / N для 2003 (FUEL MANIFOLD Assy, Return. New P/N for 2003)  | нет в наличии, поставок нет | 
|  30  | 5000206 |    (последний код) MANIFOLD AY,FUEL                                                                  | нет в наличии, поставок нет | 
|  31  | 0343585 | *Уплотнительное кольцо (O-RING)  | нет в наличии, поставок нет | 
|  33  | 0333710 | Винт (SCREW)  | нет в наличии, поставок нет | 
|  33  | 0332012 |    (последний код) SCREW                                                                             | нет в наличии, поставок нет | 
|  34  | 0345702 | Ниппель, Pulse (NIPPLE, Pulse)  | нет в наличии, поставок нет | 
|  35  | 0346150 | Струбцина, 18.5 mm (CLAMP, 18.5 mm)  | нет в наличии, поставок нет | 
|  36  | 0345701 | TEE, Fuel (TEE, Fuel)  | нет в наличии, поставок нет | 
|  37  | 0348838 | Струбцина, 10.5 мм (CLAMP, 10.5mm)  | нет в наличии, поставок нет | 
|  38  | 0 | Масляный шланг to Обратный клапан. (сокращёная длина from P / N 327228.) (HOSE, Oil to check valve. (Cut to length from P/N 327228.))  | нет в наличии, поставок нет | 
|  39  | 0348790 | Шланг выпуска топлива to tee (HOSE, Fuel inlet to tee)  | нет в наличии, поставок нет | 
|  40  | 0348939 | Топливный коннектор line (CONNECTOR, Fuel line)  | нет в наличии, поставок нет | 
|  41  | 0331649 | Колпачок, Топливный шланг вход (CAP, Fuel hose inlet)  | нет в наличии, поставок нет | 
|  42  | 5005195 | Топливный инжектор. (Includes Ref # 47 & 48.) (FUEL INJECTOR. (Includes Ref # 47 & 48.))  | нет в наличии, поставок нет | 
|  42  | 5004451 |    (последний код) INJECTOR AY,FUEL                                                                  | нет в наличии, поставок нет | 
|  43  | 0346064 | *VIBRATION DAMPENER (VIBRATION DAMPENER)  | нет в наличии, поставок нет | 
|  44  | 0349870 | Винт, инжектор to head (SCREW, Injector to head)  | нет в наличии, поставок нет | 
|  44  | 0352699 |    (последний код) SCREW, INJ-ADPTR                                                                  | нет в наличии, поставок нет | 
|  45  | 0348224 | Шайба, инжектор (WASHER, Injector)  | нет в наличии, поставок нет | 
|  46  | 5001718 | Колпачок, Гильза & Уплотнительное кольцо (CAP, SLEEVE & O-RING)  | нет в наличии, поставок нет | 
|  47  | 0348107 | *Уплотнительное кольцо (O-RING)  | нет в наличии, поставок нет | 
|  48  | 5001911 | *Пружина, BUTTON & Уплотнительное кольцо в сборе (SPRING, BUTTON & O-RING Assy)  | нет в наличии, поставок нет | 
|  48  | 5001720 |    (последний код) SPRING & BUTTON AY                                                                | нет в наличии, поставок нет | 
|  49  | 5001901 | **Пружина & BUTTON (SPRING & BUTTON)  | нет в наличии, поставок нет | 
|  50  | 0348496 | **Уплотнительное кольцо, Пружина (O-RING, Spring)  | нет в наличии, поставок нет | 
|  50  | 0348104 |    (последний код) O-RING                                                                            | нет в наличии, поставок нет | 
|  51  | 0318322 | Крепёжный хомут, Коллекторs (TIE STRAP, Manifolds)  | нет в наличии, поставок нет | 
|  52  | 0320107 | Крепёжный хомут (TIE STRAP)  | нет в наличии, поставок нет | 
|  52  | 5035626 |    (последний код) BAND,REM CON                                                                      | нет в наличии, поставок нет | 
|  53  | 0317893 | Крепёжный хомут, Vent Шланг (TIE STRAP, Vent hose)  | нет в наличии, поставок нет | 
|  53  | 3852149 |    (последний код) TIE-STRAP                                                                         | нет в наличии, поставок нет | 
|  54  | 0907833 | Крепёжный хомут, Коллекторs (TIE STRAP, Manifolds)  | нет в наличии, поставок нет | 
|  54  | 3852423 |    (последний код) TIE STRAP /907833                                                                 | нет в наличии, поставок нет | 
|  55  | 0349512 | Крышка, Fuel Коллекторs (COVER, Fuel manifolds)  | нет в наличии, поставок нет | 
|  56  | 0 | Трубопровод, Corrugated. (сокращёная длина from P / N 348472.) (TUBING, Corrugated. (Cut to length from P/N 348472.))  | нет в наличии, поставок нет |