вконтакте

Контактный телефон: +7 (981) 121-46-93, +7 (800) 200-90-76 , Email: parts-katalog@yandex.ru, где купить

 
 

  Логин:

Пароль:

Регистрация

www.partskatalog.ru Все каталоги Запчасти Mercury Запчасти Suzuki Запчасти Tohatsu Запчасти Honda Контакты



УВАЖАЕМЫЕ КЛИЕНТЫ!
C 31 ОКТЯБРЯ 2025 ПО 10 НОЯБРЯ 2025 ГОДА РАБОТАТЬ НЕ БУДЕМ




Все разделы каталога запчастей на этот двигатель

назад Раздел:   вперёд

вернуться к списку узлов и деталей

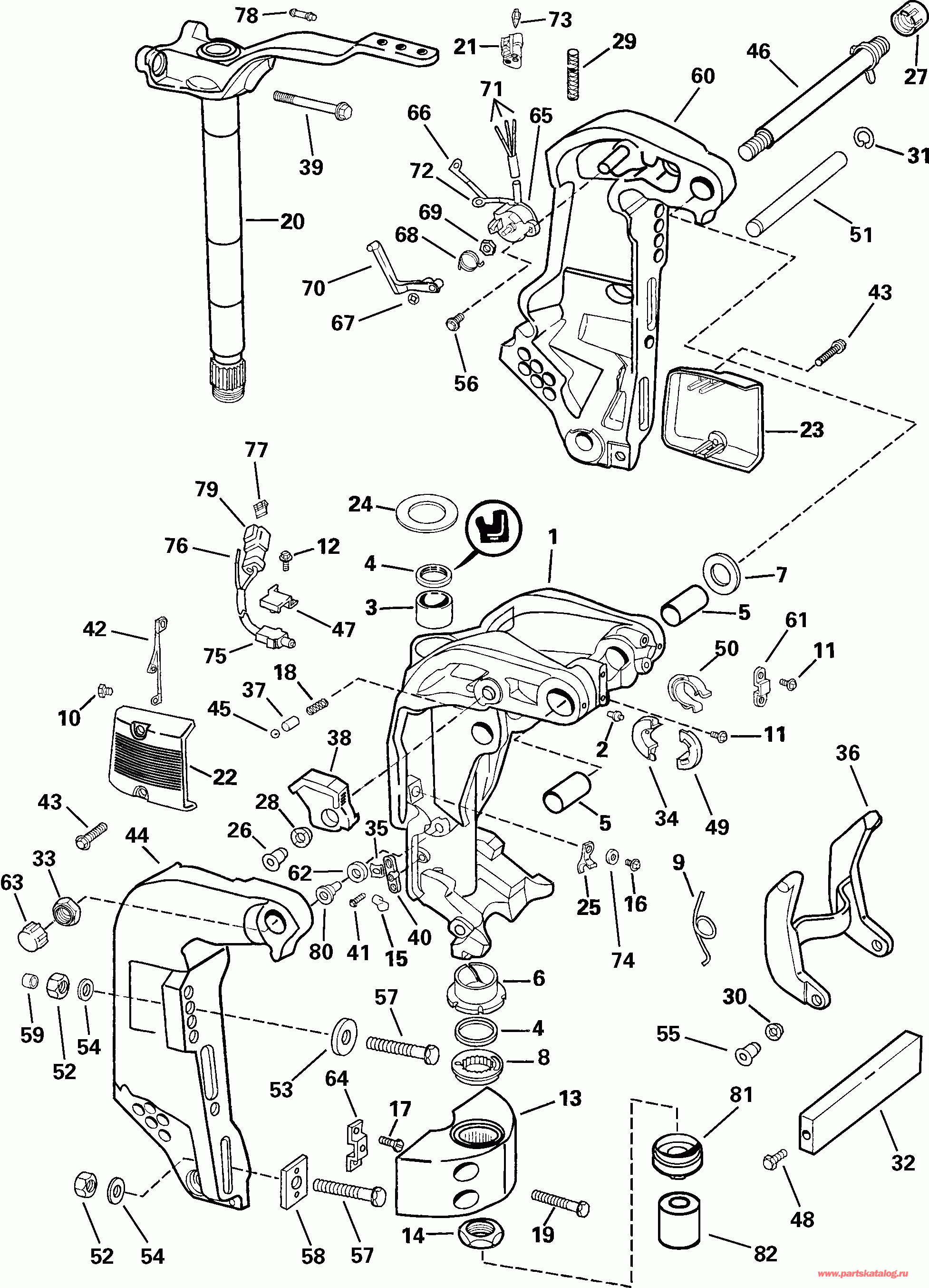
ДЕТАЛИРОВКА ДЛЯ МОДЕЛИ: EVINRUDE E90FPLSTB

MIDSECTION | MIDSECTION;


Лодочный подвесной мотор EVINRUDE E90FPLSTB  - dsection / dsection

Номер на
рисунке
АртикулНаименованиеКол-во
на складе
Цена
1 0434691

Поворотный кронштейн. (FPL, FSL Models.) (SWIVEL BRACKET. (FPL, FSL Models.))

нет в наличии, поставок нет
1 0435005

   (последний код) BRACKET AY,SWIVEL

нет в наличии, поставок нет
1 0434724

Поворотный кронштейн. (FPX Models.) (SWIVEL BRACKET. (FPX Models.))

нет в наличии, поставок нет
1 0435006

   (последний код) BRACKET AY,SWIVEL

нет в наличии, поставок нет
2 0313607

*LUBRICATION FITTING (LUBRICATION FITTING)

нет в наличии, поставок нет
2 3852121

   (последний код) FITTING,LUB

нет в наличии, поставок нет
3 0320962

*Втулка, верхний (BUSHING, Upper)

нет в наличии, поставок нет
4 0335686

*Сальник (SEAL)

нет в наличии, поставок нет
5 0337579

*Втулка, Tilt Трубка (BUSHING, Tilt tube)

нет в наличии, поставок нет
6 0336819

*Втулка, нижний Стержень Вал (BUSHING, Lower pivot shaft)

нет в наличии, поставок нет
6 0335468

   (последний код) BUSHING,PIVO

нет в наличии, поставок нет
7 0910992

*Шайба, Tilt Трубка (WASHER, Tilt tube)

нет в наличии, поставок нет
7 0327699

   (последний код) THRUST-WASHE

нет в наличии, поставок нет
8 0327696

KEEPER, Стержень Вал (KEEPER, Pivot shaft)

нет в наличии, поставок нет
9 0336210

Пружина, Trail lock to Кронштейн (SPRING, Trail lock to bracket)

нет в наличии, поставок нет
10 0328724

Винт, Заземление lead (SCREW, Ground lead)

нет в наличии, поставок нет
10 3852186

   (последний код) SCREW

нет в наличии, поставок нет
11 0328724

Винт (SCREW)

нет в наличии, поставок нет
11 3852186

   (последний код) SCREW

нет в наличии, поставок нет
12 0328724

Винт, Переключатель ограничителя налона (SCREW, Tilt limit switch)

нет в наличии, поставок нет
12 3852186

   (последний код) SCREW

нет в наличии, поставок нет
13 0340006

Монтажный кронштейн. (FPL, FSL Models.) (MOUNT BRACKET. (FPL, FSL Models.))

нет в наличии, поставок нет
13 0339305

   (последний код) BRACKET,MOUN

нет в наличии, поставок нет
13 0338744

Монтажный кронштейн. (FPX Models.) (MOUNT BRACKET. (FPX Models.))

нет в наличии, поставок нет
13 0339306

   (последний код) BRACKET,MOUNT

нет в наличии, поставок нет
14 0320746

Гайка, Монтажный кронштейн (NUT, Mount bracket)

нет в наличии, поставок нет
15 0335814

Фиксатор, Trail lock Пружина (RETAINER, Trail lock spring)

нет в наличии, поставок нет
15 0325525

   (последний код) RETAINER

нет в наличии, поставок нет
16 0342191

Винт, Фиксатор to Кронштейн (SCREW, Retainer to bracket)

нет в наличии, поставок нет
16 0336753

   (последний код) SCREW

нет в наличии, поставок нет
17 0319886

Винт (SCREW)

нет в наличии, поставок нет
18 0336230

Фиксатор пружины, tilt lock (SPRING, Detent, tilt lock)

нет в наличии, поставок нет
19 0334936

Винт, Крепление (SCREW, Mount)

нет в наличии, поставок нет
20 5001766

Рулевая система Рычаг в сборе. (FPL Models.) (STEERING ARM Assy. (FPL Models.))

нет в наличии, поставок нет
20 5001825

Рулевая система Рычаг в сборе. (FPX Models.) (STEERING ARM Assy. (FPX Models.))

нет в наличии, поставок нет
21 0514686

Коннектор, Sending unit, 3-Штифт (CONNECTOR, Sending unit, 3-pin)

нет в наличии, поставок нет
22 0335474

Крышка, Кронштейн транца, Stbd (COVER, Stern bracket, Stbd)

нет в наличии, поставок нет
23 0335475

Крышка, Кронштейн транца, Port (COVER, Stern bracket, Port)

нет в наличии, поставок нет
24 0320866

THRUST Опорная шайба Вал (THRUST WASHER, Pivot shaft)

нет в наличии, поставок нет
25 0336172

Фиксатор, Trail Рычаг (RETAINER, Trail arm)

нет в наличии, поставок нет
26 0335481

Винт, Рычаг наклона to Кронштейн (SCREW, Tilt lever to bracket)

нет в наличии, поставок нет
27 0337586

WIPER, Tilt Трубка (WIPER, Tilt tube)

нет в наличии, поставок нет
27 0983678

   (последний код) NUT & WIPER

нет в наличии, поставок нет
28 0335486

Втулка, Рычаг наклона (BUSHING, Tilt lever)

нет в наличии, поставок нет
29 0513817

Гильза, Lead (SLEEVE, Lead)

нет в наличии, поставок нет
30 0335701

Втулка, Trail Рычаг (BUSHING, Trail arm)

нет в наличии, поставок нет
31 0336529

Стопорное кольцо, Trim Тяга (RETAINING RING, Trim rod)

нет в наличии, поставок нет
32 0433580

Анод, Кронштейн транца (ANODE, Stern bracket)

нет в наличии, поставок нет
32 5007089

   (последний код) ANODE AY

нет в наличии, поставок нет
33 0335554

Гайка, Tilt Трубка (NUT, Tilt tube)

нет в наличии, поставок нет
34 0337592

Воротник, верхний , tilt limit (COLLAR, Upper, tilt limit)

нет в наличии, поставок нет
35 0336853

Зажим, Винт, Фиксатор (CLIP, Screw, retainer)

нет в наличии, поставок нет
36 0335470

Рычаг, Trail lock (ARM, Trail lock)

нет в наличии, поставок нет
36 0341252

   (последний код) ARM,TRAIL LOCK

нет в наличии, поставок нет
37 0334241

Направляющая, Шарик detent, tilt lock (GUIDE, Ball detent, tilt lock)

нет в наличии, поставок нет
38 0335485

Рычаг блокировки наклона (LEVER, Tilt lock)

нет в наличии, поставок нет
39 0348449

Винт, верхний Крепление (SCREW, Upper Mount)

нет в наличии, поставок нет
40 0336467

SвышеPORT (SUPPORT)

нет в наличии, поставок нет
41 0328724

Винт, Sвышеport (SCREW, Support)

нет в наличии, поставок нет
41 3852186

   (последний код) SCREW

нет в наличии, поставок нет
42 0584136

LEAD в сборе, Заземление (LEAD ASSY, Ground)

нет в наличии, поставок нет
43 0337580

Винт, Крышка to Кронштейн транца (SCREW, Cover to stern bracket)

нет в наличии, поставок нет
43 0336390

   (последний код) SCREW

нет в наличии, поставок нет
44 0336506

Кронштейн транца, Stbd (STERN BRACKET, Stbd)

нет в наличии, поставок нет
44 0351922

   (последний код) BRACKET,STERN-STBD

нет в наличии, поставок нет
45 0336209

Шарик, Detent, tilt lock (BALL, Detent, tilt lock)

нет в наличии, поставок нет
46 0435007

TILT Трубка в сборе (TILT TUBE Assy)

нет в наличии, поставок нет
46 0433592

   (последний код) TUBE-AY,TILT

нет в наличии, поставок нет
47 0336171

Кронштейн, Переключатель ограничителя налона (BRACKET, Tilt limit switch)

нет в наличии, поставок нет
48 0324816

Винт, Анод (SCREW, Anode)

нет в наличии, поставок нет
49 0337593

Воротник, нижний , Переключатель ограничителя налона (COLLAR, Lower, tilt limit switch)

нет в наличии, поставок нет
50 0337591

CAM, Переключатель ограничителя налона (CAM, Tilt limit switch)

нет в наличии, поставок нет
51 0336525

Тяга, Trim limiter (ROD, Trim limiter)

нет в наличии, поставок нет
52 0313623

Гайка, Кронштейн транца Винт (NUT, Stern bracket screw)

нет в наличии, поставок нет
52 0321861

   (последний код) NUT

нет в наличии, поставок нет
53 0307238

Шайба (WASHER)

нет в наличии, поставок нет
54 0320248

Шайба, Гайка (WASHER, Nut)

нет в наличии, поставок нет
54 0312910

   (последний код) WASHER

нет в наличии, поставок нет
55 0335487

Винт, Trail Рычаг to Кронштейн (SCREW, Trail arm to bracket)

нет в наличии, поставок нет
56 0328744

Винт, Sending unit (SCREW, Sending unit)

нет в наличии, поставок нет
56 0308741

   (последний код) SCREW

нет в наличии, поставок нет
57 0327053

Винт, Кронштейн to transom, 3 дюйм (76 мм) (SCREW, Bracket to transom, 3 in. (76mm))

нет в наличии, поставок нет
57 0318573

Винт, Кронштейн to transom 3 1 / 2 дюйм (89 мм) (SCREW, Bracket to transom 3 1/2 in. (89mm))

нет в наличии, поставок нет
57 3852153

   (последний код) BOLT

нет в наличии, поставок нет
57 0336676

Винт, Кронштейн to transom, 4 1 / 2 дюйм (114 мм) (SCREW, Bracket to transom, 4 1/2 in. (114mm))

нет в наличии, поставок нет
57 0336675

   (последний код) BOLT

нет в наличии, поставок нет
57 0331578

Винт, Кронштейн to transom, 5 дюйм (127 мм) (SCREW, Bracket to transom, 5 in. (127mm))

нет в наличии, поставок нет
57 0321577

Винт, Кронштейн to transom, 6 дюйм (152 мм) (SCREW, Bracket to transom, 6 in. (152mm))

нет в наличии, поставок нет
58 0318272

Пластина (PLATE)

нет в наличии, поставок нет
59 0318572

Колпачок (CAP)

нет в наличии, поставок нет
60 0336505

Кронштейн транца, Port (STERN BRACKET, Port)

нет в наличии, поставок нет
60 0351921

   (последний код) BRACKET,STERN-PORT

нет в наличии, поставок нет
61 0513787

Фиксатор, Limit Переключатель (RETAINER, Limit switch)

нет в наличии, поставок нет
62 0335949

THRUST Ролик (THRUST ROLLER)

нет в наличии, поставок нет
63 0317894

Колпачок, Tilt Трубка (CAP, Tilt tube)

нет в наличии, поставок нет
63 3852150

   (последний код) CAP

нет в наличии, поставок нет
64 0318273

Фиксатор (RETAINER)

нет в наличии, поставок нет
65 0586160

SENDING UNIT в сборе (SENDING UNIT Assy)

нет в наличии, поставок нет
66 0513871

*Клемма, Кольцо (TERMINAL, Ring)

нет в наличии, поставок нет
66 0513711

   (последний код) TERMINAL,RIN

нет в наличии, поставок нет
67 0511527

*Фиксатор (RETAINER)

нет в наличии, поставок нет
67 3852232

   (последний код) RETAINER

нет в наличии, поставок нет
68 0511528

*Пружина (SPRING)

нет в наличии, поставок нет
69 0320689

*Гайка (NUT)

нет в наличии, поставок нет
69 3852164

   (последний код) NUT

нет в наличии, поставок нет
70 0342386

*Рычаг (ARM)

нет в наличии, поставок нет
70 0335708

   (последний код) ARM,SENDING

нет в наличии, поставок нет
71 0514679

*Клемма, Штифт (TERMINAL, Pin)

нет в наличии, поставок нет
72 3854047

*Клемма, Кольцо (TERMINAL, Ring)

нет в наличии, поставок нет
72 0987008

   (последний код) GROUND-STRAP

нет в наличии, поставок нет
73 0514682

LOCK WEDGE, 3-Штифт (LOCK WEDGE, 3-pin)

нет в наличии, поставок нет
74 0328702

Шайба, Зажим (WASHER, Clip)

нет в наличии, поставок нет
74 3852183

   (последний код) WASHER

нет в наличии, поставок нет
75 0586156

Переключатель ограничителя наклона (SWITCH Assy, Tilt limit)

нет в наличии, поставок нет
76 0514679

*Клемма, Штифт (TERMINAL, Pin)

нет в наличии, поставок нет
77 0514697

LOCK WEDGE (LOCK WEDGE)

нет в наличии, поставок нет
78 0123692

Коннектор, Спидометр Шланг (CONNECTOR, Speedometer hose)

нет в наличии, поставок нет
79 0514696

Коннектор, 2-Штифт (CONNECTOR, 2-pin)

нет в наличии, поставок нет
80 0335487

Винт, Thrust Ролик, Поворотный кронштейн (SCREW, Thrust roller, swivel bracket)

нет в наличии, поставок нет
81 0912233

Фиксатор, Стержень Вал Сальник. (FPX Models.) (RETAINER, Pivot shaft seal. (FPX Models.))

нет в наличии, поставок нет
82 0911312

Сальник, Стержень Вал. (FPX Models.) (SEAL, Pivot shaft. (FPX Models.))

нет в наличии, поставок нет
evinrude

Время выполнения запроса 1.6604669094086 сек.


 
 

данный сайт носит информационный характер и не является публичной офертой

склад запчастей для водомоторной техники