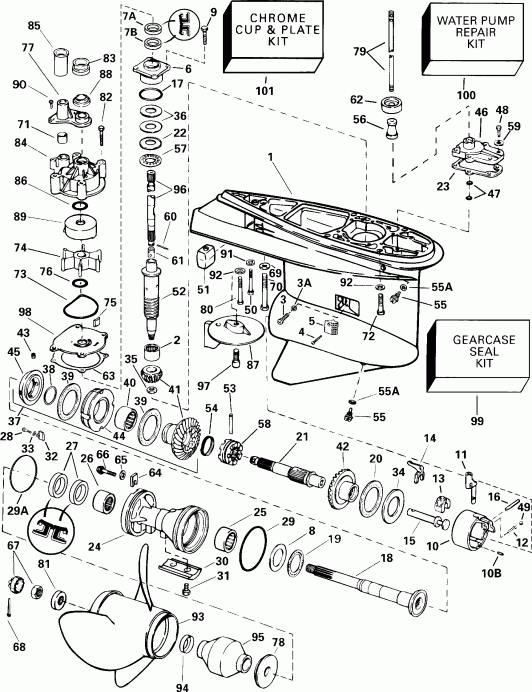
Номер на   рисунке | Артикул | Наименование | Кол-во   на складе | Цена | 
|   | 5001615 | Редуктор в сборе., комплект (GEARCASE ASSY., Complete)  | нет в наличии, поставок нет | 
|   | 5005631 |    (последний код) GCASE/CORO/WHT/OS                                                                 | нет в наличии, поставок нет | 
|  1  | 0439972 | *Редуктор в сборе с подшипником. (GEARCASE & BEARING ASSY.)  | нет в наличии, поставок нет | 
|  1  | 5007022 |    (последний код) GCASE & BRG AY,"O"                                                                | нет в наличии, поставок нет | 
|  2  | 0387817 | **Подшипник, Шестерня (BEARING, Pinion)  | нет в наличии, поставок нет | 
|  3  | 0324852 | **RETAINING Винт (RETAINING SCREW)  | нет в наличии, поставок нет | 
|  3A  | 0332584 | ***Сальник (SEAL)  | нет в наличии, поставок нет | 
|  4  | 0337061 | **Винт, Screen (SCREW, Screen)  | нет в наличии, поставок нет | 
|  5  | 0337778 | **SCREEN (SCREEN)  | нет в наличии, поставок нет | 
|  5  | 0339247 | *SCREEN, High volume - V. Опции (SCREEN, High volume - V. Optional)  | нет в наличии, поставок нет | 
|  6  | 0439476 | *Подшипник Корпус & Сальник (BEARING HOUSING & SEAL)  | нет в наличии, поставок нет | 
|  6  | 0438963 |    (последний код) HOUSING AY,BEARING                                                                | нет в наличии, поставок нет | 
|  7A  | 0329922 | **Сальник, верхний  - W. Contents of Комплект сальников редуктора (SEAL, Upper - W. Contents of Gearcase Seal Kit)  | нет в наличии, поставок нет | 
|  7B  | 0329923 | **Сальник, нижний  - W. Contents of Комплект сальников редуктора (SEAL, Lower - W. Contents of Gearcase Seal Kit)  | нет в наличии, поставок нет | 
|  8  | 0313447 | *Упорная шайба, дляward Шестерня (THRUST WASHER, Forward gear)  | нет в наличии, поставок нет | 
|  9  | 0317624 | *Винт, Корпус to Редуктор (SCREW, Housing to gearcase)  | нет в наличии, поставок нет | 
|  10  | 0431693 | *Корпус & Подшипник в сборе. (HOUSING & BEARING ASSY.)  | нет в наличии, поставок нет | 
|  10B  | 0331880 | **Штифт, Корпус (PIN, Housing)  | нет в наличии, поставок нет | 
|  11  | 0916189 | *DETENT, Переключательer (DETENT, Shifter)  | нет в наличии, поставок нет | 
|  11  | 0334142 |    (последний код) DETENT                                                                            | нет в наличии, поставок нет | 
|  12  | 0911962 | *Фиксатор пружины (SPRING, Detent)  | нет в наличии, поставок нет | 
|  12  | 0915955 |    (последний код) SPRING                                                                            | нет в наличии, поставок нет | 
|  13  | 0334163 | *CRADLE, Переключательer (CRADLE, Shifter)  | 5 шт | 1880 руб. | 
|  13  | 0322900 |    (последний код) CRADLE-SHIFT                                                                      | нет в наличии, поставок нет | 
|  14  | 0334160 | *ПереключательER (SHIFTER)  | нет в наличии, поставок нет | 
|  15  | 0334143 | *Переключающий валer (SHAFT, Shifter)  | нет в наличии, поставок нет | 
|  16  | 0319627 | *Штифт, Рычаг переключения (PIN, Shift lever)  | нет в наличии, поставок нет | 
|  16  | 0315750 |    (последний код) DOWEL PIN                                                                         | нет в наличии, поставок нет | 
|  17  | 0314728 | *Уплотнительное кольцо, DriveВал Подшипник - W. Contents of Комплект сальников редуктора (O-RING, Driveshaft bearing - W. Contents of Gearcase Seal Kit)  | нет в наличии, поставок нет | 
|  17  | 0354731 |    (последний код) O-RING                                                                            | 1 шт | 850 руб. | 
|  18  | 0435023 | *Вал гребного винта в сборе. (PROPELLER SHAFT ASSY.)  | нет в наличии, поставок нет | 
|  18  | 0435307 |    (последний код) SHAFT AY,PROP                                                                     | нет в наличии, поставок нет | 
|  19  | 0382408 | *THRUST Подшипник, дляward Шестерня (THRUST BEARING, Forward gear)  | нет в наличии, поставок нет | 
|  20  | 0389042 | *THRUST BRG. в сборе., Reverse Шестерня (THRUST BRG. ASSY., Reverse gear)  | нет в наличии, поставок нет | 
|  21  | 0438251 | *Сцепление Вал в сборе. (CLUTCH SHAFT ASSY.)  | нет в наличии, поставок нет | 
|  21  | 0432282 |    (последний код) CLUTCH-SHAFT                                                                      | нет в наличии, поставок нет | 
|  22  | 0327656 | *Упорная шайба шестерни Шестерня (THRUST WASHER, Pinion)  | нет в наличии, поставок нет | 
|  22  | 0314729 |    (последний код) THRUST-WASHE                                                                      | нет в наличии, поставок нет | 
|  23  | 0324670 | *Прокладка, Переключающая тяга Крышка - W. Contents of Комплект сальников редуктора (GASKET, Shift rod cover - W. Contents of Gearcase Seal Kit)  | нет в наличии, поставок нет | 
|  23  | 0352165 |    (последний код) GASKET                                                                            | 2 шт | 550 руб. | 
|  24  | 5000898 | *Подшипник Корпус Сальник в сборе. (BEARING HOUSING SEAL ASSY.)  | нет в наличии, поставок нет | 
|  24  | 5000362 |    (последний код) HSG AY,PROPSHAFT                                                                  | нет в наличии, поставок нет | 
|  25  | 0431926 | **Игольчатый подшипник в сборе. (NEEDLE BEARING ASSY.)  | нет в наличии, поставок нет | 
|  26  | 0436752 | **Игольчатый подшипник в сборе. (NEEDLE BEARING ASSY.)  | нет в наличии, поставок нет | 
|  27  | 0334950 | **Сальник - W. Contents of Комплект сальников редуктора (SEAL - W. Contents of Gearcase Seal Kit)  | нет в наличии, поставок нет | 
|  28  | 0916070 | **Винт, Wedge - T. Replacement Редуктор (SCREW, Wedge - T. Replacement Gearcase)  | нет в наличии, поставок нет | 
|  28  | 3853661 |    (последний код) SCREW                                                                             | нет в наличии, поставок нет | 
|  29  | 0305123 | **Уплотнительное кольцо, Подшипник Корпус - W. Contents of Комплект сальников редуктора (O-RING, Bearing Housing - W. Contents of Gearcase Seal Kit)  | нет в наличии, поставок нет | 
|  29  | 0321119 |    (последний код) O-RING,-DLR                                                                       | нет в наличии, поставок нет | 
|  29A  | 0305123 | **Уплотнительное кольцо, Подшипник Задний корпус - U. Original Редуктор Only (O-RING, Bearing Housing, Rear - U. Original Gearcase Only)  | нет в наличии, поставок нет | 
|  29A  | 0321119 |    (последний код) O-RING,-DLR                                                                       | нет в наличии, поставок нет | 
|  30  | 0431708 | **Анод, Подшипник Корпус (ANODE, Bearing housing)  | нет в наличии, поставок нет | 
|  30  | 0397111 |    (последний код) ANODE-AY                                                                          | нет в наличии, поставок нет | 
|  31  | 0908158 | **Винт, Анод (SCREW, Anode)  | нет в наличии, поставок нет | 
|  31  | 3852050 |    (последний код) SCREW                                                                             | нет в наличии, поставок нет | 
|  32  | 0349001 | **WEDGE - T. Replacement Редуктор (WEDGE - T. Replacement Gearcase)  | нет в наличии, поставок нет | 
|  32  | 0345999 |    (последний код) WEDGE                                                                             | нет в наличии, поставок нет | 
|  33  | 0345998 | **Шайба, Винт - T. Replacement Редуктор (WASHER, Screw - T. Replacement Gearcase)  | нет в наличии, поставок нет | 
|  34  | 0327669 | *THRUST Шайба шестерни заднего хода (THRUST WASHER, Reverse gear)  | нет в наличии, поставок нет | 
|  34  | 0324805 |    (последний код) THRUST-WASHE                                                                      | нет в наличии, поставок нет | 
|  35  | 0314730 | *Гайка, Шестерня to driveВал (100-110 фут lbs.) (NUT, Pinion to driveshaft (100-110 ft. lbs.))  | нет в наличии, поставок нет | 
|  36  | 0323362 | *Регулировочная шайба, 0.003 дюйм (0, 07 мм) (SHIM, 0.003 in. (0,07mm))  | нет в наличии, поставок нет | 
|  36  | 0323361 | *Регулировочная шайба, 0.004 дюйм (0, 10 мм) (SHIM, 0.004 in. (0,10mm))  | нет в наличии, поставок нет | 
|  36  | 0314745 | *Регулировочная шайба, 0.005 дюйм (0, 12 мм) (SHIM, 0.005 in. (0,12mm))  | нет в наличии, поставок нет | 
|  37  | 5004220 | *ШестерняSET в сборе. (GEARSET ASSY.)  | нет в наличии, поставок нет | 
|  38  | 0338717 | **Регулировочная шайба, 0.003 дюйм (0, 07 мм) (SHIM, 0.003 in. (0,07mm))  | нет в наличии, поставок нет | 
|  38  | 0338718 | **Регулировочная шайба, 0.004 дюйм (0, 10 мм) (SHIM, 0.004 in. (0,10mm))  | нет в наличии, поставок нет | 
|  38  | 0338719 | **Регулировочная шайба, 0.005 дюйм (0, 12 мм) (SHIM, 0.005 in. (0,12mm))  | нет в наличии, поставок нет | 
|  39  | 0385043 | **THRUST Подшипник в сборе. (THRUST BEARING ASSY.)  | нет в наличии, поставок нет | 
|  39  | 3852221 |    (последний код) BEARING-AY,T                                                                      | нет в наличии, поставок нет | 
|  40  | 0389039 | **Игольчатый подшипник в сборе. (NEEDLE BEARING ASSY.)  | нет в наличии, поставок нет | 
|  40  | 3852223 |    (последний код) BEARING-AY,N                                                                      | нет в наличии, поставок нет | 
|  41  | 5004219 | **ШестерняSET (GEARSET)  | нет в наличии, поставок нет | 
|  42  | 0431703 | ***REVERSE Шестерня & Подшипник (REVERSE GEAR & BEARING)  | нет в наличии, поставок нет | 
|  42  | 0334167 |    (последний код) GEAR-REVERSE                                                                      | нет в наличии, поставок нет | 
|  43  | 0338716 | **Установочный винт (SET SCREW)  | нет в наличии, поставок нет | 
|  44  | 0333885 | **Корпус подшипника (HOUSING, Bearing)  | нет в наличии, поставок нет | 
|  45  | 0337796 | **THRUST Фланец (THRUST FLANGE)  | нет в наличии, поставок нет | 
|  46  | 0435482 | *Крышка & Сальник в сборе. (COVER & SEAL ASSY.)  | нет в наличии, поставок нет | 
|  46  | 5006241 |    (последний код) COVER AY,SHIFT ROD                                                                | нет в наличии, поставок нет | 
|  47  | 0318372 | **Уплотнительное кольцо, Переключающая тяга - W. Contents of Комплект сальников редуктора (O-RING, Shift rod - W. Contents of Gearcase Seal Kit)  | нет в наличии, поставок нет | 
|  48  | 0302325 | *Винт, Крышка (SCREW, Cover)  | нет в наличии, поставок нет | 
|  49  | 0160084 | *Шарик, Detent (BALL, Detent)  | нет в наличии, поставок нет | 
|  49  | 3852023 |    (последний код) BALL                                                                              | нет в наличии, поставок нет | 
|  50  | 0328096 | *Винт, Анод (SCREW, Anode)  | нет в наличии, поставок нет | 
|  50  | 0327046 |    (последний код) SCREW                                                                             | нет в наличии, поставок нет | 
|  51  | 0436745 | *Анод (ANODE)  | нет в наличии, поставок нет | 
|  51  | 0393023 |    (последний код) ANODE&INSERT AY                                                                   | нет в наличии, поставок нет | 
|  52  | 0345905 | *DRIVEВал, нижний  в сборе. (DRIVESHAFT, Lower assy.)  | нет в наличии, поставок нет | 
|  52  | 0335677 |    (последний код) DRIVESHAFT,L                                                                      | нет в наличии, поставок нет | 
|  53  | 0313448 | *Штифт сцепления dog (PIN, Clutch dog)  | нет в наличии, поставок нет | 
|  54  | 0324369 | *Пружина, Сцепление dog Штифт (SPRING, Clutch dog pin)  | нет в наличии, поставок нет | 
|  54  | 0313454 |    (последний код) SPRING                                                                            | нет в наличии, поставок нет | 
|  55  | 0318544 | *Заглушка, Fill & drain (PLUG, Fill & drain)  | нет в наличии, поставок нет | 
|  55  | 0912624 |    (последний код) SCREW                                                                             | нет в наличии, поставок нет | 
|  55A  | 0311598 | *Шайба - W. Contents of Комплект сальников редуктора (WASHER - W. Contents of Gearcase Seal Kit)  | нет в наличии, поставок нет | 
|  55A  | 3852105 |    (последний код) WASHER                                                                            | нет в наличии, поставок нет | 
|  56  | 0321122 | *Проставка, Переключающая тяга (SPACER, Shift rod)  | нет в наличии, поставок нет | 
|  57  | 0387656 | *THRUST Подшипник, Шестерня (THRUST BEARING, Pinion)  | нет в наличии, поставок нет | 
|  57  | 0383248 |    (последний код) BEARING                                                                           | нет в наличии, поставок нет | 
|  58  | 0337774 | *Переключатель собачки сцепления (SHIFTER, Clutch dog)  | нет в наличии, поставок нет | 
|  58  | 0910995 |    (последний код) SHIFTER                                                                           | нет в наличии, поставок нет | 
|  59  | 0328702 | *Шайба (WASHER)  | нет в наличии, поставок нет | 
|  59  | 3852183 |    (последний код) WASHER                                                                            | нет в наличии, поставок нет | 
|  60  | 0311538 | *Штифт, DriveВал (PIN, Driveshaft)  | нет в наличии, поставок нет | 
|  61  | 0338504 | *Фиксатор приводного вала (RETAINER, Driveshaft)  | нет в наличии, поставок нет | 
|  62  | 0321008 | *Пыльник, Exh. hsg. to shft Тяга - Z. Contents of Ремкомплект водяного насоса (GROMMET, Exh. hsg. to shft rod - Z. Contents of Water Pump Repair Kit)  | нет в наличии, поставок нет | 
|  63  | 0338484 | *Прокладка крыльчатки hsg. Пластина - W, Z. Contents of Комплект сальников редуктора, Contents of Ремкомплект водяного насоса (GASKET, Impeller hsg. Plate - W,Z. Contents of Gearcase Seal Kit, Contents of Water Pump Repair Kit)  | нет в наличии, поставок нет | 
|  63  | 0324701 |    (последний код) GASKET,-DRL5                                                                      | нет в наличии, поставок нет | 
|  64  | 0333957 | *TAB, Подшипник Корпус (TAB, BEARING HOUSING)  | нет в наличии, поставок нет | 
|  65  | 0328473 | *Шайба (WASHER)  | нет в наличии, поставок нет | 
|  66  | 0341541 | *Винт, Фиксатор tab (24-26 футlbs.) (SCREW, Retainer tab (24-26 ft.lbs.))  | нет в наличии, поставок нет | 
|  67  | 0398042 | Гайка & KEEPER, Гребной винт (NUT & KEEPER, Propeller)  | нет в наличии, поставок нет | 
|  67  | 3850984 |    (последний код) NUT&KEEPER AY,PROP                                                                | нет в наличии, поставок нет | 
|  68  | 0306394 | Шплинт, Гайка гребного винта (COTTER PIN, Propeller nut)  | нет в наличии, поставок нет | 
|  68  | 3852056 |    (последний код) PIN,COTTER                                                                        | нет в наличии, поставок нет | 
|  69  | 0330265 | Шайба, Винт, long (WASHER, Screw, long)  | нет в наличии, поставок нет | 
|  70  | 0331998 | Винт, Редуктор to Корпус - Z. Contents of Ремкомплект водяного насоса (SCREW, Gearcase to housing - Z. Contents of Water Pump Repair Kit)  | нет в наличии, поставок нет | 
|  70  | 0914535 |    (последний код) SCREW                                                                             | нет в наличии, поставок нет | 
|  71  | 0314008 | Пыльник водяной трубки - Z. Contents of Ремкомплект водяного насоса (GROMMET, Water tube - Z. Contents of Water Pump Repair Kit)  | нет в наличии, поставок нет | 
|  72  | 0331999 | Винт, Редуктор to Корпус (SCREW, Gearcase to housing)  | нет в наличии, поставок нет | 
|  72  | 0910457 |    (последний код) SCREW                                                                             | нет в наличии, поставок нет | 
|  73  | 0331353 | Сальник, Крыльчатка Корпус Пластина - Z. Contents of Ремкомплект водяного насоса (SEAL, Impeller housing plate - Z. Contents of Water Pump Repair Kit)  | 1 шт | 790 руб. | 
|  74  | 5001593 | Крыльчатка в сборе. - Z. Contents of Ремкомплект водяного насоса (IMPELLER ASSY. - Z. Contents of Water Pump Repair Kit)  | нет в наличии, поставок нет | 
|  74  | 0435821 |    (последний код) KIT AY,IMPELLER                                                                   | нет в наличии, поставок нет | 
|  75  | 0331107 | *CAM, Крыльчатка - Z. Contents of Ремкомплект водяного насоса (CAM, Impeller - Z. Contents of Water Pump Repair Kit)  | нет в наличии, поставок нет | 
|  76  | 0302035 | *Уплотнительное кольцо - Z. Contents of Ремкомплект водяного насоса (O-RING - Z. Contents of Water Pump Repair Kit)  | нет в наличии, поставок нет | 
|  77  | 0338893 | Колпак крыльчатки Корпус - Z. Contents of Ремкомплект водяного насоса (COVER, Impeller housing - Z. Contents of Water Pump Repair Kit)  | нет в наличии, поставок нет | 
|  77  | 0321159 |    (последний код) COVER-IMP-HS                                                                      | нет в наличии, поставок нет | 
|  78  | 0126402 | Упорная втулка (THRUST BUSHING)  | нет в наличии, поставок нет | 
|  78  | 0126870 |    (последний код) BUSHING,THRUST                                                                    | нет в наличии, поставок нет | 
|  79  | 0342995 | Переключающая тяга (SHIFT ROD)  | нет в наличии, поставок нет | 
|  80  | 0330263 | Винт, Редуктор, rear (SCREW, Gearcase, rear)  | нет в наличии, поставок нет | 
|  80  | 0914534 |    (последний код) SCREW                                                                             | нет в наличии, поставок нет | 
|  81  | 0320570 | Проставка гайки гребного винта (SPACER, Propeller nut)  | нет в наличии, поставок нет | 
|  81  | 3852163 |    (последний код) SPACER,PROP                                                                       | нет в наличии, поставок нет | 
|  82  | 0302325 | Винт, Крыльчатка Корпус, 1 дюйм - Z. Contents of Ремкомплект водяного насоса (SCREW, Impeller housing, 1 in. - Z. Contents of Water Pump Repair Kit)  | нет в наличии, поставок нет | 
|  83  | 0338601 | Пыльник, Водяной насос - Z. Contents of Ремкомплект водяного насоса (GROMMET, Water pump - Z. Contents of Water Pump Repair Kit)  | 1 шт | 520 руб. | 
|  84  | 0435959 | Крыльчатка Корпус, Редуктор - Z. Contents of Ремкомплект водяного насоса (IMPELLER HOUSING, Gearcase - Z. Contents of Water Pump Repair Kit)  | нет в наличии, поставок нет | 
|  85  | 0338636 | Гильза - Z. Contents of Ремкомплект водяного насоса (SLEEVE - Z. Contents of Water Pump Repair Kit)  | нет в наличии, поставок нет | 
|  86  | 0331188 | Уплотнительное кольцо, Крыльчатка - Z. Contents of Ремкомплект водяного насоса (O-RING, Impeller - Z. Contents of Water Pump Repair Kit)  | 5 шт | 370 руб. | 
|  87  | 0338743 | Пластина трима, Редуктор (TRIM TAB, Gearcase)  | 1 шт | 7970 руб. | 
|  87  | 0333961 |    (последний код) TAB-TRIM                                                                          | 1 шт | 6110 руб. | 
|  88  | 0320943 | Пыльник, Крыльчатка Корпус - Z. Contents of Ремкомплект водяного насоса (GROMMET, Impeller housing - Z. Contents of Water Pump Repair Kit)  | 1 шт | 300 руб. | 
|  89  | 0338486 | Cвыше, Крыльчатка - Y, Z. Stainless Steel, Contents of Ремкомплект водяного насоса (CUP, Impeller - Y,Z. Stainless Steel, Contents of Water Pump Repair Kit)  | нет в наличии, поставок нет | 
|  89  | 0338551 | Cвыше, Крыльчатка Корпус - X. хромированная пластина (CUP, Impeller housing - X. Chrome Plated)  | нет в наличии, поставок нет | 
|  90  | 0306643 | Винт, Крышка to Крыльчатка - Z. Contents of Ремкомплект водяного насоса (SCREW, Cover to impeller - Z. Contents of Water Pump Repair Kit)  | нет в наличии, поставок нет | 
|  90  | 3852066 |    (последний код) SCREW                                                                             | нет в наличии, поставок нет | 
|  91  | 0328701 | LOCKШайба, Анод (LOCKWASHER, Anode)  | нет в наличии, поставок нет | 
|  91  | 3852182 |    (последний код) WASHER,LOCK                                                                       | нет в наличии, поставок нет | 
|  92  | 0330266 | Шайба (WASHER)  | нет в наличии, поставок нет | 
|  92  | 3852200 |    (последний код) WASHER                                                                            | нет в наличии, поставок нет | 
|  93  | 0 | Гребной винт (PROPELLER)  | нет в наличии, поставок нет | 
|  94  | 0313926 | *Гильза, Втулка (SLEEVE, Bushing)  | нет в наличии, поставок нет | 
|  94  | 3850831 |    (последний код) SLEEVE-PROP                                                                       | нет в наличии, поставок нет | 
|  95  | 0175401 | *Втулка, S.S. Гребной винт (BUSHING, S.S. propeller)  | нет в наличии, поставок нет | 
|  95  | 0387157 | *Втулка, Alum. Гребной винт (BUSHING, Alum. propeller)  | нет в наличии, поставок нет | 
|  96  | 5000624 | Приводной вал., верхний  (Includes #60 & 61) (DRIVESHAFT ASSY., Upper (Includes #60 & 61))  | нет в наличии, поставок нет | 
|  96  | 0436235 |    (последний код) UPPER D/S AY - 25"                                                                | нет в наличии, поставок нет | 
|  97  | 0313715 | Винт, Пластина трима (SCREW, Trim tab)  | нет в наличии, поставок нет | 
|  98  | 0338485 | Пластина корпуса крыльчатки - Y, Z. Stainless Steel, Contents of Ремкомплект водяного насоса (PLATE, Impeller housing - Y,Z. Stainless Steel, Contents of Water Pump Repair Kit)  | нет в наличии, поставок нет | 
|  98  | 0338552 | Пластина корпуса крыльчатки - X. хромированная пластина (PLATE, Impeller housing - X. Chrome Plated)  | нет в наличии, поставок нет | 
|  99  | 5000411 | Комплект сальников редуктора (GEARCASE SEAL KIT)  | нет в наличии, поставок нет | 
|  99  | 5006373 |    (последний код) KIT AY,SEAL-GC                                                                    | нет в наличии, поставок нет | 
|  100  | 5001595 | Ремкомплект водяного насоса (Includes Крыльчатка Корпус) (WATER PUMP REPAIR KIT (Includes impeller housing))  | нет в наличии, поставок нет | 
|  100  | 0435929 |    (последний код) KIT AY,WATER PUMP                                                                 | нет в наличии, поставок нет | 
|  101  | 0435526 | CHROME Cвыше & Пластина KIT (CHROME CUP & PLATE KIT)  | нет в наличии, поставок нет | 
|  101  | 0395059 |    (последний код) CHROME PUMP KIT                                                                   | нет в наличии, поставок нет |