вконтакте

Контактный телефон: +7 (981) 121-46-93, +7 (800) 200-90-76 , Email: parts-katalog@yandex.ru, где купить

 
 

  Логин:

Пароль:

Регистрация

www.partskatalog.ru Все каталоги Запчасти Mercury Запчасти Suzuki Запчасти Tohatsu Запчасти Honda Контакты


Все разделы каталога запчастей на этот двигатель

назад Раздел:   вперёд

вернуться к списку узлов и деталей

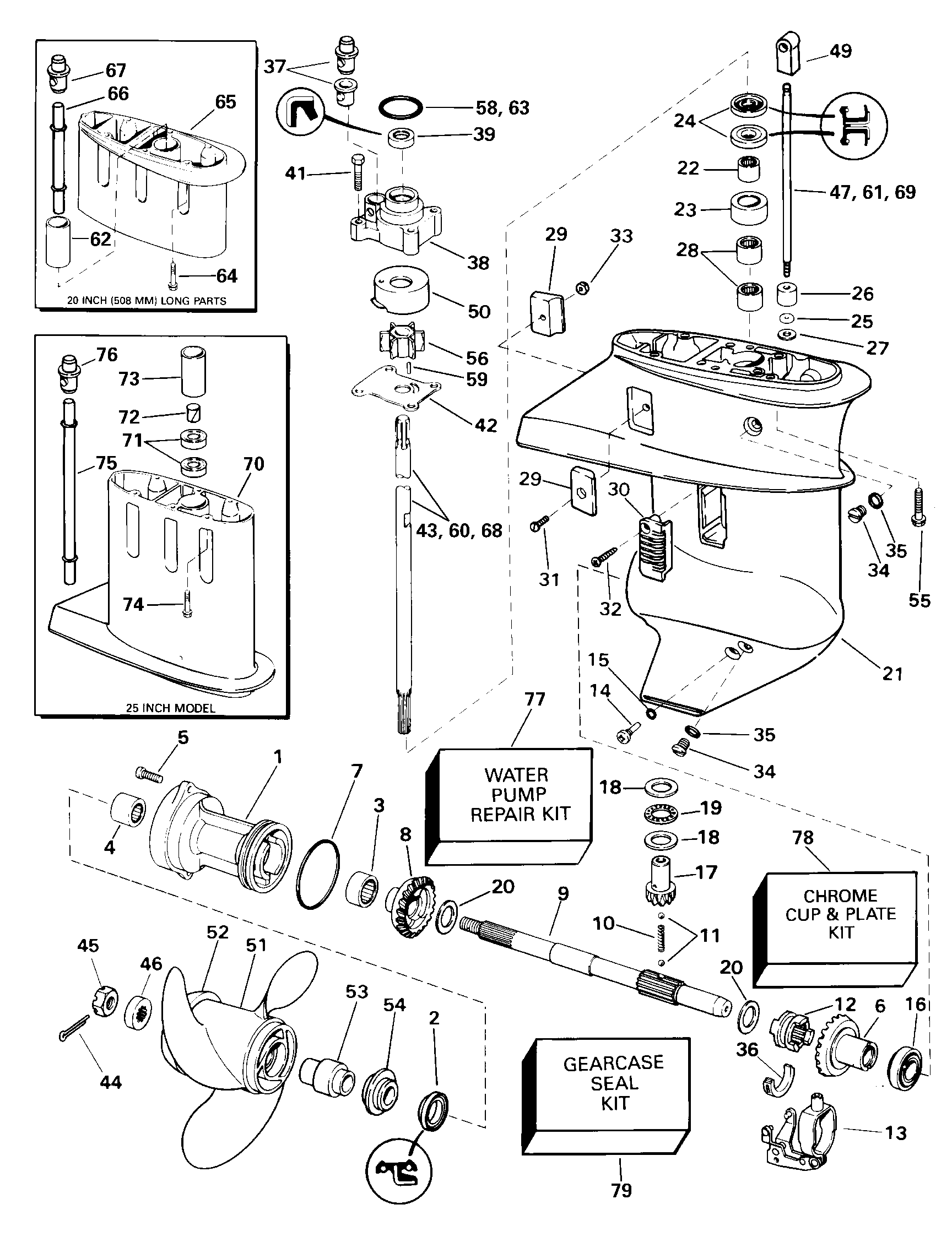
ДЕТАЛИРОВКА ДЛЯ МОДЕЛИ: EVINRUDE E10TVX4SSS 4-Stroke, Elec. Start, Tiller

РЕДУКТОР | GEARCASE;


Подвесной мотор Эвинруд E10TVX4SSS 4-Stroke, Elec. Start, Tiller  - arcase / arcase

Номер на
рисунке
АртикулНаименованиеКол-во
на складе
Цена
0438617

Редуктор в сборе., (Less driveВал и Помпа) (GEARCASE ASSY., (Less driveshaft and pump))

нет в наличии, поставок нет
0435712

   (последний код) GEARCASE-AY

нет в наличии, поставок нет
1 0437774

*Подшипник Корпус подшипника & Сальник assembly (BEARING HOUSING, Bearing & seal assembly)

нет в наличии, поставок нет
1 0433403

   (последний код) HOUSING-AY,P

нет в наличии, поставок нет
2 0342247

**Сальник, Brg. hsg. to prop. Вал (SEAL, Brg. hsg. to prop. shaft)

нет в наличии, поставок нет
3 0386125

**Подшипник, Reverse Шестерня (BEARING, Reverse gear)

нет в наличии, поставок нет
4 0386231

**Подшипник (BEARING)

нет в наличии, поставок нет
5 0333706

**Винт, Подшипник Корпус to Редуктор (SCREW, Bearing housing to gearcase)

нет в наличии, поставок нет
6 0394823

*Шестерня & Втулка в сборе., дляward (GEAR & BUSHING ASSY., Forward)

нет в наличии, поставок нет
7 0308627

*Уплотнительное кольцо, Подшипник hsg. to gcase - Z. Contents of Редуктор Сальник Case (O-RING, Bearing hsg. to gcase - Z. Contents of Gearcase Seal Case)

2 шт100 руб.
8 0330201

*Шестерня обратного хода (GEAR, Reverse)

нет в наличии, поставок нет
9 0343491

*Вал гребного винта (PROPELLER SHAFT)

нет в наличии, поставок нет
9 0438578

   (последний код) KIT AY,PROPSHAFT

нет в наличии, поставок нет
10 0316505

*Фиксатор пружины (SPRING, Detent)

нет в наличии, поставок нет
11 0316506

*Шарик, Detent (BALL, Detent)

нет в наличии, поставок нет
12 0325263

*Переключатель собачки сцепления (SHIFTER, Clutch dog)

нет в наличии, поставок нет
13 0388416

*ПереключательER Рычаг & Обойма (SHIFTER LEVER & YOKE ASSY.)

нет в наличии, поставок нет
13 0386148

   (последний код) SHIFTER LEVER

нет в наличии, поставок нет
14 0308376

*Стержень Штифт переключателя Рычаг (PIVOT PIN, Shifter lever)

нет в наличии, поставок нет
14 0303358

   (последний код) PIVOT-PIN

нет в наличии, поставок нет
15 0332584

**Опорная шайба Штифт (WASHER, Pivot pin)

нет в наличии, поставок нет
16 0386186

*Роликовый подшипник, дляward Шестерня (ROLLER BEARING, Forward gear)

нет в наличии, поставок нет
17 0338190

*Шестерня, DriveВал (PINION, Driveshaft)

нет в наличии, поставок нет
18 0336296

*Нижняя упорная шайба Шестерня Подшипник (THRUST WASHER, Lower pinion bearing)

нет в наличии, поставок нет
19 0388000

*THRUST Подшипник, Шестерня (THRUST BEARING, Pinion)

нет в наличии, поставок нет
20 0343251

*Упорная шайба, дляward & reverse Шестерня (THRUST WASHER, Forward & reverse gear)

нет в наличии, поставок нет
21 0435393

*Редуктор, BRG. & Сальник в сборе. (GEARCASE, BRG. & SEAL ASSY.)

нет в наличии, поставок нет
21 0438617

   (последний код) G-CASE AY,LESS D/S

нет в наличии, поставок нет
22 0386014

**Подшипник ASSEMBLY, DriveВал (BEARING ASSEMBLY, Driveshaft)

нет в наличии, поставок нет
23 0318874

**Гильза, Подшипник driveВал (SLEEVE, Bearing driveshaft)

нет в наличии, поставок нет
24 0321480

**Сальник, Редуктор to driveВал - Z. Contents of Редуктор Сальник Case (SEAL, Gearcase to driveshaft - Z. Contents of Gearcase Seal Case)

нет в наличии, поставок нет
24 0318973

   (последний код) SEAL

нет в наличии, поставок нет
25 0301877

**Уплотнительное кольцо, Втулка to Переключающая тяга - Z. Contents of Редуктор Сальник Case (O-RING, Bushing to shift rod - Z. Contents of Gearcase Seal Case)

нет в наличии, поставок нет
26 0304765

**Втулка, Переключающая тяга (BUSHING, Shift rod)

нет в наличии, поставок нет
27 0321738

**Шайба уплотнения, Переключающая тяга - Z. Contents of Редуктор Сальник Case (WASHER, Seal, shift rod - Z. Contents of Gearcase Seal Case)

нет в наличии, поставок нет
28 0386071

**Подшипник в сборе., Шестерня to Редуктор (BEARING ASSY., Pinion to gearcase)

нет в наличии, поставок нет
29 0338635

**Анод (ANODE)

нет в наличии, поставок нет
30 0338443

**SCREEN, вход (SCREEN, Inlet)

нет в наличии, поставок нет
31 0304013

**Винт, Анод (SCREW, Anode)

нет в наличии, поставок нет
32 0325539

**Винт, Screen (SCREW, Screen)

нет в наличии, поставок нет
32 0312270

   (последний код) SCREW

нет в наличии, поставок нет
33 0121470

**Гайка, Винт, Анод (NUT, Screw, anode)

нет в наличии, поставок нет
34 0307551

*Заглушка & Шайба - Z. Contents of Редуктор Сальник Case (PLUG & WASHER - Z. Contents of Gearcase Seal Case)

нет в наличии, поставок нет
34 0982851

   (последний код) SCREW-PLUG

нет в наличии, поставок нет
35 0311598

**Шайба (WASHER)

нет в наличии, поставок нет
35 3852105

   (последний код) WASHER

нет в наличии, поставок нет
36 0325014

*CRADLE, Сцепление dog (CRADLE, Clutch dog)

нет в наличии, поставок нет
37 0342870

Пыльник, Крыльчатка hsg. to exh. hsg., 15 дюйм (GROMMET, Impeller hsg. to exh. hsg., 15 in.)

нет в наличии, поставок нет
37 0338908

   (последний код) GROMMET

нет в наличии, поставок нет
37 0302497

Нижний пыльник водяной трубки - Y, V U. Contents of Ремкомплект водяного насоса, RL, RVL, EL, EVL Models, 10 TEX, TVX Models (GROMMET, Water tube lower - Y,V U. Contents of Water Pump Repair Kit, RL, RVL, EL, EVL Models, 10 TEX, TVX Models)

2 шт250 руб.
38 0435390

Крыльчатка HSG. & Сальник в сборе. - Y. Contents of Ремкомплект водяного насоса (IMPELLER HSG. & SEAL ASSY. - Y. Contents of Water Pump Repair Kit)

1 шт1700 руб.
38 0391571

   (последний код) IMP-HSG&SEAL

1 шт1320 руб.
39 0318972

*Сальник, Крыльчатка hsg. to dВал - Z, Y. Contents of Редуктор Сальник Case, Contents of Ремкомплект водяного насоса (SEAL, Impeller hsg. to dshaft - Z,Y. Contents of Gearcase Seal Case, Contents of Water Pump Repair Kit)

2 шт790 руб.
41 0302325

*Винт, Крыльчатка hsg. to gcase - Y. Contents of Ремкомплект водяного насоса (SCREW, Impeller hsg. to gcase - Y. Contents of Water Pump Repair Kit)

нет в наличии, поставок нет
42 0318995

Пластина корпуса крыльчатки - Y. Contents of Ремкомплект водяного насоса (PLATE, Impeller housing - Y. Contents of Water Pump Repair Kit)

нет в наличии, поставок нет
42 0319988

   (последний код) PLATE IMP HSG

нет в наличии, поставок нет
42 0319988

Пластина корпуса крыльчатки - X (PLATE, Impeller housing - X)

нет в наличии, поставок нет
42 0318995

   (последний код) PLATE-IMP-HS

нет в наличии, поставок нет
43 0337396

DRIVEВал, стандарт (DRIVESHAFT, Standard)

нет в наличии, поставок нет
44 0328522

Шплинт, Гайка гребного винта to Вал (COTTER PIN, Propeller nut to shaft)

25 шт60 руб.
45 0318971

Гайка гребного винта (NUT, Propeller)

нет в наличии, поставок нет
46 0323942

Упорная шайба, Prop. Вал, rear (THRUST WASHER, Prop. shaft, rear)

нет в наличии, поставок нет
46 0318959

   (последний код) THRUST-WASHE

нет в наличии, поставок нет
47 0337401

Переключающая тяга, стандарт (SHIFT ROD, Standard)

нет в наличии, поставок нет
49 0334119

Коннектор переключающей тяги (CONNECTOR, Shift rod)

нет в наличии, поставок нет
50 0324097

Cвыше, Крыльчатка Корпус - Y. Contents of Ремкомплект водяного насоса (CUP, Impeller housing - Y. Contents of Water Pump Repair Kit)

1 шт1440 руб.
50 0322087

   (последний код) CUP

1 шт1110 руб.
50 0323535

Cвыше, Крыльчатка Корпус - X. Contents of Хромированный ремкомплект водяного насоса (CUP, Impeller housing - X. Contents of Chrome Pump Kit)

нет в наличии, поставок нет
51 0174817

Гребной винт, 9 X 11 - W. Refer to OMC® Genuine Parts Гребной винт Chart (PROPELLER, 9 X 11 - W. Refer to OMC® Genuine Parts Propeller Chart)

нет в наличии, поставок нет
51 0778773

   (последний код) PROP,AL 9.25X11

нет в наличии, поставок нет
51 0176266

Гребной винт, 10 X 9, high thrust - W. Refer to OMC® Genuine Parts Гребной винт Chart (PROPELLER, 10 X 9, high thrust - W. Refer to OMC® Genuine Parts Propeller Chart)

нет в наличии, поставок нет
51 0763458

   (последний код) PROP,AL 9.25X9

нет в наличии, поставок нет
52 0332395

*CONVERGING Кольцо (CONVERGING RING)

нет в наличии, поставок нет
52 0319484

   (последний код) CONVERGING RING

нет в наличии, поставок нет
53 0386119

*Втулка, Гребной винт (BUSHING, Propeller)

нет в наличии, поставок нет
54 0334590

Упорная втулка, Гребной винт (THRUST BUSHING, Propeller)

нет в наличии, поставок нет
55 0341206

Винт, Редуктор to Выхлоп hsg. (SCREW, Gearcase to exhaust hsg.)

нет в наличии, поставок нет
56 0386084

Крыльчатка ASSEMBLY - Y. Contents of Ремкомплект водяного насоса (IMPELLER ASSEMBLY - Y. Contents of Water Pump Repair Kit)

нет в наличии, поставок нет
58 0319085

Сальник, Крыльчатка Корпус - Z, Y. Contents of Редуктор Сальник Case, Contents of Ремкомплект водяного насоса (SEAL, Impeller housing - Z,Y. Contents of Gearcase Seal Case, Contents of Water Pump Repair Kit)

4 шт120 руб.
59 0300611

Шпонка крыльчатки to driveВал - Y. Contents of Ремкомплект водяного насоса (PIN, Impeller to driveshaft - Y. Contents of Water Pump Repair Kit)

нет в наличии, поставок нет
0436981

Удлинитель KIT в сборе. - V. RL, RVL, EL, EVL Models (EXTENSION KIT ASSY. - V. RL, RVL, EL, EVL Models)

нет в наличии, поставок нет
60 0337397

*DRIVEВал, Long - V. RL, RVL, EL, EVL Models (DRIVESHAFT, Long - V. RL, RVL, EL, EVL Models)

нет в наличии, поставок нет
61 0337403

*Переключающая тяга - V. RL, RVL, EL, EVL Models (SHIFT ROD - V. RL, RVL, EL, EVL Models)

нет в наличии, поставок нет
62 0319340

*Удлинитель, Крыльчатка Корпус to Удлинитель корпуса - V. RL, RVL, EL, EVL Models (EXTENSION, Impeller housing to exhaust housing - V. RL, RVL, EL, EVL Models)

нет в наличии, поставок нет
63 0319085

*Сальник, Крыльчатка Корпус to ext. - Y, V. Contents of Ремкомплект водяного насоса, RL, RVL, EL, EVL Models (SEAL, Impeller housing to ext. - Y,V. Contents of Water Pump Repair Kit, RL, RVL, EL, EVL Models)

4 шт120 руб.
64 0324334

*Винт, Удлинитель - V. RL, RVL, EL, EVL Models (SCREW, Extension - V. RL, RVL, EL, EVL Models)

нет в наличии, поставок нет
64 0302820

   (последний код) SCREW

нет в наличии, поставок нет
65 0331152

*Удлинитель, Редуктор - V. RL, RVL, EL, EVL Models (EXTENSION, Gearcase - V. RL, RVL, EL, EVL Models)

нет в наличии, поставок нет
65 0319314

   (последний код) GRCASE-EXT

нет в наличии, поставок нет
66 0337383

*Водяная трубка - V. RL, RVL, EL, EVL Models (WATER TUBE - V. RL, RVL, EL, EVL Models)

нет в наличии, поставок нет
67 0342870

*Пыльник водяной трубки to exh. hsg. V. 10 TEX, TVX Models (GROMMET, Water tube to exh. hsg. V. 10 TEX, TVX Models)

нет в наличии, поставок нет
67 0338908

   (последний код) GROMMET

нет в наличии, поставок нет
68 0337398

DRIVEВал - U. 10 TEX, TVX Models (DRIVESHAFT - U. 10 TEX, TVX Models)

нет в наличии, поставок нет
69 0337402

Переключающая тяга - U. 10 TEX, TVX Models (SHIFT ROD - U. 10 TEX, TVX Models)

нет в наличии, поставок нет
70 0395894

Удлинитель, Редуктор - U. 10 TEX, TVX Models (EXTENSION, Gearcase - U. 10 TEX, TVX Models)

нет в наличии, поставок нет
70 0393203

   (последний код) GEARCASE EXT AY

нет в наличии, поставок нет
71 0328301

*Гильза, Удлинитель - U. 10 TEX, TVX Models (SLEEVE, Extension - U. 10 TEX, TVX Models)

нет в наличии, поставок нет
72 0328302

*Втулка, Удлинитель - U. 10 TEX, TVX Models (BUSHING, Extension - U. 10 TEX, TVX Models)

нет в наличии, поставок нет
73 0319340

Удлинитель, Exh. hsg. to ext. - U. 10 TEX, TVX Models (EXTENSION, Exh. hsg. to ext. - U. 10 TEX, TVX Models)

нет в наличии, поставок нет
74 0324334

Винт, Удлинитель to exh. hsg. - U. 10 TEX, TVX Models (SCREW, Extension to exh. hsg. - U. 10 TEX, TVX Models)

нет в наличии, поставок нет
74 0302820

   (последний код) SCREW

нет в наличии, поставок нет
75 0337382

Водяная трубка - U. 10 TEX, TVX Models (WATER TUBE - U. 10 TEX, TVX Models)

нет в наличии, поставок нет
76 0342870

Пыльник водяной трубки to exh. hsg. U. 10 TEX, TVX Models (GROMMET, Water tube to exh. hsg. U. 10 TEX, TVX Models)

нет в наличии, поставок нет
76 0338908

   (последний код) GROMMET

нет в наличии, поставок нет
77 0394711

Ремкомплект водяного насоса, (Includes Крыльчатка Корпус) (WATER PUMP REPAIR KIT, (Includes impeller housing))

нет в наличии, поставок нет
77 0393560

   (последний код) WATERPUMP KIT

нет в наличии, поставок нет
78 0389114

CHROME Cвыше & Пластина KIT (CHROME CUP & PLATE KIT)

нет в наличии, поставок нет
78 0394711

   (последний код) REPAIR-KIT

нет в наличии, поставок нет
79 0396350

Комплект сальников редуктора (GEARCASE SEAL KIT)

1 шт5300 руб.
evinrude

Время выполнения запроса 2.2272279262543 сек.


 
 

данный сайт носит информационный характер и не является публичной офертой

склад запчастей для водомоторной техники